
沉(chen)淀(dian)(dian)硬化(hua)(hua)(hua)(hua)(hua)不(bu)(bu)銹(xiu)(xiu)鋼是一類含(han)沉(chen)淀(dian)(dian)硬化(hua)(hua)(hua)(hua)(hua)元素(Cu、Al、Ti、Nb)的鐵(tie)鉻鎳合(he)(he)金(jin),可以通過熱(re)處(chu)理強化(hua)(hua)(hua)(hua)(hua),此類鋼具有高強度、足夠的韌性和(he)適宜的耐蝕性。主(zhu)要應用(yong)于宇航(hang)工業和(he)一些高技術產業。 沉(chen)淀(dian)(dian)硬化(hua)(hua)(hua)(hua)(hua)不(bu)(bu)銹(xiu)(xiu)鋼可區分(fen)為馬氏(shi)體(ti)(ti)(ti)(ti)、半奧氏(shi)體(ti)(ti)(ti)(ti)和(he)奧氏(shi)體(ti)(ti)(ti)(ti)沉(chen)淀(dian)(dian)硬化(hua)(hua)(hua)(hua)(hua)不(bu)(bu)銹(xiu)(xiu)鋼三種主(zhu)要類型,近年來又出現了鐵(tie)素體(ti)(ti)(ti)(ti)沉(chen)淀(dian)(dian)硬化(hua)(hua)(hua)(hua)(hua)不(bu)(bu)銹(xiu)(xiu)鋼。在馬氏(shi)體(ti)(ti)(ti)(ti)沉(chen)淀(dian)(dian)不(bu)(bu)銹(xiu)(xiu)鋼中,基于馬氏(shi)體(ti)(ti)(ti)(ti)時(shi)效鋼的經驗,近年來出現了馬氏(shi)體(ti)(ti)(ti)(ti)時(shi)效不(bu)(bu)銹(xiu)(xiu)鋼,與前(qian)者(zhe)比較,后者(zhe)碳含(han)量較低,其(qi)強化(hua)(hua)(hua)(hua)(hua)手段主(zhu)要是靠金(jin)屬間化(hua)(hua)(hua)(hua)(hua)合(he)(he)物析出,且熱(re)處(chu)理簡單。
0Cr15Ni25MoTiA1VB、A-286 不銹鋼是一種采用生成金屬間化合物Ni3(Al、Ti)、Ni3(TiAl)強化的奧氏體沉淀硬化(hua)不銹鋼。此鋼主要用于小于705℃的工作環境下,要求具有高強度和優良耐蝕性的部件或設備。0Cr15Ni25MoTiA1VB鋼具有高的缺口強度,超過與之可比的任何商業合金。在溫度低于980℃的抗氧化性能相當于310S不銹鋼。在時效條件下,此鋼的屈服強度水平可達600MPa。
一、化學成分
0Cr15Ni25MoTiA1VB、A-286 不(bu)銹鋼的化學(xue)成分見表5-115。

二、室(shi)溫力學性(xing)能
標準所規定的室(shi)溫力學性能指標見表5-116。

不同熱處理狀態的(de)0Cr15Ni25MoTiA1VB、 A-286 不銹鋼的(de)典型(xing)室溫力(li)學性能(neng)見表5-117。

淬火的冷(leng)卻速度對經時效的0Cr15Ni25MoTiA1VB、A-286 不銹鋼的室溫力(li)學(xue)性能的影響見表5-118。

鋼(gang)的(de)沖擊性能和溫(wen)度之間的(de)關系見(jian)表5-119。

三(san)、疲勞和斷裂韌性
0Cr15Ni25MoTiA1VB、A-286 不(bu)銹鋼的疲勞裂紋(wen)擴展速率見圖(tu)5-32。

用J- 積分方法(fa)獲得(de)的斷裂韌性見(jian)表 5-120 。
四(si)、高(gao)溫力學性能(neng)
Φ22mm棒材,經980℃×1h油淬(cui)后(hou),再經718℃時效16小時后(hou)空冷的0Cr15-Ni25MoTiA1VB的高溫瞬時拉伸(shen)性能(neng)見表(biao)5-121。薄(bo)板的高溫拉伸(shen)性能(neng)見圖(tu)5-33。淬(cui)火冷卻速度對(dui)鋼的高溫拉伸(shen)性能(neng)的影響見表(biao)5-122。

0Cr15Ni25MoTiA1VB、A-286 不銹鋼的高溫缺口強度見圖5-34。

0Cr15Ni25MoTiA1VB、A-286 不銹(xiu)鋼的高溫承(cheng)(cheng)載(zai)(bearing)強度(du)以及高溫時效(xiao)對承(cheng)(cheng)載(zai)(bearing)強度(du)的影響見圖5-35和圖5-36。
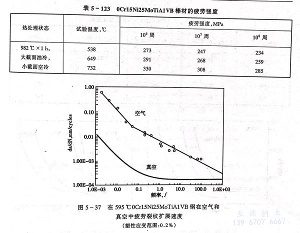
0Cr15Ni25MoTiA1VB、 A-286 不銹鋼(gang)的高(gao)溫疲(pi)勞性能見(jian)表 5-123 。裂紋擴展速率見(jian)圖 5-32 和 圖 5-37 。

0Cr15Ni25MoTiA1VB、A-286 不銹(xiu)鋼的持久強度見圖 5-38 。

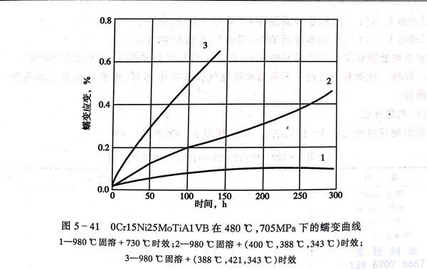
0Cr15Ni25MoTiA1VB、A-286 不銹鋼(gang)不銹鋼(gang)的(de)蠕變行為(wei)見(jian)表 5-124 和 圖(tu) 5-39至(zhi)圖(tu) 5-41 。


不(bu)同熱處理狀(zhuang)態(tai)的(de)(de)0Cr15Ni25MoTiA1VB、A-286 不(bu)銹鋼的(de)(de)高(gao)溫硬度見表 5-125 和 表 5-126 。

五、耐蝕(shi)性
0Cr15Ni25MoTiA1VB、 A-286 不銹鋼鋼的耐蝕性優于0Cr15Ni17Mo2A1,在還原性酸性介質中接近于316不(bu)銹鋼。在航空發動機的服役環境,在直到704℃的條件均具有優異的耐蝕性。其抗氧性能相當于310S不銹鋼。
六(liu)、工藝性能
a. 熱(re)加工
鋼的熱加工溫度范圍為927~1121℃,最佳熱變形溫度為1038~1120℃,其變形抗力稍大于18-8型奧(ao)氏體(ti)不銹鋼。
b. 冷加工
在固溶處理狀態下,0Cr15Ni25MoTiA1VB、A-286 不(bu)銹鋼可以(yi)進(jin)行(xing)滿意的冷(leng)加(jia)工(gong)和(he)冷(leng)成(cheng)形(xing),但較316不(bu)銹鋼 和(he)310S不(bu)銹鋼硬,加(jia)工(gong)硬化速度(du)亦較快。
c. 熱處(chu)理
此鋼可采用兩種固溶處理制度(du),時效處理溫度(du)為(wei)704~730℃時效時間為(wei)12~18h。
①. 900℃×(1-2)h,水冷或(huo)油冷+730℃×16h,空冷。
②. 980℃×(1-2)h,水(shui)冷或(huo)油冷+730℃×16h,空(kong)冷。
前者熱處理狀態可獲(huo)得最(zui)好(hao)的強度(du),后者可獲(huo)得最(zui)好(hao)的塑(su)韌性(xing)和較高的硬(ying)度(du)。
d. 焊接
此鋼(gang)易于(yu)進(jin)行(xing)手工電(dian)弧和惰性(xing)氣體保護電(dian)弧焊,推薦(jian)在(zai)固溶處理(li)條(tiao)件下進(jin)行(xing)焊接操作。
七、物理性(xing)能
0Cr15Ni25MoTiA1VB、A-286 不銹鋼的物(wu)理(li)性能見表(biao)5-127,表(biao)5-128和(he)圖5-42、圖5-43。


八、應(ying)用(yong)
0Cr15Ni25MoTiA1VB、A-286 不銹鋼注(zhu)意應(ying)用(yong)于宇航工業(ye)高溫耐蝕部件(jian)(jian),如發動機轉輪、葉片、骨架、加力燃燒室部件(jian)(jian)和螺栓(shuan)等。
