
馬(ma)氏(shi)體不(bu)(bu)銹(xiu)鋼(gang)是一(yi)類可(ke)通過熱處理(淬火(huo)回火(huo))對(dui)其性(xing)(xing)(xing)能(neng)進行(xing)調整的不(bu)(bu)銹(xiu)鋼(gang),通俗地講(jiang)是一(yi)類可(ke)硬化(hua)的不(bu)(bu)銹(xiu)鋼(gang),此類鋼(gang)具(ju)(ju)有高的硬度、良(liang)好的力學性(xing)(xing)(xing)能(neng)和不(bu)(bu)銹(xiu)性(xing)(xing)(xing),這些特性(xing)(xing)(xing)決定了此類鋼(gang)必須具(ju)(ju)備(bei)兩個基(ji)本條件(jian):其一(yi),在平衡(heng)相圖中必須有奧氏(shi)體相區(qu)存(cun)在;其二(er),為使鋼(gang)形(xing)成耐腐(fu)蝕的鈍化(hua)膜,鉻含量必須在10.5%以上。馬(ma)氏(shi)體不(bu)(bu)銹(xiu)鋼(gang)在淬火(huo)狀(zhuang)態下具(ju)(ju)有體心四方晶體結構(馬(ma)氏(shi)體),具(ju)(ju)有鐵磁性(xing)(xing)(xing),在較弱腐(fu)蝕環境(jing)中具(ju)(ju)有耐蝕性(xing)(xing)(xing)。鋼(gang)中的鉻含量可(ke)達18%,碳可(ke)以超過1.2%。
2Cr13、20Cr13、420 不銹鋼是(shi)香蕉視頻app蘋果:馬氏體不銹鋼,其主要性能類似1Cr13不銹鋼。由于含碳量(liang)較(jiao)高,其強(qiang)度、硬度高于香蕉視頻app蘋果:1Cr13,而韌性(xing)和耐(nai)蝕(shi)性(xing)略(lve)低。熱(re)處理(li)后經(jing)拋光(guang),在(zai)弱腐蝕(shi)介質(zhi)(如鹽水(shui)(shui)溶液、硝酸及(ji)某些濃度不(bu)(bu)高的有機酸食品生(sheng)產(chan)介質(zhi))中,溫(wen)度不(bu)(bu)高(大(da)約30℃以下)的條件下,具有良(liang)好的耐(nai)蝕(shi)性(xing)。在(zai)淡(dan)水(shui)(shui)、海水(shui)(shui)、蒸汽、潮濕大(da)氣條件下亦表現出(chu)良(liang)好的可用的耐(nai)蝕(shi)性(xing)。在(zai)硫酸、鹽酸、熱(re)硝酸、熔(rong)融堿等介質(zhi)中耐(nai)蝕(shi)性(xing)較差。此外(wai),2Cr13、20Cr13、420 香蕉視頻app蘋果:不銹鋼在700℃以下具(ju)有足夠的強(qiang)度、熱(re)穩定性和良好(hao)的減振性。2Cr13、20Cr13、420 不銹鋼主要用(yong)于制造承受高應力負(fu)荷的零件,如(ru)汽輪機葉片、熱(re)油泵軸(zhou)和軸(zhou)套、葉輪、水壓機閥片等,亦(yi)可用(yong)于造紙工業和醫療器(qi)械(xie)以及日用(yong)消費領域(yu)的刀(dao)具(ju)、餐具(ju)等。
一、化學成分(fen)
2Cr13、20Cr13、420 不銹鋼的化學成(cheng)分(fen)見表(biao)3-19。

二(er)、室溫力學性能
2Cr13、20Cr13、420 不(bu)銹鋼的室溫(wen)力學性(xing)能(neng)見(jian)表3-20。熱處理與室溫(wen)力學性(xing)能(neng)的關系見(jian)圖3-8至圖3-10。



三、疲勞和斷(duan)裂韌(ren)性(xing)
2Cr13、20Cr13、420 不銹(xiu)鋼的室溫旋轉(zhuan)彎曲疲勞性能見表3-21和圖3-11和圖3-12。

2Cr13、20Cr13、420 不銹(xiu)鋼(1000℃油(you)淬,700℃回火)的高(gao)溫(wen)疲勞(lao)和腐蝕疲勞(lao)行(xing)為分別(bie)見圖3-13和圖3-14。2Cr13鋼光滑和缺(que)口試樣彎曲疲勞(lao)極(ji)限見表3-22。


2Cr13、20Cr13、420 不銹鋼的(de)疲勞裂紋擴(kuo)展(zhan)速率和疲勞裂紋擴(kuo)展(zhan)門檻值的(de)測室結果見表3-23和表3-24。試樣為11mm×44mm緊湊拉(la)伸試樣。

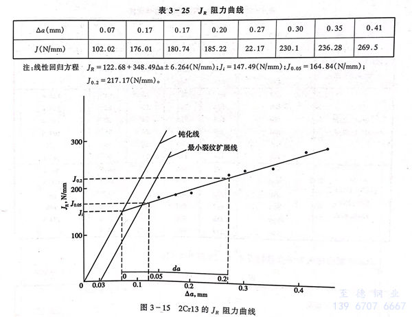
2Cr13、20Cr13、420 不銹鋼的(de)JR阻(zu)力(li)曲線的(de)測試結果見(jian)表(biao)3-25和(he)圖(tu)3-15,試樣為20mm×24mm×96mm三點(dian)彎曲試樣。

不同熱處理狀態(tai)的(de)2Cr13鋼的(de)斷裂(lie)韌性和SCC的(de)門檻值見表3-26。

四(si)、高溫(wen)力學(xue)性能
2Cr13、20Cr13、420 不銹鋼的高溫瞬時(shi)拉伸性能見表3-27。

2Cr13、20Cr13、420 不銹鋼的(de)持久和蠕變性(xing)能見表3-28和表3-29。

五、耐蝕性
2Cr13、20Cr13、420 不銹鋼(gang)的耐蝕性能見表3-30。鋼(gang)的腐蝕疲勞性能見圖3-16。

六、工藝(yi)性(xing)能
a. 熱加工
不銹鋼的熱加工(gong)性能良好,適宜的熱加工(gong)溫(wen)(wen)度(du)區間為850~1200℃,熱變形終了應(ying)采(cai)用砂冷或及時(shi)退火,熱加工(gong)的升溫(wen)(wen)操作應(ying)緩慢(man),在低于850℃時(shi)應(ying)緩慢(man)加熱,冷裝爐溫(wen)(wen)度(du)≤800℃。
b. 冷(leng)加工
冷加工(gong)(gong)性能良好,可進行冷軋、冷沖壓、深(shen)拉(la)等加工(gong)(gong)操作,消(xiao)除應力(li)退火可采用730~780℃回(hui)火。
c. 熱(re)處理
2Cr13、20Cr13、420 不銹鋼的熱處理工藝(yi)見表3-31。

d. 焊接(jie)
2Cr13、20Cr13、420 不銹鋼焊(han)(han)后硬化(hua)傾向大(da),易(yi)出(chu)現裂紋(wen),若用Cr202、Cr207焊(han)(han)條焊(han)(han)接時,焊(han)(han)前需(xu)經250~350℃預熱,焊(han)(han)后需(xu)經700~750℃回火(huo);若用奧107、奧207焊(han)(han)條焊(han)(han)接,可不進行焊(han)(han)后熱處理。
七(qi)、物理性能
2Cr13、20Cr13、420 不銹鋼的物(wu)理性能(neng)和(he)衰減(jian)性能(neng)見表3-32。

八、應用
經熱(re)處理后的(de)2Cr13、20Cr13、420 不銹(xiu)鋼,可用于承受較高應(ying)力的(de)零(ling)部件,如透平后幾級及(ji)低溫段長葉片、閥、閥件、熱(re)裂設備(bei),緊固(gu)件等(deng)。亦(yi)大量應(ying)用于造紙工業刀具,食品加工機械及(ji)餐具。
