
鐵(tie)(tie)(tie)素(su)(su)體(ti)不(bu)銹(xiu)鋼(gang)(gang)在加熱冷卻時都沒(mei)有(you)α'γ'轉變,始終保持(chi)鐵(tie)(tie)(tie)素(su)(su)體(ti)組織。這(zhe)類鋼(gang)(gang)含鉻量較高,為(wei)(wei)17%~28%,主要是(shi)(shi)(shi)作(zuo)為(wei)(wei)熱穩(wen)定鋼(gang)(gang),也(ye)可作(zuo)為(wei)(wei)耐(nai)蝕(shi)鋼(gang)(gang)。鐵(tie)(tie)(tie)素(su)(su)體(ti)不(bu)銹(xiu)鋼(gang)(gang)由(you)于不(bu)含鎳(nie),生產制造(zao)成本要比(bi)奧氏體(ti)不(bu)銹(xiu)鋼(gang)(gang)低(di),但其熱穩(wen)定性和耐(nai)蝕(shi)性在有(you)些(xie)情況下,比(bi)奧氏體(ti)不(bu)銹(xiu)鋼(gang)(gang)還(huan)要好,特別是(shi)(shi)(shi)耐(nai)氯離子腐蝕(shi)。因此(ci),大力(li)推廣鐵(tie)(tie)(tie)素(su)(su)體(ti)不(bu)銹(xiu)鋼(gang)(gang)的(de)(de)應用(yong)(yong),不(bu)但可以降低(di)成本,而且還(huan)能(neng)節(jie)約寶貴的(de)(de)鎳(nie)資源。這(zhe)樣看來,使用(yong)(yong)鐵(tie)(tie)(tie)素(su)(su)體(ti)不(bu)銹(xiu)鋼(gang)(gang)不(bu)僅可以節(jie)約鎳(nie),而且還(huan)是(shi)(shi)(shi)在許多特殊使用(yong)(yong)環境中的(de)(de)最佳選(xuan)材(cai)。
(0Cr11Ti)409不銹(xiu)鋼(gang)、(022Cr11Ti )409L不銹(xiu)鋼(gang)是低鉻香蕉視頻app蘋果:鐵素體不銹鋼中(zhong)的(de)一種,鉻含(han)量10.5%~11.75%。它們(men)具有良(liang)好的(de)成型性(xing)(xing)(xing),經(jing)濟性(xing)(xing)(xing),耐蝕性(xing)(xing)(xing),抗(kang)氧化性(xing)(xing)(xing)等綜(zong)合性(xing)(xing)(xing)能。它們(men)的(de)典型用途是汽車排氣系統(tong)相關部件(jian)。
一、化(hua)學(xue)成分
(0Cr11Ti)409不銹鋼、(022Cr11Ti )409L不銹鋼的化學成分見表2-1。

Cr11Ti 不銹鋼由于含鉻低,低碳,氮(dan)又加Ti,所以在鐵(tie)素體不銹鋼中強度相(xiang)對較(jiao)低,延(yan)伸率(lv)相(xiang)對較(jiao)高(gao)。
四、耐(nai)蝕性
(0Cr11Ti)409不銹鋼、(022Cr11Ti )409L不銹鋼在比較弱的腐蝕環境中,如大氣和淡水中有著優異的耐蝕性。在含微量HCl的沸騰溶液中它們的腐蝕率較(0Cr13)410不銹鋼,(00Cr13)410L不銹鋼 低,也較0Cr17鋼低,有著較寬的耐酸界限,(見圖2-1)。在模擬汽車消音器冷凝液的環境下,鋼的腐蝕率隨Cr量增加而降低,當Cr≥11%,腐蝕率降到非常低(見圖2-2)。因此,(0Cr11Ti)409不銹鋼、(022Cr11Ti )409L不銹鋼已在現代汽車排氣系統中代替鍍Al鋼,得到廣泛應用。

五、抗(kang)氧化性
(0Cr11Ti)409不銹鋼、(022Cr11Ti )409L不銹鋼有著比軟鋼更為優異的高溫抗氧化性,斷續高溫使用溫度為815℃,連續使用為675℃。Cr11Ti鋼,由于含Cr量較低,在900℃大氣中100小時連續加熱通常會發生氧化,所以此鋼在過于苛刻的氧化條件不宜使用。圖2-3示出,在含3%水分1000℃氧氣氛圍中進行氧化試驗的結果。0Cr13(410不銹鋼)鋼5小時多就發生異常的氧化,氧化增量急劇增加,與之相比含0.2%Al的0Cr12(405不銹鋼)鋼初期氧化增量較低,而經過10小時后也加速氧化,圖中00Cr11Ti(Cr11.9%,Ti0.7%)材料較0Cr13Al(405不銹鋼),00Cr13(410L不銹鋼)抗氧化性好,而加入1.5%Si和加B鋼表現出最好的抗氧化性。
六、冷(leng)熱加工和熱處理
(0Cr11Ti)409不銹鋼、(022Cr11Ti )409L不銹鋼開始熱加工溫度為1100~1150℃,卷取溫度~600℃,熱軋帶坯在罩式爐退火830~870℃ 8小時。
冷軋帶(dai)在(zai)冷線或(huo)混線的連續(xu)退(tui)火(huo)酸洗線上處(chu)理,熱處(chu)理控(kong)制在(zai)860℃±10℃。
七(qi)、成型性
(0Cr11Ti)409不銹鋼、(022Cr11Ti )409L不銹鋼的成型性較奧氏體不銹鋼和軟鋼差些,但是在鐵素體不銹鋼中是最優異的。可進行相當程度的成型加工。評價沖壓成型有兩大要素,即深拉伸性和脹形性。
a. 深拉伸性
深拉伸性與鋼板的結構有關。022Cr11Ti,由于低碳,氮又加Ti,鋼板平行軋制面{111}較發達,因此y值較高,深拉伸性較好,圖2-4指出Ti含量對低C,NCr13鐵素體不銹鋼γ值的影響,Ti加入量為(C+N)的10倍以上時γ值最好。

b. 脹形性
脹(zhang)形性(xing)(xing)是以延(yan)伸率和n值為指標的(de)(de),它受鋼(gang)的(de)(de)合金元(yuan)素(su)的(de)(de)含量(liang)和純度的(de)(de)影響,Cr、C及其(qi)他元(yuan)素(su)含量(liang)愈低(di)(di)(di),純凈(jing)度愈高,脹(zhang)形性(xing)(xing)愈好(hao)。低(di)(di)(di)Cr鐵素(su)體不銹鋼(gang)本質上Cr就低(di)(di)(di),對延(yan)伸率是有利(li)的(de)(de),因此以Cr11為基(ji),再(zai)降低(di)(di)(di)不純物(wu)元(yuan)素(su)含量(liang)并(bing)加入微量(liang)Ti,必(bi)然具有較(jiao)好(hao)的(de)(de)脹(zhang)形性(xing)(xing)并(bing)兼(jian)備(bei)極好(hao)的(de)(de)深拉(la)伸性(xing)(xing)。

表2-3示出00Cr13(410L不銹鋼)、022Cr11Ti(409L不銹鋼)成型性試驗值,其成型性是良好的,特別是022Cr11Ti,γ 值,Eγ值 CCV 值及擴孔比都好。圖2-5給出022Cr11Ti、0Cr17鋼板的成形極限,022Cr11Ti比0Cr17大得多。

八(ba)、焊接性
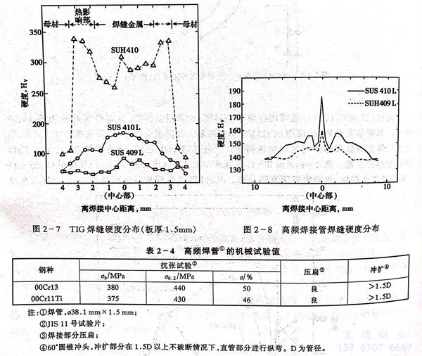
(0Cr11Ti)409不銹鋼、(022Cr11Ti )409L不銹鋼一般可用各種方法焊接,如鎢極氬弧焊,金屬極氬弧焊,電阻焊,點焊等。如需填充金屬,建議用0Cr11Nb,焊接時輸入的熱量應該小些,避免晶粒過分長大,以免過分降低焊縫和熱影響區的塑性和韌性。0Cr11Ti,00Cr11Ti鋼有著較0Cr13Al、00Cr13鋼好的焊接性能。圖2-6示出0Cr11Ti(409),0Cr3A1(405),0Cr13(410)厚板用0Cr23Ni11(309)型焊條焊接,焊縫附近硬度的分布。0Cr11Ti焊縫附近,HAZ(熱影響區)硬度幾乎沒有變化,沒有馬氏體生成,僅由于高溫下單相鐵素體晶粒粗化,所以022Cr11Ti 不銹鋼厚板焊接加工時,應盡量減小輸入熱量,避免晶粒長大引起HAZ破裂。圖2-7示出板厚1.5mm焊接,焊縫附近硬度分布,022Cr11Ti(409L)焊縫金屬和熱影響區是鐵素體單相,硬度幾乎沒有變化,因此,薄板焊縫加工性能優異。圖2-8示出022Cr11Ti(409L)汽車排氣管高頻焊,焊縫附近硬度分布,焊縫中心由于加壓變形較周邊硬度略有升高。高頻焊與電弧焊不同,幾乎看不出溶融凝固處。高頻不銹鋼(gang)焊(han)管性能示于表2-4,有著優異的延伸率和加工性,用作排氣管等加工無特殊困難。

九、用途
(0Cr11Ti)409不銹鋼在不銹鋼中耐蝕性和抗氧化性屬于較低水平,但是與軟鋼比較,它具有優異的耐蝕性、抗氧化性,成型性,良好焊接性,而且價格低廉,因此被廣泛應用于汽車排氣系統中,如消音器、尾氣管、觸煤轉換器的殼等。最近為提高排氣凈化效率和輕量化,原來使用鑄鐵制造的排氣管也使用(022Cr11Ti )409L不銹鋼。另外,貯藏器和冷水罐等焊接構件和器物也大量采用(022Cr11Ti )409L不銹鋼。還有煤氣燃燒噴咀等需深拉伸成形部件也大量采用(022Cr11Ti )409L不銹鋼。
