不銹(xiu)鋼(gang)電化(hua)學著彩(cai)色酸(suan)性溶液成分和工藝條件(jian)見(jian)表9-9。配(pei)方(fang)5 (見(jian)表9-9)的說明 。本配(pei)方(fang)由南京航空(kong)航天大(da)學材料系 周一揚、吳繼(ji)民提(ti)出

1. 施加(jia)電信號
采用中(zhong)等含(han)鉻(ge)量的(de)(de)不銹鋼1Cr17,在硫酸(suan)水溶液中(zhong)以恒(heng)電位方波充電法(fa)使不銹鋼表(biao)面(mian)(mian)產(chan)生彩色膜。脈沖方波見圖9-10。采用此法(fa)有望能克服表(biao)面(mian)(mian)因在鉻(ge)酸(suan)溶液中(zhong)浸泡(pao)的(de)(de)時(shi)間較長,有時(shi)表(biao)面(mian)(mian)有粗糙現象產(chan)生的(de)(de)缺點。

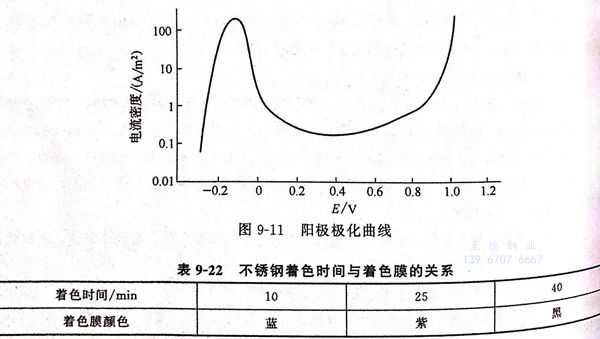
2. 不銹鋼(gang)陽極(ji)極(ji)化曲(qu)線
在(zai)2mol/L(相當(dang)于196g/L)硫(liu)酸溶液中以逐點法得到不銹鋼的陽(yang)極(ji)極(ji)化曲線,見圖9-11,由(you)圖9-11可(ke)知,陽(yang)極(ji)鈍(dun)態電(dian)(dian)位為(wei)0~0.9V.采用的脈沖電(dian)(dian)位范圍為(wei)-0.1~1.0V,時間為(wei)0.001~0.100s.使用的實驗(yan)儀器有恒電(dian)(dian)位儀、信(xin)號(hao)發生器、穩壓電(dian)(dian)源、示波(bo)器,參比電(dian)(dian)極(ji)為(wei)飽和甘汞電(dian)(dian)極(ji),對電(dian)(dian)極(ji)為(wei)鉑電(dian)(dian)極(ji)。
3. 著色時(shi)間同著色膜顏色的關系

在藍色、紫色、黑色之間(jian)(jian)沒有明顯的中間(jian)(jian)色出現。隨著(zhu)溶液溫度增高及濃(nong)度加大(da)。著(zhu)色膜形成(cheng)速率有加大(da)的傾向。這種膜的生(sheng)成(cheng),推測是由于膜-溶液的表面(mian)鉻酸(suan)(suan)離(li)子的生(sheng)成(cheng)、還原所(suo)致(zhi),并且在硫酸(suan)(suan)水溶液中恒電位方波脈沖下不(bu)銹鋼表面(mian)形成(cheng)的膜的鉻離(li)子含量較高之故。

