1. 法蘭用墊(dian)片(pian)的選擇
壓力容器(qi)法(fa)蘭用墊片為非金屬軟墊片、纏繞墊片及金屬包覆墊片三種,具體可按NB/T47024-2012《非金屬軟墊片》、NB/T 47025-2012《纏繞墊片》和NB/T 47026-2012《金屬包覆墊片》等墊片標準選用。
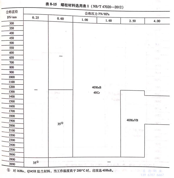
2. 法蘭用螺柱的選擇
a. 螺柱材(cai)料的選用(yong)
壓力容器法(fa)蘭用(yong)螺柱材料選用(yong)表(biao)見表(biao)8-15~表(biao)8-17。



b. 螺柱的型式與(yu)尺寸
法蘭(lan)用等長雙頭螺柱(zhu)的(de)型(xing)式(shi)與尺寸應符合(he)NB/T 47027-2012《等長雙頭螺柱(zhu)》的(de)規定。
3.法蘭、墊片、螺柱與螺母材料匹配
甲型平焊法(fa)蘭(lan)、乙型平焊法(fa)蘭(lan)和長頸(jing)對焊法(fa)蘭(lan)(以下簡稱(cheng)甲型、乙型、長頸(jing)法(fa)蘭(lan))與墊片、螺(luo)柱(zhu)與螺(luo)母材料的匹配(含適(shi)用溫度(du)范圍)見表(biao)8-18。
螺柱的硬度(du)(布氏硬度(du),HBW)應比螺母硬度(du)高20~30,相(xiang)同(tong)強(qiang)度(du)級別(bie)的材料可(ke)以通過不同(tong)的熱處理(li)狀態實現。



