高鉻鎳不銹鋼中的主要合金元素為鉻和鎳,其含量與配比對材料的綜合耐蝕性能至關重要。高鉻鎳不銹鋼常被用在濕法磷酸的生產設備上,在濕法磷酸生產工藝中,介質中含有磷礦石、硫酸、氯離子、氟離子等,工作溫度為80℃,因此,材料的腐蝕變得復雜和苛刻。該材料在這類介質中具有良好的耐蝕性能主要源于鉻和鎳的適當配合。林凡等人就高鉻鎳不銹鋼中鉻、鎳含量對腐蝕電化學特性的影響進行研究。結果表明,隨著鉻含量的增加,合金更容易鈍化;隨著鎳含量的提高,合金鈍態越穩定。高鉻鎳含量有利于合金鈍化膜的形成。
1. 高鉻鎳(nie)不銹鋼材料的制備
將原材料(liao):微碳鉻鐵(tie)、鉬(mu)鐵(tie)、錳鐵(tie)、鈦(tai)鐵(tie)、結晶硅、電解鎳、電解銅、工業純(chun)鐵(tie)按一定(ding)比例在中頻感應爐(lu)內(nei)熔煉澆鑄成試樣,出爐(lu)溫(wen)(wen)度(du)1530℃,澆注溫(wen)(wen)度(du)約1450℃。三種試樣的化學成分(fen)見表6-17。

2. 高鉻鎳不銹鋼實驗方法
對1號(hao)、2號(hao)、3號(hao)材(cai)料進行陽(yang)極極化測(ce)試,測(ce)定材(cai)料在(zai)腐蝕介質中的致鈍(dun)電(dian)位(wei)、維(wei)鈍(dun)電(dian)位(wei)、維(wei)鈍(dun)電(dian)流(liu)、點蝕電(dian)位(wei)和鈍(dun)化電(dian)位(wei)范圍。
實驗介質:
磷酸(H3PO4) 54% 、氟離子(F-) 1% 、硫酸(H2SO4) 4% 、介質溫度 76℃ 、氯離子(Cl-) 600mg/L
測定2號(hao)、3號(hao)材料在氯離子分別為200mg/L、600mg/L、1000mg/L、2000mg/L的上述介(jie)質中的致鈍電位、維鈍電位和點蝕電位。
采(cai)用俄歇電(dian)子(zi)能譜(pu)(AES)技術(shu)測(ce)定鈍化膜(mo)中各元(yuan)素的深度分布(bu)。運用X射線光電(dian)子(zi)能譜(pu)(XPS)對(dui)膜(mo)中各元(yuan)素的氧化物(wu)組態進行分析。
3. 高(gao)鉻(ge)鎳(nie)不銹鋼中鉻(ge)、鎳(nie)含(han)量對合金鈍化(hua)的(de)影(ying)響(xiang)
a. 鉻含量的影響
圖(tu)6-10表示合金致鈍(dun)(dun)電(dian)(dian)位(wei)、維鈍(dun)(dun)電(dian)(dian)位(wei)與含鉻(ge)量的關(guan)系(xi)。由圖(tu)6-10可見,當鉻(ge)含量增(zeng)加時,陽極極化曲線的致鈍(dun)(dun)電(dian)(dian)位(wei)和維鈍(dun)(dun)電(dian)(dian)位(wei)負移(yi),使(shi)系(xi)統得到的腐(fu)蝕電(dian)(dian)位(wei)高于(yu)該金屬的致鈍(dun)(dun)電(dian)(dian)位(wei),促進(jin)了合金更(geng)快地進(jin)入(ru)鈍(dun)(dun)態(tai)。或(huo)者說鉻(ge)量的增(zeng)加,能(neng)使(shi)合金在(zai)更(geng)低的電(dian)(dian)位(wei)就能(neng)鈍(dun)(dun)化。

b. 鎳含(han)量的影響
圖6-11為合(he)金致(zhi)鈍電(dian)(dian)(dian)流(liu)(liu)密度(du)、維鈍電(dian)(dian)(dian)流(liu)(liu)密度(du)與(yu)鎳(nie)含量(liang)的關系。由圖可見,合(he)金在介質中的致(zhi)鈍電(dian)(dian)(dian)流(liu)(liu)密度(du)與(yu)維鈍電(dian)(dian)(dian)流(liu)(liu)密度(du)隨(sui)鎳(nie)量(liang)的增加而(er)變(bian)小。

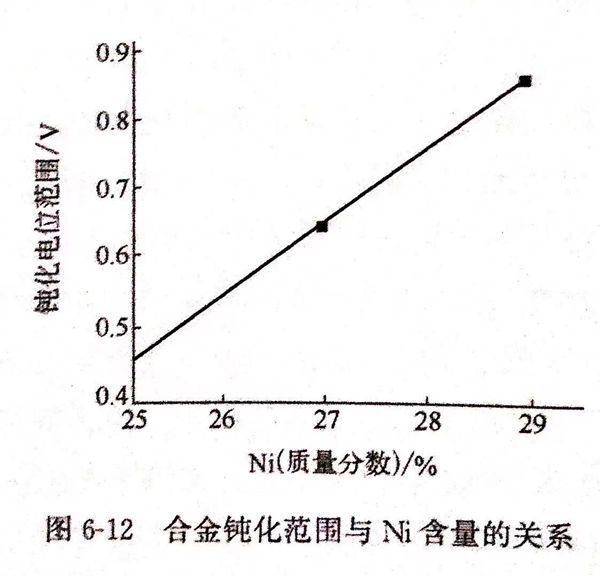
圖6-12為(wei)合金鈍化范圍與鎳(nie)含量的(de)關(guan)系。由圖6-12可(ke)見,合金在介質中的(de)鈍化準圍隨鎳(nie)量的(de)增(zeng)加逐漸變寬(kuan)。
電(dian)(dian)化(hua)學反(fan)應(ying)(ying)的(de)(de)陰極(ji)過程受阻滯的(de)(de)步(bu)驟通常(chang)認為是(shi)氫原(yuan)子在(zai)電(dian)(dian)極(ji)上的(de)(de)還原(yuan)過程,氫在(zai)鎳(nie)表(biao)(biao)面反(fan)應(ying)(ying)交換電(dian)(dian)流密度(du)較(jiao)少,因而(er)隨著極(ji)化(hua)電(dian)(dian)位的(de)(de)增加,合金的(de)(de)維鈍(dun)(dun)(dun)電(dian)(dian)流仍(reng)能維持在(zai)較(jiao)低的(de)(de)水平,使鈍(dun)(dun)(dun)化(hua)狀態保持在(zai)較(jiao)寬的(de)(de)范圍內(nei)。同時(shi)鎳(nie)固溶于鈍(dun)(dun)(dun)化(hua)膜(mo)中,而(er)且被氧(yang)化(hua)的(de)(de)較(jiao)少,從而(er)增加鈍(dun)(dun)(dun)化(hua)膜(mo)和金屬表(biao)(biao)層(ceng)的(de)(de)熱力學穩定(ding)性。
4. 介質中氯離子和(he)氟離子的影響
圖(tu)6-13為氯離(li)子(zi)(zi)含(han)量(liang)(liang)(liang)對(dui)(dui)合(he)金致鈍(dun)電(dian)位(wei)、維鈍(dun)電(dian)位(wei)的影響,圖(tu)6-14為氯離(li)子(zi)(zi)對(dui)(dui)合(he)金過鈍(dun)化電(dian)位(wei)的影響。由(you)圖(tu)6-13可(ke)見(jian),在(zai)不同氯離(li)子(zi)(zi)含(han)量(liang)(liang)(liang)的介質中,2號合(he)金的致鈍(dun)電(dian)位(wei)和(he)維鈍(dun)電(dian)位(wei)基本(ben)上(shang)低于(yu)3號合(he)金。隨著鉻量(liang)(liang)(liang)的增加,合(he)金更容易鈍(dun)化,說明(ming)在(zai)耐氯離(li)子(zi)(zi)腐(fu)蝕中,有足(zu)夠鉻含(han)量(liang)(liang)(liang)的重(zhong)要性。

由(you)圖6-14可(ke)見(jian),在不(bu)同氯離子含量的介質中(zhong),3號(hao)合金的過鈍化(hua)電位(wei)更正些表明合金的鈍化(hua)穩定性更強些。
反應介質中含有氯(lv)(lv)離(li)(li)(li)子(zi)(zi)和氟離(li)(li)(li)子(zi)(zi),使已經鈍(dun)化(hua)(hua)(hua)(hua)的(de)(de)(de)合(he)金(jin)(jin)重新活(huo)化(hua)(hua)(hua)(hua),除(chu)氫外,氯(lv)(lv)離(li)(li)(li)子(zi)(zi)的(de)(de)(de)活(huo)化(hua)(hua)(hua)(hua)能力大于氟離(li)(li)(li)子(zi)(zi),而氟離(li)(li)(li)子(zi)(zi)又(you)明(ming)顯(xian)增加(jia)了氯(lv)(lv)離(li)(li)(li)子(zi)(zi)對(dui)活(huo)化(hua)(hua)(hua)(hua)區陽極溶解的(de)(de)(de)去極化(hua)(hua)(hua)(hua)作用(yong)(yong)。因此,圖6-13、圖6-14所示的(de)(de)(de)應是氯(lv)(lv)離(li)(li)(li)子(zi)(zi)和氟離(li)(li)(li)子(zi)(zi)共同作用(yong)(yong)的(de)(de)(de)結果。研(yan)究表明(ming),增加(jia)合(he)金(jin)(jin)中的(de)(de)(de)鉻含量(liang)有利于合(he)金(jin)(jin)在較(jiao)(jiao)低(di)的(de)(de)(de)電(dian)位就進入鈍(dun)化(hua)(hua)(hua)(hua)狀態,更快(kuai)地使合(he)金(jin)(jin)表層(ceng)形成(cheng)較(jiao)(jiao)完整的(de)(de)(de)氧化(hua)(hua)(hua)(hua)膜,并在較(jiao)(jiao)低(di)的(de)(de)(de)電(dian)位維(wei)持鈍(dun)態。從圖6-12、圖6-14的(de)(de)(de)結果可(ke)以(yi)看出,增加(jia)合(he)金(jin)(jin)的(de)(de)(de)鎳(nie)(nie)含量(liang),可(ke)使3號合(he)金(jin)(jin)的(de)(de)(de)鈍(dun)化(hua)(hua)(hua)(hua)范圍更寬(kuan),過鈍(dun)化(hua)(hua)(hua)(hua)電(dian)位更正(zheng)。這表明(ming)鎳(nie)(nie)在合(he)金(jin)(jin)中可(ke)以(yi)起到穩(wen)定合(he)金(jin)(jin)表層(ceng)鈍(dun)化(hua)(hua)(hua)(hua)狀態的(de)(de)(de)作用(yong)(yong),并有助(zhu)于延長發(fa)生孔蝕核(he)的(de)(de)(de)誘導時間。
5. 合(he)金鈍(dun)化膜的表層結(jie)構分析
圖6-15為合(he)金鈍化(hua)膜(mo)中各(ge)元素的深度分(fen)布(bu)曲線(AES),圖6-16為合(he)金鈍化(hua)膜(mo)表(biao)層的俄歇電子能譜圖(AES)。

對(dui)鈍(dun)(dun)化(hua)膜中各(ge)元(yuan)素氧(yang)(yang)化(hua)物的(de)(de)(de)組態進行了XPS分析(xi),并將濺射前(qian)后(hou)鈍(dun)(dun)化(hua)膜表層和基(ji)體中氧(yang)(yang)、鐵、鉻、鎳、鉬各(ge)元(yuan)素的(de)(de)(de)氧(yang)(yang)化(hua)峰(feng)及(ji)金(jin)屬峰(feng)結(jie)合(he)能(neng)與標準手冊上的(de)(de)(de)結(jie)合(he)能(neng)進行對(dui)比。所(suo)測試到的(de)(de)(de)各(ge)元(yuan)素的(de)(de)(de)結(jie)能(neng)均采用(yong) OIs 峰(feng)進行標定(ding),見表 6-18。

從AES和XPS的分析結果可知,鈍化膜表層氧富集較多,其次是鉻和鐵。同時,在合金的鈍化膜表層中,鉻基本上全部氧化,以三氧化二鉻(Cr2O3)的形式存在。鐵有部分被氧化成氧化亞鐵(FeO)和三氧化二鐵(Fe2O3),鉬有部分被氧化成三氧化鉬(MoO3),而鎳只有少量被氧化成氧化鎳(NiO)。從氧的結合能可看到,鈍化膜主要是O-M-O鍵。這就使金屬與溶液界面上形成了一道屏障層。這種由O-M-O鍵組成的屏障,決定鈍化膜表面的活性點少,鈍化膜有高效的化學穩定性,不易受到破壞,而這些都與恰當的鉻、鎳匹配分不開。

