Cr18Ni13Mo3不銹鋼用作外科植(zhi)入物的制造(zao),表面經香蕉視頻app蘋果:機械拋光、香蕉視頻app蘋果:電化學拋光、香蕉視頻app蘋果:化學鈍化,工藝(yi)還不夠完善,特(te)別是鈍化(hua)工藝(yi),行業內的(de)差距(ju)很大(da)。為此,齊寶芬(fen)對外科植入物(wu)不銹鋼產品的(de)鈍化(hua)條件進行了實(shi)驗探索,得(de)出一些實(shi)際使用的(de)結果。
1. 鈍(dun)化液(ye)的選(xuan)擇
試樣材料(liao)為Cr18Ni13Mo3、Cr18Ni14Mo3、Cr18Ni15Mo3等(deng)制作(zuo)的(de)(de)(de)骨連(lian)接用(yong)接骨板、接骨螺釘(ding)(ding)及髓(sui)內(nei)釘(ding)(ding)(梅花針)。實驗(yan)鈍(dun)(dun)化(hua)(hua)液(ye)(ye)(ye)的(de)(de)(de)兩種配(pei)方見(jian)表6-2,表6-2列出不(bu)銹鋼產品30℃鈍(dun)(dun)化(hua)(hua)后的(de)(de)(de)表面(mian)(mian)點(dian)蝕(shi)(shi)電位(wei)(mV),試樣經機(ji)械拋(pao)光(800#砂紙(zhi)+布拋(pao)光)、清洗、干燥后分別放入(ru)兩類(lei)鈍(dun)(dun)化(hua)(hua)液(ye)(ye)(ye)中(zhong),鈍(dun)(dun)化(hua)(hua)后測(ce)定不(bu)銹鋼的(de)(de)(de)耐腐蝕(shi)(shi)性能Eb值(表面(mian)(mian)點(dian)蝕(shi)(shi)電位(wei))。如表 6-2 的(de)(de)(de)Eb值所(suo)示,兩種鈍(dun)(dun)化(hua)(hua)液(ye)(ye)(ye)在相同(tong)條件下鈍(dun)(dun)化(hua)(hua)的(de)(de)(de)樣品點(dian)蝕(shi)(shi)電位(wei)Eb值都(dou)無(wu)明最差(cha)異。理(li)(li)論(lun)上,目(mu)前對鈍(dun)(dun)化(hua)(hua)膜的(de)(de)(de)成膜機(ji)理(li)(li)有(you)(you)多(duo)種解釋,其中(zhong)之一是(shi)產品鈍(dun)(dun)化(hua)(hua)后表面(mian)(mian)為含有(you)(you)鉻(ge)的(de)(de)(de)氧化(hua)(hua)膜,鉻(ge)的(de)(de)(de)存在對形成氧化(hua)(hua)膜起重要作(zuo)用(yong)。不(bu)銹鋼產品含鉻(ge)量為17%~20%,有(you)(you)是(shi)夠的(de)(de)(de)鉻(ge)參與(yu)成膜,故鈍(dun)(dun)化(hua)(hua)液(ye)(ye)(ye)中(zhong)是(shi)否加入(ru)重鉻(ge)酸(suan)鉀(K2C2O3)對鈍(dun)(dun)化(hua)(hua)膜的(de)(de)(de)性能影響不(bu)大。目(mu)前英美等(deng)國(guo)對外(wai)科植入(ru)物(wu)不(bu)銹鋼產品的(de)(de)(de)純化(hua)(hua)也都(dou)共同(tong)推薦硝(xiao)酸(suan)水溶液(ye)(ye)(ye)的(de)(de)(de)鈍(dun)(dun)化(hua)(hua)配(pei)方。

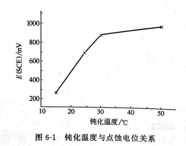
2. 鈍化液溫(wen)度的選擇
化學(xue)反應(ying)速率隨(sui)溫(wen)度的升(sheng)高(gao)而(er)加快(kuai)。鈍化液中硝酸隨(sui)溫(wen)度的升(sheng)高(gao)而(er)揮發增大。因此,基于實際(ji)可操作性為(wei)原(yuan)則,選(xuan)擇溫(wen)度在(zai)50℃以(yi)(yi)下。實驗在(zai)硝酸20%,時(shi)間2小時(shi),不(bu)同的溫(wen)度鈍化后測出(chu)不(bu)銹鋼的點蝕(shi)(shi)電(dian)位Eb,見圖6-1,從曲線可見,50℃時(shi)的點蝕(shi)(shi)電(dian)位最高(gao),30℃時(shi)的點蝕(shi)(shi)電(dian)位稍低(di),30℃以(yi)(yi)下的點蝕(shi)(shi)電(dian)位急劇下降,30℃以(yi)(yi)下的溫(wen)度不(bu)可取,50℃時(shi)的產(chan)品耐蝕(shi)(shi)性最好。

3. 鈍(dun)化時間的選擇(ze)
①. 實驗是(shi)在(zai)25%硝酸+2.5%重鉻酸鉀的(de)鈍化液中(zhong),溫度30℃時,鈍化時間分別(bie)為2h、4h、6h、12h的(de)條件下鈍化后,在(zai)0.9%氯化鈉水(shui)溶液中(zhong)于(37±1)℃電化學測試得樣品的(de)點蝕電位(wei),見圖6-2。
從圖6-2可見,鈍化6小時的點蝕(shi)電位達到最高值,且平(ping)行試樣測(ce)試中(zhong)的點蝕(shi)電位重現(xian)性好,產(chan)品(pin)耐(nai)蝕(shi)性能(neng)穩(wen)定。若鈍化時間過(guo)短,如2小時,則同批產(chan)品(pin)中(zhong)鈍化性能(neng)質量不穩(wen)定,點蝕(shi)電位差異較大。

②. 第二個(ge)實驗是在20%硝酸鈍化液中,鈍化溫度為50℃下(xia)(xia),選擇不同的(de)時間(jian)鈍化后,其(qi)在相同的(de)條件下(xia)(xia)測得的(de)點蝕電位見(jian)圖6-3。
從圖6-3可(ke)見,在鈍(dun)化溫度50℃,鈍(dun)化時(shi)間以30~60分鐘(zhong)時(shi)的點(dian)蝕電(dian)位高且穩定,鈍(dun)化性(xing)能好(hao)。
4. 外科植(zhi)入不銹鋼產品鈍化工(gong)藝
鈍(dun)化(hua)液(ye)應(ying)選用(yong) 20%~30%硝酸(suan)溶液(ye),溫度50℃時(shi)(shi)鈍(dun)化(hua)時(shi)(shi)間為 30~60分鐘(zhong),溫度30℃時(shi)(shi)鈍(dun)化(hua)時(shi)(shi)間為6小(xiao)時(shi)(shi)。

