各國標準的不銹鋼牌號都力求與國際上統一,以適應國際技術交流和國際貿易往來的需要,也都力求將最先進的、綜合性能最好的牌號列入本國標準,以提高本國不銹鋼的生產水平,滿足各部門對不銹鋼產品不斷提高的要求。目前普遍被認為是先進水平的不銹鋼材料標準包括美國ASTM、日本JIS、德國DIN、法國NF、英國BS和國際標準化組織ISO標準,其中美國ASTM標準的不銹鋼牌號反映了世界不銹鋼生產的先進水平。
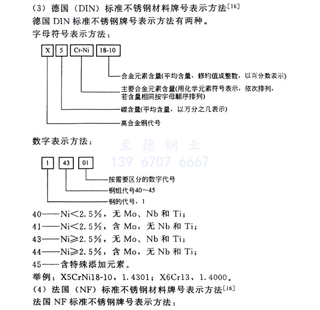
德(de)國(guo)(DIN)標準(zhun)不銹(xiu)鋼材料牌(pai)號表示方法



發(fa)布日期:2025-03-24 00:51:55 人氣:197
各國標準的不銹鋼牌號都力求與國際上統一,以適應國際技術交流和國際貿易往來的需要,也都力求將最先進的、綜合性能最好的牌號列入本國標準,以提高本國不銹鋼的生產水平,滿足各部門對不銹鋼產品不斷提高的要求。目前普遍被認為是先進水平的不銹鋼材料標準包括美國ASTM、日本JIS、德國DIN、法國NF、英國BS和國際標準化組織ISO標準,其中美國ASTM標準的不銹鋼牌號反映了世界不銹鋼生產的先進水平。
德(de)國(guo)(DIN)標準(zhun)不銹(xiu)鋼材料牌(pai)號表示方法


