有的配管設計人員錯誤認為不銹鋼(gang)是“萬能不腐蝕材料”,無論什么腐蝕介質和設計條件都用不銹鋼,這是非常危險的。
1. 硫酸
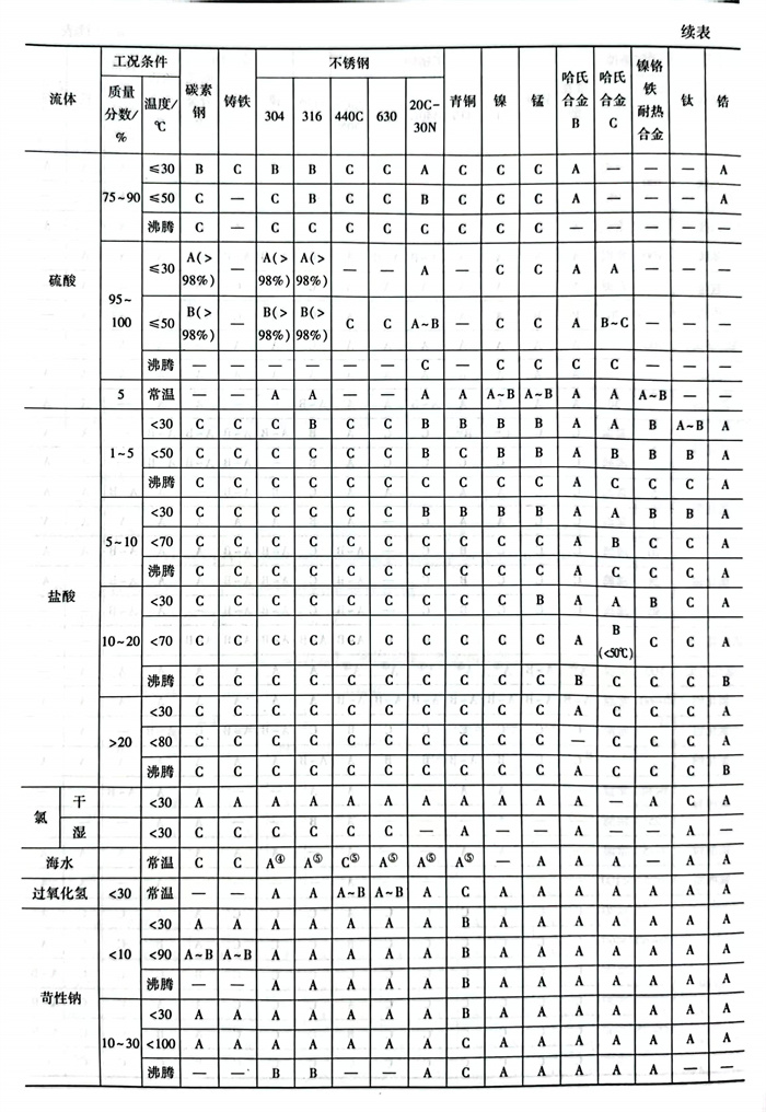
作為強腐蝕介質之一,硫酸是用途廣泛的重要工業原料。不同濃度和溫度的硫酸對材料的腐蝕差別較大,對于濃度在80%以上、溫度小于80℃的濃硫酸,碳鋼和鑄鐵有較好的耐蝕性,但它不適合高速流動的硫酸。普通不銹鋼如304不銹(xiu)鋼(gang)、316不(bu)銹鋼對硫酸介質用途有限。因此輸送硫酸的閥通常采用高硅鑄鐵、高合金不銹鋼(20號合金)制造。氟塑料等非金屬材料具有較好的耐硫酸性能。
2. 鹽酸(suan)
大(da)多數(shu)金屬材料(liao)(liao)(liao)(liao)(包括各種不銹鋼材料(liao)(liao)(liao)(liao))都不耐鹽(yan)(yan)酸(suan)腐蝕,含鉬高(gao)硅鐵也僅可用于50℃、30%以(yi)下鹽(yan)(yan)酸(suan)。和(he)金屬材料(liao)(liao)(liao)(liao)相(xiang)反,絕(jue)大(da)多數(shu)非(fei)金屬材料(liao)(liao)(liao)(liao)對鹽(yan)(yan)酸(suan)都有良(liang)好的(de)(de)耐腐蝕性,所以(yi)內襯橡膠或塑料(liao)(liao)(liao)(liao)(如聚(ju)丙烯、氟(fu)塑料(liao)(liao)(liao)(liao)等)是輸送(song)鹽(yan)(yan)酸(suan)的(de)(de)較好選擇。
3. 硝酸
在硝(xiao)(xiao)酸(suan)中一般金屬(shu)易被(bei)迅速腐(fu)蝕(shi)破壞(huai)。不(bu)銹(xiu)鋼是(shi)應用較廣的(de)(de)耐(nai)(nai)硝(xiao)(xiao)酸(suan)材(cai)料(liao),對常(chang)溫(wen)下一切濃度的(de)(de)硝(xiao)(xiao)酸(suan)都有良好的(de)(de)耐(nai)(nai)蝕(shi)性(xing),含鉬的(de)(de)不(bu)銹(xiu)鋼(如(ru)(ru)316、316L)對硝(xiao)(xiao)酸(suan)的(de)(de)耐(nai)(nai)蝕(shi)性(xing)不(bu)如(ru)(ru)普通(tong)不(bu)銹(xiu)鋼(如(ru)(ru)304、321)。而對于(yu)高溫(wen)硝(xiao)(xiao)酸(suan),通(tong)常(chang)采(cai)用鈦及鈦合金材(cai)料(liao)。
4. 醋酸
它(ta)是(shi)(shi)有(you)機酸中(zhong)腐(fu)蝕性最(zui)強的(de)物質之一(yi),普通(tong)鋼鐵在一(yi)切濃度和溫(wen)度的(de)醋(cu)酸中(zhong)都會嚴重腐(fu)蝕,不(bu)銹(xiu)鋼是(shi)(shi)優良的(de)耐醋(cu)酸材料(liao),含(han)鉬的(de)316不(bu)銹(xiu)鋼還(huan)能適用于(yu)高(gao)溫(wen)和稀醋(cu)酸蒸(zheng)氣(qi)。對(dui)于(yu)高(gao)溫(wen)高(gao)濃醋(cu)酸或含(han)有(you)其他(ta)腐(fu)蝕介質等苛刻要求,可選用高(gao)合金不(bu)銹(xiu)鋼或氟(fu)塑料(liao)材料(liao)。
5. 堿(氫氧化鈉)
碳鋼廣泛應用(yong)于(yu)80℃以(yi)下(xia)、30%濃度內的(de)氫氧化(hua)鈉(na)溶液(ye),也有許多(duo)(duo)工廠在(zai)100℃、75%以(yi)下(xia)時仍(reng)采(cai)用(yong)普(pu)通碳鋼,雖(sui)然腐蝕增加,但是(shi)綜(zong)合(he)(he)經濟性好。普(pu)通不銹鋼對堿(jian)液(ye)的(de)耐(nai)蝕性與鑄鐵碳鋼相(xiang)比沒有明顯優點。對于(yu)高(gao)(gao)溫堿(jian)液(ye)多(duo)(duo)采(cai)用(yong)鈦及鈦合(he)(he)金或者高(gao)(gao)合(he)(he)金不銹鋼。
6. 氨(an)(氫氧(yang)化氨(an))
大多(duo)數金(jin)屬(shu)和非(fei)金(jin)屬(shu)在液氨(an)及氨(an)水(氫氧化氨(an))中(zhong)的(de)腐(fu)蝕都很輕微(wei),銅(tong)(tong)和銅(tong)(tong)合金(jin)不宜使用。
7. 鹽(yan)水(海水)
普通碳鋼在氯化鈉溶(rong)液和海水(shui)、咸水(shui)中腐(fu)蝕(shi)率不(bu)太高(gao),一般須采(cai)用涂料(liao)保(bao)護。各類(lei)不(bu)銹鋼也有很低的均(jun)勻腐(fu)蝕(shi)率,但(dan)可能因氯離子而引起局部性腐(fu)蝕(shi),通常采(cai)用316不(bu)銹鋼較好。
8. 醇類、酮類、酯類、醚類
常見的(de)醇(chun)類(lei)(lei)介(jie)質(zhi)(zhi)有(you)甲(jia)醇(chun)、乙(yi)醇(chun)、乙(yi)二醇(chun)、丙醇(chun)等(deng)(deng),酮類(lei)(lei)介(jie)質(zhi)(zhi)有(you)丙酮、丁酮等(deng)(deng),酯類(lei)(lei)介(jie)質(zhi)(zhi)有(you)各種甲(jia)酯、乙(yi)酯等(deng)(deng),醚類(lei)(lei)介(jie)質(zhi)(zhi)有(you)甲(jia)醚、乙(yi)醚、丁醚等(deng)(deng),它們基本沒有(you)腐蝕性(xing),碳鋼材料(liao)均可(ke)適(shi)用(yong),具體選用(yong)時還應根據(ju)介(jie)質(zhi)(zhi)的(de)屬性(xing)和相(xiang)關要求(qiu)做(zuo)出合理選擇。酮、酯、醚等(deng)(deng)對多(duo)種橡膠有(you)溶解(jie)性(xing),在選擇密封材料(liao)時避免(mian)出錯。
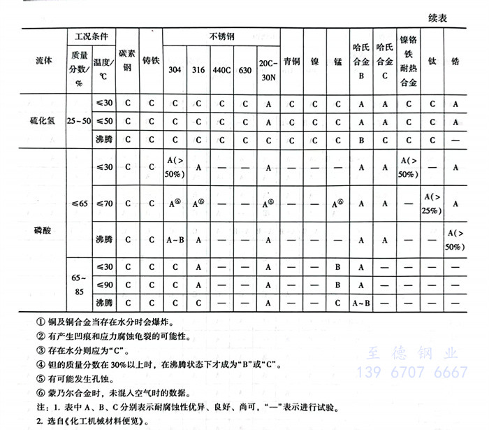
常用腐蝕(shi)介質金(jin)屬選(xuan)材見(jian)表8.1.7。







①. 銅及銅合金當存(cun)在水(shui)分時(shi)會爆炸。
②. 有(you)產生凹痕和應力(li)腐(fu)蝕龜裂的可(ke)能性(xing)。
③. 存在水分則應(ying)為“C”。
④. 鉭(tan)的(de)質量(liang)分數在30%以(yi)上時,在沸騰狀態下(xia)才成為“B”或(huo)“C”。
⑤. 有可能發生孔蝕。
⑥. 蒙乃爾合(he)金時(shi),未混入空氣時(shi)的數據。
注:1. 表中A、B、C分別(bie)表示(shi)(shi)耐(nai)腐(fu)蝕性優異、良好、尚可(ke),“一”表示(shi)(shi)進行(xing)試(shi)驗。
2. 選自《化工(gong)機械材料便覽》。

