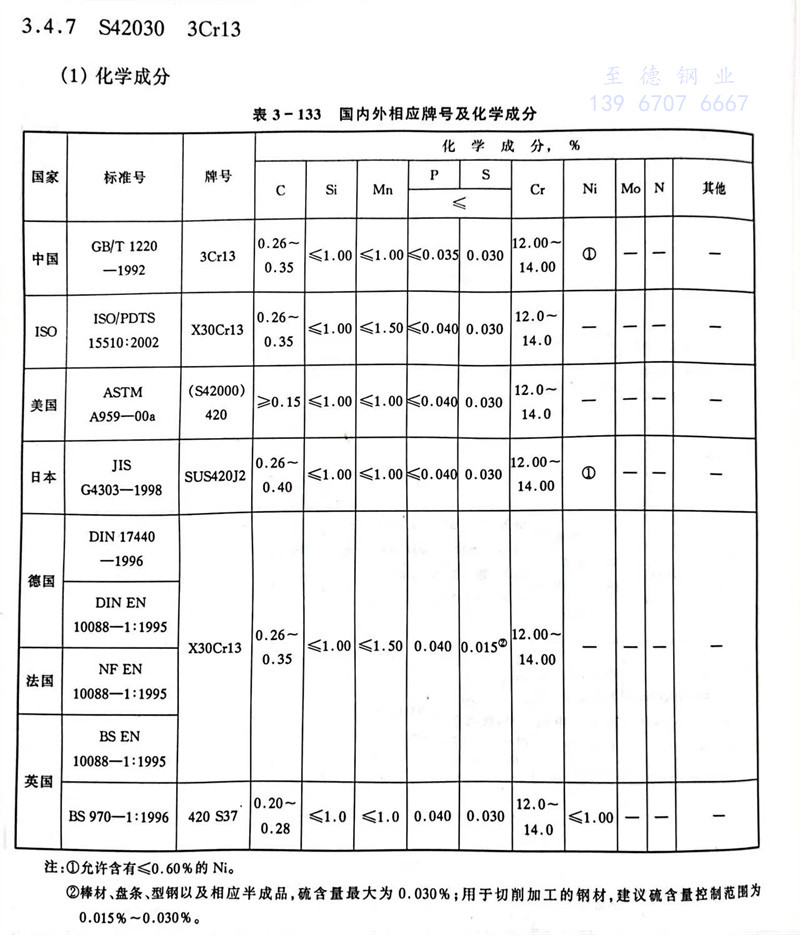
S42030 3Cr13 不銹(xiu)鋼主要特性和用(yong)途
比1Cr13、2Cr13鋼含碳量高,所以具有更高的強度、硬度和淬透性。但這種鋼的耐蝕性和在700℃以下的熱穩定性比1Cr13、2Cr13低,焊接性能差。
用于制(zhi)造要求強(qiang)度較高的結構(gou)件(jian),受高應力(li)機械載荷并在一些腐蝕介質(zhi)作用下的磨損(sun)件(jian),如300℃以下工(gong)作的刀具(ju)、彈簧,400℃以下工(gong)作的軸、螺栓(shuan)、閥門、軸承、閥座和噴嘴等(deng)。也常用來(lai)制(zhi)造測(ce)量器(qi)械、醫用工(gong)具(ju)。




