
耐蝕(shi)合金主(zhu)要是指鐵鎳(nie)(nie)基耐蝕(shi)合金 Ni≥30% ,Ni+Fe≥60% ,和鎳(nie)(nie)基耐蝕(shi)合金 Ni≥50% 。
(0Cr23Ni60Fe14Al)、 NS 313、Inconel 601合金系(xi)一種(zhong)既耐蝕,又抗高溫氧化,且(qie)具(ju)有較好熱(re)強性的鎳基(ji)合金。
一、化學成分(fen)和組織特點(dian)
0Cr23Ni60Fe14Al合(he)金(jin)的(de)(de)化(hua)(hua)學成分(fen)見表(biao)3-3-1。從表(biao)中可知(zhi),合(he)金(jin)中鉻含(han)量(liang)較(jiao)高,因(yin)而在氧(yang)化(hua)(hua)性(xing)(xing)(xing)酸介(jie)質中耐蝕(shi)性(xing)(xing)(xing)較(jiao)好;合(he)金(jin)在含(han)較(jiao)高鉻量(liang)的(de)(de)同時,還含(han)有鋁,因(yin)而,此(ci)合(he)金(jin)的(de)(de)抗氧(yang)化(hua)(hua)性(xing)(xing)(xing)、抗硫化(hua)(hua)性(xing)(xing)(xing)能也較(jiao)佳。此(ci)合(he)金(jin)固溶態具有穩定的(de)(de)奧氏體(ti)組織,同時在基(ji)體(ti)上還有彌散的(de)(de)少量(liang)碳化(hua)(hua)物和氮化(hua)(hua)物。此(ci)合(he)金(jin)中完全不存在脆性(xing)(xing)(xing)金(jin)屬間相,例如σ相。
| Inconel 601 ( NS 313) 合金的化學成分 % | |||||||||
| 牌號 | C | Mn | Si | Cr | Ni | S | P | Al | Fe |
| 0Cr23Ni60Fe14Al Inconel 601 | ≤0.10 | ≤1.0 | ≤0.5 | 21~25 | 58~63 | ≤0.015 | ≤0.003 | 1.0~1.7 | 余量 |
二、耐腐蝕性能
0Cr23Ni60Fe14Al合金耐高溫腐蝕,特別是抗高溫氧化的性能優異,最高使用溫度可達1260℃,在一些酸、堿等介質中,例如硝酸、NaOH、稀H3PO4中也具有良好的耐蝕性。
1. 抗氧化性
圖 3-3-30、圖 3-3-31 和 圖 3-3-33 系 0Cr23Ni60Fe14Al合(he)(he)金(jin)與(yu) 0Cr15Ni75Fe(Inconel 600)、0Cr20Ni32Fe (Inconel 800)兩種(zhong)合(he)(he)金(jin)高(gao)溫抗(kang)(kang)氧化(hua)性能(neng)的比較(jiao)結(jie)果,由(you)圖可以看出,即使加熱到1260℃,0Cr23Ni60Fe14Al合(he)(he)金(jin)仍具有良好(hao)的抗(kang)(kang)氧化(hua)性。這主要(yao)是此(ci)(ci)合(he)(he)金(jin)表面在(zai)高(gao)溫下能(neng)夠形成(cheng)非常致(zhi)密(mi)且(qie)黏附性好(hao)的氧化(hua)膜。圖3-3-32系國(guo)內(nei)在(zai)1150℃對 0Cr23Ni60Fe14Al所進行(xing)的抗(kang)(kang)氧化(hua)性試驗(yan)結(jie)果。顯然此(ci)(ci)合(he)(he)金(jin)的抗(kang)(kang)氧化(hua)性能(neng)與(yu)其他鎳基高(gao)鉻耐蝕(shi)合(he)(he)金(jin)相比處于同(tong)一水平。


2. 抗(kang)硫化性能
在1.5%H2S+98.5%H2氣中,于650~750℃中進行的試驗結果見圖3-3-34。由圖可知,0Cr23Ni60Fe14Al合金具有較好的抗硫化性能。

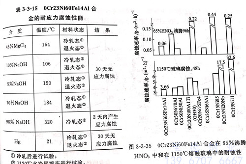
3. 耐全面腐(fu)蝕(shi)性能
在一些酸、堿、鹽介質中,0Cr23Ni60Fe14Al合金的耐蝕性與0Cr15Ni75Fe合金相近。因此,0Cr15Ni75Fe合金的耐蝕性數據也可供參考。0Cr23Ni60Fe14Al合金在一些介質中耐蝕性數據見表3-3-12~表3-3-14。圖3-3-35系國產合金在沸騰65%HNO3中和1150℃高溫玻璃中進行的腐蝕試驗結果。

4. 耐應(ying)力腐(fu)蝕性能
0Cr23Ni60Fe14Al合(he)金中(zhong)的高(gao)鎳含量(liang),故其(qi)耐氯化(hua)物、氫(qing)氧化(hua)物的應力腐(fu)蝕性能也很(hen)好。表 3-3-15 是一些試驗結(jie)果(guo)。

三(san)、力學性能
表3-3-16系0Cr23Ni60Fe14Al合金(jin)在(zai)熱加工和固溶狀態下,一些(xie)冶金(jin)產品(板、棒、管、絲等(deng))的室溫(wen)力(li)學性能。

圖3-3-36和圖3-3-37經(jing)不同溫(wen)度固溶處(chu)理的(de)0Cr23Ni60Fe14Al合金棒(bang)材(cai)的(de)高溫(wen)力學性能(neng),試驗用(yong)棒(bang)材(cai)尺(chi)寸為(wei)Φ16mm。
表3-3-17和(he)表3-3-18系0Cr23Ni60Fe14Al合金(jin)的(de)沖擊韌性。由表可知(zhi),即使(shi)經過中(zhong)溫(wen)(540~870℃)長期時效,此(ci)合金(jin)仍無脆化傾向。

圖3-3-38和(he)圖3-3-39分(fen)別為此合(he)(he)金的(de)旋轉、懸臂梁疲勞試驗結果(guo)。圖3-3-40 和(he)圖3-3-41分(fen)別為0Cr23Ni60Fe14Al合(he)(he)金的(de)高溫蠕變和(he)高溫持久性能(neng)。從(cong)圖3-3-41可知(zhi),980℃固(gu)溶(rong)較1150℃固(gu)溶(rong)處(chu)理具有更高的(de)持久強度。

四、物理(li)性能
物(wu)理性能見(jian)表 3-3-19

五、焊(han)接性(xing)能
0Cr23Ni60Fe14A1合金具有(you)良好的(de)可焊(han)性。表3-3-20系根據使用環境所推薦的(de)焊(han)接條件、焊(han)接方法(fa)和焊(han)條、焊(han)絲選(xuan)擇(ze)。

六、冷熱加(jia)工及(ji)成型性能
0Cr23Ni60Fe14Al合金(jin)具(ju)有(you)(you)良好的冷、熱(re)加(jia)(jia)工(gong)性(xing)能。適(shi)宜的熱(re)加(jia)(jia)工(gong)變形(xing)溫度為(wei)870~1230℃。當大變形(xing)量加(jia)(jia)工(gong)時(shi),要在(zai)1040~1230℃間(jian)(jian)進行(xing)。由于此(ci)(ci)合金(jin)在(zai)650~871℃間(jian)(jian)有(you)(you)一低塑性(xing)區,因此(ci)(ci),熱(re)加(jia)(jia)工(gong)變形(xing)不(bu)能在(zai)此(ci)(ci)溫度范圍內進行(xing)。熱(re)加(jia)(jia)工(gong)后的冷卻(que)速度一般沒有(you)(you)限制,但(dan)為(wei)了(le)防止(zhi)敏(min)化(hua),冷卻(que)過(guo)程中通(tong)過(guo)540~760℃時(shi)要盡(jin)量快。圖3-3-42系0Cr23Ni60Fe14Al合金(jin)加(jia)(jia)工(gong)硬(ying)化(hua)性(xing)能,顯然,0Cr23Ni60Fe14Al 合金(jin)的此(ci)(ci)種性(xing)能與前述0Cr15Ni75Fe極相近。

七、熱處理
0Cr23Ni60Fe14Al合(he)金的熱(re)處理工(gong)藝為(wei)1100~1150℃左(zuo)(zuo)右(you)加(jia)(jia)熱(re)后(hou)(hou)急(ji)冷(leng)。在某些(xie)條件下亦可在980℃左(zuo)(zuo)右(you)加(jia)(jia)熱(re)后(hou)(hou)空(kong)冷(leng)。
八、應(ying)用
由于 0Cr23Ni60Fe14Al 合(he)金(jin)具有(you)良好(hao)的抗氧化(hua)性(xing)和(he)耐腐蝕(shi)性(xing),因而主要用于加(jia)熱(re)(re)(re)設(she)(she)備(bei)(bei)、化(hua)學工(gong)(gong)業(ye)、環境(jing)污染控制、蘭、航天以(yi)及(ji)動力(li)工(gong)(gong)業(ye)中。例如,制造退火、滲(shen)碳、氮化(hua)等(deng)熱(re)(re)(re)處(chu)理設(she)(she)備(bei)(bei)、部件;備(bei)(bei)種工(gong)(gong)業(ye)爐(lu)用輻射管(guan)(guan)、套筒、火焰(yan)屏蔽、燃(ran)氣(qi)噴(pen)嘴(zui)、電(dian)阻(zu)加(jia)熱(re)(re)(re)元(yuan)件、電(dian)阻(zu)絲套管(guan)(guan);工(gong)(gong)業(ye)用冷受器管(guan)(guan)、儲酸生產(chan)中的一些設(she)(she)備(bei)(bei)部件等(deng)。0Cr23Ni60Fe14AI合(he)金(jin)的治(zhi)金(jin)產(chan)品有(you)板、管(guan)(guan)、絲、帶(dai)、棒、鍛件等(deng)各種產(chan)品。
