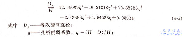
已有的研究表明,對香蕉視頻app蘋果:不銹鋼換熱管和管板連接進行數值模擬時,三維模型可以簡化為二維平面應力或軸對稱模型。因此,浙江至德鋼業有限公司采用2-D軸對稱模型分析尺寸偏差對液壓脹接壓力的影響。為考慮管孔之間的相互作用,采用簡化的單孔模型對不銹鋼換熱管和管板的脹接壓力進行模擬,模型中等效套筒直徑可采用以下公式進行計算:

對(dui)于Φ25mm×2mm的(de)換熱(re)管,管板孔直徑D=25.25mm,中心距H=32mm,根據式(4-5)計(ji)算得到等效套筒直徑為43.4mm.換熱(re)管和管板實(shi)際(ji)連接如圖4-8所示(shi)。

根據上述幾何尺寸,圖 4-9 給出了未標注尺寸偏差的幾何模型。

網(wang)格(ge)劃分均采(cai)用(yong)軸(zhou)對(dui)稱plane182單(dan)元(yuan),同時,采(cai)用(yong)TARGE169目標面(mian)單(dan)元(yuan)和CONTA172接觸(chu)面(mian)單(dan)元(yuan)建立(li)換熱管(guan)與管(guan)板孔間的柔(rou)性面(mian)-面(mian)接觸(chu)對(dui),兩接觸(chu)面(mian)之(zhi)間的摩擦系數(shu)取0.2,有限元(yuan)模型如圖4-10。
不(bu)銹(xiu)鋼換熱管(guan)(guan)材(cai)料(liao)(liao)模(mo)型選用 Mises率不(bu)相關的多線性(xing)(xing)模(mo)型,模(mo)型中的參(can)數來源(yuan)于換熱管(guan)(guan)材(cai)料(liao)(liao)拉(la)伸(shen)曲線,如圖(tu)(tu)4-11所(suo)示。拉(la)伸(shen)試驗時,試樣取自未脹(zhang)接換熱管(guan)(guan),將其加工成板(ban)狀拉(la)伸(shen)試樣,尺寸見圖(tu)(tu)4-12.管(guan)(guan)板(ban)材(cai)料(liao)(liao)選取各向同(tong)性(xing)(xing)的彈性(xing)(xing)模(mo)型。

通過(guo)分步(bu)(bu)法模擬脹(zhang)接(jie)(jie)過(guo)程,即(ji)整個(ge)脹(zhang)接(jie)(jie)過(guo)程經過(guo)以下三步(bu)(bu)完成:第(di)一步(bu)(bu),把(ba)載(zai)荷施加(jia)在(zai)管(guan)內(nei)壁上,即(ji)加(jia)載(zai);第(di)二(er)步(bu)(bu),脹(zhang)接(jie)(jie)壓(ya)(ya)(ya)力(li)在(zai)管(guan)內(nei)壁停留幾秒鐘,即(ji)保壓(ya)(ya)(ya);第(di)三步(bu)(bu),在(zai)管(guan)內(nei)壁施加(jia)0MPa的壓(ya)(ya)(ya)力(li),即(ji)卸載(zai)。脹(zhang)接(jie)(jie)過(guo)程完成后,通過(guo)后處理器查(cha)看換(huan)(huan)熱管(guan)外壁的殘(can)余位(wei)移(yi)Δur。若Δur=c,則認為換(huan)(huan)熱管(guan)和管(guan)板正好連(lian)接(jie)(jie)緊密,此時(shi),所(suo)對應的壓(ya)(ya)(ya)力(li)作為貼脹(zhang)時(shi)的最小脹(zhang)接(jie)(jie)壓(ya)(ya)(ya)力(li)psimmin,若Δur<c,則說明施的脹(zhang)接(jie)(jie)壓(ya)(ya)(ya)力(li)過(guo)小,不能消除縫隙,增加(jia)脹(zhang)接(jie)(jie)壓(ya)(ya)(ya)力(li),重(zhong)復以上過(guo)程,直到Δur略大于c。
通過對網(wang)格進行無關(guan)性驗證發現,當網(wang)格總數為(wei)(wei)15065時計(ji)算能夠收斂,并(bing)且計(ji)算結(jie)果差(cha)別(bie)在0.5%內。因此,我(wo)們認為(wei)(wei)該網(wang)格數可以滿足(zu)本(ben)書的求解需要。
一、數(shu)值計(ji)算與理論計(ji)算的比較
1. 不(bu)考慮尺寸(cun)偏(pian)差
脹接從(cong)距離(li)換熱(re)(re)管(guan)(guan)(guan)(guan)(guan)口17.5mm處開始。不考慮換熱(re)(re)管(guan)(guan)(guan)(guan)(guan)與(yu)管(guan)(guan)(guan)(guan)(guan)板管(guan)(guan)(guan)(guan)(guan)孔(kong)偏差時,換熱(re)(re)管(guan)(guan)(guan)(guan)(guan)與(yu)管(guan)(guan)(guan)(guan)(guan)板管(guan)(guan)(guan)(guan)(guan)孔(kong)間的(de)(de)間隙(xi)c=0.125mm,換熱(re)(re)管(guan)(guan)(guan)(guan)(guan)外(wai)壁(bi)徑(jing)向(xiang)位(wei)移(yi)隨加載時間的(de)(de)變(bian)化曲線如圖4-13所(suo)示(shi)。此(ci)時,換熱(re)(re)管(guan)(guan)(guan)(guan)(guan)內壁(bi)施加壓(ya)力(li)是p=206MPa,殘余(yu)位(wei)移(yi)Δur=0.125005mm,可以認為(wei)換熱(re)(re)管(guan)(guan)(guan)(guan)(guan)和管(guan)(guan)(guan)(guan)(guan)板正(zheng)好貼合。從(cong)圖4-13中可以看出,隨著壓(ya)力(li)的(de)(de)增加,徑(jing)向(xiang)位(wei)移(yi)增大,卸載后(hou)徑(jing)向(xiang)位(wei)移(yi)有所(suo)減小。這是因為(wei)加載時換熱(re)(re)管(guan)(guan)(guan)(guan)(guan)發生了(le)彈(dan)塑性變(bian)形(xing),卸載后(hou)彈(dan)性恢復(fu),只(zhi)剩下塑性變(bian)形(xing)。脹接后(hou)的(de)(de)應(ying)力(li)應(ying)變(bian)情(qing)況如圖4-14所(suo)示(shi)。

不考慮換(huan)(huan)(huan)熱(re)管(guan)和管(guan)板孔直(zhi)徑偏差時,選取表(biao)4-1所(suo)示的(de)換(huan)(huan)(huan)熱(re)管(guan)外(wai)直(zhi)徑、管(guan)板孔直(zhi)徑和管(guan)壁厚公稱尺寸,建立不同k值下的(de)有(you)限元模(mo)(mo)型。圖4-15所(suo)示為有(you)限元模(mo)(mo)擬結果和式(4-1)理論計(ji)算結果,從圖中可以看出,模(mo)(mo)擬值與計(ji)算值近似相等。因此,在不考慮換(huan)(huan)(huan)熱(re)管(guan)和管(guan)板孔直(zhi)徑偏差的(de)情況下,采用(yong)式(4-1)可以得到合理的(de)最(zui)小脹接壓力(li)。

2. 考(kao)慮(lv)尺寸偏(pian)差
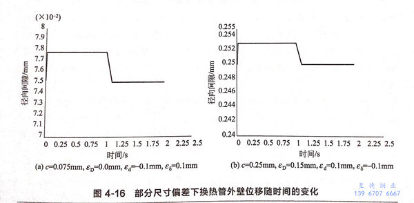
為(wei)了驗證圖(tu)4-6中理論(lun)計(ji)算結果的正確性,選擇與圖(tu)4-6完全相(xiang)同的換(huan)熱(re)管(guan)和(he)管(guan)板孔公稱尺寸和(he)偏差等幾何(he)條(tiao)件,進行有(you)限元模擬。圖(tu)4-16給出(chu)了部分尺寸偏差下,換(huan)熱(re)管(guan)外壁(bi)徑向位移隨加載過程的變化情況。

所(suo)(suo)有的(de)模擬(ni)結果如圖(tu)(tu)(tu)4-17所(suo)(suo)示。比較(jiao)圖(tu)(tu)(tu)4-17和圖(tu)(tu)(tu)4-6,兩者(zhe)差(cha)距較(jiao)大(da)。相同(tong)條件下,兩種(zhong)方法獲(huo)得(de)的(de)最小(xiao)脹接壓力(li)最大(da)相差(cha)29MPa.因此,當換(huan)熱(re)管和管板孔直(zhi)徑存在(zai)尺(chi)寸偏差(cha)時,試圖(tu)(tu)(tu)通過把偏差(cha)值直(zhi)接附加到(dao)(dao)式(4-1)各物理(li)量上,而得(de)到(dao)(dao)合(he)理(li)的(de)最小(xiao)脹接壓力(li)是不可行的(de)。

二、幾(ji)何偏差對(dui)最小脹接壓(ya)力的影響
1. 壁厚偏差的影響
為了(le)討論壁厚(hou)偏差(cha)εs對最(zui)小脹接(jie)壓(ya)(ya)力(li)的(de)(de)影響,選取(qu)表(biao)4-1所列最(zui)小、最(zui)大和(he)最(zui)常用換(huan)熱管(guan)外直徑(jing),即do=14mm、25mm和(he)57mm的(de)(de)換(huan)熱管(guan),保持k=1.19,并不考慮管(guan)板孔和(he)換(huan)熱管(guan)外徑(jing)偏差(cha),分別建立不同壁厚(hou)偏差(cha)下的(de)(de)模型,進(jin)行有限元模擬。圖4-18(a)給出了(le)最(zui)小脹接(jie)壓(ya)(ya)力(li)隨壁厚(hou)偏差(cha)變化(hua)的(de)(de)模擬結果,從圖中可以看出,最(zui)小脹接(jie)壓(ya)(ya)力(li)隨壁厚(hou)偏差(cha)的(de)(de)增加而增加,兩者(zhe)近似為直線關系(xi)。

為(wei)進一步(bu)分析(xi)壁(bi)厚偏差(cha)(cha)對最小脹接壓力的影(ying)響(xiang)(xiang),引入(ru)壁(bi)厚偏差(cha)(cha)影(ying)響(xiang)(xiang)修(xiu)正(zheng)系數fs,即fs=psmm/pmin,以及(ji)比壁(bi)厚偏差(cha)(cha)Es/S,將圖4-18(a)轉(zhuan)化(hua)成圖4-18(b)。通過圖4-18(b)可(ke)以看(kan)出,壁(bi)厚偏差(cha)(cha)影(ying)響(xiang)(xiang)修(xiu)正(zheng)系數fs隨(sui)Es/S近似為(wei)直(zhi)線(xian)變化(hua),其線(xian)性(xing)關系可(ke)以表示(shi)為(wei)

對于do=19mm、38mm的(de)(de)換熱(re)管,壁厚偏差分別為(wei)(wei)εs=±0.1mm、±0.15mm,根(gen)據(ju)式(shi)(4-6)得到(dao)的(de)(de)最(zui)小脹接壓力(li)分別為(wei)(wei)211MPa、201.8MPa和207.6MPa、200.4MPa,有限元的(de)(de)模擬結(jie)果分別為(wei)(wei)212MPa、201MPa和206.5MPa、200MPa.充分說明式(shi)(4-6)給出的(de)(de)擬合(he)關系是(shi)可信(xin)的(de)(de)。
2. 換熱管外直(zhi)徑偏差(cha)和管板孔直(zhi)徑偏差(cha)的影響
不(bu)銹鋼(gang)換熱管(guan)外直(zhi)徑(jing)(jing)偏(pian)差(cha)和(he)管(guan)板(ban)孔直(zhi)徑(jing)(jing)偏(pian)差(cha)對最小脹接(jie)壓力的影(ying)響可以歸(gui)結為(wei)(wei)初(chu)(chu)始(shi)(shi)徑(jing)(jing)向(xiang)間隙(xi)c的影(ying)響。保持k=1.19不(bu)變,根據表4-1中管(guan)外直(zhi)徑(jing)(jing)允許偏(pian)差(cha)范(fan)圍和(he)管(guan)板(ban)孔直(zhi)徑(jing)(jing)允許偏(pian)差(cha)范(fan)圍,選取不(bu)同(tong)的管(guan)外直(zhi)徑(jing)(jing)偏(pian)差(cha)e.和(he)管(guan)板(ban)孔直(zhi)徑(jing)(jing)偏(pian)差(cha)?D,以得到(dao)不(bu)同(tong)的初(chu)(chu)始(shi)(shi)徑(jing)(jing)向(xiang)間隙(xi)c,建立不(bu)同(tong)初(chu)(chu)始(shi)(shi)徑(jing)(jing)向(xiang)間隙(xi)c下的有(you)限(xian)元模型。圖4-19(a)所(suo)示(shi)為(wei)(wei)Psimmin 隨c變化的規律(lv)。

為了定量分(fen)析初始徑(jing)向間(jian)(jian)隙(xi)對最小(xiao)脹接(jie)壓力的(de)影響,引入初始徑(jing)向間(jian)(jian)隙(xi)影響修正系(xi)數fc(fo=psim min/pmin),以(yi)及比(bi)初始徑(jing)向間(jian)(jian)隙(xi)c/do,將圖4-19(a)轉化成圖4-19(b)。圖4-19(b)說明,對不(bu)同(tong)的(de)換熱管外(wai)直徑(jing)do,fc與(yu)c/d.之間(jian)(jian)關系(xi)為一簇近似平(ping)行的(de)直線,可以(yi)表示為

3. 綜合(he)偏差的影響(xiang)
在(zai)實際中,不銹鋼換(huan)熱(re)管壁(bi)厚偏(pian)差(cha)、外直徑偏(pian)差(cha)和管板孔(kong)直徑偏(pian)差(cha)是(shi)同(tong)時存在(zai)的。因此,我們(men)需要考(kao)慮三類偏(pian)差(cha)的共(gong)同(tong)影響(xiang)。引入綜合偏(pian)差(cha)影響(xiang)修正系數f,即(ji)

為了檢驗式(4-10)的(de)(de)準確性,把采(cai)用式(4-10)計(ji)算(suan)(suan)(suan)得(de)到的(de)(de)最(zui)小脹接壓力與有限元模(mo)擬(ni)結(jie)果進行比(bi)較。根據GB/T 17395-2008《無縫(feng)鋼管尺寸(cun)、外形(xing)、重(zhong)量(liang)及(ji)允(yun)許偏差》和表4-1選取換(huan)(huan)熱管和管板(ban)孔直徑尺寸(cun)以(yi)及(ji)相應的(de)(de)偏差,所(suo)選擇(ze)的(de)(de)換(huan)(huan)熱管和管板(ban)孔的(de)(de)尺寸(cun)及(ji)它(ta)們(men)的(de)(de)偏差均(jun)不在(zai)回歸fs、fc時所(suo)選用的(de)(de)范圍。計(ji)算(suan)(suan)(suan)和模(mo)擬(ni)結(jie)果見(jian)圖(tu)4-20。從(cong)圖(tu)中(zhong)可以(yi)看出,兩者的(de)(de)計(ji)算(suan)(suan)(suan)結(jie)果吻合得(de)非常好,說明式(4-10)適用于滿(man)足表4-1幾(ji)何(he)尺寸(cun)及(ji)其(qi)偏差以(yi)及(ji)滿(man)足表4-2材料性能的(de)(de)換(huan)(huan)熱管和管板(ban)孔相連接的(de)(de)最(zui)小脹接壓力的(de)(de)計(ji)算(suan)(suan)(suan)。

從(cong)以上分(fen)析可知,不銹鋼換(huan)(huan)熱(re)(re)管(guan)(guan)(guan)(guan)外(wai)直(zhi)(zhi)(zhi)徑(jing)和壁(bi)厚(hou)、管(guan)(guan)(guan)(guan)板(ban)孔(kong)直(zhi)(zhi)(zhi)徑(jing)等幾何尺寸及它們(men)的(de)(de)偏(pian)(pian)(pian)差(cha)(cha)對最小(xiao)脹(zhang)接壓力的(de)(de)計算有(you)著交叉(cha)影響(xiang)。由(you)于換(huan)(huan)熱(re)(re)管(guan)(guan)(guan)(guan)規格繁(fan)多,再加上尺寸偏(pian)(pian)(pian)差(cha)(cha)范(fan)圍較(jiao)大(da)(da),全面分(fen)析這種(zhong)影響(xiang)將是一項十(shi)分(fen)繁(fan)重的(de)(de)工作。因此(ci),將換(huan)(huan)熱(re)(re)管(guan)(guan)(guan)(guan)外(wai)直(zhi)(zhi)(zhi)徑(jing)偏(pian)(pian)(pian)差(cha)(cha)和管(guan)(guan)(guan)(guan)板(ban)孔(kong)直(zhi)(zhi)(zhi)徑(jing)偏(pian)(pian)(pian)差(cha)(cha)的(de)(de)影響(xiang)歸結為(wei)初(chu)始(shi)徑(jing)向間隙的(de)(de)影響(xiang),然(ran)后將換(huan)(huan)熱(re)(re)管(guan)(guan)(guan)(guan)壁(bi)厚(hou)偏(pian)(pian)(pian)差(cha)(cha)的(de)(de)影響(xiang)和初(chu)始(shi)徑(jing)向間隙的(de)(de)影響(xiang)分(fen)離開來,即討(tao)(tao)論壁(bi)厚(hou)偏(pian)(pian)(pian)差(cha)(cha)影響(xiang)時,設定管(guan)(guan)(guan)(guan)板(ban)孔(kong)和換(huan)(huan)熱(re)(re)管(guan)(guan)(guan)(guan)外(wai)直(zhi)(zhi)(zhi)徑(jing)沒有(you)偏(pian)(pian)(pian)差(cha)(cha),并且只考慮一種(zhong)k值(zhi);而討(tao)(tao)論初(chu)始(shi)徑(jing)向間隙影響(xiang)時,則設定換(huan)(huan)熱(re)(re)管(guan)(guan)(guan)(guan)壁(bi)厚(hou)為(wei)一不變值(zhi),從(cong)而使問(wen)題得(de)到了大(da)(da)大(da)(da)的(de)(de)簡(jian)化。從(cong)更寬范(fan)圍選取換(huan)(huan)熱(re)(re)管(guan)(guan)(guan)(guan)外(wai)直(zhi)(zhi)(zhi)徑(jing)和壁(bi)厚(hou)、管(guan)(guan)(guan)(guan)板(ban)孔(kong)外(wai)直(zhi)(zhi)(zhi)徑(jing)等幾何尺寸以及它們(men)的(de)(de)偏(pian)(pian)(pian)差(cha)(cha),通過(guo)式(shi)(4-10)計算和有(you)限元模擬得(de)到的(de)(de)最小(xiao)脹(zhang)接壓力相互(hu)吻合得(de)非常好,說(shuo)明(ming)式(shi)(4-10)給出的(de)(de)修正(zheng)公式(shi)的(de)(de)準確度(du)是令(ling)人滿(man)意的(de)(de)。
為了避(bi)免尺(chi)寸超(chao)差對(dui)(dui)不銹鋼換(huan)(huan)熱(re)(re)管(guan)和(he)管(guan)板連(lian)接強度的影響,美國管(guan)殼式熱(re)(re)交換(huan)(huan)器制(zhi)造商(shang)協會對(dui)(dui)最(zui)大允許(xu)(xu)縫隙(xi)進(jin)行(xing)了限制(zhi)。而我國標準 GB 13296-2013和(he)GB 13296-2007相比,對(dui)(dui)不銹鋼換(huan)(huan)熱(re)(re)管(guan)外直(zhi)徑偏差的要求(qiu)更為嚴格,這在一定程度上減小了換(huan)(huan)熱(re)(re)管(guan)和(he)管(guan)板孔(kong)之間的最(zui)大允許(xu)(xu)間隙(xi)。
與其他文獻相(xiang)比(bi),以上計(ji)算涉及的(de)不銹鋼換熱(re)管(guan)和(he)管(guan)板孔尺(chi)(chi)寸(cun)及尺(chi)(chi)寸(cun)偏(pian)差(cha)范(fan)圍(wei)廣(guang),因(yin)此,提出的(de)修正系數f更具有普遍性(xing)。需要說明(ming)的是(shi),在以上的分析中(zhong),沒有考慮管板孔中(zhong)心距(ju)尺(chi)寸(cun)偏差(cha)的影響。換熱管材(cai)料發生變(bian)化后(hou),式(4-9)能(neng)否繼續使用,也有待進一(yi)步研究。

