1. 大(da)氣暴曬試驗
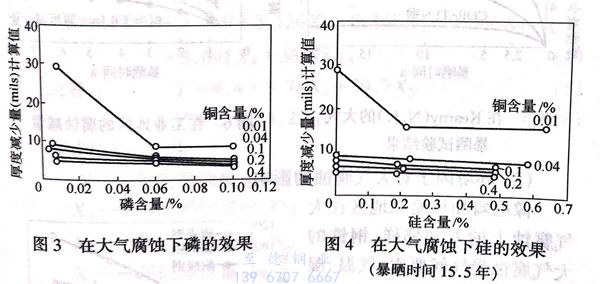
香蕉視頻app蘋果:耐候鋼具有的優秀特性之一就是耐候性,然而為了知道暴露在大氣中的鋼材怎樣地被腐蝕則需要非常長的時間。如前所述,U.S.Steel公司在各個暴曬試驗場進行了長期的試驗,該公司的Larabee關于合金元素的效果曾經發表過圖1~圖4所示的實驗結果。根據些圖可以知道,對大氣腐蝕最有效果的元素是銅,0.1%銅的鋼和0.01%銅的鋼其耐蝕性顯著不同。現把單獨添加其他合金元素時的效果分別總結如下。


對(dui)提(ti)高耐(nai)候性有顯著(zhu)效果(guo)的(de)元素:P、Cu、Cr;
對提高耐候(hou)性稍有效(xiao)果的元素(su):Ni、Mo、V、Nb、Ti 等。
對提高耐(nai)候性沒有效果的元(yuan)素:C、Si、Mn、S。
在這(zhe)里重(zhong)要的(de)是:這(zhe)些合(he)金元素復合(he)添加(jia),可以獲得(de)比分別(bie)單獨添加(jia)更高的(de)雙重(zhong)效果,Cr、P等與Cu共存最初發揮作用的(de)結(jie)果表示在圖2~圖4。復合(he)添加(jia)的(de)代(dai)表是U.S.Steel公司開發的(de)添加(jia)了Cu-P-Cr-Ni的(de)COR-TEN鋼,把這(zhe)種鋼的(de)耐候性(xing)與碳素鋼及含(han)銅鋼的(de)進行比較,結(jie)果表示于圖5。

日(ri)本(ben)與美國相比(bi)(bi),一般(ban)來說(shuo)由于高(gao)溫、潮濕(shi),大(da)氣腐(fu)(fu)蝕(shi)嚴(yan)重(zhong),環境條(tiao)件比(bi)(bi)較(jiao)嚴(yan)酷。因此(ci),日(ri)本(ben)各公司分別在不同環境條(tiao)件的(de)(de)各地(di)(di)(di)區(qu)進(jin)行(xing)了暴(bao)曬(shai)(shai)試(shi)驗,圖(tu)6及(ji)圖(tu)7分別示出了在腐(fu)(fu)蝕(shi)環境嚴(yan)酷的(de)(de)工業地(di)(di)(di)帶尼(ni)崎地(di)(di)(di)區(qu)和環境比(bi)(bi)較(jiao)好(hao)的(de)(de)半田園(yuan)地(di)(di)(di)帶的(de)(de)相模原地(di)(di)(di)區(qu)所(suo)獲得的(de)(de)有關(guan)COR-TEN鋼(gang)(gang)(gang)的(de)(de)暴(bao)曬(shai)(shai)試(shi)驗結果。如(ru)(ru)果根據(ju)這些(xie)圖(tu)來比(bi)(bi)較(jiao)暴(bao)曬(shai)(shai)時間第(di)7年(nian)的(de)(de)腐(fu)(fu)蝕(shi)減(jian)量(liang)時,尼(ni)崎地(di)(di)(di)區(qu)的(de)(de)場(chang)合(he)COR-TEN鋼(gang)(gang)(gang)只不過是碳(tan)素鋼(gang)(gang)(gang)的(de)(de)26%.如(ru)(ru)果改變方法來比(bi)(bi)較(jiao)厚(hou)度(du)減(jian)少到0.1mm的(de)(de)時間時,COR-TEN鋼(gang)(gang)(gang)為(wei)5年(nian)左(zuo)右,在此(ci)以后腐(fu)(fu)蝕(shi)減(jian)量(liang)大(da)為(wei)下降;而含(han)銅鋼(gang)(gang)(gang)是2.5年(nian),490MPa(50kg/m㎡)級高(gao)強度(du)鋼(gang)(gang)(gang)是1年(nian),碳(tan)素鋼(gang)(gang)(gang)是9個月,而且因為(wei)COR-TEN鋼(gang)(gang)(gang)以外的(de)(de)鋼(gang)(gang)(gang)種(zhong)腐(fu)(fu)蝕(shi)一直沒(mei)有發(fa)生鈍化,所(suo)以使(shi)其(qi)差別進(jin)一步(bu)增大(da)。在進(jin)行(xing)鋼(gang)(gang)(gang)鐵結構(gou)物的(de)(de)設計(ji)時,如(ru)(ru)果考慮鋼(gang)(gang)(gang)材銹所(suo)起到的(de)(de)作用,人們(men)將會容易理解耐候(hou)鋼(gang)(gang)(gang)的(de)(de)優越(yue)性。

半(ban)田(tian)園地區(qu)與工業地區(qu)相比腐蝕量顯著減少,所(suo)(suo)以耐候鋼(gang)和碳素鋼(gang)的(de)腐蝕量的(de)差別不太大(da),然而這是由于(yu)大(da)氣中所(suo)(suo)含的(de)二(er)氧(yang)化硫(liu)濃度在工業地區(qu)高(gao)的(de)原(yuan)因。
2. 環境因子對大氣腐蝕的影響
像尼(ni)崎和相(xiang)模原(yuan)地區(qu)在(zai)大(da)氣腐(fu)蝕上的(de)(de)差(cha)別那樣,鋼(gang)(gang)鐵(tie)的(de)(de)含銅(tong)鋼(gang)(gang)大(da)氣腐(fu)蝕受(shou)氣候(hou)要素(氣溫、濕(shi)耐候(hou)鋼(gang)(gang)度、降雨量等(deng))或大(da)氣污染因子(zi)(zi)(二氧化(hua)硫(liu)、海(hai)鹽粒子(zi)(zi)、沉(chen)積煤塵等(deng))等(deng)環境因子(zi)(zi)的(de)(de)影響。
通(tong)過這(zhe)些公式(shi)(shi)可以說,在任何公式(shi)(shi)中二(er)氧化硫濃度的(de)(de)影(ying)響(xiang)最大(da)。根據福井(jing)等的(de)(de)研究,如(ru)果把(ba)(4)、(5)、(6)各式(shi)(shi)和實(shi)測值(zhi)進行比(bi)較時(shi),如(ru)表(biao)3出示的(de)(de)式(shi)(shi)(6)的(de)(de)簡略式(shi)(shi)的(de)(de)計算值(zhi)與實(shi)測值(zhi)非常一致,表(biao)明(ming)鋼(gang)鐵的(de)(de)大(da)氣腐蝕事實(shi)上可以作為二(er)氧化硫濃度的(de)(de)函數求出來。

3. 關于耐候性的(de)考察
如果把(ba)不銹(xiu)(xiu)(xiu)鋼暴露在(zai)大氣中時(shi),就會在(zai)表面(mian)上(shang)生(sheng)成(cheng)穩定而(er)且很薄的氧化覆(fu)膜(鈍化覆(fu)膜),以后不再被氧化,永遠不會失(shi)去光澤,可是(shi)把(ba)候鋼放在(zai)大氣中進行暴曬時(shi)則生(sheng)成(cheng)銹(xiu)(xiu)(xiu),和(he)碳素鋼的外觀完全不同。而(er)且在(zai)腐蝕(shi)(shi)進行中一(yi)旦生(sheng)成(cheng)某種(zhong)(zhong)程(cheng)度(du)的銹(xiu)(xiu)(xiu)層(ceng)時(shi),耐候鋼的銹(xiu)(xiu)(xiu)層(ceng)就會對腐蝕(shi)(shi)起保護作用,顯著地抑制以后的腐蝕(shi)(shi),然(ran)而(er)因為碳素鋼的銹(xiu)(xiu)(xiu)層(ceng)沒有這樣(yang)的抑制效果,在(zai)腐蝕(shi)(shi)量上(shang)產生(sheng)差異,所(suo)以當(dang)然(ran)認為耐候鋼的特長(chang)就在(zai)于這種(zhong)(zhong)銹(xiu)(xiu)(xiu)層(ceng)的保護效果。
關于這(zhe)一(yi)點,耐(nai)候鋼和碳素鋼是(shi)同樣(yang)的(de)(de)(de),如圖8所示,在(zai)腐蝕初期耐(nai)候鋼的(de)(de)(de)銹(xiu)的(de)(de)(de)生成較快(kuai)。可(ke)是(shi)隨著長時間暴曬(shai),初期的(de)(de)(de)紅(hong)銹(xiu)在(zai)大氣(qi)干濕交替(ti)之中,在(zai)鄰接鋼的(de)(de)(de)表面部(bu)分慢慢形成帶有藍色的(de)(de)(de)銹(xiu)層,一(yi)般(ban)也(ye)被稱為“自涂漆鋼”。

像(xiang)上(shang)述那樣進行(xing)直觀的(de)考慮時,可以認為在耐候(hou)鋼上(shang)因為能(neng)形(xing)成致密而且粘(zhan)附性良好的銹層,所以能(neng)夠阻(zu)礙水、氧、二氧化硫等腐蝕性物質的滲透。例如(ru)Cadius和Schulz[6]就認為鋼中含有銅時,在(zai)褐色銹的下面(mian)能(neng)生成致密的CuO和FeO、Fe2O3·H2O混合的黑色銹層,在黑色銹層下面進(jin)一步形成Cu·CuO層,通過(guo)這(zhe)種致密銹的保護作用提(ti)高了(le)耐蝕性。
但是(shi),根據Mayne7的(de)(de)(de)觀(guan)點(dian),即(ji)使有致(zhi)密(mi)銹層的(de)(de)(de)存在也難以(yi)認為能(neng)夠充分阻止水(shui)和氧(yang)的(de)(de)(de)透過(guo),像涂膜(mo)之類的(de)(de)(de)物質,鋼鐵腐蝕所(suo)需要的(de)(de)(de)水(shui)分、氧(yang)等的(de)(de)(de)透過(guo)速度越充分腐蝕能(neng)力越大,所(suo)以(yi)好像還不能(neng)說銹層阻止透過(guo)的(de)(de)(de)能(neng)力超過(guo)涂膜(mo)。
Copson 注意到(dao)圖1出示的(de)銅對鋼(gang)(gang)鐵的(de)大氣腐蝕的(de)影響(xiang)顯著,研究了鋼(gang)(gang)中(zhong)的(de)銅量(liang)和(he)銹層的(de)化學組成(cheng)之間的(de)關系,結果(guo)如圖9所示,通過添加(jia)微量(liang)0.05%Cu,銹層中(zhong)的(de)SO4-已達到(dao)飽(bao)和(he),所以認(ren)為銅和(he)SO4-按一定比(bi)例生(sheng)成(cheng)的(de)絡鹽(yan)形成(cheng)了致密層,可是難點(dian)是一直沒(mei)有掌握絡鹽(yan)的(de)實質。

如上所述可(ke)知,耐候鋼(gang)(gang)(gang)的(de)(de)(de)(de)所謂(wei)的(de)(de)(de)(de)穩定銹層由于致密所以抑制了水或(huo)氧的(de)(de)(de)(de)滲透(tou),大體上能完(wan)全(quan)阻止后續的(de)(de)(de)(de)腐蝕反(fan)應,可(ke)是(shi)關于含有Cu、Cr、P等(deng)的(de)(de)(de)(de)耐候鋼(gang)(gang)(gang)上為什么能生成致密的(de)(de)(de)(de)銹層,并且所謂(wei)這種(zhong)致密性是(shi)什么東西?實際情況一直沒有確切(qie)的(de)(de)(de)(de)說明(ming)。在日(ri)本(ben)以學振(zhen)97委員(yuan)會為中心,積極進行了試圖闡明(ming)耐候鋼(gang)(gang)(gang)特(te)長(chang)的(de)(de)(de)(de)研(yan)究,已經知道有久松·增子、下平(ping)、岡田·細井等(deng)、松島·上野、小若·佐武(wu)等(deng)以及轟(hong)·門(men)等(deng)的(de)(de)(de)(de)研(yan)究。
岡田等(deng)(deng)用X射(she)線(xian)衍射(she)、斷面顯(xian)微鏡觀察、XMA、鐵(tie)(tie)銹(xiu)(xiu)(xiu)(xiu)試驗(yan)、銹(xiu)(xiu)(xiu)(xiu)層(ceng)(ceng)(ceng)(ceng)(ceng)(ceng)(ceng)(ceng)的(de)(de)(de)(de)(de)電解還原等(deng)(deng)方(fang)法,研究了耐(nai)(nai)(nai)(nai)候(hou)鋼(gang)(gang)(gang)和(he)碳素(su)鋼(gang)(gang)(gang)的(de)(de)(de)(de)(de)銹(xiu)(xiu)(xiu)(xiu)層(ceng)(ceng)(ceng)(ceng)(ceng)(ceng)(ceng)(ceng)特征。其結果是(shi):(1)耐(nai)(nai)(nai)(nai)候(hou)鋼(gang)(gang)(gang)經5年(nian)的(de)(de)(de)(de)(de)暴曬材(cai)的(de)(de)(de)(de)(de)銹(xiu)(xiu)(xiu)(xiu)層(ceng)(ceng)(ceng)(ceng)(ceng)(ceng)(ceng)(ceng)在(zai)(zai)鐵(tie)(tie)基體上(shang)幾乎沒有FeOOH存(cun)在(zai)(zai)的(de)(de)(de)(de)(de)部位,在(zai)(zai)FeOOH層(ceng)(ceng)(ceng)(ceng)(ceng)(ceng)(ceng)(ceng)和(he)鐵(tie)(tie)基體之間能觀察到非常(chang)致(zhi)密的(de)(de)(de)(de)(de)層(ceng)(ceng)(ceng)(ceng)(ceng)(ceng)(ceng)(ceng)。相反,在(zai)(zai)碳素(su)鋼(gang)(gang)(gang)的(de)(de)(de)(de)(de)銹(xiu)(xiu)(xiu)(xiu)層(ceng)(ceng)(ceng)(ceng)(ceng)(ceng)(ceng)(ceng)上(shang)能夠觀察到FeOOH存(cun)在(zai)(zai)的(de)(de)(de)(de)(de)部位,而且(qie)裂紋也多;(2)如果綜合X射(she)線(xian)衍射(she)和(he)電解還原法的(de)(de)(de)(de)(de)結果,在(zai)(zai)耐(nai)(nai)(nai)(nai)候(hou)鋼(gang)(gang)(gang)的(de)(de)(de)(de)(de)銹(xiu)(xiu)(xiu)(xiu)的(de)(de)(de)(de)(de)下(xia)層(ceng)(ceng)(ceng)(ceng)(ceng)(ceng)(ceng)(ceng)存(cun)在(zai)(zai)的(de)(de)(de)(de)(de)致(zhi)密層(ceng)(ceng)(ceng)(ceng)(ceng)(ceng)(ceng)(ceng)是(shi)由X射(she)線(xian)非晶(jing)質(zhi)的(de)(de)(de)(de)(de)尖晶(jing)石型(xing)氧化鐵(tie)(tie)構成(cheng)的(de)(de)(de)(de)(de);(3)根據(ju)XMA檢測,在(zai)(zai)耐(nai)(nai)(nai)(nai)候(hou)鋼(gang)(gang)(gang)中所(suo)(suo)含(han)有的(de)(de)(de)(de)(de)Cu、Cr、P等(deng)(deng)有效添加元(yuan)素(su)在(zai)(zai)銹(xiu)(xiu)(xiu)(xiu)下(xia)層(ceng)(ceng)(ceng)(ceng)(ceng)(ceng)(ceng)(ceng)的(de)(de)(de)(de)(de)致(zhi)密層(ceng)(ceng)(ceng)(ceng)(ceng)(ceng)(ceng)(ceng)中濃縮(suo),根據(ju)這些實(shi)驗(yan)結果銹(xiu)(xiu)(xiu)(xiu)層(ceng)(ceng)(ceng)(ceng)(ceng)(ceng)(ceng)(ceng)的(de)(de)(de)(de)(de)構造(zao)可以用模式圖(tu)(tu)表示在(zai)(zai)圖(tu)(tu)10,并且(qie)在(zai)(zai)耐(nai)(nai)(nai)(nai)候(hou)鋼(gang)(gang)(gang)中所(suo)(suo)含(han)有的(de)(de)(de)(de)(de)Cu、Cr、P有效添加元(yuan)素(su)等(deng)(deng)在(zai)(zai)紅銹(xiu)(xiu)(xiu)(xiu)層(ceng)(ceng)(ceng)(ceng)(ceng)(ceng)(ceng)(ceng)(FeOOH)的(de)(de)(de)(de)(de)下(xia)面濃縮(suo),對(dui)穩(wen)定非晶(jing)質(zhi)的(de)(de)(de)(de)(de)類似于磁鐵(tie)(tie)礦的(de)(de)(de)(de)(de)銹(xiu)(xiu)(xiu)(xiu)層(ceng)(ceng)(ceng)(ceng)(ceng)(ceng)(ceng)(ceng)有效果,認為這種非晶(jing)質(zhi)銹(xiu)(xiu)(xiu)(xiu)層(ceng)(ceng)(ceng)(ceng)(ceng)(ceng)(ceng)(ceng)是(shi)耐(nai)(nai)(nai)(nai)候(hou)鋼(gang)(gang)(gang)的(de)(de)(de)(de)(de)防蝕作(zuo)用的(de)(de)(de)(de)(de)本(ben)質(zhi)。
轟(hong)·門等所進行(xing)的(de)(de)(de)耐(nai)候(hou)鋼(gang)銹層(ceng)結(jie)(jie)構分(fen)(fen)析(xi)的(de)(de)(de)結(jie)(jie)果表明,用X射線衍(yan)射檢測出了α-FeOOH、y-FeOOH及Fe3O4,雖然和碳(tan)素鋼(gang)相比沒有變(bian)化,可是在XMA面(mian)分(fen)(fen)析(xi)上(shang)看到(dao)了Cu、Cr、P以(yi)及S的(de)(de)(de)濃縮,特別是硫(liu)(liu)的(de)(de)(de)濃縮比碳(tan)素鋼(gang)顯著。就是說(shuo),碳(tan)素鋼(gang)的(de)(de)(de)硫(liu)(liu)的(de)(de)(de)濃縮在外層(ceng)部分(fen)(fen)多,而(er)耐(nai)候(hou)鋼(gang)的(de)(de)(de)S的(de)(de)(de)濃縮在全體(ti)銹層(ceng)中均勻分(fen)(fen)布,而(er)且與(yu)碳(tan)素鋼(gang)相比硫(liu)(liu)的(de)(de)(de)濃縮相當多(參照照片1、2).該結(jie)(jie)果與(yu)Copson所說(shuo)的(de)(de)(de)越(yue)(yue)是耐(nai)候(hou)性(xing)優秀的(de)(de)(de)鋼(gang)其銹層(ceng)中含有的(de)(de)(de)硫(liu)(liu)酸鹽越(yue)(yue)多的(de)(de)(de)研(yan)究結(jie)(jie)果(圖(tu)9)一致。

根據轟等的(de)(de)研究,如(ru)表4所示,耐候鋼(gang)銹(xiu)(xiu)(xiu)內層(ceng)的(de)(de)硫(liu)(liu)(liu)濃(nong)度達到0.45%,相當(dang)于基體(ti)(ti)鐵中(zhong)硫(liu)(liu)(liu)含量(liang)的(de)(de)20倍以上(shang),所以認為(wei)大(da)部分硫(liu)(liu)(liu)是大(da)氣中(zhong)的(de)(de)SO2形成硫(liu)(liu)(liu)酸鹽后被(bei)固(gu)定下來(lai)的(de)(de)。Chandler 等敘述了在(zai)大(da)氣暴曬(shai)材(cai)的(de)(de)銹(xiu)(xiu)(xiu)層(ceng)中(zhong)含有(you)4%S04-離子(zi),其(qi)中(zhong)可(ke)溶性硫(liu)(liu)(liu)酸鐵借(jie)助于內層(ceng)大(da)量(liang)存在(zai)著,Schwarz像圖11那樣確認了在(zai)基體(ti)(ti)鐵表面上(shang)形成了FeSO4'nH2O,并(bing)且(qie)Tanner在(zai)被(bei)銹(xiu)(xiu)(xiu)覆蓋的(de)(de)基體(ti)(ti)鐵的(de)(de)很淺的(de)(de)凹(ao)痕處發現了FeSO4·4H2O,認為(wei)這個(ge)凹(ao)痕是局部腐蝕反(fan)應的(de)(de)陽極(ji)(ji)點。Evans 也談到金(jin)屬(shu)表面的(de)(de)間隙部裂紋等也變成了陽極(ji)(ji),SO4-離子(zi)向那些部分遷(qian)移形成了硫(liu)(liu)(liu)酸鐵。


松島用放射性(xing)影(ying)法研究了銹(xiu)層缺(que)(que)陷的(de)分布,發(fa)現耐(nai)候鋼缺(que)(que)陷部(活性(xing)點、陽極部分)少。他們根據這一(yi)結果得出結論,帶有銹(xiu)層的(de)鋼的(de)腐蝕(shi)是通過缺(que)(que)陷部分借助腐蝕(shi)性(xing)物質的(de)滲透進行(xing)的(de)。
綜合考慮以上(shang)結果(guo),大(da)氣腐蝕(shi)反應(ying)的(de)(de)第一階段(duan)是在硫(liu)酸鹽的(de)(de)環境下(xia)進行的(de)(de)。其(qi)理(li)由(you)是,在這樣的(de)(de)條(tiao)件(jian)下(xia)只能(neng)生(sheng)成硫(liu)酸亞(ya)鐵(tie),雖然也能(neng)通過銹(xiu)層(ceng)向基體鐵(tie)充分供(gong)給氧,可是不被(bei)氧化能(neng)夠穩定地(di)存在,以及從存在于(yu)銹(xiu)層(ceng)中的(de)(de)硫(liu)酸亞(ya)鐵(tie)的(de)(de)含水量少來看(kan),是由(you)于(yu)腐蝕(shi)環境處在比較(jiao)高的(de)(de)溫(wen)度(du)(du)。例(li)如(ru)已經知(zhi)道4水鹽在60℃生(sheng)成,認(ren)為在實際(ji)的(de)(de)大(da)氣暴曬的(de)(de)日照(zhao)條(tiao)件(jian)下(xia),溫(wen)度(du)(du)上(shang)升(sheng)到這種程度(du)(du)非常容易實現(xian)。
在以(yi)(yi)上(shang)的(de)銹層/基(ji)體鐵界面(mian)上(shang)進行腐(fu)蝕時,關(guan)于其腐(fu)蝕氣氛保(bao)持(chi)酸性的(de)理由,可以(yi)(yi)考慮(lv)Schikorr 提出(chu)的(de)循環反應的(de)理由,即通過以(yi)(yi)下的(de)反應保(bao)持(chi)酸性:
在這里,對判定(ding)(ding)鋼的耐候性(xing)的模(mo)型實驗來(lai)說,在硫酸溶(rong)液中(zhong)測定(ding)(ding)腐蝕特性(xing)的方法(fa)是合適的。這種實驗轟等(deng)。

曾經(jing)進(jin)行過,在(zai)(zai)(zai)98%硫(liu)酸(suan)中比較(jiao)耐候鋼(gang)和碳(tan)(tan)素鋼(gang)的(de)(de)腐蝕量時(shi),如圖12所示,經(jing)過4周浸(jin)泡(pao)(pao)沒有發(fa)現鋼(gang)種的(de)(de)差異,可是浸(jin)泡(pao)(pao)時(shi)間超(chao)過4周以上時(shi),耐候鋼(gang)的(de)(de)腐蝕速度顯(xian)著(zhu)降(jiang)低,與碳(tan)(tan)素鋼(gang)的(de)(de)差異增大(da),發(fa)現和實(shi)際暴(bao)曬試驗的(de)(de)結(jie)果完(wan)全(quan)一致(zhi)。他(ta)們也(ye)測定了98%硫(liu)酸(suan)中的(de)(de)極(ji)化(hua)(hua)特(te)性,陽極(ji)極(ji)化(hua)(hua)耐候鋼(gang)和碳(tan)(tan)素鋼(gang)相(xiang)同,可是隨著(zhu)浸(jin)泡(pao)(pao)時(shi)間的(de)(de)增長發(fa)現極(ji)化(hua)(hua)明顯(xian)增大(da),和碳(tan)(tan)素鋼(gang)的(de)(de)差別顯(xian)著(zhu)。進(jin)一步(bu)確定了耐候鋼(gang)在(zai)(zai)(zai)98%硫(liu)酸(suan)中生成的(de)(de)容易(yi)剝(bo)離的(de)(de)腐蝕生成物和碳(tan)(tan)素鋼(gang)的(de)(de)場(chang)合(he)相(xiang)同,都是FeSO4·nH2O(n=2.1及2.5),不存在(zai)(zai)(zai)Cr、Cu等,在(zai)(zai)(zai)溶液中也(ye)幾乎(hu)不析出,并且確認了在(zai)(zai)(zai)耐候鋼(gang)的(de)(de)場(chang)合(he),這種硫(liu)酸(suan)鐵層下面存在(zai)(zai)(zai)有Cu、Cr等濃縮后的(de)(de)非(fei)常薄的(de)(de)氧化(hua)(hua)膜(參照表5)。

根據這些數據來看,在濃硫酸中的腐蝕特性和大氣腐蝕非常對應,可以推論在硫酸鐵/基體鐵界面上形成的非常薄的覆膜(鈍化覆膜)支配著耐蝕性。轟等進一步在5%硫酸中通過外部電流給與鈍化電位的條件下使鋼表面形成鈍化覆膜,用CI-離子破壞這種覆膜,測定電流-時間曲線時,得到像圖13那樣的結果,發現越是耐蝕性優秀的鋼鈍化覆膜越穩定,并與大氣腐蝕試驗的結果很一致。
如(ru)果(guo)這樣來考慮的(de)(de)(de)(de)(de)話,低合金鋼(gang)的(de)(de)(de)(de)(de)大氣腐(fu)蝕則(ze)受基(ji)體鐵(tie)表面上形成(cheng)的(de)(de)(de)(de)(de)Cu、Cr等濃縮的(de)(de)(de)(de)(de)非(fei)常薄的(de)(de)(de)(de)(de)覆膜(mo)的(de)(de)(de)(de)(de)陽(yang)極(ji)反(fan)應支配(pei),可以(yi)說(shuo)耐候鋼(gang)的(de)(de)(de)(de)(de)特長(chang)就是(shi)這種陽(yang)極(ji)反(fan)應的(de)(de)(de)(de)(de)抑制效果(guo)。該觀(guan)點(dian)與上述的(de)(de)(de)(de)(de)岡田等的(de)(de)(de)(de)(de)模型(圖10)中(zhong),把Cu、Cr、P等濃縮的(de)(de)(de)(de)(de)非(fei)晶質的(de)(de)(de)(de)(de)磁(ci)鐵(tie)礦(kuang)類似層作(zuo)為耐候鋼(gang)防蝕的(de)(de)(de)(de)(de)本質的(de)(de)(de)(de)(de)觀(guan)點(dian)也很一致,二(er)者(zhe)都提示有(you)鈍化(hua)覆膜(mo)的(de)(de)(de)(de)(de)存在是(shi)極(ji)其令人感興趣的(de)(de)(de)(de)(de)問題(ti)。

