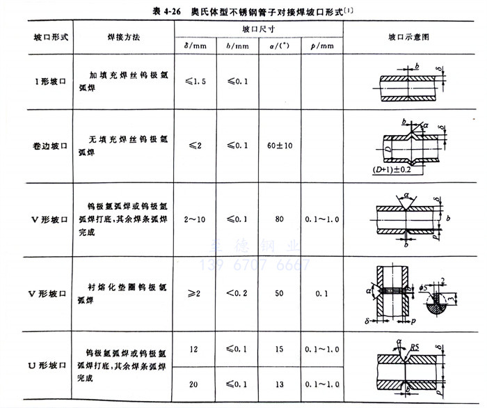
1. 坡口形式
由于受許用焊接電流的限制,這種焊接方法主要用于薄板的單層焊和中厚板多層焊的封底焊道,也可用于中厚板的焊接。在保證焊透的情況下,對接焊縫應力求縮小焊縫截面積,減少熔敷金屬并考慮操作方便,常用的坡口形式有V形、U形、雙面V形及V-U組合形等。奧氏體型不銹鋼管子對接焊坡口形式見表4-26。
表4-26奧(ao)氏體型不銹鋼管子對接焊坡口形式

各(ge)種(zhong)接頭(tou)(tou)(tou)中T形接頭(tou)(tou)(tou)、對接接頭(tou)(tou)(tou)的保護效果較(jiao)好,而(er)角接接頭(tou)(tou)(tou)、端接接頭(tou)(tou)(tou)因氣體流(liu)量(liang)分散性(xing)較(jiao)大,保護效果較(jiao)差(cha),如圖4-35所示。

2. 焊(han)前(qian)清理
焊接區及(ji)填充焊絲(si)均應進(jin)行嚴格清理(li),清除(chu)氧化膜(mo)、油污、臟(zang)物和水分等污物。
3. 焊接參(can)數
a. 焊接電(dian)流
根據焊(han)(han)件(jian)厚度、接(jie)頭形式(shi)、焊(han)(han)接(jie)位置(zhi)等(deng)因素來選(xuan)用焊(han)(han)接(jie)電(dian)(dian)流(liu),除此(ci)還要考慮鎢(wu)極所承受電(dian)(dian)流(liu)的能(neng)力。焊(han)(han)接(jie)電(dian)(dian)流(liu)過大,容易產(chan)生燒穿(chuan)或使焊(han)(han)縫下陷(xian)和咬邊(bian)等(deng)缺(que)(que)陷(xian),嚴(yan)重時還會引起鎢(wu)極燒損或產(chan)生夾鎢(wu)等(deng)缺(que)(que)陷(xian)。焊(han)(han)接(jie)電(dian)(dian)流(liu)過小,電(dian)(dian)弧燃燒不穩定,會造成未焊(han)(han)透等(deng)缺(que)(que)欠。
b. 電弧電壓
主要取決于焊接過程中電(dian)(dian)(dian)(dian)(dian)弧的(de)長度,電(dian)(dian)(dian)(dian)(dian)弧拉(la)長、電(dian)(dian)(dian)(dian)(dian)弧電(dian)(dian)(dian)(dian)(dian)壓(ya)增(zeng)大,熔寬(kuan)增(zeng)寬(kuan),熔深變淺。當(dang)電(dian)(dian)(dian)(dian)(dian)弧電(dian)(dian)(dian)(dian)(dian)壓(ya)過高時,會導致焊接電(dian)(dian)(dian)(dian)(dian)弧不穩,易(yi)產生未焊透、未熔合和熔池保護不佳等(deng)缺陷。應在保證電(dian)(dian)(dian)(dian)(dian)弧不短(duan)路(lu)的(de)情況下,盡量(liang)減少弧長,電(dian)(dian)(dian)(dian)(dian)弧電(dian)(dian)(dian)(dian)(dian)壓(ya)一般控制(zhi)在9~20V范圍內,最常用的(de)電(dian)(dian)(dian)(dian)(dian)弧電(dian)(dian)(dian)(dian)(dian)壓(ya)為9~14V。
c. 焊接(jie)速度(du)
為了(le)不破壞氣流(liu)對熔(rong)池的保(bao)護作用,焊(han)(han)接(jie)(jie)速(su)度一(yi)般不宜(yi)過快(kuai)。在保(bao)證焊(han)(han)縫(feng)金屬和母材金屬不被(bei)氧化的前提(ti)下,為了(le)提(ti)高生產效率,盡(jin)可能(neng)提(ti)高焊(han)(han)接(jie)(jie)速(su)度。提(ti)高焊(han)(han)接(jie)(jie)速(su)度,焊(han)(han)接(jie)(jie)接(jie)(jie)頭在450~850℃危險溫(wen)度停留時間會相對減少,有利于提(ti)高焊(han)(han)接(jie)(jie)接(jie)(jie)頭的耐腐蝕性能(neng)。
d. 焊(han)絲(si)
同一牌號的奧(ao)氏體不銹鋼焊接,焊絲的選擇見表4-27,不同牌號的奧氏體不銹鋼焊接,焊絲的選擇見表4-28。不銹鋼藥芯焊絲的選用見表2-28~表2-31。
我國(guo)的(de)不(bu)銹鋼藥(yao)芯焊(han)絲與AWS A5.22-1995《耐腐蝕鉻及鉻鎳鋼用藥(yao)芯焊(han)絲》及其他國(guo)家不(bu)銹鋼藥(yao)芯焊(han)絲的(de)對應關系,見表2-64。

e. 氬氣(qi)純度與流量
氬氣(qi)(qi)純度不低于99.9%(體(ti)(ti)積(ji)分數),氬氣(qi)(qi)純度愈(yu)高,保(bao)護效(xiao)果(guo)(guo)愈(yu)好。氣(qi)(qi)體(ti)(ti)流量過低,氣(qi)(qi)體(ti)(ti)挺度不足,排除周圍空氣(qi)(qi)的能力減弱(ruo),造成熔(rong)池(chi)保(bao)護效(xiao)果(guo)(guo)不佳;氣(qi)(qi)體(ti)(ti)流量過大,容易(yi)將熔(rong)池(chi)周圍的空氣(qi)(qi)卷入熔(rong)池(chi),形成氣(qi)(qi)體(ti)(ti)紊流,降(jiang)低保(bao)護效(xiao)果(guo)(guo)。氬氣(qi)(qi)流量與(yu)噴嘴(zui)直徑(jing)大小(xiao)有(you)關,見(jian)式(shi)(4-6)。

氬氣流(liu)量不僅與噴嘴直(zhi)徑有(you)關,還與焊(han)接電流(liu)大(da)小有(you)關,它們之間的參數選擇見表4-29。

f. 電極極性
為了(le)減少鎢極燒損(sun),延長鎢極壽命(ming),一(yi)般(ban)采用(yong)直流電源正(zheng)接(jie)(工件接(jie)電源正(zheng)極,鎢極接(jie)電源負極。直流正(zheng)接(jie)在(zai)工藝文(wen)件上用(yong)符號DC或DCSP表示(shi),DC是(shi)英(ying)文(wen)di-rect current 的(de)縮(suo)寫;DCSP 是(shi)英(ying)文(wen) direct current straight polarity的(de)縮(suo)寫),也可以(yi)用(yong)交流鎢極氬弧(hu)焊機(ji)焊接(jie)奧氏體(ti)型不銹(xiu)鋼。
g. 鎢極
鎢(wu)(wu)(wu)(wu)極(ji)(ji)有(you)純鎢(wu)(wu)(wu)(wu)極(ji)(ji)、釷(tu)鎢(wu)(wu)(wu)(wu)極(ji)(ji)和(he)鈰鎢(wu)(wu)(wu)(wu)極(ji)(ji)3種,其(qi)中鈰鎢(wu)(wu)(wu)(wu)極(ji)(ji)(活化鎢(wu)(wu)(wu)(wu)極(ji)(ji))比純鎢(wu)(wu)(wu)(wu)極(ji)(ji)的工藝(yi)性好得多,且對人體損(sun)(sun)害小(xiao),推薦首(shou)選使用。鎢(wu)(wu)(wu)(wu)極(ji)(ji)直(zhi)徑與相應焊接電(dian)源和(he)極(ji)(ji)性條件下的焊接電(dian)流允許(xu)值,參見表(biao)4-30、表(biao)4-31。施(shi)焊前,要(yao)將鎢(wu)(wu)(wu)(wu)極(ji)(ji)端(duan)部(bu)磨(mo)(mo)成一定(ding)形(xing)狀,通(tong)常(chang)有(you)尖頭(tou)(tou)和(he)平頭(tou)(tou)等形(xing)狀。采用較小(xiao)的焊接電(dian)流施(shi)焊時,要(yao)選用小(xiao)直(zhi)徑的鎢(wu)(wu)(wu)(wu)棒,端(duan)頭(tou)(tou)磨(mo)(mo)成尖頭(tou)(tou)形(xing)狀,錐(zhui)(zhui)頂角度(du)約30°,如(ru)圖(tu)(tu)4-36(a)所示。當采用大(da)的焊接電(dian)流施(shi)焊時,鎢(wu)(wu)(wu)(wu)極(ji)(ji)應磨(mo)(mo)成帶有(you)平頂的錐(zhui)(zhui)形(xing)形(xing)狀,如(ru)圖(tu)(tu)4-36(b)所示。平頂錐(zhui)(zhui)形(xing)的端(duan)頭(tou)(tou)可避免尖端(duan)過熱熔(rong)化,減少鎢(wu)(wu)(wu)(wu)極(ji)(ji)端(duan)部(bu)損(sun)(sun)耗,同時還有(you)利于防止陰(yin)極(ji)(ji)斑點的游動,從而穩定(ding)電(dian)弧。鎢(wu)(wu)(wu)(wu)極(ji)(ji)端(duan)頭(tou)(tou)愈(yu)(yu)尖愈(yu)(yu)易燒損(sun)(sun),燒損(sun)(sun)后將導致電(dian)弧電(dian)壓增高(gao),直(zhi)接影響熔(rong)池保護效果(guo),也會(hui)使焊縫氧化,甚至產生焊縫寬度(du)不均的缺陷。



h. 鎢極伸(shen)出長度
鎢(wu)極伸(shen)出(chu)(chu)長(chang)度(du)指鎢(wu)極超出(chu)(chu)噴嘴端面的長(chang)度(du)。鎢(wu)極伸(shen)出(chu)(chu)的短(duan),可以使噴嘴與焊件相對靠(kao)近(jin),氣體保(bao)護效果好(hao),通(tong)常鎢(wu)極伸(shen)出(chu)(chu)長(chang)度(du)為2~8mm。
i. 噴(pen)嘴(nozzle)
常用(yong)鎢(wu)極氬弧焊(han)(han)用(yong)噴(pen)(pen)(pen)(pen)嘴(zui)(zui)結構如圖(tu)4-37所示(shi),D端(duan)與焊(han)(han)槍(qiang)(qiang)連接段(duan)為(wei)(wei)長(chang)10~12mm的(de)(de)(de)圓(yuan)柱(zhu)體(ti)(ti)(ti);小圓(yuan)柱(zhu)的(de)(de)(de)末端(duan)部(bu)分(fen)的(de)(de)(de)長(chang)度(du)L不(bu)應小于(yu)噴(pen)(pen)(pen)(pen)嘴(zui)(zui)孔(kong)徑,其長(chang)度(du)以1.2~1.5倍噴(pen)(pen)(pen)(pen)嘴(zui)(zui)孔(kong)內(nei)(nei)徑(d)為(wei)(wei)宜。噴(pen)(pen)(pen)(pen)嘴(zui)(zui)的(de)(de)(de)錐(zhui)形部(bu)分(fen)有(you)緩(huan)沖氣(qi)(qi)流(liu)(liu)的(de)(de)(de)作用(yong),可改善保(bao)(bao)護(hu)(hu)效(xiao)果(guo)(guo)。為(wei)(wei)了提高(gao)氣(qi)(qi)體(ti)(ti)(ti)保(bao)(bao)護(hu)(hu)效(xiao)果(guo)(guo),噴(pen)(pen)(pen)(pen)嘴(zui)(zui)的(de)(de)(de)內(nei)(nei)壁應光滑、不(bu)允許有(you)棱角(jiao)、凹槽(cao),不(bu)得(de)沾(zhan)上(shang)飛濺物。為(wei)(wei)了使(shi)氬氣(qi)(qi)從噴(pen)(pen)(pen)(pen)嘴(zui)(zui)噴(pen)(pen)(pen)(pen)出時(shi)(shi)成為(wei)(wei)穩定的(de)(de)(de)層流(liu)(liu),提高(gao)氣(qi)(qi)體(ti)(ti)(ti)保(bao)(bao)護(hu)(hu)效(xiao)果(guo)(guo),焊(han)(han)槍(qiang)(qiang)應有(you)氣(qi)(qi)體(ti)(ti)(ti)透鏡(類似穩定裝置)、多孔(kong)性擋板(可用(yong)1~2層銅(tong)絲網組成,網目(mu)數不(bu)得(de)少于(yu)600~700孔(kong)/c㎡)及(ji)緩(huan)沖室。氣(qi)(qi)體(ti)(ti)(ti)流(liu)(liu)量(liang)不(bu)變(bian),增(zeng)大噴(pen)(pen)(pen)(pen)嘴(zui)(zui)內(nei)(nei)徑時(shi)(shi),氣(qi)(qi)體(ti)(ti)(ti)挺度(du)下(xia)降,對熔池(chi)保(bao)(bao)護(hu)(hu)減弱;氣(qi)(qi)體(ti)(ti)(ti)流(liu)(liu)量(liang)不(bu)變(bian),噴(pen)(pen)(pen)(pen)嘴(zui)(zui)內(nei)(nei)徑變(bian)小時(shi)(shi),氣(qi)(qi)體(ti)(ti)(ti)的(de)(de)(de)流(liu)(liu)速增(zeng)加過多,可造(zao)成氣(qi)(qi)體(ti)(ti)(ti)紊流(liu)(liu),也會造(zao)成保(bao)(bao)護(hu)(hu)效(xiao)果(guo)(guo)不(bu)好(hao)。實(shi)踐證明,在手工鎢(wu)極氬弧焊(han)(han)時(shi)(shi),噴(pen)(pen)(pen)(pen)嘴(zui)(zui)內(nei)(nei)徑在8~20mm 范圍內(nei)(nei),氣(qi)(qi)體(ti)(ti)(ti)流(liu)(liu)量(liang)以10~25L/min為(wei)(wei)宜。當(dang)噴(pen)(pen)(pen)(pen)嘴(zui)(zui)和氣(qi)(qi)體(ti)(ti)(ti)流(liu)(liu)量(liang)一(yi)定時(shi)(shi),噴(pen)(pen)(pen)(pen)嘴(zui)(zui)至(zhi)焊(han)(han)件之間的(de)(de)(de)距離愈短,則保(bao)(bao)護(hu)(hu)效(xiao)果(guo)(guo)愈好(hao),但過小會影響(xiang)焊(han)(han)工的(de)(de)(de)視線和引起鎢(wu)極與焊(han)(han)件短路。對于(yu)噴(pen)(pen)(pen)(pen)嘴(zui)(zui)內(nei)(nei)徑為(wei)(wei)8~20mm的(de)(de)(de)噴(pen)(pen)(pen)(pen)嘴(zui)(zui),距離焊(han)(han)件一(yi)般不(bu)超過15mm。

j. 焊接電流(liu)、噴嘴直徑和保護氣(qi)體流(liu)量(liang)對應關(guan)系
焊接電流、噴嘴直徑和(he)保(bao)護氣體流量(liang)對應關(guan)系見表(biao)4-29。
k. 冷(leng)卻(que)水流(liu)量
焊(han)(han)槍額(e)定(ding)電流大于(yu)160A時(shi),焊(han)(han)接(jie)前焊(han)(han)槍須通冷卻(que)水,焊(han)(han)接(jie)完成須滯后停止冷卻(que)水。冷卻(que)水流量不得小于(yu)1L/min,否則焊(han)(han)機(ji)無法啟動或(huo)易燒毀焊(han)(han)槍。
4. 提高氣體保護效(xiao)果(guo)的措施
為了使焊接接頭正(zheng)面(mian)和背(bei)面(mian)得到可靠保(bao)護,可采用圖4-38~圖4-40所示(shi)的工藝(yi)裝備來提(ti)高保(bao)護效(xiao)果。


5. 操作技(ji)術
裝配(pei)定(ding)(ding)(ding)位(wei)(wei)(wei)(wei)焊,應采用與(yu)正式焊接(jie)相(xiang)同的(de)焊絲(si)和工(gong)藝,定(ding)(ding)(ding)位(wei)(wei)(wei)(wei)焊縫(feng)(feng)(feng)的(de)長(chang)(chang)(chang)度(du)距離應根據焊件厚度(du)與(yu)結(jie)構剛度(du)而定(ding)(ding)(ding)。一般每段定(ding)(ding)(ding)位(wei)(wei)(wei)(wei)焊縫(feng)(feng)(feng)長(chang)(chang)(chang)度(du)為(wei)5~15mm,焊縫(feng)(feng)(feng)厚度(du)不大于2mm。例(li)如直(zhi)徑φ60mm以下的(de)不銹鋼(gang)管子(zi),用定(ding)(ding)(ding)位(wei)(wei)(wei)(wei)焊點(dian)固定(ding)(ding)(ding)2~3處,定(ding)(ding)(ding)位(wei)(wei)(wei)(wei)焊縫(feng)(feng)(feng)長(chang)(chang)(chang)度(du)約5mm。直(zhi)徑159mm的(de)不銹鋼(gang)管子(zi),用定(ding)(ding)(ding)位(wei)(wei)(wei)(wei)焊點(dian)固定(ding)(ding)(ding)4處,定(ding)(ding)(ding)位(wei)(wei)(wei)(wei)焊縫(feng)(feng)(feng)長(chang)(chang)(chang)度(du)約10mm。定(ding)(ding)(ding)位(wei)(wei)(wei)(wei)焊縫(feng)(feng)(feng)須保(bao)(bao)證(zheng)質量,不允許存在焊接(jie)缺陷。對(dui)(dui)接(jie)焊時,焊槍與(yu)焊件之(zhi)間保(bao)(bao)持后傾,鎢(wu)極(ji)與(yu)焊件之(zhi)間傾角為(wei)75°~80°,填充(chong)焊絲(si)與(yu)焊件傾角為(wei)75°~15°,希(xi)望填充(chong)焊絲(si)與(yu)焊件傾角越(yue)小越(yue)好,過大則容(rong)易擾亂氣體保(bao)(bao)護;角接(jie)焊時,除了對(dui)(dui)接(jie)焊的(de)要求(qiu)外,還要求(qiu)與(yu)板(ban)之(zhi)間的(de)相(xiang)對(dui)(dui)位(wei)(wei)(wei)(wei)置。
填充焊(han)(han)絲(si)時動作(zuo)要(yao)緩(huan)、穩,不(bu)要(yao)破壞氬(ya)氣(qi)(qi)對(dui)熔(rong)池(chi)的保(bao)護。不(bu)能像氣(qi)(qi)焊(han)(han)那樣在(zai)熔(rong)池(chi)中攪拌,應(ying)一滴一滴地緩(huan)慢(man)送入熔(rong)池(chi),或者(zhe)將焊(han)(han)絲(si)端頭(tou)浸(jin)入熔(rong)池(chi)中不(bu)斷填入,并向前移(yi)動,焊(han)(han)絲(si)端頭(tou)不(bu)能脫離氣(qi)(qi)體保(bao)護區。要(yao)防止焊(han)(han)絲(si)與鎢(wu)極接(jie)(jie)(jie)觸、碰撞,否則加劇鎢(wu)極燒(shao)損,而引(yin)起焊(han)(han)縫(feng)夾鎢(wu)。焊(han)(han)接(jie)(jie)(jie)收弧時、應(ying)減慢(man)焊(han)(han)接(jie)(jie)(jie)速度(du)、增加焊(han)(han)絲(si)填充量。焊(han)(han)接(jie)(jie)(jie)薄板時,為了防止變形可采用銅(tong)襯墊,并將焊(han)(han)件壓貼于襯墊上(shang),以利于散熱(re)。在(zai)銅(tong)墊板上(shang)加工(gong)出凹槽,凹槽對(dui)準焊(han)(han)縫(feng)以便背面充氬(ya)氣(qi)(qi)保(bao)護,見圖4-39、圖4-40。電弧熄滅(mie)后,焊(han)(han)槍(qiang)噴嘴仍須對(dui)準熔(rong)池(chi),以延長氬(ya)氣(qi)(qi)保(bao)護效果。
實踐證明(ming),從焊(han)接接頭的(de)顏色,也可以判斷(duan)焊(han)接區(qu)的(de)保護效(xiao)果,詳見表(biao)4-32。
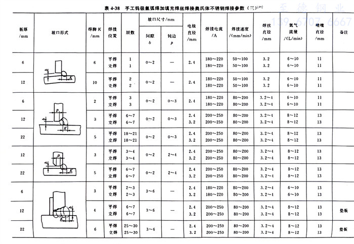
機(ji)械(xie)操作(zuo)不(bu)加(jia)填充(chong)焊(han)(han)(han)(han)(han)(han)絲(si)(si)(si)的鎢(wu)極(ji)氬(ya)(ya)弧焊(han)(han)(han)(han)(han)(han)焊(han)(han)(han)(han)(han)(han)接(jie)工(gong)藝參(can)數(shu),見(jian)(jian)表(biao)4-33;機(ji)械(xie)操作(zuo)加(jia)填充(chong)焊(han)(han)(han)(han)(han)(han)絲(si)(si)(si)的鎢(wu)極(ji)氬(ya)(ya)弧焊(han)(han)(han)(han)(han)(han)焊(han)(han)(han)(han)(han)(han)接(jie)工(gong)藝參(can)數(shu),見(jian)(jian)表(biao)4-34;鎢(wu)極(ji)氬(ya)(ya)弧焊(han)(han)(han)(han)(han)(han)加(jia)填充(chong)焊(han)(han)(han)(han)(han)(han)絲(si)(si)(si)焊(han)(han)(han)(han)(han)(han)接(jie)薄板奧(ao)氏體不(bu)銹鋼(gang)焊(han)(han)(han)(han)(han)(han)接(jie)參(can)數(shu),見(jian)(jian)表(biao)4-35;手工(gong)鎢(wu)極(ji)氬(ya)(ya)弧焊(han)(han)(han)(han)(han)(han)加(jia)填充(chong)焊(han)(han)(han)(han)(han)(han)絲(si)(si)(si)的焊(han)(han)(han)(han)(han)(han)接(jie)參(can)數(shu),見(jian)(jian)表(biao)4-36~表(biao)4-38,奧(ao)氏體不(bu)銹鋼(gang)管鎢(wu)極(ji)氬(ya)(ya)弧焊(han)(han)(han)(han)(han)(han)焊(han)(han)(han)(han)(han)(han)接(jie)參(can)數(shu),見(jian)(jian)表(biao)4-39。







