00Cr12NiTi(3CR12)系南非在20世紀80年代初開發的牌號,除超低碳、氮外,還含有少量(0.5%~1.5%)鎳和少量鈦,由于此鋼在適宜熱處理態具有鐵素體和超低碳馬氏體的雙相組織,因此,此鋼除具有上述現代低鉻鐵素體不銹(xiu)鋼的性能外,還具有良好的強韌性,且成型性、焊接性和耐磨性優良,由于鈦的加入,焊后也沒有晶間腐蝕敏感性,此鋼即使厚度達30mm,焊后在0℃以下仍
具有足夠(gou)的韌性(xing)。在(zai)我國,此牌(pai)號已(yi)開始生(sheng)產(chan)和使(shi)用,在(zai)歐、美諸(zhu)國和地區也有類似(si)牌(pai)號在(zai)大量(liang)生(sheng)產(chan)和應(ying)用。
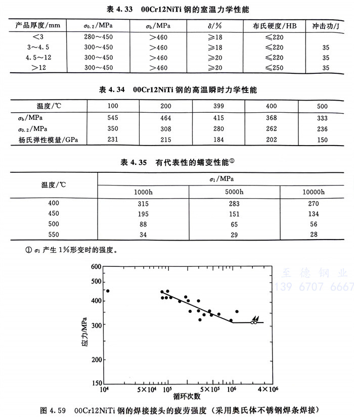
一、力學性能
00Cr12NiTi鋼的各種力學性(xing)能見表(biao)4.33~表(biao)4.35和圖4.59。
圖4.59 00Cr12NiTi鋼的(de)焊(han)接(jie)接(jie)頭的(de)疲勞強度(采用奧氏體不銹鋼焊(han)條焊(han)接(jie))

二、耐腐(fu)蝕和(he)磨蝕性能
此鋼的耐蝕性雖然低(di)(di)于含鉻量高的一些(xie)牌號,例如430(1Cr17),但是其(qi)耐蝕性遠高于低(di)(di)碳(tan)鋼和耐蝕低(di)(di)合金鋼,此鋼主要(yao)用于不以表面美(mei)觀為主要(yao)要(yao)求的弱腐蝕環境中(zhong)。
1. 在(zai)大氣(qi)中的(de)耐蝕性
圖(tu)4.60系在南非(fei)大氣條件進行20年試驗所取得的(de)(de)結(jie)果(guo),從圖(tu)4.60中的(de)(de)結(jie)果(guo)可以(yi)看出,00Cr12NiTi鋼(gang)的(de)(de)耐蝕(shi)(shi)性(xing)比低(di)碳鋼(gang)和CORTENO(科(ke)爾坦合金)高(gao)幾個數量(liang)級。但是,不推(tui)薦將00Cr12NiTi鋼(gang)用(yong)于腐(fu)蝕(shi)(shi)環境中的(de)(de)裝飾用(yong)途,因為(wei)00Cr12NiTi表面(mian)常會形成一層雖(sui)不影(ying)響結(jie)構(gou)穩定性(xing)的(de)(de)銹蝕(shi)(shi)影(ying)響美觀(guan)(guan)。如果(guo)使用(yong)時(shi)美觀(guan)(guan)很重要,當選用(yong)00Cr12NiTi鋼(gang)時(shi)表面(mian)需加涂(tu)層。
圖4.60 00Cr12NiTi鋼(gang)經20年(nian)大氣腐(fu)蝕試驗(yan)后(hou)的耐蝕性(xing)并與其(qi)他材料進(jin)行對比的結果

2. 耐(nai)點蝕(shi)性
圖(tu)4.61系00Cr12NiTi鋼在不同氯化物(wu)含(han)量(liang)條件(jian)下(+350mV,SCE)鋼的臨界點蝕溫度;而圖(tu)4.62則系在含(han) 和 的水溶液中,所允許(xu)的最高氯離(li)子含(han)量(liang)。

3. 耐晶間腐蝕性
00Cr12NiTi經適宜焊接后,沒有晶間腐蝕的(de)敏(min)感(gan)性。
4. 耐應力腐蝕性
在含(han)硫化物環境中,00Cr12NiTi鋼會產生應力腐蝕,故不推薦無(wu)涂層的00Cr12NiTi鋼在這種(zhong)用途(tu)中使用。
5. 耐磨(mo)蝕性
00Cr12NiTi鋼的(de)耐磨(mo)(mo)蝕性遠遠優于表面無涂層和(he)有涂層的(de)低(di)碳鋼和(he)低(di)合金鋼。圖4.63系耐磨(mo)(mo)試(shi)驗結(jie)果(guo),由于此鋼耐濕態滑動磨(mo)(mo)損性優良,所以特別適用于礦石等的(de)貯(zhu)存、處理和(he)運(yun)輸等的(de)設備。但此鋼不適用于干磨(mo)(mo)損條件(jian)。
圖4.63 00Cr12NiTi鋼的耐磨性與低碳鋼的對比結果

三、冷熱加工和成型(xing)性能
00Cr12NiTi具(ju)有良好的(de)冷、熱加(jia)工和成型性。此鋼(gang)有良好的(de)冷成型性,但(dan)彎(wan)曲時(shi)回彈性較大,苛刻(ke)的(de)冷成型過程中需中間(jian)退火。
四、焊(han)接性
具(ju)有良好的焊(han)接(jie)性,可(ke)(ke)采用通用的焊(han)接(jie)方(fang)法(MMA/SMAW,MIG/GMAW,TIG/GAW,FCAW和(he)PAW)進(jin)行(xing)焊(han)接(jie),且(qie)可(ke)(ke)與低(di)碳鋼(gang)和(he)不(bu)(bu)銹鋼(gang)進(jin)行(xing)焊(han)接(jie),建議采用AWS309C型焊(han)條,00Cr12NiTi不(bu)(bu)銹鋼(gang)同材焊(han)接(jie),可(ke)(ke)采用E308L和(he)E316L焊(han)接(jie)材料,熱輸入應控制(zhi)在0.5~1.5kJ/mm之間,焊(han)后需(xu)經(jing)酸(suan)洗鈍(dun)化(hua)處理以去掉焊(han)接(jie)接(jie)頭表面的氧化(hua)皮和(he)貧鉻層。
00Cr12NiTi鋼(gang)(gang)(gang)(gang)易于生產,且(qie)成本(ben)低(di)廉,使用(yong)(yong)性能優良且(qie)使用(yong)(yong)工藝易于掌握(wo)。主要用(yong)(yong)于不銹(xiu)、耐磨蝕(shi)等(deng)用(yong)(yong)途,代(dai)替有(you)涂(tu)層和(he)不加涂(tu)層的(de)(de)低(di)碳鋼(gang)(gang)(gang)(gang)和(he)耐蝕(shi)低(di)合金鋼(gang)(gang)(gang)(gang),且(qie)壽命周期成本(ben)較低(di)。目前(qian),此鋼(gang)(gang)(gang)(gang)及相近牌號在(zai)英、美和(he)韓國(guo)等(deng)國(guo)已廣(guang)(guang)泛應(ying)用(yong)(yong),我國(guo)也(ye)已在(zai)推廣(guang)(guang)中(zhong),00Cr12NiTi鋼(gang)(gang)(gang)(gang)是(shi)一種具有(you)廣(guang)(guang)闊發展前(qian)景的(de)(de)現代(dai)低(di)鉻不銹(xiu)鋼(gang)(gang)(gang)(gang),表(biao)4.36列入了國(guo)外00Cr12NiTi鋼(gang)(gang)(gang)(gang)的(de)(de)一些應(ying)用(yong)(yong)實(shi)例,供參考。


