香蕉视频app苹果
香蕉視頻app蘋果:
首頁
香蕉視頻app蘋果:
關于(yu)我們
香蕉視頻app蘋果:
公(gong)司(si)簡介
香蕉視頻app蘋果:
企業理念
香蕉視頻app蘋果:
核心服務(wu)
香蕉視頻app蘋果:
榮譽證(zheng)書
香蕉視頻app蘋果:
新聞中心
香蕉視頻app蘋果:
企(qi)業資(zi)訊
香蕉視頻app蘋果:
行(xing)業新聞
香蕉視頻app蘋果:
產品中心
香蕉視頻app蘋果:
不銹鋼管(guan)
香蕉視頻app蘋果:
不銹鋼(gang)管(guan)件
香蕉視頻app蘋果:
不銹鋼法蘭
香蕉視頻app蘋果:
預制件加工
香蕉視頻app蘋果:
車間設備
香蕉視頻app蘋果:
生產(chan)設備(bei)
香蕉視頻app蘋果:
檢測設備
香蕉視頻app蘋果:
質(zhi)保體(ti)系
香蕉視頻app蘋果:
體系認(ren)證
香蕉視頻app蘋果:
售后服務
香蕉視頻app蘋果:
聯系我(wo)們
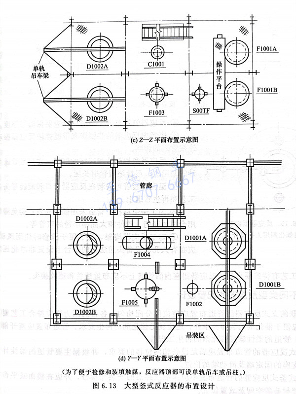
工程應用:大型釜式反應器的布局設計
發布(bu)日(ri)期:2024-06-05 14:09:23 人氣:453
大型釜(fu)式反應器的布局設計(ji)見圖 6-13
不銹無縫管工藝技術與裝備的現狀和發展
不透性石墨(impermeable graphite)的選用與工程應用
猜你喜歡
香蕉視頻app蘋果:不銹鋼反應器的選用原則(釜式反應器,管式反應器,塔式反應器,固定床反應器,流化床反應器)