化工鋼制無縫不銹鋼對焊管件結構型式與尺寸見下表
一、管件
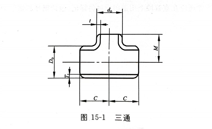
1. 三(san)通(tong)
三通型式見圖15-1,公制(zhi)三通尺(chi)寸見表(biao)15-1;英制(zhi)三通尺(chi)寸見表(biao)15-2。
a. 短半徑彎頭
短半徑(jing)彎(wan)頭型式見(jian)圖15-2,公制(zhi)三通尺(chi)寸(cun)見(jian)表15-3;英制(zhi)三通尺(chi)寸(cun)見(jian)表15-4。
b. 長半徑彎頭
長半徑彎頭型(xing)式見圖15-3,公制(zhi)三通尺寸見表15-5;英制(zhi)三通尺寸見表15-6。










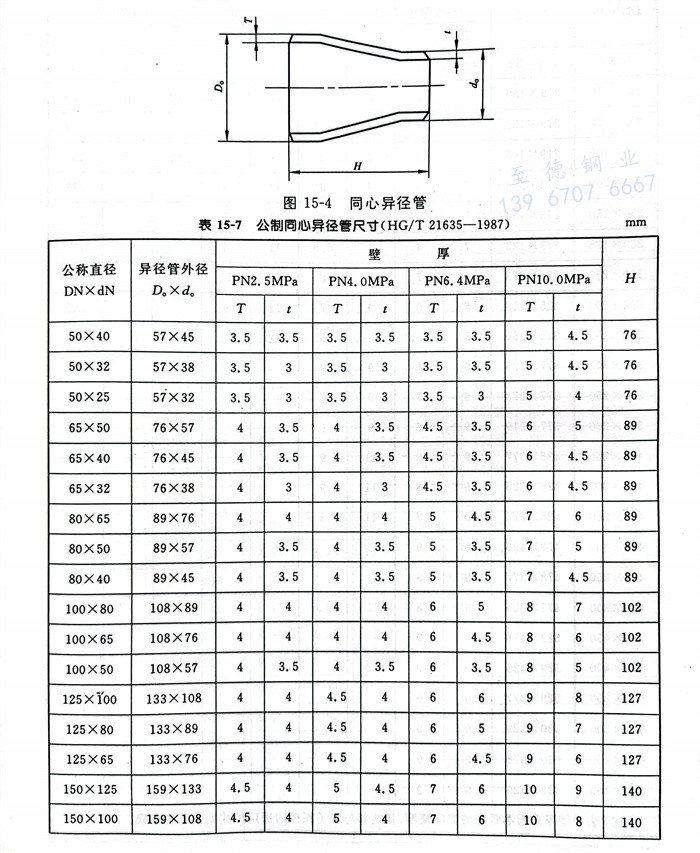
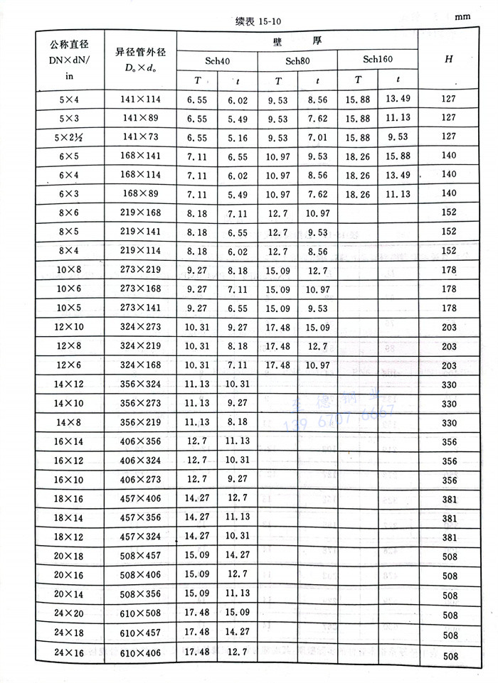
3. 同心異(yi)徑管(guan)
同心異徑管型式見圖15-4,公(gong)制(zhi)三(san)通尺(chi)寸見表15-7;英制(zhi)三(san)通尺(chi)寸見表15-8。




4. 偏(pian)心異徑管
偏心(xin)異徑管(guan)型(xing)式(shi)見(jian)圖15-5,公制(zhi)三通(tong)尺(chi)寸見(jian)表15-9;英(ying)制(zhi)三通(tong)尺(chi)寸見(jian)表15-10。




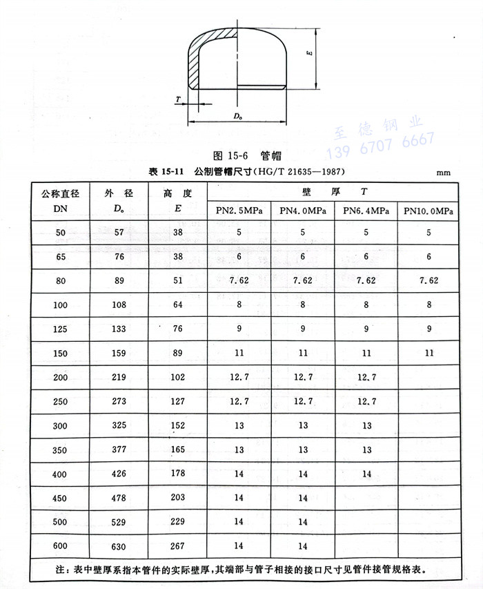
二、管(guan)帽
管(guan)帽型式見(jian)圖15-6,公制三通尺(chi)寸見(jian)表(biao)15-11;英制三通尺(chi)寸見(jian)表(biao)15-12。



三、管件接(jie)管規格尺寸(cun)
公制(zhi)管件接管規格尺寸見表 15-13
英制(zhi)管件接(jie)管規格尺寸見表 15-14
四、公差
成型管件主要尺寸偏差見圖 15-7 及表 15-15.


