引進型600MW 機組及300MW 機組用管件包括火電廠鍛制、焊制三通及熱壓三通兩種尺寸。
a. 引(yin)進(jin)型(xing)(xing)(xing)600MW機組鍛制(zhi)、焊制(zhi)三通結(jie)構型(xing)(xing)(xing)式見(jian)(jian)圖(tu)13-5,尺(chi)寸見(jian)(jian)表13-10;引(yin)進(jin)型(xing)(xing)(xing)300MW 機組鍛制(zhi)、焊制(zhi)三通結(jie)構型(xing)(xing)(xing)式見(jian)(jian)圖(tu)13-5,尺(chi)寸見(jian)(jian)表13-11;



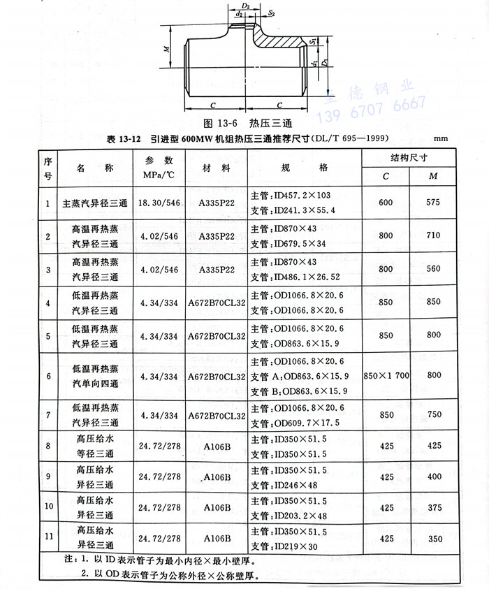
b. 引進(jin)型600MW 機組熱壓三(san)通(tong)結(jie)構型式見圖(tu)13-6,尺(chi)(chi)寸見表(biao)13-12;引進(jin)型300MW機組熱壓三(san)通(tong)結(jie)構型式見圖(tu)13-6,尺(chi)(chi)寸見表(biao)13-13。




