影響不銹鋼成形性的因素包括屈服強度、抗拉強度、延伸率以及加工硬化對這些性能的影響。不銹(xiu)鋼的化學成分也是影響其成形的重要因素之一。
1. n值與r值
深沖(chong)性是指(zhi)金屬(shu)經過沖(chong)壓變形而(er)不(bu)產(chan)生裂紋等缺陷的能力。
評(ping)定板(ban)材的(de)(de)深(shen)(shen)沖性(xing)(xing)能時,首(shou)先選(xuan)用(yong)的(de)(de)是(shi)杯突試驗(埃氏Erich-sen),這(zhe)是(shi)一(yi)種模擬試驗,根據(ju)成杯時不開裂的(de)(de)深(shen)(shen)度來評(ping)定深(shen)(shen)沖性(xing)(xing)的(de)(de)優劣。這(zhe)種方(fang)法仍是(shi)目前廣泛(fan)使用(yong)的(de)(de)最(zui)簡單評(ping)定方(fang)法。隨后,失效(xiao)分析方(fang)法,借助于相(xiang)關(guan)性(xing)(xing)研究及變形過程的(de)(de)分析,提出反映深(shen)(shen)沖性(xing)(xing)的(de)(de)材料的(de)(de)力學性(xing)(xing)能參量(liang),對(dui)于這(zhe)些參量(liang)的(de)(de)進一(yi)步理解,可為提高材料的(de)(de)深(shen)(shen)沖性(xing)(xing),提供新的(de)(de)途徑(jing)。
①. n值
n值是加工硬化指數,它反(fan)映了金屬(shu)材料隨著加工過程而強化的速度。n值常常用拉伸試驗的結果來表達。
首先說明斷裂(lie)的(de)原因及(ji)影響斷裂(lie)的(de)力(li)學因素。深沖(chong)時(shi),沖(chong)頭周圍的(de)變(bian)形很小,載(zai)(zai)荷是從杯(bei)底(di)通過(guo)杯(bei)壁(bi)的(de)拉延來(lai)傳遞的(de)。假(jia)如載(zai)(zai)荷超過(guo)杯(bei)壁(bi)所能支持的(de)最大載(zai)(zai)荷,便會在杯(bei)底(di)出(chu)現斷裂(lie),如圖5-4所示,這時(shi),一般發(fa)生(sheng)縮頸,即均勻(yun)延伸(shen)終了。
拉伸時(shi),縮(suo)頸發生在最大載荷,這便是縮(suo)頸(或(huo)塑性失穩)的條件(jian)。
因此,n值愈大(da),則均勻拉伸(shen)值愈大(da),愈不易縮頸(jing)而拉延斷裂,深沖(chong)性愈佳。
②. r值
r值是塑性(xing)為異(yi)向(xiang)性(xing)材料的(de)深度(du)拉深成形的(de)特性(xing)評價指標。r值是板(ban)材的(de)寬(kuan)度(du)方(fang)向(xiang)的(de)應變與厚度(du)方(fang)向(xiang)的(de)應變之比。
我們要(yao)求板(ban)材的(de)杯壁(bi)抗拉(la)(la)薄(bo)的(de)能(neng)力強,這樣就(jiu)不會在沖壓成形(xing)時(shi)由于減薄(bo)而斷裂。也就(jiu)是說(shuo),希望(wang)有強度(du)的(de)各(ge)向(xiang)異性,板(ban)面上的(de)強度(du)要(yao)低于板(ban)厚方(fang)向(xiang)的(de)強度(du)。這種各(ge)向(xiang)異性可用簡單拉(la)(la)伸試驗,如圖5-5所示,來(lai)測定寬(kuan)度(du)方(fang)向(xiang)的(de)應變Ew及厚度(du)方(fang)向(xiang)的(de)應變εt,就(jiu)能(neng)夠(gou)得到(dao)應變比r為(wei)
r=εw/εt (5-1)
很(hen)明顯(xian),r值(zhi)愈(yu)大,則深沖性愈(yu)佳。
r值(zhi)主要是由于(yu)晶(jing)體(ti)織構(gou)引起的,人們嘗試建立這(zhe)兩者之間(jian)的定量關系,然后通過(guo)控制織構(gou)來(lai)改(gai)變r值(zhi)。
平均r值-塑性(xing)為異向(xiang)性(xing)的材(cai)料(liao)深拉(la)深成形特(te)性(xing)評(ping)價的重要指標。鐵素體型不銹鋼(gang)中,其(qi)平均r值越(yue)(yue)大,極(ji)限拉(la)深比就越(yue)(yue)高(gao)。
雙(shuang)向(xiang)(xiang)變形(xing)的(de)成(cheng)形(xing)極限。如圖5-4所示,深(shen)(shen)拉(la)時(shi)的(de)杯壁(bi)和(he)凸緣都處(chu)于雙(shuang)向(xiang)(xiang)載荷,雖然用單向(xiang)(xiang)拉(la)伸確定的(de)n值(zhi)和(he)r值(zhi),基本上也能較好地了解深(shen)(shen)沖過程。但是(shi)從(cong)雙(shuang)向(xiang)(xiang)變形(xing)來理解深(shen)(shen)沖,是(shi)深(shen)(shen)入(ru)一(yi)步的(de)發展。

出現明顯(xian)縮頸(jing)時板材表面上的(de)(de)最(zui)大應(ying)(ying)變與最(zui)小應(ying)(ying)變的(de)(de)關系;應(ying)(ying)變的(de)(de)組合低(di)于(yu)最(zui)大應(ying)(ying)變(成(cheng)(cheng)形(xing)極(ji)限)不會開(kai)裂,而高于(yu)最(zui)大應(ying)(ying)變(成(cheng)(cheng)形(xing)極(ji)限)就會開(kai)裂。由此(ci)還可以區分(fen)沖壓(ya)成(cheng)(cheng)形(xing)的(de)(de)兩種工藝:具(ju)(ju)有(you)正(zheng)的(de)(de)最(zui)小應(ying)(ying)變的(de)(de)成(cheng)(cheng)形(xing)叫(jiao)(jiao)做拉伸型,而具(ju)(ju)有(you)負的(de)(de)最(zui)小應(ying)(ying)變的(de)(de)成(cheng)(cheng)形(xing)叫(jiao)(jiao)做沖壓(ya)型。
極限拉深(shen)(shen)比(bi)(bi)--拉深(shen)(shen)加工(gong)時,相(xiang)對于(yu)容(rong)器直徑(jing)d可(ke)能拉深(shen)(shen)的最(zui)大原(yuan)料(liao)板直徑(jing)為(wei)Dmax,則稱為(wei)極限拉深(shen)(shen)比(bi)(bi)。
拉(la)深(shen)(shen)皺褶(zhe)--鐵(tie)素(su)體型不銹鋼在沖(chong)床上進行深(shen)(shen)拉(la)深(shen)(shen)加工(gong)時,在其(qi)表(biao)面上容(rong)易產(chan)生凹凸不平(ping)的(de)皺褶(zhe)。可(ke)認(ren)為(wei)是組合結(jie)構不同(tong)而引起的(de)塑性異(yi)向(xiang)性。
時效性斷裂--奧氏體型不銹鋼06Cr19Ni10(304)等準穩定型奧氏體型不銹鋼,在加工后有發生時效性裂紋的現象,這與晶界晶粒無關。一般認為是由于加工感應而引起的馬氏體、氫和殘余應力所致。
不(bu)銹(xiu)鋼產(chan)品的(de)需求能夠(gou)得以大幅度的(de)增加與沖壓加工技術的(de)發展有著(zhu)很大關系。使得鐵素體型不(bu)銹(xiu)鋼深加工性鋼種(zhong),已經產(chan)品化了。可(ke)以選定(ding)平均r值在1.2~1.8,拉深比為2.2~2.5的(de)鋼種(zhong)。
在(zai)不銹(xiu)(xiu)(xiu)(xiu)鋼制(zhi)品的(de)(de)(de)沖壓加(jia)(jia)工(gong)中,如(ru)果使(shi)用奧氏(shi)體(ti)(ti)(ti)型不銹(xiu)(xiu)(xiu)(xiu)鋼或鐵(tie)素(su)體(ti)(ti)(ti)型不銹(xiu)(xiu)(xiu)(xiu)鋼的(de)(de)(de)高加(jia)(jia)工(gong)性能(neng)(neng)鋼種時,可以(yi)進(jin)(jin)行(xing)一定程(cheng)度(du)的(de)(de)(de)深(shen)(shen)(shen)拉(la)(la)深(shen)(shen)(shen)加(jia)(jia)工(gong)。奧氏(shi)體(ti)(ti)(ti)型不銹(xiu)(xiu)(xiu)(xiu)鋼的(de)(de)(de)代(dai)表型鋼種06Cr19Ni10(304),因(yin)為(wei)它的(de)(de)(de)拉(la)(la)深(shen)(shen)(shen)比(LDR)為(wei)2.5,可以(yi)進(jin)(jin)行(xing)相對較大的(de)(de)(de)深(shen)(shen)(shen)拉(la)(la)深(shen)(shen)(shen)加(jia)(jia)工(gong)。但(dan)由于加(jia)(jia)工(gong)硬(ying)化傾向大而急劇(ju)地(di)增(zeng)加(jia)(jia)了加(jia)(jia)工(gong)難(nan)度(du),有(you)時竟發(fa)生裂(lie)紋或斷(duan)裂(lie)。為(wei)此,在(zai)加(jia)(jia)工(gong)過程(cheng)中間增(zeng)加(jia)(jia)一道熱(re)處理工(gong)序(xu)之后再進(jin)(jin)行(xing)深(shen)(shen)(shen)拉(la)(la)深(shen)(shen)(shen)加(jia)(jia)工(gong)。還(huan)必須注意,奧氏(shi)體(ti)(ti)(ti)型不銹(xiu)(xiu)(xiu)(xiu)鋼的(de)(de)(de)奧氏(shi)體(ti)(ti)(ti)穩(wen)定度(du)低的(de)(de)(de)鋼種經過拉(la)(la)深(shen)(shen)(shen)后,有(you)可能(neng)(neng)發(fa)生時效斷(duan)裂(lie)現象。
近(jin)年來,開發(fa)出的不(bu)銹(xiu)鋼熱沖(chong)壓技(ji)術(shu),實現了超深(shen)(shen)拉深(shen)(shen)加(jia)工。熱沖(chong)壓技(ji)術(shu)就是將凹模或(huo)者凸模其中之一進行加(jia)熱,這樣不(bu)銹(xiu)鋼原來的拉深(shen)(shen)程(cheng)度就可以提高(gao)1.5~2.0倍。
2. 成形性因數
最(zui)(zui)大的均(jun)(jun)(jun)勻(yun)應(ying)變(bian)(bian)是衡(heng)量不銹鋼(gang)沖(chong)(chong)壓成(cheng)形性的最(zui)(zui)重(zhong)要因素。一(yi)塊(kuai)不銹鋼(gang)板坯料在成(cheng)形時(shi),我們希望其各部(bu)分都(dou)能產生均(jun)(jun)(jun)勻(yun)變(bian)(bian)形。如果鋼(gang)板的任一(yi)斷(duan)面的應(ying)變(bian)(bian)超(chao)過最(zui)(zui)大均(jun)(jun)(jun)勻(yun)應(ying)變(bian)(bian)時(shi),則(ze)該處即會立即產生局部(bu)頸縮現象(xiang)并(bing)導致斷(duan)裂,由于只有(you)一(yi)個待定的總(zong)伸長值是均(jun)(jun)(jun)勻(yun)的,所以(yi)用拉伸試樣的總(zong)應(ying)變(bian)(bian)(或延伸)來表示沖(chong)(chong)壓成(cheng)形性是不可靠的。
然(ran)而(er)除均(jun)勻應變外,在分析沖(chong)壓成形(xing)性(xing)(xing)時,其他因(yin)(yin)(yin)素都必須予以考慮(lv),如成形(xing)性(xing)(xing)因(yin)(yin)(yin)數(shu)。成形(xing)性(xing)(xing)因(yin)(yin)(yin)數(shu)是可(ke)計算(suan)出來的參數(shu),該成形(xing)性(xing)(xing)因(yin)(yin)(yin)數(shu)小時,則表明沖(chong)壓成形(xing)性(xing)(xing)能得到(dao)改善和提高。計算(suan)成形(xing)性(xing)(xing)因(yin)(yin)(yin)數(shu)的公(gong)式為

σmax--最大(da)負荷時應力(li);
εmax--最大均勻(yun)應變;
A--變形功(gong)。
成(cheng)形性(xing)因(yin)數(shu)是精確(que)表示不銹鋼相對(dui)沖壓成(cheng)形性(xing)的一個指標。
在開始分析時(shi)可以看出,為了(le)(le)獲得最(zui)(zui)佳(jia)的(de)(de)成(cheng)(cheng)(cheng)形性(xing)(成(cheng)(cheng)(cheng)形性(xing)因數較低),我們希望最(zui)(zui)大負荷下(xia)的(de)(de)應(ying)(ying)(ying)力(li)值低,均(jun)(jun)勻(yun)應(ying)(ying)(ying)變(bian)高(gao)和變(bian)形功大。但是要(yao)想使最(zui)(zui)大負荷下(xia)應(ying)(ying)(ying)力(li)值低而(er)均(jun)(jun)勻(yun)應(ying)(ying)(ying)變(bian)又(you)高(gao),這兩個因素(su)是相互矛盾的(de)(de),如果為了(le)(le)改善成(cheng)(cheng)(cheng)形性(xing)使最(zui)(zui)大負荷下(xia)的(de)(de)應(ying)(ying)(ying)力(li)降(jiang)低時(shi),則均(jun)(jun)勻(yun)應(ying)(ying)(ying)變(bian)也(ye)會同時(shi)降(jiang)低。由于均(jun)(jun)勻(yun)應(ying)(ying)(ying)變(bian)是影響成(cheng)(cheng)(cheng)形性(xing)的(de)(de)最(zui)(zui)重要(yao)因素(su),所以最(zui)(zui)大負荷下(xia)的(de)(de)應(ying)(ying)(ying)力(li)愈(yu)低則其(qi)實際結果不(bu)是提高(gao)而(er)是降(jiang)低了(le)(le)成(cheng)(cheng)(cheng)形性(xing)。為了(le)(le)改善成(cheng)(cheng)(cheng)形性(xing),必須增加均(jun)(jun)勻(yun)應(ying)(ying)(ying)變(bian)值。
成(cheng)形性因數是(shi)壓力成(cheng)形性的一個指標,式(5-2)表明影響(xiang)成(cheng)形性的三個拉伸性能指標中,均勻(yun)應變最為重要。
3. 鋼材的(de)化(hua)學成分
不銹鋼(gang)的沖(chong)壓成形(xing)性與成分(fen)之間存在著一種直接(jie)關(guan)系(xi),利用(yong)(yong)這一關(guan)系(xi)可以正(zheng)確選用(yong)(yong)沖(chong)壓用(yong)(yong)不銹鋼(gang)材(cai)料,還可以對所使(shi)用(yong)(yong)材(cai)料的性能和質量(liang)加以控制,從而(er)提(ti)高不銹鋼(gang)沖(chong)壓成形(xing)性能的等級(ji)和均勻(yun)性。
在(zai)(zai)奧(ao)氏(shi)(shi)(shi)體(ti)(ti)不銹鋼中(zhong)(zhong),鎳(Ni)是促進(jin)奧(ao)氏(shi)(shi)(shi)體(ti)(ti)晶體(ti)(ti)結(jie)構(gou)(gou)形成(cheng)也是穩(wen)(wen)定(ding)奧(ao)氏(shi)(shi)(shi)體(ti)(ti)的(de)合金元素,[Ni]/[Cr]越(yue)(yue)高(gao)(gao),奧(ao)氏(shi)(shi)(shi)體(ti)(ti)越(yue)(yue)穩(wen)(wen)定(ding),因此成(cheng)形性(xing)(xing)能(neng)也依賴于這個比率。在(zai)(zai)奧(ao)氏(shi)(shi)(shi)體(ti)(ti)不銹鋼中(zhong)(zhong)12Cr17Ni7(301)鋼Ni含量(liang)(6.5%)最低,因此有最高(gao)(gao)的(de)加工(gong)硬化速率。盡管12Cr17Ni7(301)經過退(tui)火(huo)后有完全(quan)的(de)奧(ao)氏(shi)(shi)(shi)體(ti)(ti)微觀(guan)結(jie)構(gou)(gou),鎳含量(liang)越(yue)(yue)低,在(zai)(zai)塑性(xing)(xing)變(bian)形時生成(cheng)的(de)馬氏(shi)(shi)(shi)體(ti)(ti)的(de)比例越(yue)(yue)大。這將幫助金屬在(zai)(zai)沖壓變(bian)形中(zhong)(zhong)抵抗頸縮和均(jun)勻變(bian)形。較(jiao)高(gao)(gao)的(de)加工(gong)硬化速率使得強(qiang)度增加,硬度升(sheng)高(gao)(gao)。這些在(zai)(zai)冷加工(gong)結(jie)構(gou)(gou)階段是有益的(de)。
奧氏體(ti)型不銹(xiu)鋼中所(suo)含的(de)(de)鎳可明顯降低鋼的(de)(de)冷加(jia)工(gong)硬化傾向,其原因是鎳可使奧氏體(ti)的(de)(de)穩(wen)定性(xing)增加(jia),減少或消(xiao)除冷加(jia)工(gong)過程中的(de)(de)馬氏體(ti)轉(zhuan)變,降低冷加(jia)工(gong)硬化速率,并使強度(du)降低、塑性(xing)提高。
通常,奧氏體不銹鋼的Ni含量降低時,其成形會變得越困難,如12Cr17Ni7(301)(約6.5%Ni)的成形性比304差得多。穩定化元素的存在,如Ti、Nb和Ta以及高的含C量,對穩定化鋼種的成形特性中起著不利的作用。這是由于微觀結構形成了Ti的碳化物和氮化物這樣的第二相粒子。所以06Cr18Ni11Ti(321)和06Cr18Nil1Nb(347)型鋼的成形,沒有12Cr18Ni9(302)、06Cr19Ni10(304)和10Cr18Ni12(305)型鋼的成形順利,適用于深沖壓加工。
一般來說,奧(ao)氏體鋼(gang)(gang)在(zai)其鎳含量(liang)或鎳與鉻含量(liang)均(jun)低的情況下是比(bi)較難于成形(xing)的,如12Cr17Ni7(301)型(xing)(xing)鋼(gang)(gang)就是如此(ci)。穩定化元(yuan)素鈮、鈦(tai)、鉭以及高的含碳量(liang)會對奧(ao)氏體不(bu)銹鋼(gang)(gang)的成形(xing)性(xing)產生不(bu)利影響。因此(ci)06Cr18Ni11Ti(321)和06Cr18Ni11Nb(347)型(xing)(xing)不(bu)銹鋼(gang)(gang)的成形(xing)性(xing)比(bi) 12Cr18Ni9(302)、06Cr19Ni10(304)和10Cr18Ni12(305)型(xing)(xing)鋼(gang)(gang)差。
如Y12Cr18Ni9(303)這種(zhong)易機加工鋼種(zhong),塑性(xing)(xing)性(xing)(xing)能(neng)比較差,不能(neng)用于成形作業。
4. 加工硬化
對于影響成形(xing)(xing)性(xing)能的(de)另一(yi)重要因(yin)素(su)就是不銹鋼的(de)加(jia)工硬化率(lv)(系數)。如果某種鋼具有(you)高的(de)加(jia)工硬化率(lv),那么它(ta)就需要較大的(de)成形(xing)(xing)能量,這(zhe)將不可(ke)避免地(di)造成工具和沖模(mo)較大較快(kuai)地(di)磨損。
如加(jia)工硬化系數(shu)降低(di),則會使均勻應變、變形(xing)力及最(zui)大負荷下的(de)(de)應力都(dou)隨之而降低(di),這些因(yin)素的(de)(de)互(hu)相影(ying)響(xiang)又會最(zui)終(zhong)導(dao)致成形(xing)性(xing)能的(de)(de)下降。最(zui)佳成形(xing)性(xing)是由低(di)的(de)(de)加(jia)工硬化率和(he)所(suo)能得到的(de)(de)最(zui)長(chang)壓模壽命這兩個相互(hu)矛(mao)盾因(yin)素的(de)(de)統(tong)一(yi),但在同一(yi)種鋼(gang)上(shang),這兩者(zhe)是不可兼顧的(de)(de)。
5. 彈(dan)性(回(hui)彈(dan))
沖壓成形時(shi)(shi)的第三個重要(yao)因素(su)是(shi)(shi)彈(dan)(dan)性效(xiao)應(ying),即某(mou)種金屬在成形后的彈(dan)(dan)性回(hui)(hui)復。我(wo)們希望彈(dan)(dan)性效(xiao)應(ying)最小為(wei)好。當(dang)某(mou)種金屬在塑性區變形時(shi)(shi),如成形應(ying)力消除后,會(hui)出(chu)現一條平行于(yu)拉伸曲線(xian)的彈(dan)(dan)性部分的直線(xian),這(zhe)就是(shi)(shi)彈(dan)(dan)性回(hui)(hui)復線(xian)。降低屈服應(ying)力會(hui)導致彈(dan)(dan)性后效(xiao)值(zhi)下降,而增加加工(gong)硬化(hua)系(xi)數(shu)則會(hui)使彈(dan)(dan)性后效(xiao)值(zhi)提(ti)高。
回彈(dan)可以通過(guo)減少(shao)彎曲半徑或者(zhe)少(shao)量的過(guo)彎曲來控(kong)制。
6. 沖(chong)壓(ya)應力應變狀態
薄(bo)板成(cheng)形的(de)應變狀態可以用壓延和脹形兩種形式來概括。它們對應于失穩(wen)就是起皺和頸(jing)縮(suo)。根據研(yan)究證明,這兩種失穩(wen)的(de)臨界狀態與材料的(de)性能n、r值密切有(you)關。n、r值被認為是材料的(de)基(ji)本成(cheng)形性能指數(shu)。
7. 彎曲(qu)半徑
對于任何(he)金屬,成形而沒有(you)開裂的最小的半徑(jing)稱為(wei)最小彎曲半徑(jing)。最小彎曲半徑(jing)可以隨鋼板或鋼帶(dai)厚度的增加(jia)按(an)比例增加(jia)。
對(dui)于大多數的(de)軟金屬或(huo)者(zhe)塑性(xing)鋼(gang)來說(shuo),如(ru)退火后(hou)的(de)不銹鋼(gang),零半徑(jing)彎(wan)(wan)曲成(cheng)(cheng)形(xing)是可能的(de)。當接縫處180°彎(wan)(wan)曲,沿著兩(liang)張(zhang)鋼(gang)板(ban)的(de)邊部(bu)成(cheng)(cheng)形(xing)一個聯合結合部(bu)。所用的(de)彎(wan)(wan)曲工具邊緣必須是圓滑的(de)不尖銳的(de),否(fou)則在成(cheng)(cheng)形(xing)時會(hui)割傷鋼(gang)板(ban)。
通常,對于(yu)退火材(cai)料(liao),彎曲(qu)半(ban)徑(jing)(R)等(deng)于(yu)材(cai)料(liao)厚度(du)(T)時(shi),能滿足大(da)部分工程(cheng)需(xu)要(yao)(yao)。冷(leng)加工材(cai)料(liao),需(xu)要(yao)(yao)大(da)的彎曲(qu)半(ban)徑(jing),如(ru)冷(leng) 1/4H(1/4 冷(leng)作硬化(hua))材(cai)料(liao) R=(1~1.5)T,3/4H(3/4 冷(leng)作硬化(hua))材(cai)料(liao) R=(3~6)T。彎曲(qu)半(ban)徑(jing)的選擇必須考慮鋼種(zhong)的等(deng)級(ji),如(ru)雙相不(bu)銹鋼就需(xu)要(yao)(yao)大(da)的半(ban)徑(jing)。
8. 如(ru)何改(gai)善冷成形性
提高(gao)不銹鋼成(cheng)(cheng)形(xing)性的(de)(de)最(zui)佳(jia)辦法是(shi)降(jiang)低屈(qu)服應(ying)力。利用提高(gao)最(zui)大均勻應(ying)變的(de)(de)方法將(jiang)會(hui)改善成(cheng)(cheng)形(xing)性。此外,彈性效(xiao)應(ying)的(de)(de)附(fu)加(jia)影(ying)響(xiang)將(jiang)會(hui)被(bei)削弱而工(gong)具壽命則不受影(ying)響(xiang)。同時,加(jia)工(gong)硬(ying)化(hua)率(系數)的(de)(de)增加(jia)也可改善成(cheng)(cheng)形(xing)性,但(dan)卻會(hui)帶來(lai)加(jia)劇彈性效(xiao)應(ying)和縮短工(gong)具壽命的(de)(de)不利影(ying)響(xiang)。
拉伸性(xing)(xing)能(neng)變(bian)(bian)(bian)化對不(bu)銹鋼(gang)成(cheng)(cheng)形性(xing)(xing)的(de)影響是(shi)確定(ding)無疑的(de)。為(wei)了應用這(zhe)一(yi)常識(shi),必須(xu)找出(chu)改(gai)(gai)(gai)變(bian)(bian)(bian)和(he)控制拉伸性(xing)(xing)能(neng)的(de)方法(fa)。然后,對這(zhe)些性(xing)(xing)能(neng)指標加(jia)以修正,則可使一(yi)些特(te)殊(shu)零件具有(you)最佳的(de)成(cheng)(cheng)形性(xing)(xing)和(he)加(jia)工(gong)性(xing)(xing)。化學成(cheng)(cheng)分和(he)生產工(gong)藝(yi)的(de)微小變(bian)(bian)(bian)化,均可在很大(da)程度上(shang)改(gai)(gai)(gai)變(bian)(bian)(bian)不(bu)銹鋼(gang)的(de)力(li)學性(xing)(xing)能(neng)。如果其他性(xing)(xing)能(neng)保持不(bu)變(bian)(bian)(bian),要想降低屈服應力(li),則應提高最大(da)均勻應變(bian)(bian)(bian),這(zhe)樣(yang)也就(jiu)降低了成(cheng)(cheng)形性(xing)(xing)因數(改(gai)(gai)(gai)善了成(cheng)(cheng)形性(xing)(xing)能(neng))。改(gai)(gai)(gai)變(bian)(bian)(bian)化學成(cheng)(cheng)分可以改(gai)(gai)(gai)變(bian)(bian)(bian)屈服應力(li)。但是(shi)為(wei)降低屈服應力(li)而改(gai)(gai)(gai)變(bian)(bian)(bian)某(mou)一(yi)鋼(gang)種(zhong)(zhong)任何(he)化學成(cheng)(cheng)分,這(zhe)就(jiu)超出(chu)該鋼(gang)種(zhong)(zhong)所規(gui)定(ding)的(de)化學成(cheng)(cheng)分范圍。但是(shi)在某(mou)一(yi)鋼(gang)種(zhong)(zhong)所規(gui)定(ding)的(de)成(cheng)(cheng)分范圍內,又不(bu)使其他性(xing)(xing)能(neng)有(you)明顯變(bian)(bian)(bian)化,這(zhe)正是(shi)我們所希望的(de)。
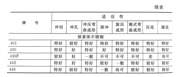
常(chang)用不銹鋼對各種成(cheng)形(xing)方式的適應性,見(jian)表(biao)5-1。



