新中國成立后,我國不銹鋼焊管工業才有了新生。為了盡快發展我國焊管工業體系,“一五期間”,國家先后從德國和蘇聯引進了三套直縫不銹鋼焊管機組和一套螺旋焊管機組,分別建設在北京、上海、天津和寶雞。這些機組的建設投產,拉開了我國焊管工業發展的序幕。
1. 我國不銹鋼(gang)焊(han)管生產線產能情(qing)況
據不完全統計我國現有不銹(xiu)鋼焊管生產線約3000條(僅含個別典型不銹鋼鋼管生產線),詳見表7-1,總產能約有7000萬噸,詳見表7-2。直縫埋弧焊接鋼管生產線36條(包括UOE、JCOE、JCO),產能約723萬噸;Φ426mm、方400mm×400mm及以上大口徑高頻直縫不銹鋼(gang)焊管(guan)(ERW/HFW)生產線32條,產能約691萬噸;ф219~406mm 高頻直縫焊接鋼管(ERW/HFW)生產線約80條,產能約1000萬噸;φ102~180mm 高頻直縫焊接鋼管(ERW/HFW)生產線約420條,產能約2000萬噸;小于φ89mm高頻直縫焊接鋼管(ERW/HFW)生產線約2000多條,產能約1600萬噸;螺旋埋弧焊接鋼管生產線約400條(含預精焊生產線9條),產能約1000萬噸。


2. 我國(guo)不(bu)銹鋼焊管生產線產能(neng)按區域分布情況
根據估算統計,我(wo)國(guo)焊(han)(han)(han)管(guan)(guan)(guan)(guan)生產(chan)線(xian)約(yue)3000條(tiao),其中華北地(di)區(qu)焊(han)(han)(han)管(guan)(guan)(guan)(guan)生產(chan)線(xian)約(yue)1550條(tiao),產(chan)能(neng)約(yue)2878萬噸(dun),占比(bi)約(yue)60%;華東地(di)區(qu)焊(han)(han)(han)管(guan)(guan)(guan)(guan)生產(chan)線(xian)約(yue)570條(tiao),產(chan)能(neng)約(yue)910萬噸(dun),占比(bi)19%,兩個地(di)區(qu)合(he)起來(lai)約(yue)占焊(han)(han)(han)管(guan)(guan)(guan)(guan)總產(chan)能(neng)的(de)79%。上述兩個區(qu)域(yu)生產(chan)線(xian)較高的(de)原因,一是(shi)(shi)天津的(de)大(da)邱莊,歷(li)史上就是(shi)(shi)我(wo)國(guo)北方(fang)(fang)地(di)區(qu)焊(han)(han)(han)管(guan)(guan)(guan)(guan)的(de)發源地(di),現(xian)在是(shi)(shi)我(wo)國(guo)焊(han)(han)(han)管(guan)(guan)(guan)(guan)最大(da)的(de)生產(chan)基(ji)地(di);二是(shi)(shi)河北的(de)滄州地(di)區(qu),不(bu)僅焊(han)(han)(han)管(guan)(guan)(guan)(guan)生產(chan)線(xian)數量(liang)多(duo)而且(qie)管(guan)(guan)(guan)(guan)件(jian)(彎頭、三通、法蘭等)也(ye)是(shi)(shi)我(wo)國(guo)最大(da)的(de)制(zhi)造基(ji)地(di);三是(shi)(shi)霸州勝芳鎮,是(shi)(shi)北方(fang)(fang)小(xiao)口徑焊(han)(han)(han)管(guan)(guan)(guan)(guan)和方(fang)(fang)矩形(xing)管(guan)(guan)(guan)(guan)生產(chan)的(de)集聚地(di);四是(shi)(shi)無錫錢橋鎮也(ye)是(shi)(shi)小(xiao)口徑焊(han)(han)(han)管(guan)(guan)(guan)(guan)和方(fang)(fang)矩形(xing)管(guan)(guan)(guan)(guan)生產(chan)線(xian)集中地(di)區(qu)。

3. 我國主要不銹鋼(gang)焊管(guan)生產線和產能分布情況
a. 直縫埋弧不銹鋼(gang)焊管生產線和產能分布情況如表
我(wo)國直(zhi)縫埋(mai)(mai)弧焊接(jie)鋼管生產線共(gong)有36條,產能合計(ji)723萬噸(dun),生產線主要分布在(zai)華(hua)東和(he)華(hua)北地區,上述兩個地區產能分別為378萬噸(dun)和(he)195萬噸(dun),占我(wo)國直(zhi)縫埋(mai)(mai)弧焊接(jie)鋼管產能的52.0%和(he)27.0%。


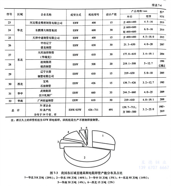
b. Φ426mm及以上大(da)口(kou)徑直縫(feng)高頻電阻焊管生(sheng)產(chan)線和產(chan)能分布(bu)如表7-4所示。


我(wo)國(guo)(Φ426mm及以(yi)上)ERW/HFW直縫高頻(pin)電阻焊(han)管生產(chan)線(xian)總計(ji)32條(tiao),產(chan)能691萬(wan)噸(dun),生產(chan)線(xian)主(zhu)要(yao)分(fen)布在華(hua)東和華(hua)北地(di)區(qu)。其中華(hua)東地(di)區(qu)有11條(tiao),產(chan)能198萬(wan)噸(dun),占(zhan)比28.7%;華(hua)北地(di)區(qu)有14條(tiao),產(chan)能318萬(wan)噸(dun),占(zhan)比46%。這兩個地(di)區(qu)合計(ji)產(chan)能516萬(wan)噸(dun),占(zhan)比74.7%。而(er)我(wo)國(guo)西南地(di)區(qu)該類生產(chan)線(xian)處于空(kong)白(bai)。



