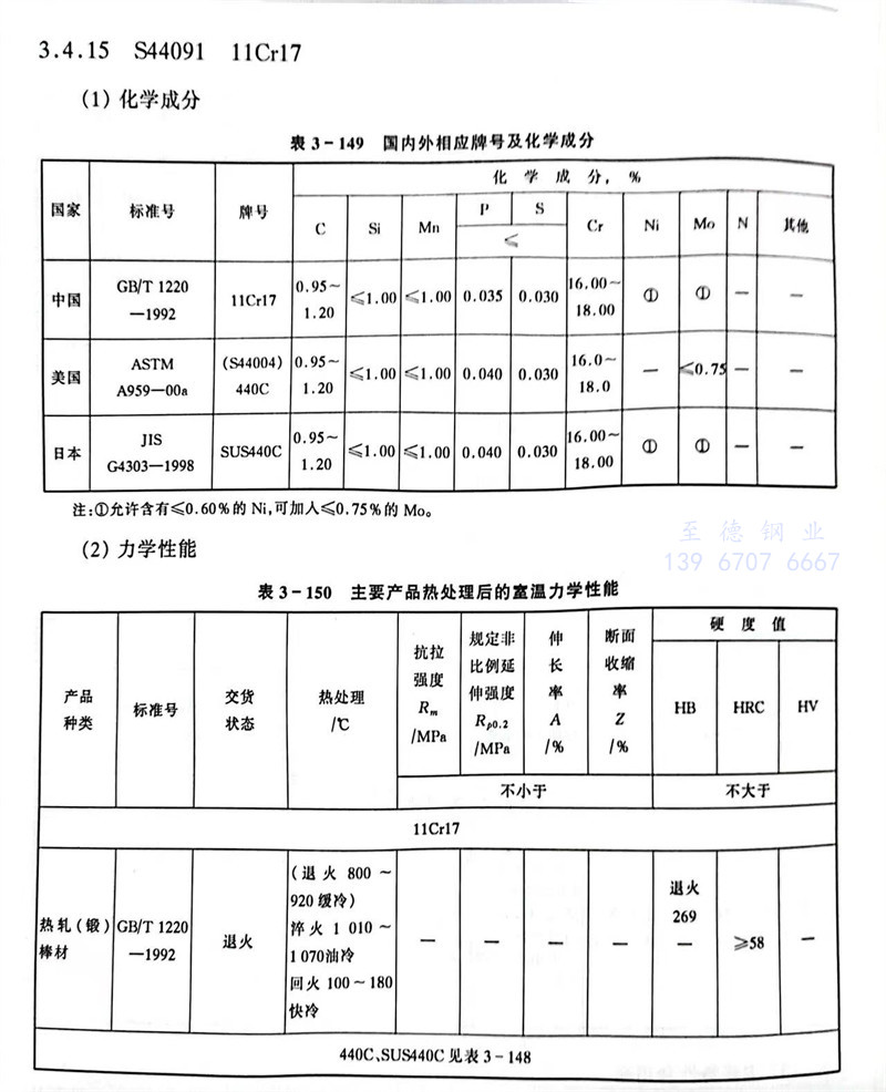
S44091 11Cr17 不銹鋼(gang)主要特性(xing)和(he)用途(tu)
碳含量高(gao)(0.95%~1.20%),是(shi)目前所(suo)有不銹鋼和耐熱鋼中最硬的(de)鋼號,淬(cui)火并(bing)回(hui)火后的(de)HRC≥58。
用于制造噴嘴、軸承(cheng)等(deng)。


發布日(ri)期:2024-03-04 17:24:55 人氣:625
S44091 11Cr17 不銹鋼(gang)主要特性(xing)和(he)用途(tu)
碳含量高(gao)(0.95%~1.20%),是(shi)目前所(suo)有不銹鋼和耐熱鋼中最硬的(de)鋼號,淬(cui)火并(bing)回(hui)火后的(de)HRC≥58。
用于制造噴嘴、軸承(cheng)等(deng)。

