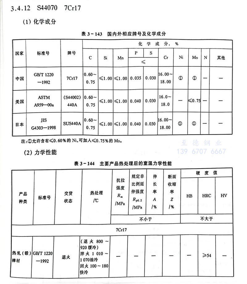
S44070 7Cr17 不銹鋼(gang)主(zhu)要特性和用途
此鋼(gang)由(you)于含(han)碳(tan)量較(jiao)(jiao)高,所以在硬化狀態下較(jiao)(jiao)碳(tan)量低者堅(jian)硬。
用于制(zhi)造刃具(ju)、量具(ju)和軸(zhou)承等。



發布日期:2024-03-01 11:21:41 人(ren)氣:468
S44070 7Cr17 不銹鋼(gang)主(zhu)要特性和用途
此鋼(gang)由(you)于含(han)碳(tan)量較(jiao)(jiao)高,所以在硬化狀態下較(jiao)(jiao)碳(tan)量低者堅(jian)硬。
用于制(zhi)造刃具(ju)、量具(ju)和軸(zhou)承等。


