球墨鑄鐵(tie)管(guan)件接(jie)口配套件型式(shi)與尺寸主要有以下幾種:
一(yi)、接口型式與尺寸
1. DN40~DN1200 T型(xing)接口球(qiu)鐵(tie)管的型(xing)式(shi)見圖6-2,公(gong)稱(cheng)尺寸(cun)見表6-2;DN1400T型(xing)接口球(qiu)鐵(tie)管的型(xing)式(shi)見圖6-3,公(gong)稱(cheng)尺寸(cun)見表6-2。




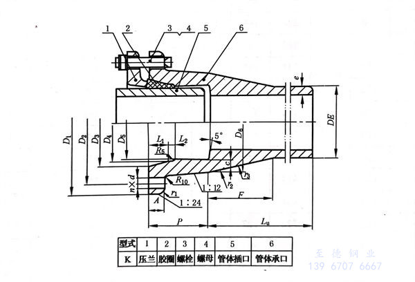
2. K 型(xing)接口球鐵(tie)管(guan)的型(xing)式見(jian)圖6-4,公(gong)稱尺寸見(jian)表6-3;



3. NⅡ 型(xing)接口球鐵管的型(xing)式(shi)見圖(tu)6-5,公稱尺寸見表6-4;


4. S Ⅱ 型接口球鐵管的型式見圖6-6,公(gong)稱尺寸見表6-5;

二(er)、接口配套件(jian)型式與(yu)尺寸
1. 壓蘭(lan)
①. 壓蘭型式與尺寸
a. 適用于K型接(jie)口的壓蘭型式(shi)見圖6-7,尺(chi)寸見表6-6。

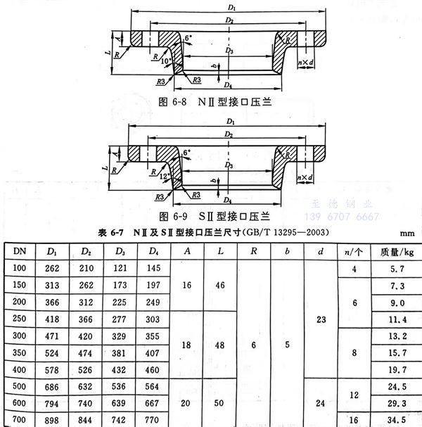
b. 適用于NⅡ及S Ⅱ型(xing)(xing)接口的壓蘭型(xing)(xing)式見圖(tu)6-8及圖(tu)6-9,尺寸見表6-7。

②. 尺寸允許偏差
壓(ya)蘭(lan)尺寸允(yun)許偏差(cha)見表(biao) 6-8;壓(ya)蘭(lan)的法蘭(lan)尺寸允(yun)許偏差(cha)見規定。

2. 螺(luo)栓及(ji)六(liu)角螺(luo)母
適用(yong)于(yu)以球墨鑄鐵為材料,經過鑄造(zao)和(he)機(ji)械加工成型的柔性機(ji)械接口與管件用(yong)螺栓和(he)六(liu)角螺母的型式見圖(tu)6-10,尺(chi)寸見表(biao)6-9。

3. 密(mi)封(feng)件
a. T 型接口球鐵管(guan)(guan)和管(guan)(guan)件(jian)用膠圈
T 型(xing)接(jie)口用膠圈的型(xing)式見圖(tu)6-11 和圖(tu)6-12,尺寸見表(biao)6-10。


b. K 型接口用膠圈
K 型接(jie)口用膠圈的型式見圖6-13 ,尺寸(cun)見表(biao)6-11。

c. NⅡ型接口(kou)用(yong)密封件式
膠圈的型(xing)式見圖6-14 ,尺寸見表(biao)6-12。

支撐圈的(de)型式見圖6-15 ,尺寸見表6-13。
d. SⅡ型接口用密封件式
密封圈的型式見圖6-16 ,尺寸見表6-14。

隔離圈的型式(shi)見(jian)(jian)圖6-17 ,尺寸(cun)見(jian)(jian)表6-15。

鎖環的型(xing)式見圖6-18 ,尺寸(cun)見表6-16。

