
哈(ha)氏合(he)金(jin)是(shi)一(yi)種鎳(nie)基耐腐(fu)蝕(shi)合(he)金(jin),主要分成鎳(nie)-鉻合(he)金(jin)與鎳(nie)鉻鉬合(he)金(jin)兩大類。哈(ha)氏合(he)金(jin)具(ju)有良(liang)好的抗腐(fu)蝕(shi)性(xing)和熱穩(wen)定性(xing),多用于航空事業,化學領域等。哈(ha)氏合(he)金(jin)(Hastelloy alloy)就是(shi)美國(guo)哈(ha)氏合(he)金(jin)國(guo)際(ji)公司所生產的鎳(nie)基耐蝕(shi)合(he)金(jin)的商業牌號的統稱。
0Mo28Ni65Fe5 、NS 321、Hastelloy B 合金的化學成分列入表3-4-1中

一、組織(zhi)特(te)點
NS 321、Hastelloy B 合金固溶處理態為過飽和固溶體,在中溫時效態會有金屬間相,如Ni4Mo(β),Ni3Mo(γ),碳化物如Mo6C、M2C等在基體上和沿晶界析出,會對此合金的性能產生不利的影響。
二、耐腐蝕性能
1. 全面(mian)腐蝕
0Mo28Ni65Fe5、Hastelloy B 合金(jin)在(zai)所有大(da)氣(qi)條件(jian)下(包括(kuo)海洋和工(gong)業(ye)大(da)氣(qi))都具有較好(hao)的耐(nai)蝕(shi)性(xing)。表3-4-2列出了在(zai)大(da)氣(qi)中(zhong)放置12年和23年后的試驗結(jie)果。在(zai)海洋大(da)氣(qi)中(zhong),其腐蝕(shi)速率僅為工(gong)業(ye)氣(qi)氛中(zhong)的1/7,但(dan)其點(dian)蝕(shi)深度要比在(zai)工(gong)業(ye)氣(qi)氛中(zhong)深一些。

在(zai)天然水(shui)和高純水(shui)中,0Mo28Ni65Fe5 、Hastelloy B 合(he)金耐蝕性能(neng)極佳。例(li)如(ru),在(zai)河水(shui),井水(shui)等天然水(shui)中,腐(fu)蝕速(su)(su)率(lv)一般≤0.025mm/a.在(zai)海水(shui)中,當處(chu)于(yu)靜止或(huo)流速(su)(su)較慢的狀態(tai)時,0Mo28Ni65Fe5 合(he)金的耐全面腐(fu)蝕性能(neng)較純鎳稍低,但耐點蝕和縫隙腐(fu)蝕性要優于(yu)純鎳。
在(zai)各種酸介質(zhi)中的耐蝕性見(jian)圖3-4-12~圖3-4-16 及表3-4-3~表3-4-19。
①. 在硫(liu)酸中
在(zai)(zai)(zai)不(bu)充空氣的(de)(de)(de)(de)和(he)非氧(yang)(yang)化(hua)性(xing)的(de)(de)(de)(de)硫(liu)(liu)酸(suan)中(zhong),耐(nai)蝕性(xing)是非常好的(de)(de)(de)(de),可(ke)(ke)應(ying)用的(de)(de)(de)(de)濃(nong)度(du)(du)、溫(wen)度(du)(du)范圍相當寬。例如,在(zai)(zai)(zai)100℃以(yi)下(xia)(xia)所有濃(nong)度(du)(du)的(de)(de)(de)(de)硫(liu)(liu)酸(suan)中(zhong),0Mo28Ni65Fe5 合(he)(he)(he)金(jin)(jin)的(de)(de)(de)(de)腐蝕速率小于0.125mm/a;在(zai)(zai)(zai)115℃以(yi)下(xia)(xia)的(de)(de)(de)(de)任何濃(nong)度(du)(du)硫(liu)(liu)酸(suan)中(zhong)≤5mm/a;在(zai)(zai)(zai)沸騰(teng)溫(wen)度(du)(du)以(yi)下(xia)(xia)的(de)(de)(de)(de)硫(liu)(liu)酸(suan)中(zhong),0Mo28Ni65Fe5合(he)(he)(he)金(jin)(jin)的(de)(de)(de)(de)耐(nai)硫(liu)(liu)酸(suan)腐蝕的(de)(de)(de)(de)濃(nong)度(du)(du)可(ke)(ke)達(da)60%;濃(nong)度(du)(du)再高(gao)(gao),由于硫(liu)(liu)酸(suan)本身的(de)(de)(de)(de)高(gao)(gao)氧(yang)(yang)化(hua)性(xing),0Mo28Ni65Fe5 合(he)(he)(he)金(jin)(jin)要受到嚴(yan)重腐蝕。在(zai)(zai)(zai)稀硫(liu)(liu)酸(suan)中(zhong),0Mo28Ni65Fe5合(he)(he)(he)金(jin)(jin)的(de)(de)(de)(de)耐(nai)蝕性(xing)隨(sui)充人(ren)空氣而降低,且當硫(liu)(liu)酸(suan)濃(nong)度(du)(du)在(zai)(zai)(zai)5%~10%時最為(wei)明顯。圖3-4-12 和(he)表3-4-3系一些試驗結果。


在生產醇類過程中,也(ye)常(chang)常(chang)遇到濃度為45%~65%,溫度115~120℃的(de)(de)硫(liu)酸(suan)。采(cai)用其他(ta)材(cai)料(liao),例如(ru)不銹鋼、鎳基或(huo)銅基合(he)金,在靜止(zhi)和(he)低流速條(tiao)(tiao)件(jian)(jian)下(xia),腐(fu)蝕(shi)速率可≤0.5mm/a.但在高流速、高溫條(tiao)(tiao)件(jian)(jian)下(xia),腐(fu)蝕(shi)速率要超過2.5mm/a.然而,0Mo28Ni65Fe5合(he)金在45%~65% 硫(liu)酸(suan),115℃的(de)(de)工廠(chang)試驗條(tiao)(tiao)件(jian)(jian)下(xia)的(de)(de)結果表明(ming),其腐(fu)蝕(shi)速率僅為1mm/a。
硫(liu)酸也(ye)常(chang)常(chang)用于石(shi)油產(chan)品的精煉以(yi)去除樹脂、瀝青(qing)或類膠(jiao)物質。0Mo28Ni65Fe5合金(jin)在此種條件下(xia)的耐蝕性也(ye)是非常(chang)好的,見(jian)表 3-4-4,用 0Mo28Ni65Fe5 合金(jin)鑄造的泵、閥(fa)等部件是適用的。

向硫酸中加入氧化性鹽(硝酸鹽、鉻酸鹽、高錳酸鹽等)和其他氧化性離子(Fe3+、Ca2+等),會顯著提高0Mo28Ni65Fe5、Hastelloy B 合金的腐蝕速率,且溫度越高越嚴重。因此,0Mo28Ni65Fe5合金一般不允許在這些條件下使用,除非氧化性鹽和氧化性離子的濃度很低,不足以影響0Mo28Ni65Fe5合金的耐蝕性。表3-4-5系硫酸中含銅時對0Mo28Ni65Fe5合金耐蝕性的影響。顯然,在含銅的硫酸中或銅有可能進入硫酸的條件下,選用0Mo28Ni65Fe5 合金是不適宜的。此外,0Mo28Ni65Fe5 合金與碳、石墨等接觸也會由于產生電偶腐蝕而使它迅速破壞,表3-4-6示出了試驗結果。由于石墨也是耐硫酸性能很好的非金屬材料,因此,當0Mo28Ni65Fe5 合金與石墨同時使用時,要注意防止這種電偶腐蝕的產生。

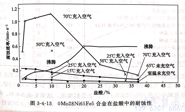
②. 在鹽(yan)酸(suan)中
在未充入空氣的(de)(de)鹽(yan)酸(suan)中,0Mo28Ni65Fe5、Hastelloy B 合(he)(he)金(jin)(jin)在常(chang)壓下(xia)任(ren)何濃(nong)度、任(ren)何溫度下(xia)都是耐(nai)(nai)蝕的(de)(de)。Ni-Mo耐(nai)(nai)蝕合(he)(he)金(jin)(jin)包括0Mo28Ni65Fe5 在內是耐(nai)(nai)鹽(yan)酸(suan)性能最好(hao)的(de)(de)一類合(he)(he)金(jin)(jin)。作為(wei)耐(nai)(nai)鹽(yan)酸(suan)的(de)(de)金(jin)(jin)屬材料,目前(qian)也只(zhi)有(you)金(jin)(jin)屬鉬、鋯、鎢、鉭的(de)(de)耐(nai)(nai)蝕性能超過Ni-Mo耐(nai)(nai)蝕合(he)(he)金(jin)(jin)。
圖(tu)3-4-13和表(biao)3-4-7系0Mo28Ni65Fe5合(he)金(jin)(jin)(jin)在(zai)鹽(yan)酸(suan)中(zhong)的(de)(de)試驗結(jie)(jie)果。從這(zhe)些(xie)(xie)結(jie)(jie)果可(ke)以看(kan)出,0Mo28Ni65Fe5合(he)金(jin)(jin)(jin)的(de)(de)耐蝕性(xing)(xing)受鹽(yan)酸(suan)中(zhong)有(you)無空氣存在(zai)的(de)(de)影響(xiang)很大;當酸(suan)中(zhong)有(you)空氣存在(zai)時(shi),對0Mo28Ni65Fe5 合(he)金(jin)(jin)(jin)的(de)(de)耐蝕性(xing)(xing)的(de)(de)不(bu)良影響(xiang)以鹽(yan)酸(suan)濃度(du)5%~10%時(shi)最為明顯(xian)。表(biao)3-4-8系在(zai)氣相中(zhong)充(chong)(chong)氮(dan)和充(chong)(chong)氧十氮(dan)時(shi)的(de)(de)試驗結(jie)(jie)果,同樣(yang)可(ke)看(kan)出氧的(de)(de)不(bu)良影響(xiang)。某些(xie)(xie)有(you)機和無機含水(shui)氯(lv)化(hua)物(wu)(wu)處理過程中(zhong)會有(you)鹽(yan)酸(suan)產生。在(zai)一(yi)些(xie)(xie)氯(lv)化(hua)碳氫化(hua)物(wu)(wu)條件下(xia),熱蒸(zheng)汽的(de)(de)冷凝(ning)可(ke)以產生較(jiao)高濃度(du)的(de)(de)鹽(yan)酸(suan),0Mo28Ni65Fe5 合(he)金(jin)(jin)(jin)在(zai)這(zhe)些(xie)(xie)條件下(xia)的(de)(de)試驗結(jie)(jie)果見(jian)表(biao)3-4-9。


當(dang)鹽(yan)酸(suan)中有氧化性(xing)(xing)鹽(yan),例如銅、鐵(tie)、汞鹽(yan)時,0Mo28Ni65Fe5 合金的耐蝕性(xing)(xing)要(yao)下降,而且酸(suan)的溫(wen)度(du)(du)越(yue)高越(yue)明顯。在10%鹽(yan)酸(suan)中,不同(tong)溫(wen)度(du)(du)所允許(xu)的FeCl3的濃度(du)(du)限為:室溫(wen)1290ppm; 65℃ 330ppm; 沸騰溫(wen)度(du)(du)26ppm.
③. 在氫氟(fu)酸中
在氫氟酸中進行有限的(de)試驗表(biao)明(ming),0Mo28Ni65Fe5、Hastelloy B 合(he)(he)金(jin)可(ke)耐(nai)≤100℃,不含空氣(qi)的(de)HF酸的(de)腐蝕(shi)(shi)。但在恒沸點濃(nong)度(du)(du)38%~40%HF、沸騰(teng)為115℃的(de)氫氟酸中會使0Mo28Ni65Fe5合(he)(he)金(jin)受(shou)到腐蝕(shi)(shi),結果見表(biao)3-4-10。高于(yu)恒沸點濃(nong)度(du)(du)的(de)HF酸,可(ke)通過無水HF溶于(yu)水而(er)得到。對于(yu)濃(nong)度(du)(du)≥70%的(de)HF酸,0Mo28Ni65Fe5、Hastelloy B 合(he)(he)金(jin)的(de)耐(nai)蝕(shi)(shi)性(xing)(xing)反(fan)而(er)較耐(nai)低(di)濃(nong)度(du)(du)HF酸的(de)性(xing)(xing)能要好。0Mo28N165Fe5合(he)(he)金(jin)在HF酸再生條(tiao)件下(xia)的(de)腐蝕(shi)(shi)情況見表(biao)3-4-11,顯然,此合(he)(he)金(jin)的(de)耐(nai)蝕(shi)(shi)性(xing)(xing)良好。

④. 在磷(lin)酸中
0Mo28Ni65Fe5、Hastelloy B 合金耐H3PO4腐蝕,一些試驗結果見圖3-4-14及表3-4-12和表3-4-13.由圖表可知除充入空氣時和加壓高溫下,0Mo28Ni65Fe5耐蝕性稍有降低外,其耐H3OP4性能是良好的。但是,0Mo28Ni65Fe5 合金不耐濕法H3PO4的腐蝕,因為,酸中含有氫氟酸、氫氟硅酸、殘余的硫酸以及鐵鹽和鋁鹽,此種酸在本質上呈氧化性,使0Mo28Ni65Fe5合金的腐蝕速率可高達25mm/a以上。


⑤. 在醋酸中
在(zai)(zai)(zai)苛(ke)刻的(de)(de)腐(fu)(fu)蝕(shi)條件下(xia),即在(zai)(zai)(zai)未充空(kong)氣的(de)(de)沸騰(teng)溫度下(xia),在(zai)(zai)(zai)10%~50%濃度的(de)(de)醋酸中,0Mo28Ni65Fe5合(he)(he)金的(de)(de)腐(fu)(fu)蝕(shi)速(su)率不超過(guo)0.125~0.150mm/a。當然,醋酸中有空(kong)氣存在(zai)(zai)(zai),同樣加速(su)此合(he)(he)金的(de)(de)腐(fu)(fu)蝕(shi)。但是在(zai)(zai)(zai)純的(de)(de)高濃度醋酸或者冰醋酸中,充人空(kong)氣對0Mo28Ni65Fe5 合(he)(he)金的(de)(de)耐蝕(shi)性(xing)影響(xiang)則(ze)很小。向醋酸中加入NaCl時,將(jiang)有少(shao)量HC1酸形成(cheng)。雖然稍提(ti)高0Mo28Ni65Fe5合(he)(he)金的(de)(de)腐(fu)(fu)蝕(shi)速(su)率,但由于0Mo28Ni65Fe5合(he)(he)金的(de)(de)耐鹽酸性(xing)能(neng)良(liang)好(hao),故影響(xiang)并不顯著。表3-4-14系0Mo28Ni65Fe5 合(he)(he)金在(zai)(zai)(zai)醋酸中的(de)(de)耐蝕(shi)性(xing)。

⑥. 在甲(jia)酸中(zhong)
此種(zhong)算對(dui) 0Mo28Ni65Fe5、Hastelloy B 合(he)金的(de)腐(fu)蝕較醋酸(suan)(suan)嚴(yan)重(zhong)。通入空氣(qi)和酸(suan)(suan)中有氧化劑(ji)存在同樣加速 0Mo28Ni65Fe5、Hastelloy B 合(he)金的(de)腐(fu)蝕。在甲酸(suan)(suan)中的(de)試(shi)驗結果見(jian)圖3-4-15。在其他有機(ji)酸(suan)(suan)中:試(shi)驗結果見(jian)表 3-4-15。

⑦. 在堿和鹽(yan)中
試驗表明,0Mo28Ni65Fe5、Hastelloy B 合金在濃度≤70%NaOH、溫度≤120℃條件下,其腐蝕速率僅為0.050mm/a;在沸點為165℃的60%NaOH和沸點為191℃的70%NaOH中,其腐蝕速率≤0.50mm/a;在100~180℃,濃度為60%的Na2S溶液中,腐蝕速率為0.55mm/a。
在一(yi)些中(zhong)性(xing)(xing)(xing)(xing)和(he)堿(jian)性(xing)(xing)(xing)(xing)非氧化(hua)(hua)(hua)性(xing)(xing)(xing)(xing)鹽(yan)(yan)中(zhong),0Mo28Ni65Fe5 合(he)金的(de)耐(nai)蝕(shi)(shi)性(xing)(xing)(xing)(xing)良好。在非氧化(hua)(hua)(hua)性(xing)(xing)(xing)(xing)酸(suan)性(xing)(xing)(xing)(xing)鹽(yan)(yan)中(zhong)(氯化(hua)(hua)(hua)物、硫(liu)酸(suan)鹽(yan)(yan)和(he)氟化(hua)(hua)(hua)物鹽(yan)(yan))的(de)試(shi)驗結果見表3-4-16,顯然,0Mo28Ni65Fe5 合(he)金也是耐(nai)蝕(shi)(shi)的(de)。但是,在氧化(hua)(hua)(hua)性(xing)(xing)(xing)(xing)酸(suan)性(xing)(xing)(xing)(xing)鹽(yan)(yan)中(zhong),例如氯化(hua)(hua)(hua)鐵(tie)(tie)、氯化(hua)(hua)(hua)銅、硫(liu)酸(suan)鐵(tie)(tie)、硫(liu)酸(suan)銅等溶液中(zhong),0Mo28Ni65Fe5僅在非常稀的(de)溶液中(zhong)才(cai)耐(nai)蝕(shi)(shi);濃度稍高,便會受(shou)到(dao)嚴重腐蝕(shi)(shi),一(yi)些試(shi)驗結果見表3-4-17。

⑧. 在鹵素元(yuan)素及其氫化物氣體(ti)中
氟(fu)、氯(lv)、溴等鹵素元素中,在氯(lv)化(hua)氫、氟(fu)化(hua)氫等高(gao)溫氣(qi)體中,0Mo28Ni65Fe5合(he)金的(de)試(shi)驗(yan)結(jie)果見(jian)表(biao)(biao)3-4-18和圖3-4-16。由表(biao)(biao)可知,在干氯(lv)、干溴和高(gao)溫碘(dian)氣(qi)體中,0Mo28Ni65Fe5合(he)金是極耐蝕的(de),但在濕態下則腐(fu)蝕嚴重,不能選用。試(shi)驗(yan)表(biao)(biao)明,在CCl4 和 CoCl2 高(gao)溫氣(qi)體中,0Mo28Ni65Fe5、Hastelloy B 合(he)金的(de)耐蝕性相對好(hao),而且(qie)即(ji)使介質中含(han)有水分,此合(he)金也同樣耐腐(fu)蝕,見(jian)表(biao)(biao) 3-4-19。

0Mo28Ni65Fe5、Hastelloy B 合(he)金(jin)由于鉬含量高,且鉬的(de)氟(fu)化物(wu)易揮發,因(yin)此在(zai)(zai)高溫(wen)氟(fu)氣中,0Mo28Ni65Fe5是不耐蝕(shi)的(de)。例如,在(zai)(zai)600℃,氟(fu)氣流(liu)量為(wei)75~100ml/min條(tiao)件(jian)下,0Mo28Ni65Fe5合(he)金(jin)厚0.95mm的(de)試(shi)樣,經95h試(shi)驗后受到了嚴(yan)重腐蝕(shi)。然(ran)而(er),在(zai)(zai)高溫(wen)HF氣中,0Mo28Ni65Fe5合(he)金(jin)則是耐蝕(shi)的(de)(在(zai)(zai)500~600℃ HF氣中,經36小時試(shi)驗,其(qi)腐蝕(shi)速率僅為(wei)0.050mm/a).
⑨. 在氧(空氣)、硫、氣體中
由于0Mo28Ni65Fe5、Hastelloy B 合金不含鉻,而且鉬的氧化膜(例如,在此合金表面形成NiMoO4)在750℃條件下極易脫落。因而,0Mo28Ni65Fe5的高溫抗氧化性很差,也由于此合金不含鉻且鎳含量高,因而在含硫和硫化物的高溫氣體中耐蝕性不良。
2. 晶間(jian)腐蝕
0Mo28Ni65Fe5、Hastelloy B 合(he)(he)金雖然(ran)固溶態(tai)耐蝕(shi),特別是耐鹽酸(suan)、硫(liu)酸(suan)等的(de)(de)性(xing)能很好,但是一(yi)(yi)旦(dan)經(jing)過(guo)焊接,再(zai)在鹽酸(suan)、硫(liu)酸(suan)中(zhong)使(shi)用,則在焊縫處易出(chu)現刀口腐(fu)(fu)蝕(shi),在熱影響區(qu)(qu)(qu)出(chu)現晶(jing)間腐(fu)(fu)蝕(shi)。圖3-4-17 和圖3-4-18 系一(yi)(yi)些試(shi)驗結果。由(you)圖可知,0Mo28Ni65Fe5 合(he)(he)金有兩個(ge)敏(min)化(hua)(hua)區(qu)(qu)(qu):1200~1300℃的(de)(de)高溫敏(min)化(hua)(hua)區(qu)(qu)(qu)和600~900℃的(de)(de)中(zhong)溫敏(min)化(hua)(hua)區(qu)(qu)(qu)。經(jing)過(guo)兩個(ge)敏(min)化(hua)(hua)區(qu)(qu)(qu)時,0Mo28Ni65Fe5合(he)(he)金產(chan)生(sheng)晶(jing)間腐(fu)(fu)蝕(shi),不僅使(shi)耐蝕(shi)性(xing)顯著下降,而且還(huan)伴隨有硬度增(zeng)加。0Mo28Ni65Fe5合(he)(he)金的(de)(de)晶(jing)間腐(fu)(fu)蝕(shi)不同(tong)于一(yi)(yi)般的(de)(de)奧氏體不銹鋼(gang),即使(shi)是固溶處理且迅速冷卻也無法防止它的(de)(de)產(chan)生(sheng)。表(biao)3-4-20系一(yi)(yi)些試(shi)驗結果。

研究表明,0Mo28Ni65Fe5 合金的晶間腐蝕與合金中析出相的成分、結構之間有著密切的關系。在≥1250℃高溫區,合金中的析出相有含量較高的M6C、M2C等碳化物以及。相:在550~900℃的中溫區,則有Ni-Mo金屬間相(高于850℃ 為Ni3Mo型,較低溫度則為Ni4Mo型)和M6C、M2C等碳化物。這些金屬間相和碳化物均含有較高的鉬,它們沿晶界的沉淀可引起鋁的嚴重貧化,從而導致0Mo28Ni65Fe5、Hastelloy B 合金的晶間腐蝕。同時,由于析出相的強化作用,合金的強度、硬度亦有所提高。

為了解決0Mo28Ni65Fe5合(he)金(jin)(jin)的(de)(de)晶間(jian)腐蝕問題,曾研制出超低碳(tan)和(he)低硅、低鐵的(de)(de)新合(he)金(jin)(jin) 00Mo28Ni68 和(he) 含釩(1.4%~2.2%)的(de)(de)新合(he)金(jin)(jin) 00Mo28Ni68V (Corronel 220,am814).除(chu)00Mo28Ni68(Hastelloy B2)獲得大量(liang)應用(yong)外,前述1990年(nian)以來控制或調整合(he)金(jin)(jin)中鐵、鉻量(liang)而開發的(de)(de) Hastelloy B3、B4和(he)B10等引起了人(ren)們的(de)(de)廣(guang)泛(fan)關注。
三、力學性(xing)能
0Mo28Ni65Fe5 合金的室溫(wen)和(he)(he)高(gao)溫(wen)瞬時力學性能(neng)見表(biao)3-4-21和(he)(he)表(biao)3-4-22。

四、物(wu)理性能
此合金物理常數見(jian)表3-4-23。0Mo28Ni65Fc5合金除(chu)作(zuo)為耐蝕材料外,還可作(zuo)為電子(zi)管陰極材料,它具有中(zhong)等激活性能和(he)較高的發(fa)射(she)能力(li)。

五、焊接性(xing)能
0Mo28Ni65Fe5、Hastelloy B 合金可(ke)焊(han)(han)性好,與(yu)一般奧氏體不(bu)銹鋼(gang)相近(jin),可(ke)以(yi)采用工業上通用的(de)(de)方法,例(li)如TIG、MIG、手(shou)工電弧焊(han)(han)、電阻焊(han)(han)等進行(xing)焊(han)(han)接(jie)。但是能(neng)夠導致焊(han)(han)接(jie)過程中增碳的(de)(de)焊(han)(han)接(jie)方法則不(bu)宜采用。焊(han)(han)接(jie)用的(de)(de)填絲其(qi)成分可(ke)與(yu)母材(cai)相同。由(you)于此(ci)合金熱膨脹系(xi)(xi)數(shu)、電阻溫度系(xi)(xi)數(shu)較普(pu)通碳鋼(gang)低,且導熱系(xi)(xi)數(shu)僅為(wei)普(pu)通碳鋼(gang)的(de)(de)1/4,因此(ci),當(dang)與(yu)碳鋼(gang)進行(xing)異材(cai)焊(han)(han)接(jie)時要予以(yi)考慮。
六、冷熱加工(gong)及成型性能(neng)
0Mo28Ni65Fe5 系(xi)(xi)變形合(he)金(jin)(jin),有較(jiao)好(hao)的(de)(de)冷(leng)熱(re)加工和成(cheng)型(xing)(xing)性能。此(ci)合(he)金(jin)(jin)的(de)(de)熱(re)加工以(yi)1000~1200℃為宜。經(jing)固溶處(chu)理后,0Mo28Ni65Fe5合(he)金(jin)(jin)具(ju)有良(liang)好(hao)的(de)(de)冷(leng)加工塑性和冷(leng)成(cheng)型(xing)(xing)性。當(dang)進行(xing)冷(leng)軋(ya)時,每個冷(leng)軋(ya)過程總(zong)壓下量可高達(da)80%。隨冷(leng)軋(ya)變形量的(de)(de)增加,此(ci)合(he)金(jin)(jin)的(de)(de)硬度增加,它們之間(jian)的(de)(de)關系(xi)(xi)見圖3-4-19。此(ci)合(he)金(jin)(jin)的(de)(de)冷(leng)成(cheng)型(xing)(xing)較(jiao)一般Cr-Ni奧氏體不銹鋼需更多次的(de)(de)中間(jian)退火,以(yi)使此(ci)合(he)金(jin)(jin)的(de)(de)塑性得以(yi)回復。冷(leng)成(cheng)型(xing)(xing)后均需要(yao)熱(re)處(chu)理。

七、熱處(chu)理工藝
無論是(shi)變形材還是(shi)鑄件,對(dui)于(yu)(yu)0Mo28Ni65Fe5合(he)金(jin)(jin)的(de)使用狀態(tai)(tai)一(yi)(yi)(yi)般是(shi)固溶(rong)(rong)態(tai)(tai)。因為(wei)此時(shi)合(he)金(jin)(jin)具(ju)有最佳的(de)耐蝕性(xing)、強(qiang)韌性(xing)的(de)良(liang)好配合(he)。當然,冷(leng)(leng)加(jia)工(gong)或(huo)(huo)冷(leng)(leng)成(cheng)型(xing)的(de)中間退(tui)火(huo)(huo)(huo)也可在低于(yu)(yu)固溶(rong)(rong)溫(wen)(wen)度(du)下(xia)(xia)進行,一(yi)(yi)(yi)般0Mo28Ni65Fe5合(he)金(jin)(jin)適宜的(de)固溶(rong)(rong)處理溫(wen)(wen)度(du)為(wei)1150~1170℃,加(jia)熱保(bao)(bao)溫(wen)(wen)后(hou)進行快冷(leng)(leng)(水冷(leng)(leng)或(huo)(huo)快速空冷(leng)(leng));中間退(tui)火(huo)(huo)(huo)溫(wen)(wen)度(du)可在1000~1100℃下(xia)(xia)進行。此合(he)金(jin)(jin)的(de)再結晶(jing)溫(wen)(wen)度(du)為(wei)950~1100℃。圖(tu)3-4-20系(xi)0Mo28Ni65Fe5合(he)金(jin)(jin)的(de)冷(leng)(leng)軋變形量、硬度(du)和(he)中間退(tui)火(huo)(huo)(huo)溫(wen)(wen)度(du)的(de)關系(xi)。圖(tu)3-4-21系(xi)此合(he)金(jin)(jin)退(tui)火(huo)(huo)(huo)溫(wen)(wen)度(du)和(he)硬度(du)的(de)關系(xi)。為(wei)了保(bao)(bao)證此合(he)金(jin)(jin)焊(han)后(hou)在鹽酸、硫酸等苛刻介質中的(de)耐蝕性(xing),建議焊(han)后(hou)再進行一(yi)(yi)(yi)次(ci)固溶(rong)(rong)處理。

八(ba)、應用
0Mo28Ni65Fe5、Hastelloy B 合(he)金可(ke)生產板材(cai)、管(guan)(guan)(guan)材(cai)(焊管(guan)(guan)(guan))、絲材(cai)、帶材(cai)、鍛(duan)件(jian)和鑄件(jian)。主(zhu)要(yao)用(yong)途是耐(nai)鹽酸腐蝕。同時,耐(nai)濕HC1氣體,耐(nai)硫酸、磷(lin)酸的性能(neng)也是很好的。因(yin)此(ci),0Mo28Ni65Fe5 合(he)金多(duo)用(yong)于制造(zao)(zao)耐(nai)上述介質的容器及其襯里、管(guan)(guan)(guan)道(dao)、塔槽(cao)、泵(beng)、閥(fa)等。此(ci)外,0Mo28Ni65Fe5 合(he)金的超薄帶和極(ji)細絲制造(zao)(zao)電子管(guan)(guan)(guan)的陰(yin)極(ji)材(cai)料也取(qu)得滿意(yi)結果(guo)。
