
inconel產品的(de)(de)均勻腐(fu)蝕可以(yi)發生在酸性(xing)(xing)或(huo)熱(re)的(de)(de)堿性(xing)(xing)溶液(ye)。通(tong)過(guo)這種機制可以(yi)預計的(de)(de)虧損(sun),并在設計允許的(de)(de)。inconel產品的(de)(de)腐(fu)蝕速率非常慢時(shi),該金屬是在被動狀態,一般的(de)(de)是耐腐(fu)蝕性(xing)(xing)更好地(di)較大的(de)(de)鉻含(han)量,但(dan)其他(ta)的(de)(de)溶質可以(yi)是有害的(de)(de)。
(00Cr20Ni60Mo8Nb3Ti)Inconel 725 合金是(shi)(shi)一(yi)(yi)種既具(ju)有高(gao)(gao)耐(nai)(nai)蝕(shi)(shi)性(xing)(xing)又可(ke)時(shi)效(xiao)硬化到極(ji)高(gao)(gao)強(qiang)度(du)的(de)(de)(de)Ni-Cr-Mo-Nb-Ti- Al耐(nai)(nai)蝕(shi)(shi)合(he)(he)(he)金(jin)。此合(he)(he)(he)金(jin)的(de)(de)(de)耐(nai)(nai)蝕(shi)(shi)性(xing)(xing)基本上與已(yi)廣泛使(shi)用(yong)(yong)的(de)(de)(de)Inconel 625合(he)(he)(he)金(jin)一(yi)(yi)致,時(shi)效(xiao)硬化處理(li)的(de)(de)(de)725合(he)(he)(he)金(jin)的(de)(de)(de)強(qiang)度(du)水平(ping)是(shi)(shi)625合(he)(he)(he)金(jin)的(de)(de)(de)2倍,并且其塑韌(ren)性(xing)(xing)仍保持較高(gao)(gao)的(de)(de)(de)水平(ping)。對于在腐蝕(shi)(shi)環境中應(ying)(ying)用(yong)(yong),既要求具(ju)有優異耐(nai)(nai)蝕(shi)(shi)性(xing)(xing)又要求具(ju)有高(gao)(gao)強(qiang)和(he)高(gao)(gao)的(de)(de)(de)塑韌(ren)性(xing)(xing)的(de)(de)(de)服役條(tiao)件(jian),一(yi)(yi)些大型部件(jian)或截面尺寸(cun)不均勻的(de)(de)(de)部件(jian)不能釆用(yong)(yong)冷(leng)加工(gong)的(de)(de)(de)強(qiang)化措施(shi),這(zhe)種時(shi)效(xiao)硬化型鐐基耐(nai)(nai)蝕(shi)(shi)合(he)(he)(he)金(jin)不失是(shi)(shi)一(yi)(yi)種最(zui)佳選(xuan)擇。Inconel 725合(he)(he)(he)金(jin)已(yi)在酸性(xing)(xing)氣田開發中得到成功(gong)應(ying)(ying)用(yong)(yong)。
一、化學成分特點和組織結(jie)構
(00Cr20Ni60Mo8Nb3Ti)Inconel 725 合(he)金(jin)的(de)化學成(cheng)分見表 8-7。合(he)金(jin)的(de) Cr、Ni、Mo、Nb 含(han)量與625合(he)金(jin)基本一(yi)致(zhi),這是此(ci)合(he)金(jin)的(de)耐(nai)蝕特性(xing)與625合(he)金(jin)一(yi)致(zhi)的(de)根本原(yuan)因,兩者的(de)差(cha)別在于(yu)725合(he)金(jin)中的(de)碳(tan)降(jiang)到0.03%以下,并加入Ti和Al,前(qian)者減少了(le)碳(tan)化物析出敏(min)感性(xing)而提高耐(nai)晶間腐蝕能(neng)(neng)力,后(hou)者賦予了(le)合(he)金(jin)的(de)時效強化功能(neng)(neng)。


(00Cr20Ni60Mo8Nb3Ti)Inconel 725 合金在固溶退火狀態下為純奧氏體合金,在時效狀態下有碳化物和金屬間相形成,碳化物以M6C為主并有MC和M23C6型碳化物形成,此合金金屬間相為[Ni3(Nb,Ti,Al)],后者為合金的主要時效強化相, 其功能是提高合金的強度。
二、力(li)學性(xing)能
(00Cr20Ni60Mo8Nb3Ti)Inconel 725 合金的(de)室溫(wen)力(li)學性(xing)(xing)能(neng)見表8-106。時(shi)效硬(ying)化(hua)(hua)棒材(cai)高溫(wen)瞬(shun)時(shi)力(li)學性(xing)(xing)能(neng)見圖 8-92。16~16.5mm棒材(cai)(固溶+時(shi)效硬(ying)化(hua)(hua)處(chu)理)的(de)高溫(wen)瞬(shun)時(shi)力(li)學性(xing)(xing)能(neng)列于表 8-107。


三、耐蝕性(xing)能(neng)
1. 全(quan)面腐蝕
在酸溶(rong)液(ye)中,不(bu)同(tong)熱處理狀態(tai)的(de)725合金(jin)(jin)的(de)耐蝕(shi)性列于表8-108,為了(le)(le)比(bi)較 引入了(le)(le)文獻中的(de)625和C-276合金(jin)(jin),顯(xian)然(ran)725合金(jin)(jin)的(de)耐蝕(shi)性可與退(tui)火態(tai)的(de)625合金(jin)(jin)和 C-276合金(jin)(jin)媲美。

表 8-109 為(wei)725合金在酸(suan)性介質(zhi)中的(de)耐蝕性隨試驗時(shi)間和(he)介質(zhi)溫度的(de)變化而(er) 發生的(de)變化。

2. 應力腐(fu)蝕
在判定由硫化物引起的應力腐蝕(shi)(氫脆(cui))的標準試驗中(zhong)(NACET M0177 ),725 合(he)金(jin)的腐蝕(shi)數據(ju)見表(biao)8-110。這些數據(ju)指岀725合(he)金(jin)優于(yu)625合(he)金(jin)和718合(he)金(jin)。

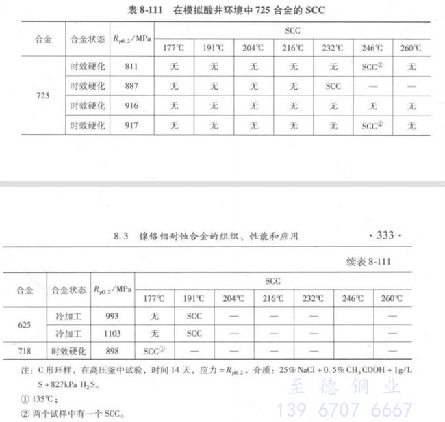
在(zai)模(mo)擬酸性(xing)井(jing)環境中,725合(he)(he)金(jin)的(de)(de)應力(li)腐蝕行為見表8-111 和(he)圖(tu)8-93。725 合(he)(he)金(jin)的(de)(de)耐SCC性(xing)能(neng)優于冷加工的(de)(de)625合(he)(he)金(jin)、G-3合(he)(he)金(jin)、925合(he)(he)金(jin)、825合(he)(he)金(jin)和(he)718 合(he)(he)金(jin),近于C-276合(he)(he)金(jin)。


3. 耐(nai)縫隙腐蝕(shi)性能和(he)腐蝕(shi)疲(pi)勞
時效狀態的(de)(de)725合金的(de)(de)耐縫(feng)隙腐蝕性(xing)(xing)能優(you)于退火(huo)態的(de)(de)625合金(表8-112), 在海水中(zhong)的(de)(de)疲勞(lao)性(xing)(xing)能與空氣中(zhong)的(de)(de)一致(圖8-94)。


四、熱(re)(re)處(chu)理、熱(re)(re)成(cheng)型和(he)焊接性(xing)能(neng)
1. 熱處理
(00Cr20Ni60Mo8Nb3Ti)Inconel 725 合金的(de)強化是依賴于(yu)時效(xiao)(xiao)處(chu)理(li) γ''相沉(chen)淀(dian)實現(xian)的(de),時效(xiao)(xiao)前應使(shi)合金固溶退(tui)火(huo),然(ran)后(hou)再施(shi)以時效(xiao)(xiao)處(chu)理(li)。
固(gu)溶退(tui)火:1040℃ 固(gu)溶,AC(空冷)。
時效處(chu)理:對于酸性氣井應用, 推(tui)薦下述處(chu)理工藝,730℃×8 h 、爐(lu)冷 (56℃/h)至(zhi)620℃ × 8h, AC。
2. 熱(re)成型(xing)
725合(he)金的(de)(de)(de)適宜熱(re)成型(xing)溫度(du)為 899~1121℃,因其(qi)強度(du)高,熱(re)成型(xing)設備(bei)應(ying)具(ju)有(you)(you)足夠的(de)(de)(de)變形(xing)力。為使部件具(ju)有(you)(you)均勻一(yi)致的(de)(de)(de)變形(xing),在(zai)變形(xing)的(de)(de)(de)低(di)溫區(890 ~950℃)應(ying)適度(du)減少(shao)壓(ya)縮(suo)(suo)量(liang)。為了避免混晶結構(gou),應(ying)給(gei)予合(he)金較均勻的(de)(de)(de)壓(ya)縮(suo)(suo)量(liang),對于(yu)開口模(mo)熱(re)作(zuo)(zuo),最終(zhong)的(de)(de)(de)壓(ya)縮(suo)(suo)量(liang)應(ying)大于(yu)20%,對于(yu)閉(bi)口模(mo)熱(re)作(zuo)(zuo),最終(zhong)變形(xing)量(liang)應(ying)大于(yu)10% ,熱(re)作(zuo)(zuo)后空(kong)冷。在(zai)熱(re)作(zuo)(zuo)過程中既要避免 過熱(re)又要避免低(di)于(yu)899℃的(de)(de)(de)冷點出現(xian),一(yi)旦(dan)出現(xian)表(biao)面裂(lie)紋或其(qi)他缺(que)陷(xian)要即時去除。建議將熱(re)作(zuo)(zuo)工(gong)具(ju)和模(mo)具(ju)預熱(re)到260℃,對消除部件表(biao)面裂(lie)紋和缺(que)陷(xian)是有(you)(you)益的(de)(de)(de)。
3. 焊(han)接
725合金最適宜的焊接方式是GTAW和GMAW,不推薦使用SAW和SMAW, 充填金屬應采用725NDUR,以確保焊件的強度。表8-113 為采用725NDUR焊絲堆焊1層在 5% NaCI +517kPa H2S +2758kPa CO2, 149℃ 環境下的慢速拉伸試驗數據。表中的數據為在腐蝕環境和空氣中采用相同慢速拉伸參數所獲得的數據 比,通常這個比值在0.90以上是可接受的。表8-114 為725NDUR焊縫金屬 (GMA)的室溫力學性能,表8-115 其沖擊性能。


表8-114 和 表8-115的(de)數據說明,焊后(hou)高(gao)溫退火再經雙(shuang)時效處(chu)理(li)可使(shi)其沖擊(ji)韌性明顯(xian)提高(gao)。
五、物(wu)理性能
(00Cr20Ni60Mo8Nb3Ti)Inconel 725 合金物理性能分別見表8-116 ~表8-118。


六、應用(yong)
(00Cr20Ni60Mo8Nb3Ti)Inconel 725 合(he)金(jin)(jin)集耐(nai)(nai)腐蝕(shi)(shi)(shi)性(xing)(xing)與高(gao)(gao)(gao)強(qiang)(qiang)度(du)(du)(du)于一身,它主要應用于耐(nai)(nai)蝕(shi)(shi)(shi)環(huan)境的(de)(de)(de)(de)(de)高(gao)(gao)(gao)強(qiang)(qiang)度(du)(du)(du)部件,在酸性(xing)(xing)氣井的(de)(de)(de)(de)(de)環(huan)境中(zhong)(zhong)它已用作懸掛件、偏心工(gong)作筒,拋(pao)光(guang)座圈和(he)地面接(jie)頭等,用以抵抗(kang)硫化(hua)氫、氯(lv)化(hua)物(wu)和(he)二(er)氧化(hua)碳的(de)(de)(de)(de)(de)腐蝕(shi)(shi)(shi)。因725合(he)金(jin)(jin)具(ju)有(you)與625合(he)金(jin)(jin)相當的(de)(de)(de)(de)(de)耐(nai)(nai)蝕(shi)(shi)(shi)性(xing)(xing),它亦(yi)是在海(hai)水中(zhong)(zhong)高(gao)(gao)(gao)強(qiang)(qiang)度(du)(du)(du)緊固件的(de)(de)(de)(de)(de)優(you)選材料,在海(hai)水中(zhong)(zhong)提(ti)供(gong)了良好的(de)(de)(de)(de)(de)耐(nai)(nai)點蝕(shi)(shi)(shi)、耐(nai)(nai)縫隙(xi)腐蝕(shi)(shi)(shi)性(xing)(xing)能(neng)。此(ci)(ci)外,此(ci)(ci)合(he)金(jin)(jin)特別適宜用做(zuo)聚合(he)物(wu)的(de)(de)(de)(de)(de)擠壓模(mo),在要求高(gao)(gao)(gao)強(qiang)(qiang)度(du)(du)(du)的(de)(de)(de)(de)(de)強(qiang)(qiang)腐蝕(shi)(shi)(shi)環(huan)境服役條件下,它亦(yi)提(ti)供(gong)了高(gao)(gao)(gao)強(qiang)(qiang)度(du)(du)(du)和(he)耐(nai)(nai)蝕(shi)(shi)(shi)性(xing)(xing)的(de)(de)(de)(de)(de)雙重(zhong)性(xing)(xing)能(neng)。
