提高材料(liao)的香蕉視頻app蘋果:耐腐蝕性是預(yu)防或(huo)減緩腐蝕發生的(de)(de)(de)根本措(cuo)施(shi)。通過改(gai)變(bian)材料化(hua)學成(cheng)分、結構組(zu)織等措(cuo)施(shi)提高材料的(de)(de)(de)耐腐蝕性(xing)成(cheng)本是巨大的(de)(de)(de)。由(you)于材料的(de)(de)(de)腐蝕是從表面開始,因此,人們從改(gai)變(bian)表面性(xing)能開始,提高材料耐腐蝕性(xing)。目(mu)前,材料表面改(gai)性(xing)的(de)(de)(de)主要方法有(you)熱處理、表面涂(tu)覆、電鍍、機(ji)械表面強(qiang)化(hua)等。機(ji)械表面強(qiang)化(hua)屬(shu)于物(wu)理強(qiang)化(hua)的(de)(de)(de)一種,具有(you)成(cheng)本低、綠色(se)無污染、實用性(xing)強(qiang)等特點。
1. 實驗設計
為進一步研究超聲滾壓(ya)對材料性能的影響,特別是耐腐蝕性能的影響,浙江至德鋼業有限公司以S30408不銹鋼為實驗材料,以人工模擬的工業冷卻水為介質,進行了實驗研究。
材料采用厚度為2mm的不銹鋼板,其化學成分見表7-1,采用超聲滾壓加工技術對材料的單面進行表面處理,材料加工前后外觀如圖7-2所示,經超聲表面滾壓后,用肉眼觀察,材料表面光潔度明顯增大,如同“鏡面”,但是也可以觀察到加工“刀痕”。對不同試樣,主要改變步距這個參數,工具頭的線速度和靜壓力均相等,分別是2m/min和0.1MPa,步距分別為0.05mm、0.10mm、0.15mm,0.20mm和0.25mm.隨著步距的減小,材料的光潔度增大,“刀痕”越來越不明顯。

2. 表(biao)面粗糙度
為(wei)(wei)(wei)了研究超聲表(biao)(biao)面(mian)滾(gun)(gun)壓對表(biao)(biao)面(mian)質量的(de)影響,首先采(cai)用(yong)光學顯微鏡觀察表(biao)(biao)面(mian)形貌(mao),其次采(cai)用(yong)TR-200觸針(zhen)式粗糙度檢測儀測Ra數值。放大200倍后,試樣表(biao)(biao)面(mian)形貌(mao)如圖(tu)(tu)(tu)(tu)7-3所示。其中,圖(tu)(tu)(tu)(tu)7-3(f)為(wei)(wei)(wei)原始試樣,表(biao)(biao)面(mian)條狀加工痕跡清晰(xi)可(ke)見;圖(tu)(tu)(tu)(tu)7-3(a)~(e)為(wei)(wei)(wei)不同步距下(xia)超聲滾(gun)(gun)壓后的(de)表(biao)(biao)面(mian)形貌(mao)。從圖(tu)(tu)(tu)(tu)中可(ke)以看出(chu),試樣表(biao)(biao)面(mian)滾(gun)(gun)壓而形成了光滑的(de)金(jin)屬層,但是新形成的(de)金(jin)屬表(biao)(biao)面(mian)還存在(zai)一(yi)定的(de)缺(que)陷,但隨著步距的(de)減小,缺(que)陷數量減少,尺寸減小。
在試樣表面隨機(ji)選取3個位置進行粗糙度測試,取平均值(zhi)作為最終結果,各試樣的Ra數值(zhi)如表7-2所(suo)示(shi)。


圖(tu)7-4為不同步(bu)距(ju)(ju)下超聲滾(gun)壓試樣(yang)表(biao)(biao)面(mian)(mian)粗(cu)糙(cao)(cao)度(du)(du)的(de)(de)變化。從(cong)圖(tu)中可以看出,加工步(bu)距(ju)(ju)對表(biao)(biao)面(mian)(mian)粗(cu)糙(cao)(cao)度(du)(du)有重要(yao)的(de)(de)影響,表(biao)(biao)面(mian)(mian)粗(cu)糙(cao)(cao)度(du)(du)隨著加工步(bu)距(ju)(ju)的(de)(de)減小而減小,表(biao)(biao)面(mian)(mian)粗(cu)糙(cao)(cao)度(du)(du)可降低(di)到0.037μm.未處(chu)理(li)表(biao)(biao)面(mian)(mian)粗(cu)糙(cao)(cao)度(du)(du)Ra為0.283μm,與未處(chu)理(li)表(biao)(biao)面(mian)(mian)相比較,處(chu)理(li)表(biao)(biao)面(mian)(mian)因被碾壓而形成光滑的(de)(de)金(jin)屬層(ceng),從(cong)而降低(di)了表(biao)(biao)面(mian)(mian)粗(cu)糙(cao)(cao)度(du)(du)。
3. 表面硬(ying)度
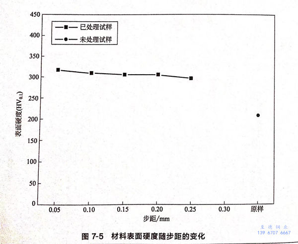
鍍層(ceng)的(de)(de)硬(ying)(ying)度(du)(du)(du)(du)(du)(du)采用帶有金剛(gang)石壓頭的(de)(de)HV-1000型顯(xian)(xian)微(wei)硬(ying)(ying)度(du)(du)(du)(du)(du)(du)計來測定(ding)。其方法(fa)是用金剛(gang)石壓頭在(zai)(zai)鍍層(ceng)表面(mian)(mian)(mian)壓一個四(si)角棱錐形凹痕(hen),在(zai)(zai)顯(xian)(xian)微(wei)鏡下放大400倍觀察。實驗(yan)時,加(jia)載載荷為0.1HV(0.9807N),持續時間10s.每個試樣測量3次,取平均值。圖7-5為硬(ying)(ying)度(du)(du)(du)(du)(du)(du)測量結(jie)果,未處理表面(mian)(mian)(mian)的(de)(de)硬(ying)(ying)度(du)(du)(du)(du)(du)(du)是210HV;超聲(sheng)波處理后,材料(liao)的(de)(de)表面(mian)(mian)(mian)硬(ying)(ying)度(du)(du)(du)(du)(du)(du)最大可(ke)達317HV.從(cong)圖中可(ke)以(yi)看出,顯(xian)(xian)微(wei)硬(ying)(ying)度(du)(du)(du)(du)(du)(du)隨步距的(de)(de)減小而增大,但(dan)影響(xiang)較小。硬(ying)(ying)度(du)(du)(du)(du)(du)(du)提(ti)高可(ke)歸(gui)因于晶粒(li)細化、加(jia)工硬(ying)(ying)化及晶體組織變化的(de)(de)共同作(zuo)用。

4. 耐腐蝕性
采用(yong)電(dian)(dian)化(hua)(hua)學(xue)技術分析材(cai)料處(chu)理表面的(de)(de)耐(nai)腐蝕性(xing)能,測(ce)量了動(dong)電(dian)(dian)位極(ji)(ji)(ji)(ji)化(hua)(hua)曲線(xian)(xian)。實驗(yan)采用(yong)三電(dian)(dian)極(ji)(ji)(ji)(ji)體(ti)系(xi):待(dai)測(ce)試樣(yang)為(wei)工作電(dian)(dian)極(ji)(ji)(ji)(ji),氧化(hua)(hua)汞電(dian)(dian)極(ji)(ji)(ji)(ji)為(wei)參比(bi)電(dian)(dian)極(ji)(ji)(ji)(ji),箔片(pian)電(dian)(dian)極(ji)(ji)(ji)(ji)為(wei)輔(fu)助電(dian)(dian)極(ji)(ji)(ji)(ji)。工作電(dian)(dian)極(ji)(ji)(ji)(ji)是尺寸(cun)為(wei)10mmx10mm的(de)(de)試樣(yang),將銅線(xian)(xian)與試樣(yang)焊接,采用(yong)混合的(de)(de)A、B環氧樹(shu)脂封裝試樣(yang),只保留超(chao)聲加工面為(wei)工作面。對(dui)于未處(chu)理試樣(yang),采用(yong)300、500、800的(de)(de)砂紙(zhi)打磨。封裝完后,所有(you)試樣(yang)先采用(yong)去離子水超(chao)聲清洗(xi),再(zai)采用(yong)酒精清洗(xi)風干,放干燥皿中備用(yong),試樣(yang)如圖(tu)7-6所示。腐蝕介質是CaCl+NaHCO3配制成0.4g/L的(de)(de)CaCO3溶液,Cl-的(de)(de)含量為(wei)248mg/kg,pH值7.5~8.5.電(dian)(dian)化(hua)(hua)學(xue)實驗(yan)在室溫下進行(xing),掃(sao)描速度為(wei)10mV/s.試樣(yang)的(de)(de)動(dong)電(dian)(dian)位極(ji)(ji)(ji)(ji)化(hua)(hua)曲線(xian)(xian)如圖(tu)7-7所示。

從(cong)圖7-7中(zhong)可以(yi)看出,經(jing)USRP處理(li)的(de)(de)樣(yang)(yang)式,其(qi)維(wei)鈍(dun)電流(liu)密(mi)度減小(xiao),腐(fu)蝕(shi)(shi)(shi)(shi)(shi)速度降低。未(wei)處理(li)試(shi)樣(yang)(yang)的(de)(de)腐(fu)蝕(shi)(shi)(shi)(shi)(shi)電位約為(wei)(wei)-179mV,加(jia)(jia)工(gong)步距(ju)為(wei)(wei)0.05mm和0.10mm的(de)(de)試(shi)樣(yang)(yang)腐(fu)蝕(shi)(shi)(shi)(shi)(shi)電位約為(wei)(wei)-160mV,加(jia)(jia)工(gong)步距(ju)為(wei)(wei)0.25mm的(de)(de)試(shi)樣(yang)(yang)腐(fu)蝕(shi)(shi)(shi)(shi)(shi)電位約為(wei)(wei)-210mV.從(cong)以(yi)上實驗(yan)數據可以(yi)看出,處理(li)試(shi)樣(yang)(yang)的(de)(de)腐(fu)蝕(shi)(shi)(shi)(shi)(shi)電位和維(wei)鈍(dun)電流(liu)密(mi)度的(de)(de)變化規律與加(jia)(jia)工(gong)步距(ju)之(zhi)間不成線性(xing)關系,因此(ci),并(bing)不是(shi)粗糙度越小(xiao),耐腐(fu)蝕(shi)(shi)(shi)(shi)(shi)性(xing)越好。但是(shi),加(jia)(jia)工(gong)步距(ju)為(wei)(wei)0.05mm的(de)(de)試(shi)樣(yang)(yang)(粗糙度值最(zui)小(xiao)),腐(fu)蝕(shi)(shi)(shi)(shi)(shi)電位最(zui)大(da)、維(wei)鈍(dun)電流(liu)密(mi)度最(zui)小(xiao),因此(ci),其(qi)耐點蝕(shi)(shi)(shi)(shi)(shi)性(xing)能(neng)最(zui)好、腐(fu)蝕(shi)(shi)(shi)(shi)(shi)速率最(zui)小(xiao),與未(wei)處理(li)試(shi)樣(yang)(yang)比(bi)較,工(gong)步距(ju)為(wei)(wei)0.25mm的(de)(de)試(shi)樣(yang)(yang),其(qi)點蝕(shi)(shi)(shi)(shi)(shi)電位反而降低,這可能(neng)是(shi)在(zai)超(chao)聲表面加(jia)(jia)工(gong)過程中(zhong),造成鈍(dun)化膜(mo)的(de)(de)不均(jun)性(xing)引起的(de)(de),如圖7-3(e)所(suo)示。
a. 表面(mian)粗糙度和硬(ying)度
經超聲(sheng)滾壓處理后,材料表面(mian)形成的(de)新光滑的(de)金屬層(ceng)使(shi)表面(mian)粗(cu)糙度(du)降低(di)(di)。表面(mian)粗(cu)糙度(du)隨(sui)著步距的(de)減小而減小,最(zui)小為(wei)0.037μm,與原樣比(bi)較,降低(di)(di)了87%.
b. 表面硬度提(ti)高
試樣經(jing)USRP處理(li)后,表面硬(ying)度(du)最大可(ke)提高51%,但加工步距(ju)對表面硬(ying)度(du)的影響較小。
c. 耐(nai)腐蝕性
超聲滾壓表面處理使不(bu)銹(xiu)鋼在循環水中(zhong)的(de)腐(fu)蝕電流密度降低。當加工步距(ju)為0.05mm時,S30408不(bu)銹(xiu)鋼的(de)耐腐(fu)蝕性最好,步距(ju)對耐腐(fu)蝕性能影響(xiang)較小。

