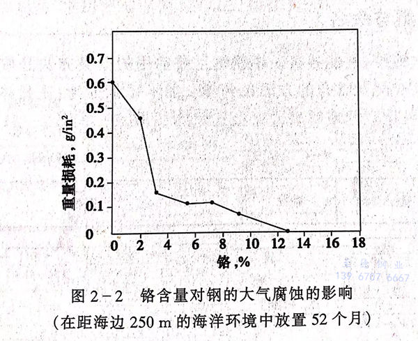
鉻是不銹鋼都含有的元素,鉻是鐵素體形成元素。鉻的主要作用是耐腐蝕,從圖2-2中可以看出在鋼中添加鉻對腐蝕性的影響。當鉻含量達到12%時,在大氣環境下或在氧化性介質中鉻可以自發形成一種穩定的、透明的、極薄的鈍化膜來阻止腐蝕,基本上不會生銹,較高的合金含量可通過強化薄膜和快速自我修復薄膜來提高抗腐蝕性。不銹鋼鉻含量上限為30%。

鎳是(shi)穩定奧(ao)氏體的(de)(de)(de)元素,鎳可(ke)(ke)(ke)將奧(ao)氏體降低(di)范圍擴(kuo)大到低(di)溫區。從圖2-3可(ke)(ke)(ke)以看出鎳的(de)(de)(de)作用,在圖中斜線(xian)以上所示溫度(du)下奧(ao)氏體是(shi)穩定的(de)(de)(de),在這條線(xian)以下,鐵素體和(he)(he)馬氏體都具有穩定的(de)(de)(de)晶體結構。鎳可(ke)(ke)(ke)提高韌性和(he)(he)延展(zhan)性,使(shi)之更易于加(jia)工、制造和(he)(he)焊接,增強抗酸(suan)的(de)(de)(de)腐(fu)蝕能(neng)力(li),保持鈍化膜的(de)(de)(de)能(neng)力(li)及在腐(fu)蝕介(jie)質中的(de)(de)(de)抗蝕能(neng)力(li)。

鉬(mu)可(ke)提(ti)(ti)(ti)高鈍化(hua)膜的強度,增強耐局部腐蝕性,如點(dian)蝕、縫(feng)隙(xi)腐蝕,特別(bie)是在鹵鹽或海(hai)水中有氯離子的情況下。鉬(mu)也可(ke)提(ti)(ti)(ti)高對(dui)氯化(hua)物應(ying)力(li)(li)腐蝕斷裂的抵抗能力(li)(li)。利(li)用固溶強化(hua)的方法(fa),鉬(mu)可(ke)提(ti)(ti)(ti)高奧氏體牌號的高溫強度和馬(ma)氏體牌號的抗回(hui)火能力(li)(li)。
錳類似于(yu)鎳,當(dang)添加(jia)錳或用錳替(ti)代鎳時,都會(hui)提高不銹鋼的強度。
氮是穩定奧氏體的元素,可提高強度,在奧氏體及雙相不(bu)銹鋼中可增強耐點蝕及縫隙腐蝕能力并減少金屬間相(σ)在高溫或焊接時析出的機會。
鈦、鈮(ni)能優先與碳(tan)(tan)(tan)和氮(dan)結合(he)形成碳(tan)(tan)(tan)化物和氮(dan)化物,改(gai)善高溫強度(du)性能并阻止鉻(ge)的(de)(de)碳(tan)(tan)(tan)化物的(de)(de)形成,防止晶間腐蝕。鈮(ni)可提高高溫蠕變斷裂強度(du)。
硅(gui)、鋁可改善(shan)抗氧(yang)化(hua)性(xing)能,硅(gui)還可以改善(shan)鑄造特性(xing)。
銅可提(ti)高對稀酸(suan)特(te)別是(shi)對硫酸(suan)的抗(kang)酸(suan)能力,加入3%~4%銅具的低(di)的加工硬(ying)化(hua)率,易于成形。析出(chu)銅離子化(hua)有滅(mie)菌作用。
硫(liu)、硒和鉛可改善機械(xie)切(qie)削性(xing)能(neng),但(dan)會降低(di)耐腐蝕能(neng)力。
鈰、鐿、鑭可提(ti)高抗氧化性。

