要提高不銹鋼的耐腐蝕性,首先要注意的是不銹鋼的化學成分和組織,這是引起電化學腐蝕的內在原因,而腐蝕介質、溫度等是外因;尤其是鋼的化學成分,決定著電極電位差的大小和腐蝕電流的大小。
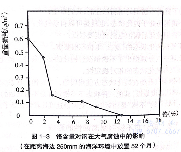
鉻(ge)是不銹(xiu)鋼(gang)都(dou)含(han)有(you)的元素(su),鉻(ge)是鐵素(su)體形(xing)成(cheng)元素(su)。鉻(ge)的主要作(zuo)用是耐腐(fu)(fu)蝕(shi)。從圖1-3中(zhong)(zhong)可(ke)(ke)以看(kan)出在鋼(gang)中(zhong)(zhong)添(tian)加鉻(ge)對腐(fu)(fu)蝕(shi)性的影響。當金(jin)屬(shu)中(zhong)(zhong)鉻(ge)含(han)量(liang)達到(dao)12%時,在大(da)氣環境下或在氧(yang)(yang)化(hua)(hua)性介(jie)質中(zhong)(zhong)鉻(ge)可(ke)(ke)以自發形(xing)成(cheng)一種穩(wen)定的、透明的、極薄的鈍(dun)化(hua)(hua)膜(mo)來阻(zu)止腐(fu)(fu)蝕(shi),使金(jin)屬(shu)基本上不會生銹(xiu)。較高(gao)的合金(jin)含(han)量(liang)可(ke)(ke)通過強化(hua)(hua)薄膜(mo)和快速(su)自我(wo)修復薄膜(mo)來提(ti)高(gao)抗(kang)腐(fu)(fu)蝕(shi)性。不銹(xiu)鋼(gang)的鉻(ge)含(han)量(liang)上限為30%.在氧(yang)(yang)化(hua)(hua)膜(mo)中(zhong)(zhong),鉻(ge)與(yu)鐵的比(bi)例(li)可(ke)(ke)以有(you)很大(da)的變動,鉻(ge)最高(gao)可(ke)(ke)達到(dao)鐵的9倍。這種富鉻(ge)的氧(yang)(yang)化(hua)(hua)膜(mo)具有(you)尖晶石點陣,在許(xu)多介(jie)質中(zhong)(zhong)都(dou)有(you)很高(gao)的穩(wen)定性。當鋼(gang)中(zhong)(zhong)鉻(ge)含(han)量(liang)低于10%時,鈍(dun)化(hua)(hua)膜(mo)中(zhong)(zhong)不存在鉻(ge)的氧(yang)(yang)化(hua)(hua)物。

不銹鋼所以耐腐蝕,主要是由于其表面有厚10埃以上的富集的鉻的氧化物薄膜。這層富集的鉻的氧化物薄膜,將其金屬與外部環境的聯系隔斷,達到防腐蝕的目的。這層氧化膜厚度一般在20~30埃之間,成分為Cr2O3,極其致密,與一般化學品不發生反應,氧和腐蝕物質無法通過這層氧化膜腐蝕內部基體。
鎳(nie)是(shi)奧氏體的(de)(de)(de)穩(wen)定(ding)(ding)元(yuan)素(su),鎳(nie)可(ke)將奧氏體使(shi)用范圍擴大到低溫區從圖(tu)1-4可(ke)以(yi)看(kan)出(chu)鎳(nie)的(de)(de)(de)作用。在(zai)(zai)圖(tu)1-4中(zhong),斜(xie)線以(yi)上所示(shi)溫度(du)下奧氏體是(shi)穩(wen)定(ding)(ding)的(de)(de)(de);在(zai)(zai)這條(tiao)線以(yi)下,鐵素(su)體和(he)馬(ma)氏體都具有穩(wen)定(ding)(ding)的(de)(de)(de)晶體結構。鎳(nie)可(ke)提高(gao)韌(ren)性(xing)和(he)延(yan)展性(xing),使(shi)之更易于(yu)加(jia)工、制(zhi)造(zao)和(he)焊接(jie),增(zeng)強抗(kang)酸(suan)的(de)(de)(de)腐(fu)蝕能(neng)力(li),保持鈍(dun)化膜的(de)(de)(de)能(neng)力(li)及在(zai)(zai)腐(fu)蝕介(jie)質中(zhong)的(de)(de)(de)抗(kang)蝕能(neng)力(li)。

在不(bu)銹鋼中(zhong)(zhong)加入鎳(nie)(nie)(nie)時(shi),耐(nai)腐蝕(shi)性有(you)所改善。鎳(nie)(nie)(nie)較難氧(yang)化(hua),故氧(yang)化(hua)膜中(zhong)(zhong)鎳(nie)(nie)(nie)含量較少;氧(yang)化(hua)膜下富集了鎳(nie)(nie)(nie),可增加氧(yang)化(hua)膜的穩定(ding)性,尤其(qi)是(shi)在非氧(yang)化(hua)性的硫酸中(zhong)(zhong)更為顯著。將鎳(nie)(nie)(nie)加入鉻不(bu)銹鋼中(zhong)(zhong)就(jiu)會(hui)提高(gao)其(qi)在硫酸、醋(cu)酸、草酸及中(zhong)(zhong)性鹽(特別是(shi)硫酸鹽)中(zhong)(zhong)的耐(nai)腐蝕(shi)性。
錳類似于鎳(nie),當添(tian)加(jia)錳或(huo)用錳替代鎳(nie)時,都(dou)會(hui)提高不銹鋼的強度(du)。在(zai)鉻不(bu)銹鋼中加入錳(在(zai)Cr≥17%的(de)情況下),對鋼的(de)耐蝕(shi)性沒有(you)多大的(de)影響。但錳可以大大提高(gao)鉻不(bu)銹鋼在(zai)有(you)機酸(如醋酸、甲酸、乙醇酸)中的(de)耐腐蝕(shi)性,促使鉻不(bu)銹鋼達到(dao)鈍化(hua)狀態,在(zai)這方面錳的(de)作用(yong)比鎳的(de)用(yong)更明顯。
鉬可(ke)提高(gao)鈍化(hua)膜的強度,增強耐(nai)局部腐(fu)(fu)蝕(shi)性,如(ru)耐(nai)點(dian)蝕(shi)、縫(feng)隙腐(fu)(fu)蝕(shi),特(te)別是在鹵鹽(yan)或海(hai)水中有氯(lv)(lv)離子(zi)的情(qing)況下。鉬(mu)也(ye)可(ke)提高(gao)對氯(lv)(lv)化(hua)物應力(li)腐(fu)(fu)蝕(shi)斷裂的抵抗能力(li)。利(li)用固(gu)溶強化(hua)的方(fang)法,鉬(mu)可(ke)提高(gao)奧氏體(ti)不銹(xiu)鋼(gang)的高(gao)溫強度和馬氏體(ti)不銹(xiu)鋼(gang)的抗回(hui)火能力(li)。
鉬能提高不(bu)銹鋼(gang)(gang)(gang)的鈍(dun)化能力,擴大不(bu)銹鋼(gang)(gang)(gang)的鈍(dun)化介(jie)質范圍。如在熱硫酸(suan)、稀鹽酸(suan)、磷(lin)酸(suan)及有(you)機酸(suan)中,含(han)鉬的不(bu)銹鋼(gang)(gang)(gang)都有(you)滿意的使用效果。不(bu)銹鋼(gang)(gang)(gang)中加入鉬,可以(yi)形(xing)成含(han)鉬的氧(yang)(yang)化膜(mo)。這(zhe)種含(han)鉬的氧(yang)(yang)化膜(mo)具有(you)更高的穩定性,在許(xu)多強腐(fu)蝕介(jie)質中都不(bu)易(yi)溶(rong)(rong)解。它還可以(yi)防止鹵(lu)族元(yuan)素離子(特別(bie)是氯(lv)離子)對氧(yang)(yang)化膜(mo)的破(po)壞。因為氯(lv)離子半徑很小(xiao),可以(yi)穿透(tou)不(bu)夠(gou)致密的氧(yang)(yang)化膜(mo),與鋼(gang)(gang)(gang)起作用,生成可溶(rong)(rong)的腐(fu)蝕產物,在局部區域形(xing)成點腐(fu)蝕。含(han)鉬的氧(yang)(yang)化膜(mo)對氯(lv)離子有(you)足夠(gou)的穩定性。
氮(dan)是穩定奧氏體的元素,可提高鋼的強度,在奧氏體及雙相不銹鋼中可增強耐點蝕及縫隙腐蝕的能力,并減少金屬間相(σ)在高溫或焊接時析出的機會。
金屬間相是指由鋼中的(de)兩種或兩種以(yi)上的(de)金屬元素(su)構成的(de)金屬間化(hua)合(he)物,也簡稱(cheng)為中間相。廣義地講,凡以(yi)元素(su)周(zhou)期表中過渡(du)族元素(su)(錳、鐵、鈷和鎳(nie)等)為基(ji)體,含有A副族元素(su)(鈦、釩和鉻等)的(de)合(he)金系在適合(he)生成的(de)條件下(xia)都能形(xing)成一系列(lie)金屬間相。
鈦(tai)、鈮能優先與碳和氮結合形成碳化物和氮化物,改善高溫強度性能并阻止鉻的碳化物的形成,防止晶間腐蝕。鈮還可提高高溫蠕變斷裂強度。
硅、鋁可改善抗氧化性能,硅還可以改善鑄造特性。
銅可提高對稀(xi)酸(suan)特別是對硫酸(suan)的抗酸(suan)能力;加入3%~4%的銅具(ju)有(you)低(di)的加工硬化率,易于(yu)成形,析出(chu)的銅離子還有(you)滅菌作(zuo)用。
硫、硅和鉛可改善機械切削性能,但會降低耐腐蝕能力。
鈰、鐿(yi)、鑭可提高抗氧化(hua)性(xing)。

