不銹鋼零件在進行表面拋光、鈍化處理、電鍍、著色等以前,應該進行預處理。不(bu)銹(xiu)鋼零件在成形過程中,零件表面可能有油污、毛刺、臟物和氧化物,因而在對不銹鋼零件進行表面處理前,首先應該進行預處理,把零件表面的油污、臟物、毛刺、不平表面和氧化物除去,才能在后續的加工中獲得滿意的效果。
一、不銹鋼零(ling)件預處理的步驟
1. 不銹(xiu)鋼(gang)零件預處理的(de)第一(yi)步是(shi)進(jin)行(xing)零件表面的(de)機械處理,消除不銹(xiu)鋼(gang)零件表面的(de)粗糙(cao)狀(zhuang)態(tai),一(yi)般采用(yong)機械磨光(guang)、拋光(guang),使不銹(xiu)鋼(gang)零件的(de)表面達到一(yi)定的(de)表面粗糙(cao)度(du)值。
2. 除去不銹鋼零件的表面油污。
3. 除去不(bu)銹鋼零件的表面氧化物。
4. 弱腐蝕。活化待處理表(biao)面,除去不銹鋼零件(jian)表(biao)面的(de)鈍化膜,露出金屬結晶組織。
二(er)、不(bu)銹(xiu)鋼零件(jian)表(biao)面預處理的方法
1. 機械法
用(yong)磨光機(ji)、拋(pao)光機(ji)或其他機(ji)械(xie)方法消除不(bu)銹(xiu)鋼零件表面(mian)(mian)粗(cu)糙(cao)狀(zhuang)態,減少表面(mian)(mian)粗(cu)糙(cao)度值,并(bing)去掉(diao)表面(mian)(mian)的(de)毛刺(ci)、氧化皮、銹(xiu)蝕、孔眼、劃傷(shang)、焊瘤(liu)、焊渣等,使零件表面(mian)(mian)獲得光亮平整的(de)外觀(guan),為后續的(de)化學(xue)拋(pao)光和電化學(xue)拋(pao)光做好準備(bei)。
2. 除油
具體如下:
a. 有機溶劑除油
有(you)機(ji)溶(rong)劑(ji)(ji)除(chu)(chu)(chu)油(you)(you)就是利(li)用(yong)機(ji)溶(rong)溶(rong)劑(ji)(ji)能(neng)溶(rong)解(jie)油(you)(you)脂的(de)(de)性質,把(ba)油(you)(you)污除(chu)(chu)(chu)去(qu)。只有(you)表面(mian)沾污了用(yong)一(yi)般化學(xue)除(chu)(chu)(chu)油(you)(you)難以除(chu)(chu)(chu)去(qu)的(de)(de),如黃(huang)油(you)(you)、凡士林、拋光膏結污等(deng)才采用(yong)有(you)機(ji)溶(rong)劑(ji)(ji)除(chu)(chu)(chu)油(you)(you)。常用(yong)的(de)(de)有(you)機(ji)除(chu)(chu)(chu)油(you)(you)劑(ji)(ji)有(you)汽油(you)(you)、苯(ben)、三氯乙烯、四氯化碳、四氯乙烯、二甲(jia)苯(ben)、溶(rong)劑(ji)(ji)油(you)(you)、氟里昂(ang)113 和丙酮等(deng)。其缺點是:溶(rong)劑(ji)(ji)揮發(fa)后(hou)在零件表面(mian)上會(hui)留(liu)下(xia)一(yi)層(ceng)極薄的(de)(de)油(you)(you)膜(mo)。所以有(you)機(ji)溶(rong)劑(ji)(ji)除(chu)(chu)(chu)油(you)(you)只能(neng)作為預除(chu)(chu)(chu)油(you)(you),隨(sui)后(hou)還要進(jin)行化學(xue)除(chu)(chu)(chu)油(you)(you)。
b. 化(hua)學除油
化(hua)學(xue)除(chu)油(you)就(jiu)是利(li)用堿(jian)性化(hua)學(xue)物質溶(rong)液除(chu)去不(bu)銹鋼表(biao)面的油(you)污,以達到清(qing)潔表(biao)面的目(mu)的。化(hua)學(xue)除(chu)油(you)溶(rong)液中的堿(jian)性化(hua)學(xue)品有氫氧化(hua)鈉(na)(na)、碳酸鈉(na)(na)、磷酸三鈉(na)(na)、硅酸鈉(na)(na)及焦磷酸鈉(na)(na)(Na.PO, ·2H2O)等(deng)。表(biao)面活性劑是強乳劑,能(neng)加速除(chu)油(you)過程(cheng)。常用的有下列幾(ji)種(zhong):十(shi)二(er)烷(wan)基(ji)硫(liu)酸鈉(na)(na)、OP-10 乳化(hua)劑、TX-10(聚氧乙烯辛烷(wan)基(ji)酚醚)、6501 (十(shi)二(er)烷(wan)基(ji)二(er)元(yuan)醇酰胺)等(deng)。其配方和工作條件見表(biao)10-20。
表10-2 不銹鋼化學除油溶液的配(pei)方和工作(zuo)條(tiao)件
化學除油(you)后(hou),表(biao)面(mian)宜用60℃熱(re)水清洗(xi),將皂(zao)化生成的肥皂(zao),以及附(fu)著在表(biao)面(mian)的多余乳化劑和硅酸鈉(na)洗(xi)去(qu),以免粘(zhan)附(fu)于表(biao)面(mian)而不利于后(hou)續處理。并根據除油(you)情況,更新重配除油(you)溶液(ye)。
c. 電(dian)化學除油
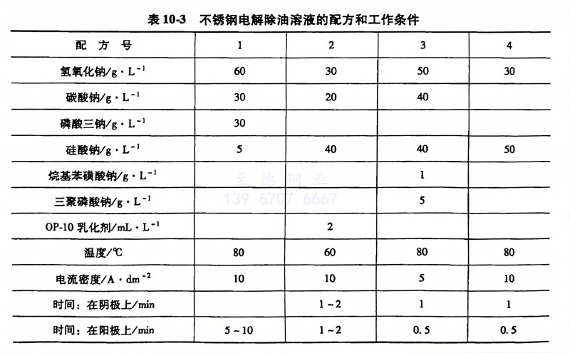
電(dian)化學除(chu)油(you)又稱電(dian)解(jie)除(chu)油(you),是在(zai)(zai)直(zhi)流電(dian)的作用下,在(zai)(zai)堿性(xing)溶(rong)液中將不(bu)銹鋼表(biao)面作為陰極(ji)或陽(yang)極(ji)進(jin)行(xing)電(dian)解(jie),從(cong)而除(chu)去油(you)污(wu)。不(bu)銹鋼電(dian)解(jie)除(chu)油(you)溶(rong)液的配方及工(gong)作條件(jian)見表(biao)10-3。
電解(jie)除(chu)油配方也可參照(zhao)表10-2所(suo)示的化學除(chu)油配方。

電化學(xue)除(chu)(chu)(chu)油(you)時,除(chu)(chu)(chu)了有(you)機化學(xue)除(chu)(chu)(chu)油(you)的(de)皂(zao)化作用(yong)外(wai),還在電流(liu)的(de)作用(yong)下(xia),使水分(fen)子分(fen)解,在工件表(biao)面(mian)析出氣泡。隨著氣泡的(de)增大,將油(you)膜撕裂(lie)脫(tuo)離表(biao)面(mian)呈小油(you)滴狀進入(ru)溶液中,產生(sheng)的(de)氣體對溶液起(qi)攪拌(ban)作用(yong),加速了除(chu)(chu)(chu)油(you)的(de)速度。電學(xue)除(chu)(chu)(chu)油(you)所需電流(liu)一般為5~10A/dm2。
不銹鋼零件(jian)表(biao)面處于陰極時,由于水的電解(jie)析出(chu)氫(qing)氣(qi),化學反應式如下(xia):
析出的(de)氫氣泡體(ti)積小、數量(liang)多,擦刷(shua)作用大。
不銹(xiu)鋼零件(jian)表面(mian)處于陽極時(shi),析出(chu)的(de)是(shi)氧氣,其化學反(fan)應式如(ru)下:

析出的氧氣(qi)只有(you)氫(qing)氣(qi)體積的一半,除(chu)油效率不如陰(yin)極除(chu)油大。
除油(you)(you)時(shi)(shi)間(jian)分陰(yin)(yin)極時(shi)(shi)間(jian)和陽極時(shi)(shi)間(jian)。陰(yin)(yin)極時(shi)(shi)間(jian)長易(yi)(yi)除去油(you)(you),但易(yi)(yi)滲氫,造成氫脆,而且易(yi)(yi)有(you)金(jin)屬(shu)雜質析出在(zai)(zai)工(gong)件表面,呈黑色沉淀,故一般易(yi)(yi)在(zai)(zai)1~2min內。陽極時(shi)(shi)間(jian)長,雖有(you)除去表面在(zai)(zai)陰(yin)(yin)極時(shi)(shi)析出沉渣的作用,但同時(shi)(shi)有(you)氧化作用,時(shi)(shi)間(jian)過(guo)長,特別是(shi)在(zai)(zai)氯離(li)子存在(zai)(zai)的情況下易(yi)(yi)使表面發生點腐(fu)蝕,故一般陽極時(shi)(shi)間(jian)以(yi)0.5min 為宜。溶(rong)液(ye)中(zhong)沒有(you)氯離(li)子存在(zai)(zai)時(shi)(shi),也可在(zai)(zai)專用陽極除油(you)(you)液(ye)中(zhong)進行5~10min。
為了使不銹鋼(gang)零件(jian)表面取得最佳除油(you)效果,可采用(yong)陰極(ji)和陽(yang)(yang)極(ji)的聯合除油(you),即采用(yong)表 10-3 中的陰、陽(yang)(yang)極(ji)除油(you)時(shi)間。從而可以減(jian)輕不銹鋼(gang)零件(jian)表面滲氫(qing)和氧化的作用(yong)。

3. 滾(gun)動光飾(shi)(滾(gun)光)
滾(gun)(gun)光(guang)(guang)有滾(gun)(gun)筒滾(gun)(gun)光(guang)(guang)、離心滾(gun)(gun)光(guang)(guang)、離心盤擦光(guang)(guang)和旋轉光(guang)(guang)飾等,適用(yong)于(yu)小型不銹鋼零(ling)件,兼有整平和除氧化(hua)皮的(de)作用(yong)。
a. 滾(gun)筒滾(gun)光
滾(gun)(gun)筒(tong)(tong)滾(gun)(gun)光是將不(bu)銹鋼零(ling)件(jian)放(fang)入盛有堿性除(chu)油液的(de)滾(gun)(gun)筒(tong)(tong)中,利用滾(gun)(gun)筒(tong)(tong)的(de)旋轉(zhuan),使零(ling)件(jian)相互摩擦,達(da)到(dao)表面除(chu)油的(de)作用。
如(ru)果要除(chu)去氧(yang)化(hua)皮,可在滾筒內加入酸類和(he)非離子型表面活(huo)性劑(ji),如(ru)OP-10,利用轉動作用,既除(chu)油,又除(chu)氧(yang)化(hua)皮。
如果要(yao)提高不銹(xiu)鋼(gang)零件(jian)的表面光(guang)(guang)潔(jie)度,可在滾(gun)筒內的堿性溶液中加(jia)入磨料,利用轉(zhuan)動中零件(jian)表面與磨料的接觸摩擦,達到整平表面,使不銹(xiu)鋼(gang)零件(jian)表面達到光(guang)(guang)潔(jie)的目的。
滾光(guang)可以全部(bu)(bu)和(he)部(bu)(bu)分替代磨光(guang)和(he)拋光(guang)工作,它(ta)適用(yong)于(yu)(yu)大(da)批量的(de)小零件(jian)使用(yong)。但不適用(yong)于(yu)(yu)有外(wai)螺(luo)紋的(de)和(he)要求精密的(de)高光(guang)潔度的(de)零件(jian)拋光(guang)。
滾筒截面有圓形(xing)、六角形(xing)和八(ba)角形(xing)等形(xing)式。
b. 離心(xin)滾光
離心滾光(guang)是(shi)在(zai)一個轉(zhuan)(zhuan)(zhuan)塔(ta)內的(de)四周安(an)放一些(xie)裝有零件(jian)和磨(mo)料(liao)的(de)轉(zhuan)(zhuan)(zhuan)筒,轉(zhuan)(zhuan)(zhuan)塔(ta)高速旋轉(zhuan)(zhuan)(zhuan),帶(dai)動(dong)轉(zhuan)(zhuan)(zhuan)筒以低(di)轉(zhuan)(zhuan)(zhuan)動(dong)的(de)速度反(fan)方向旋轉(zhuan)(zhuan)(zhuan)。轉(zhuan)(zhuan)(zhuan)塔(ta)旋轉(zhuan)(zhuan)(zhuan)產生的(de)離心力使轉(zhuan)(zhuan)(zhuan)筒中的(de)裝載(zai)物壓在(zai)一起(qi),轉(zhuan)(zhuan)(zhuan)筒的(de)旋轉(zhuan)(zhuan)(zhuan)使磨(mo)料(liao)對零件(jian)產生滑動(dong)磨(mo)削,從而起(qi)到去除毛刺或光(guang)飾(shi)表(biao)面(mian)的(de)作用。
離心滾光的效(xiao)率高(gao),只需一般(ban)滾光時間的1/50。并能(neng)保(bao)持不同批(pi)次加(jia)工的不銹鋼(gang)零件的表面質量(liang)(liang)一致,使不銹鋼(gang)零件具有(you)高(gao)的尺寸(cun)精度和(he)光飾質量(liang)(liang)。生產效(xiao)率高(gao),成本低。其缺點是(shi):只能(neng)處(chu)理小(xiao)零件,設(she)備(bei)成本較高(gao)。
c. 離(li)心盤擦(ca)光
離心盤擦光機的(de)(de)(de)主要結(jie)構(gou)是圓(yuan)柱(zhu)形(xing)容器、碗(wan)形(xing)盤和(he)(he)驅(qu)動系統(tong)(tong)。在固定不(bu)動的(de)(de)(de)圓(yuan)柱(zhu)筒(tong)(tong)下部,裝有一個(ge)由(you)驅(qu)動系統(tong)(tong)帶動的(de)(de)(de)能(neng)高速旋轉的(de)(de)(de)碗(wan)形(xing)盤,盤的(de)(de)(de)線速度可達10m/s。零(ling)件(jian)和(he)(he)磨料(liao)放入筒(tong)(tong)內,工作(zuo)時由(you)于盤的(de)(de)(de)高速旋轉,使裝載物(wu)沿筒(tong)(tong)壁(bi)向上運動,其后(hou)因零(ling)件(jian)的(de)(de)(de)自重而從筒(tong)(tong)的(de)(de)(de)中(zhong)心滑落到離心盤中(zhong),這樣反反復(fu)復(fu)進行,使裝載物(wu)呈圓(yuan)筒(tong)(tong)形(xing)運動,從而對不(bu)銹鋼零(ling)件(jian)產生磨削光飾的(de)(de)(de)作(zuo)用(yong)。
d. 旋轉(zhuan)光飾
旋(xuan)轉(zhuan)光飾(shi)是把不銹鋼零件固定在一個轉(zhuan)軸上,并浸入盛有磨料泥漿(jiang)的旋(xuan)轉(zhuan)筒內。零件表面(mian)受到(dao)快速動泥漿(jiang)的磨削(xue)作(zuo)用(yong)而達到(dao)光飾(shi)加(jia)工的目(mu)的。
旋轉光飾適合于精密而怕碰撞的零件(如(ru)齒輪(lun)、鏈輪(lun)、軸承(cheng)等(deng)),可(ke)以去毛刺、倒圓角,獲得精細的表面。但加工效率低,成(cheng)本(ben)較(jiao)高(gao)。
4. 噴砂(sha)
適用(yong)于大面(mian)積處理,兼有去(qu)污(wu)和除去(qu)氧化皮的作用(yong)。噴砂(sha)是(shi)用(yong)壓縮空氣(qi)將石(shi)英砂(sha)噴在不銹鋼零件表面(mian),對(dui)表面(mian)進行清理或修飾加(jia)工。噴砂(sha)分為干噴砂(sha)和濕噴砂(sha)。
噴砂主(zhu)要(yao)是除(chu)去(qu)鑄件(jian)、鍛件(jian)或熱處理后的(de)不(bu)銹鋼零件(jian)表(biao)(biao)(biao)面存(cun)在(zai)的(de)型砂、氧化皮(pi);除(chu)去(qu)不(bu)銹鋼零件(jian)表(biao)(biao)(biao)面的(de)銹蝕物(wu)、積炭、焊渣以及零件(jian)邊緣(yuan)上的(de)毛刺、磨痕,提高(gao)不(bu)銹鋼零件(jian)表(biao)(biao)(biao)面的(de)粗糙(cao)度。

