藥芯焊絲電弧焊是依靠藥芯焊絲在高溫時,反應形成的熔渣和氣體聯合自行保護焊接區進行焊接的方法,也有外加保護氣體的。它與普通熔化極氣體電弧焊一樣,是以熔化的藥芯焊絲作為一個電極,母材金屬作為另一個電極,在兩極間燃燒電弧進行焊接。焊接奧氏體型不銹鋼時,通常外加CO2氣體來保護藥芯焊絲、熔池和母材金屬。與普通熔化極氣體保護焊的主要區別在于不用實心焊絲而用內部裝有焊劑混合物的藥芯焊絲。焊接時,在電弧熱的作用下,熔化狀態的焊劑材料、焊絲金屬、母材金屬和保護氣體相互之間發生冶金作用,同時形成一層較薄的液態熔渣包覆熔滴并覆蓋熔池,對熔池金屬形成又一層保護。實質上這種焊接方法是一種氣渣聯合保護的方法,如圖4-46所示。

藥芯焊(han)(han)絲氣體保護焊(han)(han)綜合(he)了(le)焊(han)(han)條電弧焊(han)(han)和熔(rong)化(hua)極氣體保護焊(han)(han)的優點。其技術經濟性分析(xi)如下:
①. 熔敷速度(指(zhi)單位電弧時間熔敷到焊縫中的金屬量)快
藥(yao)(yao)(yao)芯(xin)(xin)焊絲(si)與(yu)藥(yao)(yao)(yao)皮焊條相比,可使用的(de)(de)(de)電(dian)(dian)流大(da),電(dian)(dian)流密度(du)(du)更(geng)大(da),而且(qie)其填充系數(同一段焊絲(si)中藥(yao)(yao)(yao)粉重(zhong)量(liang)(liang)與(yu)金屬重(zhong)量(liang)(liang)的(de)(de)(de)百分(fen)(fen)比,即(ji)質(zhi)量(liang)(liang)分(fen)(fen)數%)小于焊條藥(yao)(yao)(yao)皮涂料(liao)系數(有藥(yao)(yao)(yao)皮的(de)(de)(de)同一段焊條上焊條藥(yao)(yao)(yao)皮重(zhong)量(liang)(liang)與(yu)焊芯(xin)(xin)重(zhong)量(liang)(liang)的(de)(de)(de)百分(fen)(fen)比,即(ji)質(zhi)量(liang)(liang)分(fen)(fen)數%),因此(ci)藥(yao)(yao)(yao)芯(xin)(xin)焊絲(si)的(de)(de)(de)熔敷(fu)速(su)度(du)(du)明(ming)顯(xian)大(da)于藥(yao)(yao)(yao)皮焊條。
②. 操(cao)作(zuo)系(xi)數(指包括燃弧(hu)時(shi)間的(de)實際焊(han)接時(shi)間與總工時(shi)的(de)時(shi)間之比(bi))比(bi)較
藥芯(xin)焊絲(si)與藥皮焊條(tiao)相比(bi),由于省去了更換焊條(tiao)的時(shi)間,因此操(cao)作系數(shu)(shu)明顯提高(gao);與實(shi)心焊絲(si)相比(bi),由于需要(yao)清渣工作,所以(yi)操(cao)作系數(shu)(shu)略(lve)低(di)于實(shi)心焊絲(si)。
③. 材(cai)料(liao)效率(指材(cai)料(liao)在(zai)焊件上實際(ji)熔敷金屬量與所用材(cai)料(liao)質量比(bi))比(bi)較(jiao)
藥芯焊(han)絲(si)的材料效率(lv)為78%~85%,實心(xin)焊(han)絲(si)高達90%,埋弧焊(han)的材料效率(lv)為40%~55%,藥皮焊(han)條為65%~70%。
④. 減少填(tian)充金屬(shu)比(bi)較
由于(yu)藥(yao)芯(xin)焊(han)(han)絲(si)熔深較大,而且焊(han)(han)絲(si)易(yi)于(yu)深入坡口(kou)底部,所以允許采用(yong)較大的坡口(kou)鈍(dun)邊和較小的坡口(kou)角度,減少了填充到焊(han)(han)縫金屬的數量。
藥芯(xin)焊絲(si)與實心焊絲(si)相比,其優越之(zhi)處主要表現在芯(xin)部焊藥的(de)(de)作用,由(you)于(yu)藥芯(xin)焊絲(si)的(de)(de)芯(xin)部加有(you)穩弧劑(ji)、造渣劑(ji)和合(he)金(jin)(jin)劑(ji),從(cong)而使電弧燃燒(shao)穩定,熔滴過渡平穩,克(ke)服了實心焊絲(si)在施焊過程中的(de)(de)飛濺大、表面成形差等疵病;并能提高(gao)(gao)全(quan)位置焊接的(de)(de)適應性。另(ling)外(wai),由(you)于(yu)藥芯(xin)焊絲(si)可通過金(jin)(jin)屬(shu)(shu)管坯和藥芯(xin)兩種途徑過渡合(he)金(jin)(jin)元素,有(you)助于(yu)合(he)金(jin)(jin)元素的(de)(de)調整,同時使焊縫金(jin)(jin)屬(shu)(shu)力(li)學(xue)性能特別是沖擊(ji)性能得(de)到(dao)提高(gao)(gao),并且也(ye)使焊縫金(jin)(jin)屬(shu)(shu)耐(nai)腐(fu)蝕性得(de)到(dao)提高(gao)(gao)。
綜上所述,藥(yao)芯焊絲氣體保護(hu)(hu)電弧(hu)焊與熔化(hua)極氣體保護(hu)(hu)焊和焊條電弧(hu)焊相(xiang)比,具有獨(du)有的(de)高效(xiao)率(lv)、良好的(de)適應性和經濟性。
藥芯焊絲氣體保護焊焊接奧氏體型不銹鋼時,可采用機械化焊接,但通常使用廣泛的是手工操作焊接方法。焊接設備選用普通的CO2焊接設備即可,焊接電源采用直流平特性。保護氣體選用CO2氣體;也可采用CO2+Ar混合氣體,若氬氣比例過高時,反而會使焊縫中形成氣孔
藥(yao)芯焊(han)絲(si)(si)(si)斷面(mian)結構(gou)參見本書的(de)圖2-1。O形斷面(mian)藥(yao)芯焊(han)絲(si)(si)(si)由于焊(han)絲(si)(si)(si)內部(bu)的(de)焊(han)劑不導電(dian),電(dian)弧易沿鋼皮旋轉,當直(zhi)徑較大(da)時,電(dian)弧穩定性較差,飛濺增大(da),焊(han)縫成(cheng)分(fen)可能出(chu)現不夠均勻(yun)的(de)現象(xiang)。直(zhi)徑為$2.4mm的(de)藥(yao)芯焊(han)絲(si)(si)(si)在生產上得到(dao)應(ying)用。折疊式(shi)焊(han)絲(si)(si)(si)因管坯在整個(ge)斷面(mian)上分(fen)布比較均勻(yun),藥(yao)芯焊(han)絲(si)(si)(si)內部(bu)亦能導電(dian),所以電(dian)弧燃燒(shao)穩定,焊(han)絲(si)(si)(si)熔化(hua)均勻(yun),冶金反應(ying)充分(fen),容易獲得優質(zhi)的(de)焊(han)縫。直(zhi)徑大(da)于2.4mm時應(ying)用它(ta),更(geng)能顯出(chu)這些優勢。
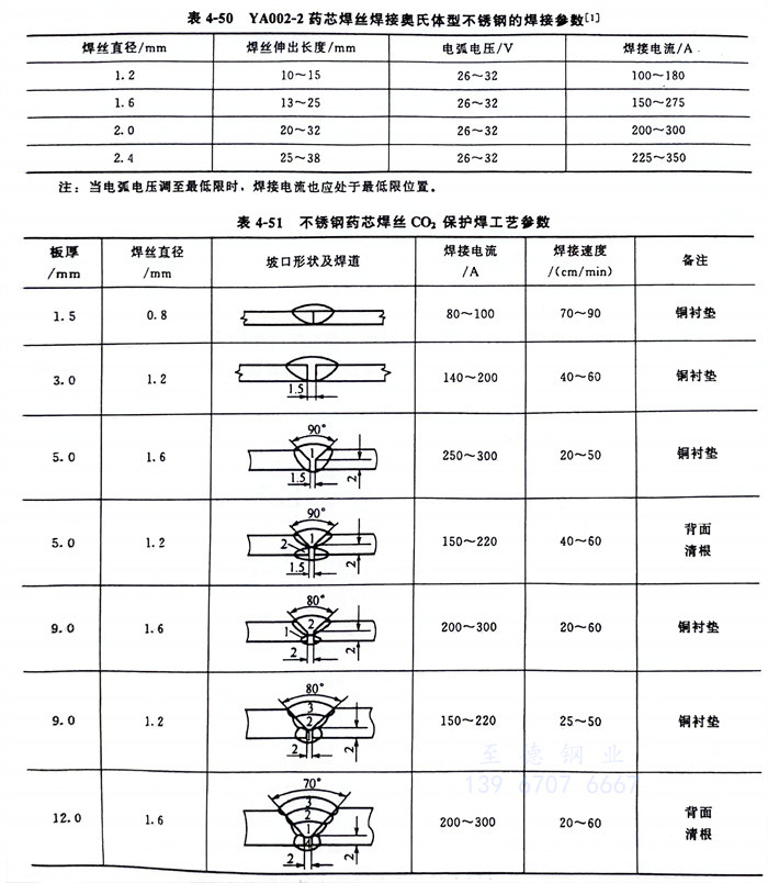
藥芯焊絲氣體保護焊的焊接參數主要有焊接電流、電弧電壓、焊接速度、焊絲伸出長度和保護氣體流量等。當其他條件不變時,焊接電流與送絲速度成正比;焊接電流變化時,電弧電壓要相應的變化;采用純CO2氣體保護時,通常采用長弧法焊接,焊接電流調節范圍廣,可達200~700A,電弧電壓為25~35V。焊絲伸出長度太長會使電弧不穩定,飛濺過大;焊絲伸出長度過短,會造成過多的飛濺物堵塞噴嘴,使氣體保護不好,焊縫中易產生氣孔。通常焊絲伸出長度為19~38mm。平焊位置時焊槍前進方向與焊件之間的傾角為2°~15°;焊接角焊縫時為40°~50°。如果角度太大,會降低氣體保護效果。YA002-2藥芯焊絲焊接奧氏體型不銹鋼的焊接參數見表4-50,不銹鋼藥芯焊絲CO2保護焊工藝參數見表4-51。



