采(cai)用混合氣(qi)體作為保護氣(qi)體,具(ju)有下列(lie)優點:
①. 可(ke)以提(ti)高(gao)熔(rong)滴過渡的穩(wen)定性。
②. 穩定(ding)陰極斑點,提高電弧燃燒的穩定(ding)性。
③. 增大電弧的(de)熱功率,改(gai)善焊縫熔深(shen)形狀(zhuang)和表(biao)面形狀(zhuang),使焊縫能呈圓滑過渡,焊縫的(de)余高適中。
混(hun)合(he)(he)活性氣體(ti)(ti)是(shi)在氬氣的(de)(de)基礎上加體(ti)(ti)積分數為(wei)0.5%~1%的(de)(de)氧或(huo)加體(ti)(ti)積分數為(wei)1%~5%的(de)(de)二(er)氧化(hua)(hua)碳作為(wei)保護(hu)氣體(ti)(ti)。這時,焊(han)(han)(han)(han)(han)接過程比(bi)(bi)較穩定(ding),焊(han)(han)(han)(han)(han)絲端(duan)部(bu)呈細熔(rong)(rong)滴過渡,焊(han)(han)(han)(han)(han)縫成形(xing)有所改善。在生產上應用(yong)(yong)比(bi)(bi)較廣泛(fan)的(de)(de)是(shi)在混(hun)合(he)(he)氣體(ti)(ti)保護(hu)下的(de)(de)脈(mo)沖(chong)焊(han)(han)(han)(han)(han)接工藝。奧(ao)氏體(ti)(ti)型不銹(xiu)鋼的(de)(de)熔(rong)(rong)化(hua)(hua)極氣體(ti)(ti)保護(hu)一(yi)般采用(yong)(yong)細焊(han)(han)(han)(han)(han)絲,焊(han)(han)(han)(han)(han)絲熔(rong)(rong)化(hua)(hua)速度很快,電弧熱量(liang)集中。為(wei)了保證焊(han)(han)(han)(han)(han)縫外(wai)表和內在質量(liang),用(yong)(yong)手工操作焊(han)(han)(han)(han)(han)不太可能達到這一(yi)目(mu)的(de)(de),廣泛(fan)應用(yong)(yong)的(de)(de)還是(shi)機械操作脈(mo)沖(chong)熔(rong)(rong)化(hua)(hua)極氣體(ti)(ti)保護(hu)焊(han)(han)(han)(han)(han)。
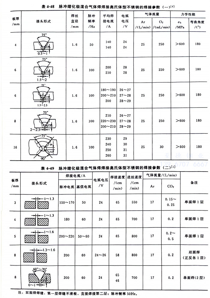
焊接電源一般采用平特性,為直流正接連接。采用脈沖焊時,脈沖電源為平特性,維弧電源用平特性或降特性,仍為直流正極性。用脈沖熔化極混合氣體焊焊接奧氏體型不銹鋼的焊接參數見表4-48、表4-49。

鎢極和熔化極氬弧焊(han)焊(han)接(jie)奧氏體型不(bu)銹(xiu)鋼時,填充焊(han)絲按表(biao)2-18、表(biao)2-19選擇。

