不銹鋼焊條施焊過程中焊條熔化至整根長度的2/3時,焊條尾部會發紅(甚至藥皮于裂)、飛濺增大、焊縫凸起、焊縫成形惡化、脫渣困難。產生上述現象的主要原因是由于奧氏體不銹鋼焊芯的電阻率大、導熱性差;不銹(xiu)鋼焊(han)接多數采用短弧焊接,所以熔滴過渡形以大熔滴短路過渡較多,而短路過渡期間焊接電流很大,焊芯電阻產生的熱量占電弧熱份很大,奧氏體導熱很慢,隨著焊接時間的增加奧氏體不(bu)銹鋼焊芯的電阻熱不斷上升,致使恨至整根焊條長約2/3時,焊條尾部便會發紅。又由于不銹鋼焊芯線脹系數較大(比H08A焊芯的線脹系數大50%),當焊條尾部發紅時,焊芯尺寸有較大的伸長和擴展,使藥皮承受極大的擴脹力(藥皮膨脹系數與焊芯膨脹系數不一致,且藥皮強度低于焊芯的強度)而導致藥皮開裂,使焊條工藝性急劇下降。
為了減少或避免不(bu)銹鋼焊條的尾部發紅和藥皮開裂現象,可采取以下措施。
①. 改變焊(han)(han)芯材質,采用鉻不(bu)銹鋼或低(di)碳鋼焊(han)(han)芯。例如以H08A為(wei)焊(han)(han)芯,在藥(yao)皮(pi)中(zhong)加人了(le)鐵粉(fen)和高鉻、鎳(nie)的原材料(liao),通過藥(yao)皮(pi)過渡合(he)金元(yuan)素(su)方式(shi)而(er)獲(huo)得(de)高熔敷效(xiao)率的不(bu)銹鋼焊(han)(han)條(例如A102T不(bu)銹鋼焊(han)(han)條)。該焊(han)(han)條施焊(han)(han)時電弧穩定,熔渣(zha)流動良好,脫(tuo)渣(zha)容易且(qie)藥(yao)皮(pi)不(bu)發紅,無藥(yao)皮(pi)開裂現象。
②. 采用不銹鋼焊(han)芯(xin),通過(guo)改(gai)變藥(yao)(yao)皮(pi)成分(fen)來提高電(dian)弧電(dian)壓(ya),熔(rong)滴過(guo)渡(du)形(xing)式(shi)采用細滴渣壁(bi)過(guo)渡(du),由于細小的(de)熔(rong)滴只(zhi)占焊(han)芯(xin)截面(mian)的(de)較小部分(fen),因而使(shi)焊(han)芯(xin)的(de)熔(rong)化加快,從(cong)(cong)而減(jian)少電(dian)阻熱,以降低焊(han)芯(xin)表面(mian)溫度(du),使(shi)藥(yao)(yao)皮(pi)的(de)熔(rong)化速度(du)減(jian)慢,促使(shi)其形(xing)成深(shen)套筒。深(shen)套筒的(de)形(xing)成提高了電(dian)弧的(de)名義電(dian)壓(ya),在保持電(dian)弧功率一定(ding)的(de)條(tiao)(tiao)件下,即可減(jian)小焊(han)接(jie)電(dian)流,從(cong)(cong)而避免了焊(han)條(tiao)(tiao)尾部發紅,并改(gai)善了焊(han)接(jie)的(de)綜合工藝性能。
可防(fang)止(zhi)焊條發紅、藥(yao)皮開裂的焊條包括 A042Si、A042Mn、A052、A101、A201A、102A和A102T等牌號,詳見表2-6。





















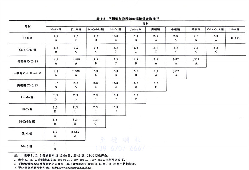
不(bu)(bu)(bu)(bu)銹(xiu)鋼(gang)(gang)(gang)(gang)(gang)焊(han)(han)(han)(han)條(tiao)(tiao)(tiao)(tiao)的(de)(de)(de)選(xuan)(xuan)擇見表(biao)(biao)(biao)(biao)(biao)(biao)2-5(含力學性能和熱處理要求)、表(biao)(biao)(biao)(biao)(biao)(biao)2-6(含焊(han)(han)(han)(han)條(tiao)(tiao)(tiao)(tiao)牌(pai)號(hao)與型號(hao)的(de)(de)(de)對應關系(xi))、表(biao)(biao)(biao)(biao)(biao)(biao)2-8(不(bu)(bu)(bu)(bu)銹(xiu)鋼(gang)(gang)(gang)(gang)(gang)與異種鋼(gang)(gang)(gang)(gang)(gang)的(de)(de)(de)焊(han)(han)(han)(han)接(jie)焊(han)(han)(han)(han)條(tiao)(tiao)(tiao)(tiao)的(de)(de)(de)選(xuan)(xuan)擇原(yuan)則)、表(biao)(biao)(biao)(biao)(biao)(biao)2-9(適用(yong)于奧氏(shi)體(ti)不(bu)(bu)(bu)(bu)銹(xiu)鋼(gang)(gang)(gang)(gang)(gang)之(zhi)間的(de)(de)(de)焊(han)(han)(han)(han)接(jie))、表(biao)(biao)(biao)(biao)(biao)(biao)2-10(適用(yong)于不(bu)(bu)(bu)(bu)同牌(pai)號(hao)的(de)(de)(de)奧氏(shi)體(ti)不(bu)(bu)(bu)(bu)銹(xiu)鋼(gang)(gang)(gang)(gang)(gang)之(zhi)間的(de)(de)(de)焊(han)(han)(han)(han)接(jie))、表(biao)(biao)(biao)(biao)(biao)(biao)2-11(不(bu)(bu)(bu)(bu)銹(xiu)鋼(gang)(gang)(gang)(gang)(gang)壓力容器焊(han)(han)(han)(han)條(tiao)(tiao)(tiao)(tiao)電弧焊(han)(han)(han)(han)用(yong)焊(han)(han)(han)(han)條(tiao)(tiao)(tiao)(tiao)選(xuan)(xuan)擇)、表(biao)(biao)(biao)(biao)(biao)(biao)2-13(適用(yong)于焊(han)(han)(han)(han)接(jie)不(bu)(bu)(bu)(bu)銹(xiu)鋼(gang)(gang)(gang)(gang)(gang)復(fu)合板時焊(han)(han)(han)(han)條(tiao)(tiao)(tiao)(tiao)的(de)(de)(de)選(xuan)(xuan)用(yong))、表(biao)(biao)(biao)(biao)(biao)(biao)2-14(鐵(tie)素體(ti)不(bu)(bu)(bu)(bu)銹(xiu)鋼(gang)(gang)(gang)(gang)(gang)、馬(ma)氏(shi)體(ti)不(bu)(bu)(bu)(bu)銹(xiu)鋼(gang)(gang)(gang)(gang)(gang)焊(han)(han)(han)(han)接(jie)用(yong)焊(han)(han)(han)(han)條(tiao)(tiao)(tiao)(tiao)),不(bu)(bu)(bu)(bu)銹(xiu)鋼(gang)(gang)(gang)(gang)(gang)與異種鋼(gang)(gang)(gang)(gang)(gang)之(zhi)間的(de)(de)(de)焊(han)(han)(han)(han)接(jie)鋼(gang)(gang)(gang)(gang)(gang)材分(fen)類分(fen)組(zu)見表(biao)(biao)(biao)(biao)(biao)(biao)2-12。國(guo)外鐵(tie)素體(ti)不(bu)(bu)(bu)(bu)銹(xiu)鋼(gang)(gang)(gang)(gang)(gang)焊(han)(han)(han)(han)條(tiao)(tiao)(tiao)(tiao)的(de)(de)(de)選(xuan)(xuan)用(yong)見表(biao)(biao)(biao)(biao)(biao)(biao)2-15,國(guo)外馬(ma)氏(shi)體(ti)不(bu)(bu)(bu)(bu)銹(xiu)鋼(gang)(gang)(gang)(gang)(gang)焊(han)(han)(han)(han)條(tiao)(tiao)(tiao)(tiao)的(de)(de)(de)選(xuan)(xuan)用(yong)見表(biao)(biao)(biao)(biao)(biao)(biao)2-16。






