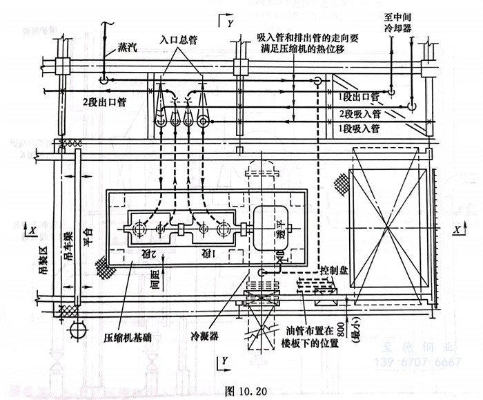
工程應(ying)用:某離(li)心式壓(ya)縮機管(guan)道的配管(guan)設計(ji)
某離心式壓縮機管道的配管設計見圖10.20。壓縮機布置在廠房內,其入口總管設置在廠房外側,可以節約占地面積,又便于安裝和維修。壓縮機入口不直接接彎(wan)頭,其最短直管段應大于2DN,通常可取(3~5)DN。

工程應用:某往復式(shi)壓縮機管道的配管設計
某往復式壓(ya)縮(suo)機管(guan)道(dao)的配管(guan)設計見(jian)圖10.21。

工(gong)程應用:某往復式壓縮(suo)機(ji)入口(kou)管道(dao)的配管設(she)計
某壓縮(suo)機入口管(guan)道的配管(guan)設(she)計見圖10.22。易產生(sheng)凝液的管(guan)線應進(jin)行伴熱。為減小(xiao)氣體壓力脈動(dong),應在壓縮(suo)機入口管(guan)線上設(she)置(zhi)(zhi)緩沖罐或孔板。水溝(gou)、水池或一些小(xiao)的窩(wo)氣坑不可設(she)置(zhi)(zhi)于壓縮(suo)機房內。

工程應用:往復式壓縮機出入(ru)口閥組的(de)配管設(she)計
往復式壓(ya)縮機出(chu)入口閥組(zu)的配管設計宜與(yu)壓(ya)縮機軸垂直布(bu)置,也可平(ping)行布(bu)置,見圖(tu)10.23。考慮從操作(zuo)通道平(ping)臺上操作(zuo)閥門,為(wei)防(fang)止振動,支架在地面生(sheng)根,不宜太高。為(wei)防(fang)止誤操作(zuo),將進出(chu)口閥組(zu)分(fen)別布(bu)置在操作(zuo)平(ping)臺兩側。


