管道配管隔(ge)熱層材料的選用主要(yao)遵(zun)循以下幾(ji)點要(yao)求(qiu):
一(yi)、導(dao)熱系數的要求
(1)保溫(wen)材料在平均溫(wen)度為70℃時(shi),其導熱系(xi)數不得大于0.080W.080W/(m·K)。
(2)用(yong)于(yu)保冷的(de)泡沫塑(su)料及其制(zhi)品(pin)在平均(jun)溫度(du)為25℃時的(de)導(dao)熱系數不應(ying)大于(yu)0.044W/(m·K)。與GB 50264、SH/T3010、GB/T 4272等規(gui)范(fan)是一致的(de)。
(3)泡沫橡塑制(zhi)品在(zai)平均溫度為0℃時(shi)的導熱系數不應大于(yu)0.036W/(m·K)。
(4)I類泡(pao)沫(mo)玻(bo)璃制品在平(ping)均溫(wen)度為25℃時(shi)的(de)(de)導熱系數不(bu)應(ying)大于0.045W/(m·K),類泡(pao)沫(mo)玻(bo)璃制品在平(ping)均溫(wen)度為25℃時(shi)的(de)(de)導熱系數不(bu)應(ying)大于0.064.064W/(m·K)。
二、隔(ge)熱材料密(mi)度(du)、硬度(du)和(he)pH值的要求(qiu)
硬(ying)質(zhi)保(bao)(bao)溫材料的密度不(bu)應大(da)(da)于300kg/m3,保(bao)(bao)冷(leng)材料制品(pin)的密度不(bu)應大(da)(da)于200kg/m3,半硬(ying)質(zhi)、軟質(zhi)保(bao)(bao)溫材料制品(pin)密度不(bu)應大(da)(da)于200kg/m3。
硬(ying)(ying)質保溫材(cai)(cai)料(liao)的抗壓強度不應小于(yu)0.4MPa,硬(ying)(ying)質保冷材(cai)(cai)料(liao)的抗壓強度不應小于(yu)0.15MPa。隔熱材(cai)(cai)料(liao)制品的pH值不應小于(yu)7。
三、隔熱材料應(ying)符(fu)合的標準(zhun)
用于(yu)與奧氏體(ti)不銹鋼表(biao)面接觸的(de)隔(ge)熱(re)材(cai)料應符(fu)合GB/T 50185《工業設備及(ji)管道(dao)絕熱(re)工程施工驗收規(gui)范(fan)》有關氯離(li)子含(han)量的(de)規(gui)定(ding)。硬質隔(ge)熱(re)材(cai)料不宜用于(yu)有振動的(de)管道(dao)。
四(si)、隔(ge)熱材料其(qi)他性能要求
(1)隔熱材料(liao)制品應具(ju)有安全使用溫度和(he)燃(ran)燒性(xing)(xing)能(不(bu)燃(ran)性(xing)(xing)、難燃(ran)性(xing)(xing)、可燃(ran)性(xing)(xing))資料(liao)。
(2)隔熱(re)材(cai)料制品應具備防潮性(xing)(xing)能(吸(xi)水(shui)性(xing)(xing)、吸(xi)濕性(xing)(xing)、防水(shui)性(xing)(xing))資(zi)料。保溫材(cai)料含水(shui)不得大于7.5%(質(zhi)量),保冷材(cai)料的含水(shui)率不得大于1%(質(zhi)量)。
(3)隔熱材料制(zhi)品應(ying)具(ju)有抗大氣腐蝕性(xing)、化學穩定性(xing)、熱穩定性(xing)、渣球含量、纖維直徑(jing)等測試報告。
(4)設備和管道的保(bao)溫(wen)(wen)結構應(ying)(ying)由非(fei)燃燒材(cai)(cai)(cai)料組(zu)成;保(bao)冷(leng)(leng)結構可(ke)由阻燃材(cai)(cai)(cai)料組(zu)成,阻燃性(xing)保(bao)冷(leng)(leng)材(cai)(cai)(cai)料制(zhi)(zhi)品(pin)的氧(yang)指數不應(ying)(ying)小于30。設備和管道的隔熱(re)(re)層(ceng)除(chu)必須采(cai)用(yong)填充式結構外(wai),宜選用(yong)隔熱(re)(re)材(cai)(cai)(cai)料制(zhi)(zhi)品(pin);保(bao)溫(wen)(wen)材(cai)(cai)(cai)料制(zhi)(zhi)品(pin)的最高(gao)安全使用(yong)溫(wen)(wen)度應(ying)(ying)高(gao)于設備和管道的設計溫(wen)(wen)度;保(bao)冷(leng)(leng)材(cai)(cai)(cai)料制(zhi)(zhi)品(pin)的允許使用(yong)溫(wen)(wen)度應(ying)(ying)低(di)于設備和管道的設計溫(wen)(wen)度。
絕(jue)熱層材料(liao)按照被絕(jue)熱的(de)工藝設備和管道(dao)外表面溫度不(bu)同,其燃(ran)燒(shao)性能(neng)應符合(he)(he)現行(xing)國家(jia)標準GB 8624《建筑材料(liao)燃(ran)燒(shao)性能(neng)分(fen)級方(fang)法》規定的(de)燃(ran)燒(shao)等(deng)級,并應符合(he)(he)下(xia)列規定:
①. 被絕(jue)熱的設(she)備與管道外表面溫(wen)度T。大(da)于100℃時,絕(jue)熱層材料應符合不燃類A級材料性(xing)能要(yao)求。
②. 被絕熱的設備與管道(dao)外(wai)表面溫(wen)度(du)T。小于(yu)(yu)或等于(yu)(yu)100℃時,絕熱層材料不(bu)得低于(yu)(yu)難燃類(lei)B1級材料的性(xing)能(neng)要(yao)求。
③. 被(bei)絕熱的設備與管道外表面溫(wen)度T。≤50℃時,有保護(hu)層(ceng)的泡沫塑料類絕熱層(ceng)材料不(bu)得低于一般可燃性B2級材料的性能(neng)要求(qiu)。
(5)隔(ge)熱材料的防水率(lv)應大于或等(deng)于95%;軟(ruan)質隔(ge)熱材料制品的回彈(dan)率(lv)應大于或等(deng)于90%。
(6)對硬質材(cai)料必(bi)須(xu)提供線膨脹或收(shou)縮(suo)率數據。
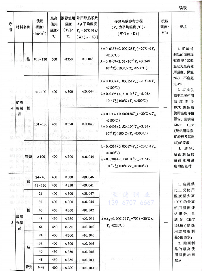
(7)隔熱材料應是隔熱性能(neng)(neng)好,并有明確的(de)(de)導熱系(xi)數(shu)方程(cheng)式或隨(sui)溫度變化的(de)(de)導熱系(xi)數(shu)圖表(biao)。進行絕熱計算時可(ke)采用GB 50264《工業設備及管(guan)道絕熱工程(cheng)設計規范》中附錄A常用絕熱材料性能(neng)(neng)規定的(de)(de)數(shu)據。
五、綜(zong)合選用
(1)有多種可供選擇的隔熱(re)材料時,應首(shou)先(xian)選用導熱(re)系數小、密度(du)小、強度(du)相對(dui)高、無腐蝕性、損耗小、價格低、運輸距離(li)短、施工條件好的制(zhi)品。
(2)如(ru)不能同時滿足,應優先選用密度小、綜(zong)合(he)經濟效(xiao)益(yi)高的材(cai)料(liao)或(huo)制品(pin)。
(3)設備和管道(dao)表(biao)面溫度(du)高于(yu)或等于(yu)450℃時(shi),宜選用復合(he)隔熱(re)材料制品(pin)。
(4)保冷應選(xuan)用(yong)閉孔(kong)型的材料制(zhi)品(pin),不宜選(xuan)用(yong)纖維質材料制(zhi)品(pin)。
(5)選(xuan)用纖維材料制品時,除(chu)管殼(ke)外,氈席類制品應由玻璃布或鐵(tie)絲網(wang)縫制。
(6)不宜選用石(shi)棉材料及其制品(pin)。
(7)隔熱(re)材(cai)料及其制品(pin)在長期運行時,材(cai)料無變形、熔化(hua)、焦(jiao)化(hua)、疏脆、松散、失強(qiang)等現象。
六(liu)、常用保溫材料(liao)的(de)選用
常(chang)用保溫材料的選用見表(biao)7.1.2。





