①. 再沸器的(de)位(wei)置(zhi)和安(an)裝(zhuang)高度應滿足工藝要求。
②. 明(ming)火加熱的(de)再沸器與塔(ta)和其他設備的(de)防(fang)火間距應符合防(fang)火規范要求。
③. 用蒸汽或熱(re)(re)載體加(jia)熱(re)(re)的(de)(de)臥式(shi)再(zai)沸器應靠近塔布(bu)置(zhi),二者之間的(de)(de)距離應滿足管道布(bu)置(zhi)的(de)(de)要求,再(zai)沸器的(de)(de)一端應有管束抽出的(de)(de)空(kong)間。
④. 立式再(zai)(zai)沸器可(ke)利用塔(ta)體(ti)支撐,并(bing)布置在塔(ta)側,與塔(ta)的高(gao)差應滿足(zu)工(gong)藝(yi)的要求,其上方(fang)(fang)和(he)下(xia)方(fang)(fang)應有檢修的空間。也可(ke)布置在框(kuang)架(jia)上。見圖7.31(a)、(b)。再(zai)(zai)沸器的布置需考慮抽芯空間,如圖7.31(c)、(d)所示(shi)。

⑤. 一座塔需要(yao)多臺并聯的立式再沸(fei)器時,再沸(fei)器的位置(zhi)和安裝(zhuang)高(gao)度,除(chu)保證工藝要(yao)求外,尚(shang)應滿足管(guan)道布置(zhi)的要(yao)求,并便于操作和檢(jian)修。
⑥. 釜式再(zai)沸(fei)器的配(pei)管(guan)設計(ji)圖(tu)完成后,要(yao)由工(gong)藝(yi)設計(ji)人校對(dui)配(pei)管(guan)的壓(ya)力損失及(ji)再(zai)次確認塔與再(zai)沸(fei)器的相(xiang)對(dui)高度(du)。
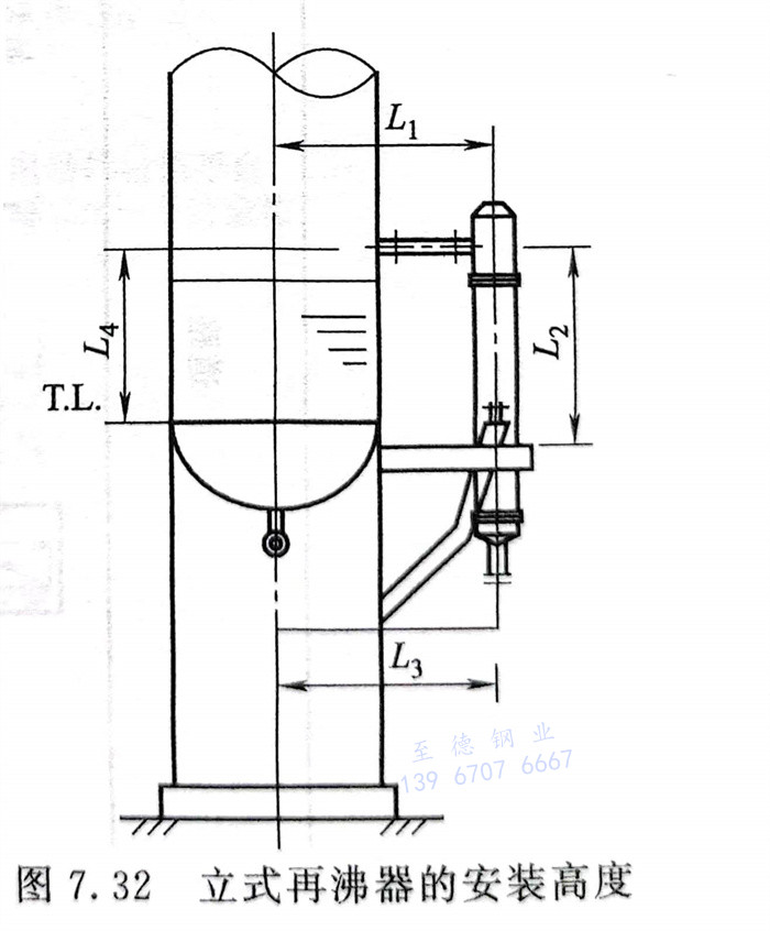
⑦. 立(li)式再(zai)沸器的安裝(zhuang)高度(圖7.32)
a.立式再沸器的(de)安裝(zhuang)高(gao)度需滿足工(gong)藝專業條(tiao)件。
b.為了盡量(liang)減(jian)(jian)少(shao)壓(ya)降和有效利用空(kong)間,再沸(fei)器的(de)(de)汽相(xiang)出口管口與(yu)塔的(de)(de)入口管口基(ji)本上直接相(xiang)連來。由于(yu)(yu)再沸(fei)器的(de)(de)支撐方(fang)法會產(chan)生較(jiao)大的(de)(de)熱(re)應(ying)力(li),可以采(cai)取以下減(jian)(jian)少(shao)熱(re)應(ying)力(li)的(de)(de)措施:采(cai)用在(zai)L2與(yu)L4之(zhi)間盡量(liang)不產(chan)生膨脹(zhang)差(cha)的(de)(de)支撐立(li)式再沸(fei)器的(de)(de)方(fang)法;由于(yu)(yu)L3的(de)(de)伸(shen)長而(er)影(ying)響(xiang)再沸(fei)器出口管口及塔的(de)(de)入口管口,可將再沸(fei)器的(de)(de)安(an)裝螺栓(shuan)孔做成(cheng)長圓孔來減(jian)(jian)少(shao)影(ying)響(xiang);由于(yu)(yu)L1、L3間的(de)(de)膨脹(zhang)差(cha),在(zai)底部(bu)采(cai)用彎曲管道減(jian)(jian)少(shao)熱(re)應(ying)力(li)。


