一、泵的布置方式和(he)要求
①. 露天布置(zhi)。
泵(beng)(beng)布(bu)置在管廊(lang)(lang)下或(huo)管廊(lang)(lang)與(yu)塔、容器(qi)之間,平(ping)行于(yu)管廊(lang)(lang)排成一(yi)列。在管廊(lang)(lang)下布(bu)置泵(beng)(beng)時,一(yi)般是泵(beng)(beng)-原動機的(de)長(chang)(chang)軸與(yu)管廊(lang)(lang)成直角(jiao),當泵(beng)(beng)-電機長(chang)(chang)軸過長(chang)(chang)妨礙通道時,可(ke)(ke)轉90°,即與(yu)管廊(lang)(lang)平(ping)行。泵(beng)(beng)也可(ke)(ke)分散布(bu)置在被(bei)抽(chou)吸設備(bei)的(de)附近(jin)。其優(you)點是通風良好,操作和檢(jian)修方便。
a. 在國(guo)內露天布置(zhi)的泵,一(yi)(yi)般都布置(zhi)在管(guan)廊下(xia),無論管(guan)廊上(shang)方是否布置(zhi)空冷器。在6m一(yi)(yi)跨(kua)之內可布置(zhi)大型(xing)(xing)泵1臺(tai)、中(zhong)(zhong)型(xing)(xing)泵2臺(tai)、小型(xing)(xing)泵3臺(tai),一(yi)(yi)般泵單排布置(zhi),泵端第一(yi)(yi)個(ge)管(guan)口(kou)或出口(kou)中(zhong)(zhong)心線對齊,距管(guan)廊柱中(zhong)(zhong)心線的間距在0.6~2.0m之間。
b. 在(zai)(zai)(zai)國外露天布(bu)(bu)置(zhi)的(de)(de)(de)泵(beng)(beng)(beng),在(zai)(zai)(zai)管(guan)廊(lang)(lang)(lang)(lang)(lang)上(shang)(shang)方無空(kong)冷器(qi)(qi)時,泵(beng)(beng)(beng)布(bu)(bu)置(zhi)在(zai)(zai)(zai)管(guan)廊(lang)(lang)(lang)(lang)(lang)內側(ce),泵(beng)(beng)(beng)出(chu)(chu)(chu)口(kou)中(zhong)心線對齊,距(ju)管(guan)廊(lang)(lang)(lang)(lang)(lang)柱(zhu)中(zhong)心線0.6m。在(zai)(zai)(zai)管(guan)廊(lang)(lang)(lang)(lang)(lang)上(shang)(shang)方有(you)空(kong)冷器(qi)(qi)時,如泵(beng)(beng)(beng)的(de)(de)(de)操作(zuo)(zuo)溫度(du)為(wei)340℃以下(xia),則泵(beng)(beng)(beng)布(bu)(bu)置(zhi)在(zai)(zai)(zai)管(guan)廊(lang)(lang)(lang)(lang)(lang)外側(ce),泵(beng)(beng)(beng)出(chu)(chu)(chu)口(kou)中(zhong)心線對齊,伸出(chu)(chu)(chu)管(guan)廊(lang)(lang)(lang)(lang)(lang)距(ju)柱(zhu)中(zhong)心線0.6m,泵(beng)(beng)(beng)的(de)(de)(de)驅動(dong)機在(zai)(zai)(zai)管(guan)廊(lang)(lang)(lang)(lang)(lang)內側(ce);如泵(beng)(beng)(beng)的(de)(de)(de)操作(zuo)(zuo)溫度(du)等于或高于340℃時,則泵(beng)(beng)(beng)布(bu)(bu)置(zhi)在(zai)(zai)(zai)管(guan)廊(lang)(lang)(lang)(lang)(lang)外側(ce),泵(beng)(beng)(beng)出(chu)(chu)(chu)口(kou)中(zhong)心線對齊,距(ju)管(guan)廊(lang)(lang)(lang)(lang)(lang)柱(zhu)中(zhong)心線3m,泵(beng)(beng)(beng)的(de)(de)(de)驅動(dong)機也在(zai)(zai)(zai)管(guan)廊(lang)(lang)(lang)(lang)(lang)外側(ce)。
②. 半露天布置。
半露天布(bu)置(zhi)的泵適(shi)用于多(duo)雨地區,一(yi)般(ban)在管(guan)廊下方布(bu)置(zhi)泵,在上方管(guan)道上部(bu)設頂棚,或(huo)將泵布(bu)置(zhi)在框(kuang)架的下層地面(mian)上,以框(kuang)架平臺作為頂棚。這(zhe)些泵可根據與泵有關(guan)的設備布(bu)置(zhi)要求,將泵布(bu)置(zhi)成單排、雙排或(huo)多(duo)排。
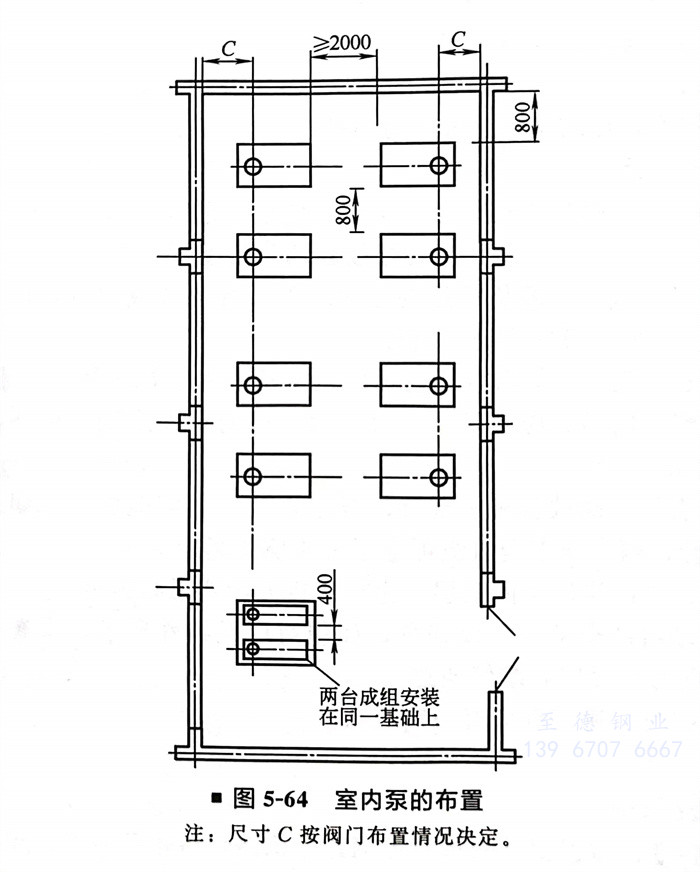
③. 室內布置。
在(zai)寒冷或多風沙地區,泵布置(zhi)在(zai)室內。如果工藝過程要求設備布置(zhi)在(zai)室內時(shi),其所需的泵也(ye)應在(zai)室內布置(zhi)。
a. 泵(beng)(beng)布(bu)置在(zai)室內時,熱(re)油(you)泵(beng)(beng)(操作(zuo)溫度(du)等于或高于自燃(ran)點的(de)(de)可(ke)燃(ran)液體泵(beng)(beng))與冷油(you)泵(beng)(beng)(操作(zuo)溫度(du)低于自燃(ran)點的(de)(de)甲B、乙A類(lei)可(ke)燃(ran)液體泵(beng)(beng))或液態烴泵(beng)(beng)應分別布(bu)置在(zai)各(ge)自的(de)(de)房(fang)間(jian)(jian)(jian)內。各(ge)泵(beng)(beng)房(fang)中間(jian)(jian)(jian)應采用防火(huo)墻隔開。門窗的(de)(de)距(ju)離不應小于4.5m。如(ru)果(guo)泵(beng)(beng)的(de)(de)數量較少,熱(re)油(you)泵(beng)(beng)可(ke)以(yi)與冷油(you)泵(beng)(beng)同(tong)房(fang)布(bu)置,但冷、熱(re)油(you)泵(beng)(beng)之間(jian)(jian)(jian)應有不小于4.5m的(de)(de)間(jian)(jian)(jian)距(ju)。
b. 甲、乙A類液體泵(beng)房的(de)地面不應有地坑或地溝,為防止油(you)氣積聚(ju),宜在側墻下部采(cai)取通風措施。
④. 單排布置的泵。
大小(xiao)不(bu)一的泵成排布置(zhi)時,一般有三種排列(lie)方式(shi)。
a. 泵(beng)(beng)端(duan)第一個管(guan)口(kou)或(huo)(huo)出口(kou)中心(xin)(xin)線取齊。離心(xin)(xin)泵(beng)(beng)并列布(bu)置時,泵(beng)(beng)端(duan)第一個管(guan)口(kou)或(huo)(huo)出口(kou)中心(xin)(xin)線對齊,這(zhe)樣布(bu)置管(guan)道比較整齊,泵(beng)(beng)前也有了方便(bian)統一的操作面。
b. 泵端(duan)基礎(chu)(chu)面取齊,便(bian)于設置排(pai)污管或排(pai)污溝以及基礎(chu)(chu)施(shi)工方便(bian)。
c. 動力端(duan)基礎面(mian)取齊(qi)。如泵用電(dian)(dian)(dian)機帶動時,引向電(dian)(dian)(dian)機的(de)(de)電(dian)(dian)(dian)纜接線(xian)容(rong)易且經(jing)濟;泵的(de)(de)開關和電(dian)(dian)(dian)流盤在一條線(xian)上取齊(qi),不僅排(pai)列整(zheng)齊(qi),且電(dian)(dian)(dian)機端(duan)容(rong)易操作。但是泵的(de)(de)大(da)小差別很(hen)大(da)時可能造成吸(xi)入(ru)管過長。
⑤. 雙排布置的泵。
泵成雙排布置時,宜將(jiang)兩(liang)排泵的動(dong)力端(duan)相對,在(zai)中間留出檢修通(tong)道。
⑥. 多排布置的(de)泵(beng)。
泵(beng)成(cheng)多排(pai)布置時(shi),宜兩(liang)排(pai)泵(beng)的(de)動力(li)端相對,兩(liang)排(pai)中的(de)一排(pai)與(yu)另兩(liang)排(pai)中的(de)一排(pai)出口端相對,中間留出檢修(xiu)和操作通(tong)道。
⑦. 蒸汽(qi)往復泵的動力側和泵側應留有抽出活(huo)塞和拉桿的位置。
⑧. 立式(shi)泵布(bu)置(zhi)在(zai)管廊下方或(huo)框架下方時,其上方應留出泵體(ti)安裝(zhuang)和檢修所需(xu)的空間。
二、泵的間距
①. 按SH/T3011規(gui)定,兩臺泵之間的(de)凈距(ju),不宜小于(yu)0.7m(HG 20546規(gui)定,最小凈距(ju)為0.8m,需根據項目實(shi)際情況(kuang)選擇),但安裝在聯(lian)合(he)基(ji)礎上的(de)泵除外。
②. 泵布置在管廊下(xia)方或外側時,泵的(de)檢(jian)修(xiu)空(kong)間(jian)凈空(kong)不(bu)宜小于3m。泵端前面(mian)的(de)操作通道(dao)(dao)寬度(du)不(bu)應小于1m。對于多級(ji)泵泵端前面(mian)的(de)檢(jian)修(xiu)通道(dao)(dao)寬度(du)不(bu)應小于1.8m,一般泵端前面(mian)的(de)檢(jian)修(xiu)通道(dao)(dao)寬度(du)不(bu)應小于1.25m,以便小型叉車通過(guo)。
③. 泵布置(zhi)在室(shi)內(nei)時,一般不(bu)考(kao)慮機動檢修車輛的通(tong)行要求。泵端(duan)或泵側與墻之間的凈距不(bu)宜(yi)小(xiao)于1.0m,兩排泵凈距不(bu)應小(xiao)于2m。
④. 泵(beng)(beng)進(jin)、出(chu)口閥門手輪到(dao)鄰近泵(beng)(beng)的最突出(chu)部分(fen)或柱子的凈(jing)距最少為0.75m,電(dian)機之間的距離為1.5~2m。
泵的間距如(ru)圖5-60所示。

三、泵的(de)基礎
①. 泵(beng)的(de)(de)基礎(chu)(chu)尺寸(cun)一(yi)般由泵(beng)制(zhi)造廠(chang)給出泵(beng)的(de)(de)底座尺寸(cun)的(de)(de)大(da)小(xiao)確定。可(ke)按地腳螺栓(shuan)中(zhong)心線到基礎(chu)(chu)邊200~250mm估計。設計泵(beng)的(de)(de)基礎(chu)(chu)時應按預留孔方(fang)案考慮(lv),現場施工需待泵(beng)到貨后(hou)核實(shi)尺寸(cun)后(hou)方(fang)可(ke)施工。
②. 泵的基礎面(mian)(mian)宜比地(di)(di)面(mian)(mian)高出200mm,大型(xing)泵可(ke)高出100mm,小型(xing)泵如比例泵、柱塞泵、小齒(chi)輪泵等可(ke)高出地(di)(di)面(mian)(mian)300~500mm,使泵軸(zhou)中(zhong)心(xin)線(xian)高出地(di)(di)面(mian)(mian)600mm,并可(ke)2~3臺(tai)成組安裝在同一(yi)個基礎上(shang)。
四、泵(beng)布(bu)置的工(gong)程實例
工程實例(li)一
管廊上安裝(zhuang)空冷器時(shi)泵(beng)的布置(圖5-61)



注:1. 管(guan)(guan)廊(lang)上安裝(zhuang)空冷(leng)器,泵(beng)的操作溫(wen)度在340℃以下時(shi),泵(beng)出(chu)口中(zhong)心線(xian)在管(guan)(guan)廊(lang)柱(zhu)中(zhong)心線(xian)外側600mm;在340℃及以上時(shi),則(ze)在外側3000mm。
2. 泵(beng)前(qian)(qian)方(fang)的操作(zuo)檢修通道(dao),可能有(you)小型叉車通行(xing),其(qi)寬度不小于1250mm,在(zai)多級泵(beng)前(qian)(qian)方(fang)的寬度不小于1800mm。
3. 兩排泵(beng)之間的檢(jian)修通道,寬(kuan)度不(bu)小于(yu)3000mm,如不(bu)夠(gou)時,泵(beng)端應有3000mm通道。

