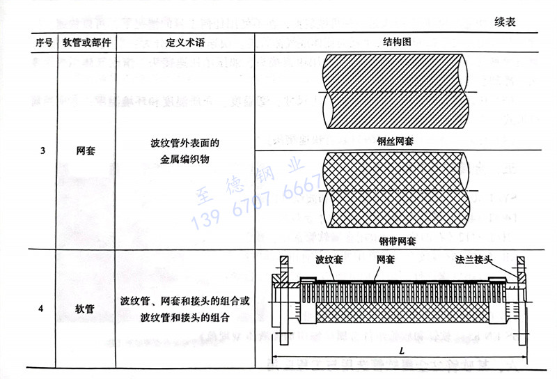
金屬(shu)軟管(guan)是(shi)由(you)管(guan)體(ti)、網套和(he)連(lian)(lian)(lian)接(jie)(jie)(jie)(jie)(jie)(jie)件組成(cheng)。其管(guan)體(ti)和(he)網套均為不銹鋼,連(lian)(lian)(lian)接(jie)(jie)(jie)(jie)(jie)(jie)件根據工藝要求(qiu)(qiu)分(fen)為不銹鋼和(he)碳鋼兩種(zhong)。其管(guan)體(ti)波紋又有螺(luo)旋形(xing)和(he)環形(xing)兩種(zhong),按連(lian)(lian)(lian)接(jie)(jie)(jie)(jie)(jie)(jie)形(xing)式可(ke)(ke)分(fen)為法蘭(lan)(lan)(lan)連(lian)(lian)(lian)接(jie)(jie)(jie)(jie)(jie)(jie)和(he)管(guan)接(jie)(jie)(jie)(jie)(jie)(jie)頭(tou)連(lian)(lian)(lian)接(jie)(jie)(jie)(jie)(jie)(jie)兩大類。金屬(shu)軟管(guan)的法蘭(lan)(lan)(lan)可(ke)(ke)根據用戶的不同要求(qiu)(qiu)安裝國際(ji)法蘭(lan)(lan)(lan)、機械(xie)工業部標(biao)準(zhun)(zhun)法蘭(lan)(lan)(lan)、化工部標(biao)準(zhun)(zhun)法蘭(lan)(lan)(lan)等,還可(ke)(ke)進行不同標(biao)準(zhun)(zhun)、不同連(lian)(lian)(lian)界面的法蘭(lan)(lan)(lan)組合。金屬(shu)軟管(guan)的管(guan)接(jie)(jie)(jie)(jie)(jie)(jie)頭(tou)可(ke)(ke)以(yi)是(shi)球頭(tou)外套螺(luo)母、內錐(zhui)接(jie)(jie)(jie)(jie)(jie)(jie)頭(tou)、錐(zhui)管(guan)螺(luo)紋接(jie)(jie)(jie)(jie)(jie)(jie)頭(tou)、櫂槽接(jie)(jie)(jie)(jie)(jie)(jie)頭(tou)、union接(jie)(jie)(jie)(jie)(jie)(jie)頭(tou)、爪(zhua)型(xing)快速接(jie)(jie)(jie)(jie)(jie)(jie)頭(tou)、開(kai)啟式快速接(jie)(jie)(jie)(jie)(jie)(jie)頭(tou)、接(jie)(jie)(jie)(jie)(jie)(jie)管(guan)等,還可(ke)(ke)以(yi)根據用戶要求(qiu)(qiu)進行任意組合。使用非(fei)常靈活、方便(bian),幾(ji)乎不受(shou)任何控制。見表4.5.1。



