本(ben)章所介(jie)紹的美國(guo)管(guan)件標(biao)準(zhun)主要(yao)為(wei)美國(guo)機械工程師協會(即ASME)近期(qi)發布的最新標(biao)準(zhun),這些管(guan)件標(biao)準(zhun)主要(yao)為(wei):灰鑄鐵螺紋(wen)管(guan)件(ASME B16.4-1998)、可鍛(duan)鑄鐵螺紋(wen)管(guan)件(ASME B16.3-1998)、承插焊(han)和螺紋(wen)連接(jie)鍛(duan)鋼(gang)制管(guan)件(ASME B16.11-2005)、工廠制造的鍛(duan)鋼(gang)對(dui)焊(han)管(guan)件及鍛(duan)鋼(gang)制對(dui)焊(han)短半(ban)徑彎頭和180°彎頭等。
承(cheng)插焊和螺紋連接鍛(duan)鋼制管(guan)件 ASME B16.11-2005 標準
一、 適(shi)用范圍(wei)
1. 總則
ASME B16.11-2005標準適用于表20-30~表20-39所示(shi)的承插(cha)焊式(shi)和螺紋連接式(shi)兩(liang)種(zhong)鍛(duan)制管件的壓(ya)力-溫度(du)等級、材料、尺(chi)寸、公(gong)差(cha)和標志(zhi)。
a. 管件型式/形狀
本標準所包含的管件(jian)(jian)(jian)型式(shi)(shi)(按磅級及規格區分)見(jian)表(biao)20-26。表(biao)20-30~表(biao)20-39所示的管件(jian)(jian)(jian)也可制(zhi)成(cheng)承插焊端(duan)和螺紋(wen)端(duan)組合(he)式(shi)(shi)管件(jian)(jian)(jian)。
b. 專用管件
經供需(xu)雙方協商(shang),可以制造帶特殊(shu)螺紋或特殊(shu)锪孔的管(guan)件(jian)。這些管(guan)件(jian),當符合本(ben)標(biao)準的所有(you)其(qi)他條文規定時(shi),只要作適(shi)當的標(biao)志(見20.3.8條標(biao)志內容(rong)),則應被認為(wei)是與本(ben)標(biao)準相符合的管(guan)件(jian)。
c. 質(zhi)量體系
按本標準(zhun)制(zhi)造(zao)(zao)的(de)(de)(de)(de)(de)(de)(de)產(chan)(chan)品,應按質(zhi)量體(ti)系程序(xu)生產(chan)(chan),該(gai)程序(xu)應按照ISO 9000系列(lie)的(de)(de)(de)(de)(de)(de)(de)某一合(he)適的(de)(de)(de)(de)(de)(de)(de)標準(zhun)的(de)(de)(de)(de)(de)(de)(de)原(yuan)則制(zhi)定(ding)。制(zhi)造(zao)(zao)廠(chang)(chang)(chang)有責任確定(ding)是否需要由一個獨立的(de)(de)(de)(de)(de)(de)(de)組織機構對產(chan)(chan)品制(zhi)造(zao)(zao)廠(chang)(chang)(chang)的(de)(de)(de)(de)(de)(de)(de)質(zhi)量體(ti)系程序(xu)進行注冊和/或認證。采購(gou)(gou)方在制(zhi)造(zao)(zao)廠(chang)(chang)(chang)的(de)(de)(de)(de)(de)(de)(de)場(chang)所(suo)應能得到演示程序(xu)符合(he)性的(de)(de)(de)(de)(de)(de)(de)詳細文件。應采購(gou)(gou)方的(de)(de)(de)(de)(de)(de)(de)請求,采購(gou)(gou)方可(ke)以(yi)得到產(chan)(chan)品制(zhi)造(zao)(zao)廠(chang)(chang)(chang)提(ti)供的(de)(de)(de)(de)(de)(de)(de)其所(suo)使用的(de)(de)(de)(de)(de)(de)(de)該(gai)質(zhi)量體(ti)系程序(xu)的(de)(de)(de)(de)(de)(de)(de)書面概括說(shuo)明。所(suo)謂產(chan)(chan)品制(zhi)造(zao)(zao)廠(chang)(chang)(chang)是指按本標準(zhun)標志或識(shi)別要求顯示在產(chan)(chan)品上的(de)(de)(de)(de)(de)(de)(de)完整(zheng)廠(chang)(chang)(chang)名(ming)或商標。
2. 使用條件
選擇適合于特定流體(ti)使用條(tiao)件的管件型式(shi)和材料的標(biao)準不在本標(biao)準的范(fan)圍內。
3. 焊接
安裝(zhuang)(zhuang)焊接要(yao)求不(bu)在本標準的(de)范圍內(nei)。安裝(zhuang)(zhuang)焊接應(ying)按照適用的(de)管(guan)道(dao)(dao)規(gui)范或(huo)包含安裝(zhuang)(zhuang)該管(guan)件的(de)管(guan)道(dao)(dao)系統的(de)規(gui)程進行。
4. 標準計量單(dan)位
無論是以米制(zhi)(zhi)(zhi)計量單(dan)(dan)(dan)位(wei)或是英制(zhi)(zhi)(zhi)計量單(dan)(dan)(dan)位(wei)表示的數(shu)值均視為(wei)標(biao)準值。在正文中英制(zhi)(zhi)(zhi)單(dan)(dan)(dan)位(wei)值列于括號內,以每種(zhong)單(dan)(dan)(dan)位(wei)制(zhi)(zhi)(zhi)表示的數(shu)值并非精確相等。因此(ci),每種(zhong)單(dan)(dan)(dan)位(wei)制(zhi)(zhi)(zhi)必須(xu)單(dan)(dan)(dan)獨使(shi)(shi)用。混合使(shi)(shi)用兩(liang)種(zhong)單(dan)(dan)(dan)位(wei)制(zhi)(zhi)(zhi)的數(shu)值可能會造(zao)成與標(biao)準的不一致(zhi)性。
二、壓力(li)等級
1. 總(zong)則
對于(yu)螺紋端管件,應標為2000、3000和(he)6000磅級(ji);對于(yu)承插(cha)焊端管件,應標為3000、6000和(he)9000磅級(ji)。
a. 壓力-溫度等級的計(ji)算(suan)依據
為了確定等級(ji)(ji),將相應(ying)(ying)于(yu)各磅級(ji)(ji)管(guan)(guan)件(jian)(jian)的管(guan)(guan)壁(bi)厚(hou)度(du)系(xi)列號示于(yu)表(biao)20-27中(zhong)。設計(ji)溫(wen)度(du)和(he)其他使用條(tiao)件(jian)(jian)應(ying)(ying)受所適用的管(guan)(guan)道規(gui)(gui)范或管(guan)(guan)件(jian)(jian)結構(gou)材料規(gui)(gui)程的限(xian)制。這些限(xian)制中(zhong),管(guan)(guan)件(jian)(jian)的最大(da)許(xu)用壓力應(ying)(ying)是按等同材料(如按各種材料規(gui)(gui)范中(zhong)材料的化(hua)學成(cheng)分和(he)力學性能對(dui)比得出(chu)的)制成(cheng)的直無縫管(guan)(guan)計(ji)算(suan)求(qiu)出(chu)的。用于(yu)此(ci)種計(ji)算(suan)的壁(bi)厚(hou)應(ying)(ying)是ASME B36.10M中(zhong)對(dui)管(guan)(guan)子(zi)規(gui)(gui)格和(he)相應(ying)(ying)管(guan)(guan)壁(bi)厚(hou)度(du)序列號的表(biao)列值減去(qu)12.5%的制造(zao)公(gong)差(cha)和(he)其他公(gong)差(cha)(例如螺紋公(gong)差(cha))。任(ren)何腐蝕裕量和(he)由于(yu)溫(wen)度(du)和(he)其他設計(ji)因素引起許(xu)用應(ying)(ying)力的任(ren)何變化(hua)應(ying)(ying)同樣適用于(yu)管(guan)(guan)子(zi)和(he)管(guan)(guan)件(jian)(jian)。

b. 非標準管子壁厚
由于(yu)ASME B36.10M既不(bu)包(bao)括(kuo)Sch160,也不(bu)包(bao)括(kuo)NPS1/8、NPS1/4和(he)NPS3/8雙倍加(jia)厚(hou)管的壁厚(hou),所以表(biao)20-28中的數值可(ke)用于(yu)作為(wei)確(que)定等級時管子的公稱壁厚(hou)。

c. 組合端管件(jian)
與(yu)承(cheng)插焊端和(he)螺紋(wen)端組合制造的(de)管件,其磅(bang)級應依據表(biao)20-27中最低(di)等(deng)級的(de)端部形狀確(que)定。
2. 耐(nai)壓試(shi)驗的可(ke)行性
本標準(zhun)不要求進行(xing)耐壓(ya)(ya)試(shi)驗,但管(guan)(guan)件(jian)應能承(cheng)受(shou)適用的管(guan)(guan)道規范對無(wu)縫管(guan)(guan)所(suo)要求的水壓(ya)(ya)試(shi)驗壓(ya)(ya)力。這(zhe)種無(wu)縫管(guan)(guan)的材(cai)料(liao)與(yu)管(guan)(guan)件(jian)的鍛(duan)材(cai)相當(dang),其Sch No.或壁厚與(yu)表20-27中的管(guan)(guan)件(jian)磅級和端部連接有關(guan)。
三、規格
1. 總則
公稱管件規格的(de)代(dai)號是NPS后跟無因(yin)次的(de)數(shu)字。NSP與國際標(biao)準中所使(shi)用的(de)標(biao)準公稱通徑DN有關(guan)。它們(men)之間的(de)關(guan)系見(jian)表(biao)20-29。

2. 異徑(jing)管件規格
對(dui)于(yu)異徑(jing)三通和(he)四(si)通,應(ying)首先(xian)給出(chu)(chu)最(zui)大主管(guan)開(kai)口(kou)(kou)(kou)規(gui)格(ge),緊接著(zhu)(zhu)給出(chu)(chu)主管(guan)相(xiang)對(dui)端(duan)的(de)(de)開(kai)口(kou)(kou)(kou)規(gui)格(ge)。管(guan)件為(wei)(wei)三通時(shi),其(qi)支管(guan)規(gui)格(ge)放在(zai)最(zui)后(hou),管(guan)件為(wei)(wei)四(si)通時(shi),第(di)三個給出(chu)(chu)的(de)(de)是旁邊的(de)(de)最(zui)大開(kai)口(kou)(kou)(kou)規(gui)格(ge),緊接著(zhu)(zhu)給出(chu)(chu)的(de)(de)是對(dui)面的(de)(de)出(chu)(chu)口(kou)(kou)(kou)尺(chi)寸(cun)。異徑(jing)三通和(he)四(si)通出(chu)(chu)口(kou)(kou)(kou)的(de)(de)表(biao)示方法見圖20-26。

四、材料(liao)(liao)(標準(zhun)材料(liao)(liao))
管件(jian)的材(cai)(cai)料(liao)應包括鍛件(jian)、棒材(cai)(cai)、無縫管或管材(cai)(cai)。這些材(cai)(cai)料(liao)應符合ASME B16.34《法(fa)蘭、螺(luo)紋及焊接(jie)(jie)連(lian)接(jie)(jie)端的閥(fa)門(men)》表(biao)1(包括表(biao)2中可適用的注釋)中所列鍛造產品的冶(ye)煉工藝(yi)、化學成(cheng)分(fen)要求和(he)力(li)學性能要求。三通、彎頭(tou)和(he)四通不能用棒材(cai)(cai)制作。
五、結(jie)構(gou)型式與尺寸
1. 承插焊管件(jian)
承插焊(han)管(guan)件(jian)尺寸分米制(zhi)(zhi)及英(ying)制(zhi)(zhi)兩個系(xi)列。米制(zhi)(zhi)管(guan)件(jian)型式(shi)見圖20-27,尺寸見表20-30;英(ying)制(zhi)(zhi)管(guan)件(jian)型式(shi)見圖20-27,尺寸見表20-31。




a. 本(ben)體壁厚
承插焊管件本(ben)體壁厚(hou)應等于或大于表20-30和20-31中所示(shi)的G值。
b. 承口(kou)壁(bi)厚
承口的平均壁厚和最小(xiao)壁厚應(ying)不小(xiao)于表20-30和表20-31中所示C的相應(ying)值。
c. 承口位置
承口(kou)底相對(dui)于承插(cha)焊管(guan)件(jian)中心線的固定位置(zhi)應按(an)表20-30和表20-31中尺(chi)寸A的要求予以保持。對(dui)于異徑管(guan)件(jian),見20.3.5.4條。
d. 承口(kou)深度
承(cheng)口深度(du)應(ying)不小于表(biao)20-30和(he)表(biao)20-31中(zhong)所示J的最小值。
e. 承口孔
承口孔內(nei)表面(mian)應進行精加工,不得有毛刺。
f. 垂直度
承插焊管件的端部平面(mian)與承口軸心(xin)線(xian)應(ying)成(cheng)直(zhi)角(jiao)。
g. 寬(kuan)度(du)
鍛件半(ban)徑(jing)不(bu)應使平焊表(biao)面的寬度減小(xiao)到(dao)小(xiao)于圖(tu)20-28所示值。

2. 螺紋管件
螺(luo)紋(wen)(wen)管(guan)件包括鍛(duan)造螺(luo)紋(wen)(wen)管(guan)件、帶內外螺(luo)紋(wen)(wen)的鍛(duan)造彎頭(tou)、非鍛(duan)造的螺(luo)紋(wen)(wen)管(guan)件、絲堵和絲套4類。每類螺(luo)紋(wen)(wen)管(guan)件尺寸(cun)又分米(mi)制(zhi)和英(ying)制(zhi)兩(liang)個(ge)系列(lie)。
米制鍛(duan)造螺紋管(guan)件的型式(shi)見(jian)圖20-29,尺寸見(jian)表20-32;英制鍛(duan)造螺紋管(guan)件的型式(shi)見(jian)圖20-29,尺寸見(jian)20-33。
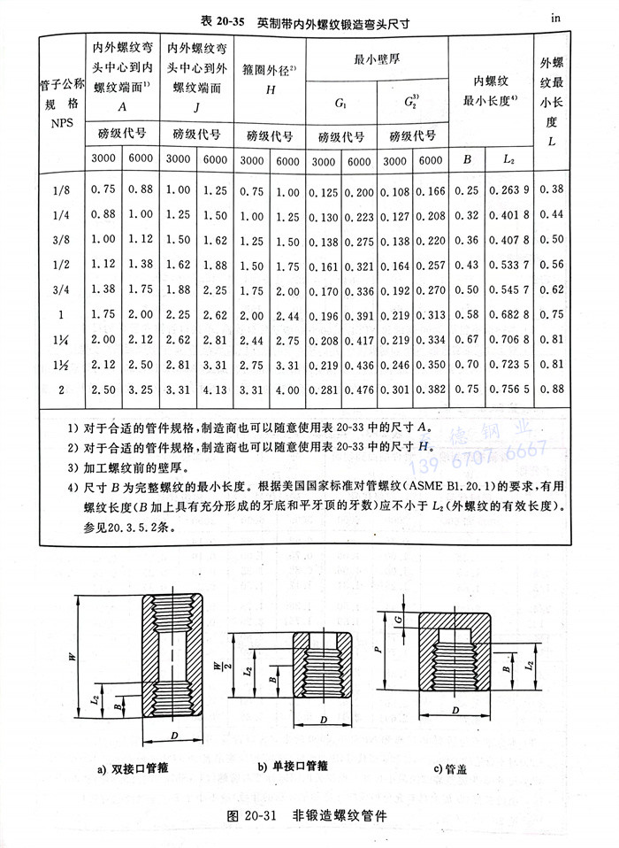
米制(zhi)帶內外螺紋的(de)鍛造彎(wan)頭(tou)(tou)型式(shi)見(jian)圖(tu)20-30,尺寸見(jian)表(biao)20-34;英制(zhi)帶內外螺紋的(de)鍛造彎(wan)頭(tou)(tou)型式(shi)見(jian)圖(tu)20-30,尺寸見(jian)表(biao)20-35。
米制非(fei)鍛造螺(luo)紋管件(jian)的型(xing)式見(jian)(jian)圖20-31,尺寸(cun)見(jian)(jian)表(biao)20-36;英制非(fei)鍛造螺(luo)紋管件(jian)的型(xing)式見(jian)(jian)圖20-31,尺寸(cun)見(jian)(jian)表(biao)20-37。
米(mi)制(zhi)(zhi)絲(si)(si)(si)堵和(he)絲(si)(si)(si)套的(de)型式(shi)見(jian)圖20-32,尺寸見(jian)表(biao)20-38;英(ying)制(zhi)(zhi)絲(si)(si)(si)堵和(he)絲(si)(si)(si)套的(de)型式(shi)見(jian)圖20-32,尺寸見(jian)表(biao)20-39。







a. 壁厚
螺(luo)紋(wen)管(guan)件本(ben)體或端部壁厚應等于或大(da)于表20-32~表20-37中(zhong)所(suo)示(shi)的最小(xiao)G、G1和G2值(zhi)。
b. 內螺紋(wen)
所有帶(dai)內螺(luo)(luo)紋(wen)(wen)(wen)的(de)管(guan)件應按美國國家標(biao)準《錐管(guan)螺(luo)(luo)紋(wen)(wen)(wen)》(ASME B 1.20.1)加工(gong)螺(luo)(luo)紋(wen)(wen)(wen)。當(dang)使用(yong)工(gong)作量規時,螺(luo)(luo)紋(wen)(wen)(wen)加工(gong)的(de)誤差從(cong)測量槽(cao)口開始應限制(zhi)為大一圈或(huo)小一圈螺(luo)(luo)紋(wen)(wen)(wen)內。測量基(ji)準點(dian)是管(guan)件的(de)開始端。只要倒角不超(chao)過內螺(luo)(luo)紋(wen)(wen)(wen)大徑。當(dang)內螺(luo)(luo)紋(wen)(wen)(wen)的(de)倒角超(chao)過此限制(zhi)時,基(ji)準點(dian)即為倒角錐上的(de)最后一牙螺(luo)(luo)紋(wen)(wen)(wen)刻(ke)痕。
c. 外(wai)螺紋
所有帶外(wai)螺(luo)紋(wen)的(de)(de)(de)(de)管(guan)件(jian)均(jun)應按美國國家標準(zhun)《錐管(guan)螺(luo)紋(wen)》(ASME B1.20.1)加工(gong)螺(luo)紋(wen)。當使(shi)用工(gong)作量規時,螺(luo)紋(wen)加工(gong)的(de)(de)(de)(de)誤差從環規的(de)(de)(de)(de)測量面開始限(xian)制為大一圈(quan)或小一圈(quan)螺(luo)紋(wen)內。測量的(de)(de)(de)(de)基準(zhun)點是(shi)螺(luo)紋(wen)的(de)(de)(de)(de)端(duan)部。
d. 锪錐孔(kong)和倒角
所有(you)內螺(luo)紋(wen)(wen)均應(ying)(ying)锪錐孔,其距離不小于螺(luo)紋(wen)(wen)的(de)一半,并常有(you)與(yu)(yu)螺(luo)紋(wen)(wen)軸(zhou)心(xin)大約成45°的(de)夾角;所有(you)的(de)外螺(luo)紋(wen)(wen)均應(ying)(ying)帶有(you)與(yu)(yu)軸(zhou)線成30°~45°的(de)倒(dao)(dao)角,以(yi)便在制(zhi)作接頭時易(yi)進(jin)入連接和(he)保(bao)護(hu)螺(luo)紋(wen)(wen)。锪錐孔與(yu)(yu)倒(dao)(dao)角應(ying)(ying)與(yu)(yu)螺(luo)紋(wen)(wen)同心(xin)。各表中規定的(de)螺(luo)紋(wen)(wen)長度,測量時應(ying)(ying)包括锪孔或倒(dao)(dao)角。
3. 頸(jing)圈
表20-30~表20-33中所(suo)屬簡圖所(suo)示(shi)的承插焊式或(huo)螺紋連接式兩種(zhong)管件的端部頸圈應(ying)能覆蓋岔口(kou)區(qu)。
4. 異(yi)徑管件
異徑(jing)管件應(ying)具有和相同規格(ge)(ge)管件(該管件與(yu)異徑(jing)管件的最大規格(ge)(ge)端部連(lian)接相符合(he))一(yi)樣的中(zhong)心(xin)到(dao)端部、中(zhong)心(xin)到(dao)承口底(di)部、箍圈直(zhi)徑(jing)和外徑(jing)尺寸。
六、公(gong)差(附加公(gong)差)
附加于表(biao)20-30~表(biao)20-31的(de)承插焊管(guan)件所列各值的(de)公差(cha)如下:
a. 通口的同心度(du)
承口孔(kong)和管(guan)(guan)件通孔(kong)應同(tong)心(xin),其公(gong)差對(dui)(dui)(dui)各種規格的(de)管(guan)(guan)件均為(wei)0.8mm(0.03in)。相對(dui)(dui)(dui)承口孔(kong)應同(tong)心(xin),其公(gong)差對(dui)(dui)(dui)各種規格的(de)管(guan)(guan)件均為(wei)1.5mm(0.06 in)。
b. 軸(zhou)線的重合度
管件通孔與(yu)承(cheng)口(kou)孔軸(zhou)線(xian)的同軸(zhou)度最大允差為1mm/200 mm(0.06 in/ft)。螺紋(wen)同軸(zhou)度的最大允差應為1mm/200 mm(0.06 in./ft)。
七、驗(yan)證試驗(yan)
對按本標準制造的管件,不要求作驗證(zheng)試驗。
八、標志
每個(ge)管(guan)件(jian)都(dou)應用鍛出凸字(zi)和/或(huo)(huo)(huo)打鋼印、電(dian)腐蝕(shi)或(huo)(huo)(huo)振動工(gong)具(ju)標記方法在鍛造管(guan)件(jian)的頸部(bu)、凸墊和凸轂部(bu)分(fen)做(zuo)出永久(jiu)性的識別標志(zhi)(zhi)。圓筒形管(guan)件(jian)應標志(zhi)(zhi)在外徑或(huo)(huo)(huo)在焊(han)接安裝后標志(zhi)(zhi)不會消(xiao)失或(huo)(huo)(huo)不會被涂掉(diao)的管(guan)件(jian)端部(bu)。本標準不要求對絲套(tao)、絲堵作標志(zhi)(zhi)。
1. 專(zhuan)用標志
標志應包括但(dan)不局限于(yu)下列內容(rong):
a. 制造廠(chang)的名稱或商標。
b. 材(cai)料(liao)(liao)標(biao)志 材(cai)料(liao)(liao)應按(an)適(shi)合的(de)(de)ASTM管件(jian)(jian)(jian)規(gui)范(fan)A234、A403、A420、A815或(huo)(huo)B366,或(huo)(huo)按(an)適(shi)合的(de)(de)ASTM鍛件(jian)(jian)(jian)技術規(gui)范(fan)A105、A182、A350、B160、B164、B462、B564,或(huo)(huo)ASME B16.34表1中其他適(shi)用的(de)(de)鍛件(jian)(jian)(jian)技術規(gui)范(fan)中的(de)(de)標(biao)志要求進行識別。
c. 產品符合證明 20.3.1.1a條所包含的(de)管(guan)件(jian)(jian)應標以(yi)ASTM管(guan)件(jian)(jian)技術規范的(de)材料識別標志“WP-”或“B16”符號(hao),以(yi)表示符合本標準。20.3.1.1b條所包含的(de)專(zhuan)用管(guan)件(jian)(jian)應標以(yi)B16 SPLD。
d. 磅級代(dai)號(hao) 根據適用(yong)(yong)情況(kuang),有2000、3000或(huo)6000或(huo)9000等4種表(biao)示方法(fa)。用(yong)(yong)另一(yi)種方法(fa),根據適用(yong)(yong)情況(kuang)可以使用(yong)(yong)代(dai)號(hao)2M、3M、6M或(huo)9M表(biao)示,此處M代(dai)表(biao)1000。
e. 規格 指與端部連接有關的公(gong)稱管(guan)子(zi)規格。
2. 標志的(de)省略(lve)
當管件的規格和形狀不允許作上(shang)述所有(you)標志時,標志符號可按(an)上(shang)述相(xiang)反的順序進行(xing)省略。

