本(ben)篇重(zhong)點介紹國際標準(zhun)化組織(ISO)及(ji)美國機械工程師協會(hui)(ASME)發(fa)布的有代表性的管(guan)件(jian)(jian)(jian)標準(zhun)。這些管(guan)件(jian)(jian)(jian)標準(zhun)包括:ISO發(fa)布的非合金(jin)鋼(gang)(gang)及(ji)合金(jin)鋼(gang)(gang)對焊管(guan)件(jian)(jian)(jian)、不銹鋼(gang)(gang)對焊管(guan)件(jian)(jian)(jian)及(ji)不銹鋼(gang)(gang)螺(luo)(luo)紋管(guan)件(jian)(jian)(jian)3個(ge)國際標準(zhun);ASME發(fa)布的灰鑄鐵螺(luo)(luo)紋管(guan)件(jian)(jian)(jian)、可(ke)鍛鑄鐵螺(luo)(luo)紋管(guan)件(jian)(jian)(jian)、承插焊和(he)螺(luo)(luo)紋連接鍛鋼(gang)(gang)制(zhi)管(guan)件(jian)(jian)(jian)、工廠制(zhi)造(zao)的鍛鋼(gang)(gang)對焊管(guan)件(jian)(jian)(jian)及(ji)鍛鋼(gang)(gang)制(zhi)對焊小彎曲半(ban)徑彎頭(tou)和(he)180°彎頭(tou)等5個(ge)標準(zhun)。
這(zhe)些國(guo)外(含國(guo)際)典型管件標準的(de)推薦,對我國(guo)石油、化(hua)工(gong)、石油化(hua)工(gong)等領域的(de)引進裝置,具有選用價值。
ISO(國(guo)際(ji)標(biao)準(zhun)(zhun)化(hua)組織(zhi))制定(ding)并(bing)實施的比(bi)較(jiao)典型的管(guan)件(jian)(jian)標(biao)準(zhun)(zhun)有對(dui)(dui)焊(han)(han)管(guan)件(jian)(jian)及螺紋(wen)連接管(guan)件(jian)(jian)兩類(lei)。對(dui)(dui)焊(han)(han)管(guan)件(jian)(jian)標(biao)準(zhun)(zhun)側(ce)重于(yu)(yu)介紹非合金鋼(gang)(gang)(gang)、合金鋼(gang)(gang)(gang)以及不銹(xiu)(xiu)鋼(gang)(gang)(gang)對(dui)(dui)焊(han)(han)管(guan)件(jian)(jian);螺紋(wen)連接管(guan)件(jian)(jian)標(biao)準(zhun)(zhun)側(ce)重于(yu)(yu)介紹不銹(xiu)(xiu)鋼(gang)(gang)(gang)螺紋(wen)管(guan)件(jian)(jian)。非合金鋼(gang)(gang)(gang)和(he)合金鋼(gang)(gang)(gang)對(dui)(dui)焊(han)(han)管(guan)件(jian)(jian)(ISO 3419:1981)及不銹(xiu)(xiu)鋼(gang)(gang)(gang)對(dui)(dui)焊(han)(han)管(guan)件(jian)(jian)(ISO 5251:1981)是ISO早期(qi)制定(ding)的標(biao)準(zhun)(zhun),目前仍(reng)然在使(shi)用。不銹(xiu)(xiu)鋼(gang)(gang)(gang)螺紋(wen)管(guan)件(jian)(jian)(ISO 4144:2003)則是ISO近期(qi)制定(ding)的標(biao)準(zhun)(zhun)。
不銹(xiu)鋼螺(luo)紋管件 ISO 4144:2003 標準
1. 適用范圍
ISO 4144:2003標準(zhun)規定了(le)螺(luo)紋(wen)(wen)連接不(bu)銹鋼管(guan)件的型(xing)式、壓力-溫度等級、最小尺(chi)寸(cun)和材料。管(guan)件的螺(luo)紋(wen)(wen)符合ISO 7-1《用螺(luo)紋(wen)(wen)密封的管(guan)螺(luo)紋(wen)(wen) 第1部分:尺(chi)寸(cun)、公差(cha)和標記》;管(guan)件適用于一般以蒸汽、空氣(qi)、煤氣(qi)、水(shui)及油為介質的管(guan)道。
2. 管件型式及其符號
管件的型式及其符號見表19-19。


3. 壓(ya)力-溫度(du)等級
壓力-溫度等級(ji)見表(biao)19-20。

4. 制造(zao)和材料(liao)
管件應采用鑄造、軋制、鍛造等方法制造。材料應為奧(ao)氏(shi)體不銹鋼,其屈服極限至少等于ISO 2604-2中所規定的鋼號為TS47的屈服極限。制造管件的材料應嚴格經過ISO 4991:1994《壓力用途的鑄鋼件》5.2條表1所規定的固溶化退火熱處理。
5. 螺(luo)紋
a. 螺紋的選擇
管件的螺(luo)紋應符合ISO7-1的規定。外螺(luo)紋及內螺(luo)紋錐(zhui)度為(wei)1:16,但(dan)內螺(luo)紋可以為(wei)直螺(luo)紋。
例(li)外情(qing)況:活接頭螺(luo)母(mu)及其配合螺(luo)紋(wen)應符合ISO 68-1、ISO 228-1、ISO 261、ISO 262或ISO 724-的規定。
b. 倒(dao)角(jiao)
螺紋端(duan)部應進行倒角。
6. 結(jie)構型式與尺寸
a. 總則
管件尺(chi)寸在圖(tu)19-14~圖(tu)19-27中及(ji)表19-21~表19-34中規定。未規定的尺(chi)寸由制(zhi)造廠自行(xing)處(chu)理(li)。
管件接口型式見圖(tu)19-14,尺(chi)寸見表(biao)19-21。
彎頭(tou) E1、三通 T1 及四通 X1 型式見圖(tu)19-15,尺(chi)寸見表19-22。


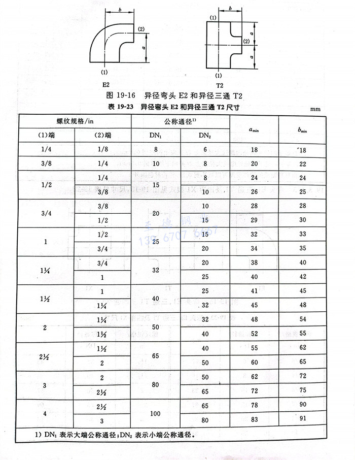
異(yi)徑彎頭 E2 和(he) 異(yi)徑三通 T2 型式見圖19-16,尺寸見表19-23。

45°彎頭 E3 型(xing)式(shi)見(jian)圖19-17,尺(chi)寸(cun)見(jian)表19-24。
外螺(luo)紋(wen)與內(nei)螺(luo)紋(wen)彎頭 E4 型式見(jian)圖19-18,尺(chi)寸見(jian)表19-25。

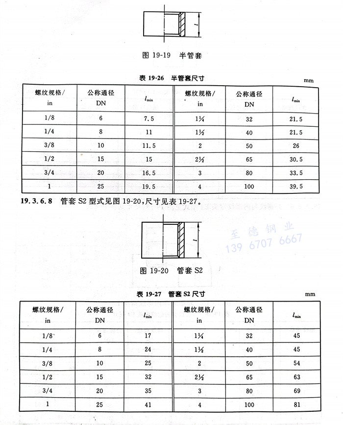
半管套S1 型式見圖19-19,尺(chi)寸見表19-26。
管套S2 型式見圖19-20,尺寸見表(biao)19-27。

異徑管套S3 型式見圖19-21,尺寸見表(biao)19-28。

異徑塞孔管(guan)套B1
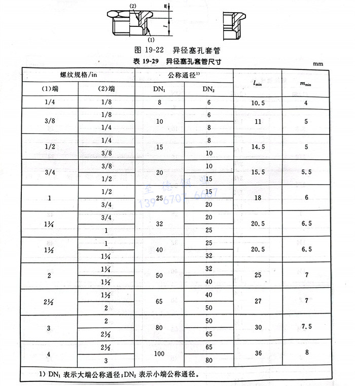
異(yi)徑塞(sai)孔(kong)(kong)管套可以有(you)六(liu)角(jiao)(jiao)(jiao)(jiao)形(xing)(xing)(xing)(xing)、八(ba)角(jiao)(jiao)(jiao)(jiao)形(xing)(xing)(xing)(xing)、十角(jiao)(jiao)(jiao)(jiao)形(xing)(xing)(xing)(xing)等(deng)種類。規格在1/2以下的(de)只有(you)六(liu)角(jiao)(jiao)(jiao)(jiao)形(xing)(xing)(xing)(xing)1種;規格為3/4~2的(de)有(you)六(liu)角(jiao)(jiao)(jiao)(jiao)形(xing)(xing)(xing)(xing)或八(ba)角(jiao)(jiao)(jiao)(jiao)形(xing)(xing)(xing)(xing)2種;規格為22~4的(de)有(you)六(liu)角(jiao)(jiao)(jiao)(jiao)形(xing)(xing)(xing)(xing)、八(ba)角(jiao)(jiao)(jiao)(jiao)形(xing)(xing)(xing)(xing)或十角(jiao)(jiao)(jiao)(jiao)形(xing)(xing)(xing)(xing)3種。異(yi)徑塞(sai)孔(kong)(kong)管套B1型式見圖(tu)19-22,尺寸見表19-29。

六角頭螺紋(wen)接套N1
六(liu)(liu)角(jiao)(jiao)(jiao)(jiao)(jiao)頭螺紋接(jie)套(tao)可以有(you)六(liu)(liu)角(jiao)(jiao)(jiao)(jiao)(jiao)形(xing)、八角(jiao)(jiao)(jiao)(jiao)(jiao)形(xing)、十(shi)角(jiao)(jiao)(jiao)(jiao)(jiao)形(xing)等種(zhong)(zhong)類。規格(ge)在1/2以下(xia)的(de)只有(you)六(liu)(liu)角(jiao)(jiao)(jiao)(jiao)(jiao)形(xing)1種(zhong)(zhong);規格(ge)為3/4~2的(de)有(you)六(liu)(liu)角(jiao)(jiao)(jiao)(jiao)(jiao)形(xing)或(huo)(huo)八角(jiao)(jiao)(jiao)(jiao)(jiao)形(xing)2種(zhong)(zhong);規格(ge)為2/2~4的(de)有(you)六(liu)(liu)角(jiao)(jiao)(jiao)(jiao)(jiao)形(xing)、八角(jiao)(jiao)(jiao)(jiao)(jiao)形(xing)或(huo)(huo)十(shi)角(jiao)(jiao)(jiao)(jiao)(jiao)形(xing)3種(zhong)(zhong),六(liu)(liu)角(jiao)(jiao)(jiao)(jiao)(jiao)形(xing)螺紋接(jie)套(tao)型式(shi) N1 見圖19-23,尺寸見表19-30。

異(yi)徑螺紋(wen)接套(tao)
異徑螺紋(wen)接(jie)套(tao)可以有(you)六角(jiao)形(xing)(xing)(xing)、八(ba)(ba)(ba)角(jiao)形(xing)(xing)(xing)、十角(jiao)形(xing)(xing)(xing)等種類。規(gui)格(ge)在1/2以下的(de)(de)(de)只有(you)六角(jiao)形(xing)(xing)(xing)1種;規(gui)格(ge)為3/4~2的(de)(de)(de)有(you)六角(jiao)形(xing)(xing)(xing)或八(ba)(ba)(ba)角(jiao)形(xing)(xing)(xing)2種;規(gui)格(ge)為2/2~4的(de)(de)(de)有(you)六角(jiao)形(xing)(xing)(xing)、八(ba)(ba)(ba)角(jiao)形(xing)(xing)(xing)或十角(jiao)形(xing)(xing)(xing)3種。異徑螺紋(wen)接(jie)套(tao)N2型式見圖19-24,尺寸見表19-31。



管帽(mao)C1
管帽由制造廠(chang)隨意選(xuan)擇,可以為(wei)六角(jiao)(jiao)形、八角(jiao)(jiao)形或十角(jiao)(jiao)形。管帽C1型式見(jian)圖19-25,尺寸見(jian)表19-32。
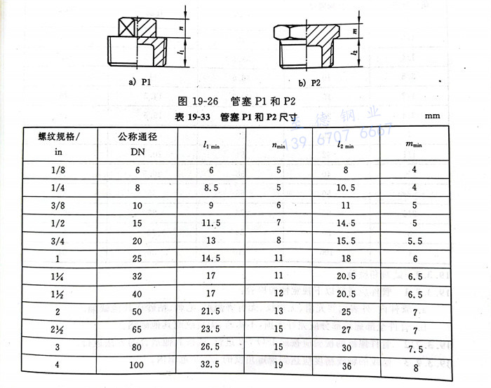
管塞P1和P2
管塞由制造廠隨意選擇,可(ke)(ke)以為實(shi)心的(de)或空心的(de)。管塞P2可(ke)(ke)以為六(liu)角(jiao)(jiao)頭形(xing)、八(ba)(ba)(ba)角(jiao)(jiao)頭形(xing)、十角(jiao)(jiao)頭形(xing)等種(zhong)(zhong)類。規格在1/2以下的(de)只有六(liu)角(jiao)(jiao)形(xing)1種(zhong)(zhong);規格為3/4~2的(de)有六(liu)角(jiao)(jiao)形(xing)或八(ba)(ba)(ba)角(jiao)(jiao)形(xing)2種(zhong)(zhong);規格為2%~4的(de)有六(liu)角(jiao)(jiao)形(xing)、八(ba)(ba)(ba)角(jiao)(jiao)形(xing)或十角(jiao)(jiao)形(xing)3種(zhong)(zhong)。管塞P1和P2的(de)型式見圖19-26,尺寸見表19-33。

平座U1、U2和U3活接頭及錐(zhui)座U4、U5和U6 活接頭
平座U1、U2和U3活(huo)接頭(tou)及錐座U4、U5和U6活(huo)接頭(tou)型式見(jian)圖19-27,尺寸見(jian)表19-34。

7. 試驗(yan)和檢(jian)驗(yan)
a. 管件應進行(xing)以(yi)下視覺性(xing)的檢驗:
管件內(nei)、外表面要光滑、無裂(lie)紋、無有害刮痕、毛(mao)刺、粘砂或其他(ta)缺陷。
管件(jian)全部螺紋(wen)部分(fen)應完好無損,不稀疏、無裂紋(wen)或其(qi)他缺(que)陷。
b. 管件(jian)螺紋的檢驗應按照ISO 7-2進行,或按其(qi)他(ta)適合的方法進行。
c. 螺紋的(de)軸線精度應(ying)達到(dao)規定(ding)角度的(de)士0.5°范(fan)圍內。
d. 當檢驗(yan)生產的管(guan)(guan)件(jian)時,應(ying)對每一個管(guan)(guan)件(jian)進行下述(shu)試驗(yan)以保(bao)證管(guan)(guan)件(jian)不產生泄(xie)漏(lou)。為了試驗(yan)管(guan)(guan)件(jian),螺紋(wen)端要(yao)密封。當加壓(ya)(ya)使管(guan)(guan)件(jian)內部的壓(ya)(ya)力達到6bar的空(kong)氣壓(ya)(ya)力后,在保(bao)持(chi)此壓(ya)(ya)力的同(tong)時,按表19-35所規定的最小試驗(yan)持(chi)續時間,觀察管(guan)(guan)件(jian)有無泄(xie)漏(lou)現象。

e. 水壓試(shi)驗(yan)可以(yi)在30 bar壓力(li)下進行,以(yi)代替(ti)空(kong)氣壓力(li)試(shi)驗(yan)。試(shi)驗(yan)方法和試(shi)驗(yan)持(chi)續時間按19.3.7.4條規(gui)定。
f. 由諸如鍛件、軋(ya)制棒料(liao)或擠(ji)壓管材等材料(liao)制成(cheng)的管件,則不需要做泄(xie)漏檢驗(yan)。
g. 管(guan)件應能夠(gou)通過晶(jing)間腐(fu)蝕(shi)試驗并合(he)格,晶(jing)間腐(fu)蝕(shi)試驗按ISO 4990《鑄鋼件交貨的(de)(de)一(yi)(yi)(yi)般技術(shu)要求》中的(de)(de)B.9.1條進行(xing)。當做腐(fu)蝕(shi)試驗時,應對每一(yi)(yi)(yi)熱處(chu)理裝爐量的(de)(de)一(yi)(yi)(yi)根管(guan)件做試驗。
8. 印記(ji)
管(guan)件應以商標(biao)(biao)、材(cai)料(liao)代號(hao)或縮寫(xie)以及(ji)螺(luo)紋標(biao)(biao)記(ji)(ji)做印記(ji)(ji)。但是,當容納標(biao)(biao)志的位置不(bu)夠時(shi),標(biao)(biao)志可以省略。
9. 標(biao)記
①. 標記內容
符(fu)合 ISO 4144:2003(E)的(de)管件,應按以下(xia)內(nei)容依(yi)次進行(xing)標記:
a. 管件型式;
b. 標準編(bian)號ISO 4144;
c. 螺紋規格標記;
d. 符號(見表19-19);
e. 材(cai)料。
②. 標記示例
具有材料牌(pai)號(hao)為TS47鋼、內(nei)圓錐螺紋為Rc2的等徑(jing)內(nei)螺紋彎頭E1的標記為: 彎頭 ISO 4144-Rc2E1 TS47
具有材料牌(pai)號為(wei)TS61鋼、內圓錐螺(luo)紋為(wei)Rc2、支管為(wei)1%的主管異(yi)徑三通T2的標記為(wei): 異徑(jing)三通 ISO 4144-Rc2 × 1/4 T2 TS61

