ISO(國際標準化組織)制定并實施的比較典型的管件標準有對焊管件及螺紋連接管件兩類。對焊管件標準側重于介紹非合金鋼、合金鋼以及不銹鋼對焊管件;螺紋連接管件標準側重于介紹不銹鋼螺紋管件。非合金鋼和合金鋼對焊管件(ISO 3419:1981)及不銹鋼對焊管件(ISO 5251:1981)是ISO早期制定的標準,目前仍然在使用。不銹鋼螺紋管件(ISO 4144:2003)則是ISO近期制定的標準。
不銹鋼對焊管件 ISO 5251
1. 適用范圍
ISO 5251:1981 標準規定了用于(yu)管道工(gong)程質量(liang)要求的(de)對焊(han)彎頭[具有(you)或(huo)沒有(you)直(zhi)管端(duan)的(de)3D型(90°和180°和5D型(90°)]、同心和偏(pian)心異徑(jing)接頭、三(san)通及(ji)管帽的(de)尺寸、公(gong)差以及(ji)管件用一般用途的(de)不銹鋼鋼號。
2. 符號含意
DN--公(gong)稱通徑(見(jian)ISO 6708);
D-大外徑;
D1-小外徑(jing);
d--大內(nei)徑(jing);
d1-小內徑;
T-接(jie)近D處的壁厚;
T1-接近D1處的壁厚(hou);
C--180°彎頭(tou)中心線直徑;
B--180°彎頭自背面至(zhi)(zhi)端面或至(zhi)(zhi)直管端部開始處(chu)的尺寸;
F--90°彎(wan)頭(tou)自(zi)中(zhong)(zhong)心線至(zhi)端(duan)面(mian)或至(zhi)直管端(duan)部開始處的尺寸(cun)(cun)以及等徑和異徑三通自(zi)中(zhong)(zhong)心線至(zhi)端(duan)面(mian)d的尺寸(cun)(cun);
H--異徑三通自中心線至端(duan)面d1的尺寸;
K--管帽總(zong)高度(du);
L--異(yi)徑接頭總長度及彎頭直管(guan)端的長度;
R、R1-異徑接(jie)頭曲率半徑;
Q--角直線偏(pian)差(cha);
P--垂直(zhi)線偏差(cha)。
3. 材料
a. 所使用的鋼號按以(yi)下(xia)規定:
TS46、TS47、TS57、TS58、TS60、TS61 (ISO 2604-2);
P46、P47、P61 (ISO 2604-4);
TW46、TW47、TW58、TW61 (ISO 2604-5)。
b. 經供(gong)需雙方協(xie)議可提供(gong)ISO 2604-2、ISO 2604-4和ISO 2604-5中所規定的其他鋼號。
c. 管件應(ying)由以下材料制造(zao):
①. 無縫鋼管;
②. 焊接鋼管或焊接板材。焊縫應預先經供需雙方協議的無損檢驗方法檢驗。
d. 根據供(gong)需雙方協(xie)議,應進行(xing)晶間腐蝕試(shi)驗(yan)。例如,按照(zhao)ISO 3651-2進行(xing)試(shi)驗(yan)。
4. 結構(gou)型式與尺寸
3D彎頭(tou)包括不(bu)帶直(zhi)(zhi)管(guan)(guan)(guan)(guan)端(duan)和(he)帶直(zhi)(zhi)管(guan)(guan)(guan)(guan)端(duan)的(de)兩種(zhong)。不(bu)帶直(zhi)(zhi)管(guan)(guan)(guan)(guan)端(duan)的(de)3D彎頭(tou)型式見圖(tu)(tu)19-7,尺(chi)寸見表(biao)19-10;帶直(zhi)(zhi)管(guan)(guan)(guan)(guan)端(duan)的(de)3D彎頭(tou)型式見圖(tu)(tu)19-8,尺(chi)寸見表(biao)19-11。
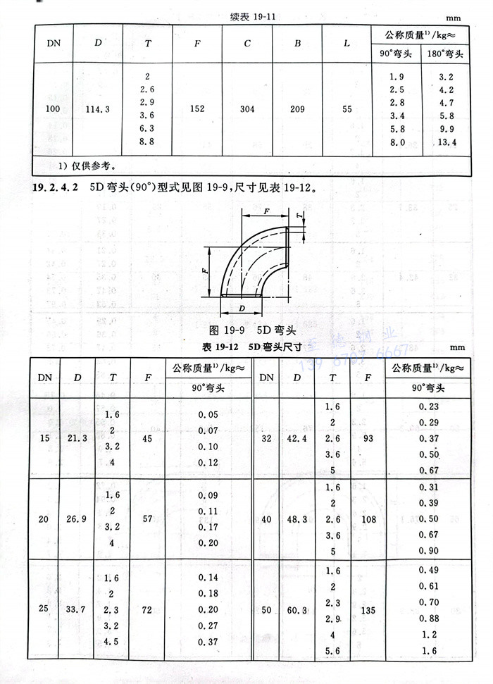
5D彎頭(90°)型式(shi)見圖(tu)19-9,尺寸見表19-12。






同心和(he)偏心異徑接頭型式(shi)見圖19-10,尺(chi)寸見表19-13。
推薦(jian)半徑(jing): 同心(xin)異徑(jing)接頭:R≥0.4D R1≥0.4D1 , 偏(pian)心(xin)異徑(jing)接頭:R≥0.3D , R1≥0.3D1 。








等徑和異徑三通型式見圖19-11,尺寸見表19-14。









管帽型式見(jian)圖19-12,尺(chi)寸見(jian)表19-15。


5. 公差
a. 尺(chi)寸偏(pian)差
管件(jian)尺寸偏差見表(biao) 19-16

b. 直線性偏差
管件直線性偏(pian)差見表 19-17

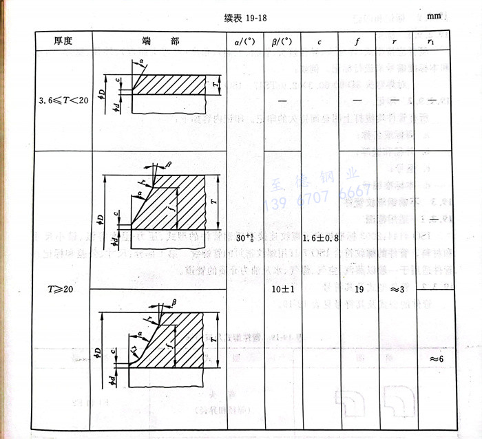
c. 坡口(kou)偏差(cha)
管件焊端應切成(cheng)(cheng)直角。對于超過 3.6mm 的(de)壁厚,其端部應加工成(cheng)(cheng)坡口。端部形狀和尺寸見表(biao) 19-18。


6. 熱處理(li)
熱處(chu)理應按生產廠和采購方之(zhi)間的協議進行,例如,根據ISO 2604-2《壓力(li)用鋼(gang)質量(liang)要(yao)求 第2部(bu)(bu)分(fen):軋(ya)制無縫鋼(gang)管(guan)》或ISO 2604-5《壓力(li)用鋼(gang)質量(liang)要(yao)求 第5部(bu)(bu)分(fen):縱向焊接(jie)的奧氏體(ti)不銹鋼(gang)管(guan)》。
7. 試(shi)驗
通常,對于按本標準(zhun)條(tiao)件(jian)生(sheng)產的管件(jian),不要求驗(yan)收(shou)試驗(yan)。
8. 檢驗(yan)合格證
a. 當用(yong)戶要求時(shi),生產廠應(ying)提供表明所提供的管(guan)件(jian)符合(he)本(ben)標準的檢(jian)驗合(he)格證。
b. 本檢驗合(he)格證應符合(he)ISO 404《鋼和(he)(he)鋼材一般交貨技術條件(jian)》中(zhong)的(de)5.2.1和(he)(he)5.2.2條的(de)要求(qiu)。
9. 標記(ji)(ji)和印記(ji)(ji)
a. 標記
管件應按型式(即彎(wan)頭、異徑(jing)接(jie)頭、管帽、三通)、角(jiao)度(對彎(wan)頭而言)、外徑(jing)、壁(bi)厚、鋼(gang)號和本標準編號來(lai)進行標記。例(li)如:
對焊彎(wan)頭3D-90-60.3×2.9-TS47 ISO 5251
b. 印記
所有管件均應(ying)打上明顯而持久的(de)印記。印記內容(rong)如下:
a. 商標(biao)或名稱(cheng);
b. 外徑和(he)壁厚;
c. 鋼號;
d. 本標準編號。

