襯(chen)塑鋼(gang)管(guan)和(he)管(guan)件是在鋼(gang)管(guan)和(he)管(guan)件內部(bu)襯(chen)以聚(ju)丙烯(xi)(PP)、聚(ju)乙(yi)烯(xi)(PE)及聚(ju)氯乙(yi)烯(xi)(PVC)等非(fei)金(jin)屬材料,以適應化工、石油化工,醫藥、紡(fang)織和(he)冶金(jin)等部(bu)門輸送腐蝕(shi)性介質的(de)需要。這種襯(chen)塑鋼(gang)管(guan)和(he)管(guan)件的(de)公稱壓力為PN20,相當(dang)于2.0 MPa。
1. 襯塑直管
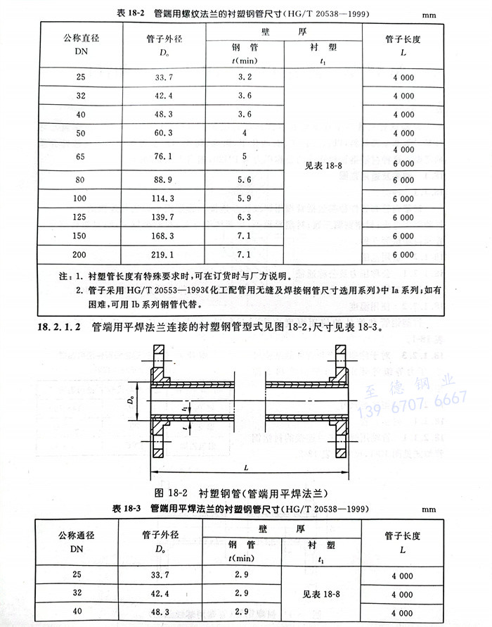
a. 管(guan)端用(yong)螺紋法蘭連(lian)接(jie)的襯塑(su)鋼管(guan)型式見圖18-1,尺寸見表(biao)18-2。
b. 管(guan)端用平法蘭(lan)連接的襯塑鋼管(guan)型式見圖18-2,尺寸見表18-3。



2. 襯塑管(guan)件
a. 襯(chen)塑鋼制彎(wan)頭
襯塑(su)鋼制彎頭(tou)型式見圖18-3,尺寸見表(biao)18-4。
b. 襯塑鋼制(zhi)三通、異徑(jing)管(guan)
襯(chen)塑鋼制三通、異徑管(guan)型式見圖18-4,尺寸見表18-5。
c. 襯(chen)塑鑄鋼彎頭
襯塑鑄鋼彎(wan)頭型(xing)式見圖18-5,尺寸見表(biao)18-6。
d. 襯塑鋼制三(san)通、異(yi)徑(jing)管
襯塑鑄鋼三通(tong)、異徑管型式見(jian)圖18-6,尺寸見(jian)表18-7。







e. 襯塑層
襯塑層厚(hou)度尺寸見表 18-8

3. 襯塑管端部連(lian)接法蘭(lan)
根據襯(chen)塑工(gong)藝的不同,對于DN≤200mm襯(chen)塑管端部,可采(cai)用突面帶頸螺紋法蘭連接,其(qi)公稱壓力(li)PN為1.0MPa及2.0MPa兩級。
PN1.0MPa突面帶頸螺紋鋼制管法蘭型(xing)式見(jian)圖18-7,尺寸見(jian)表18-9。
PN2.0MPa突面(mian)帶頸螺紋鋼制管法蘭型式見(jian)圖18-7,尺寸見(jian)表18-10。


4. 公差
襯塑管(guan)(guan)及(ji)管(guan)(guan)件主要尺寸偏差見圖 18-8 及(ji)表 18-11。



