化工鋼制有縫對焊管件是用碳鋼、低合金鋼和奧氏體不銹鋼鋼板制造的具有縱向焊縫的管件,其品種包括三通(tong)(等徑和異徑)、彎頭(tou)(短半徑90°和長半徑90°、45°)、異徑管或異徑接頭(同心和偏心)三種,與接管連接的方式為對焊連接,端部外徑分為Ⅰ系列和Ⅱ系列(lie),是專供化工(gong)行業大型(xing)管(guan)道使(shi)用的一種(zhong)管(guan)件(jian)。
1. 結(jie)構型式與尺寸
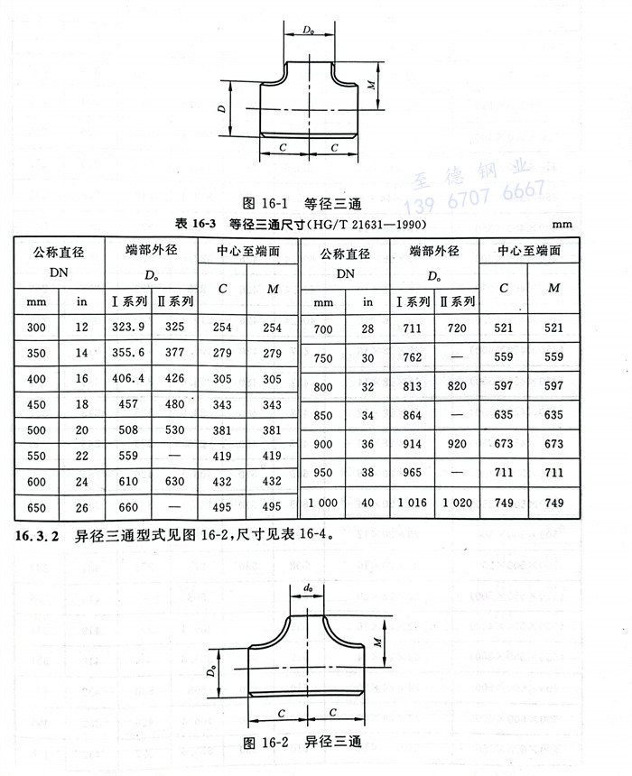
a. 等徑三通型式見(jian)圖 16-1 ,尺(chi)寸見(jian)表(biao) 16-3 。
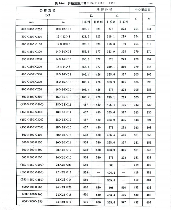
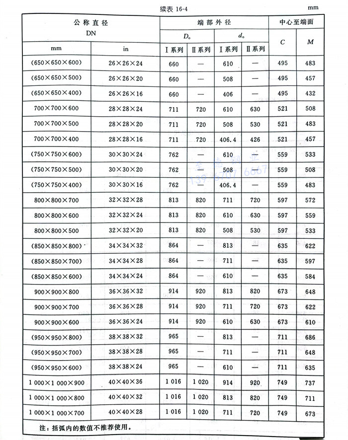
b. 異徑三通型式見圖 16-2 ,尺(chi)寸見表 16-4 。



c. 彎頭型式(shi)見(jian)圖 16-3,尺寸見(jian)表 16-5 。

d. 異(yi)徑(jing)管型式(shi)見(jian)圖 16-4 ,尺寸見(jian)表 16-6 。


2. 公(gong)差(cha)
成型管件的主(zhu)要尺寸偏(pian)差(cha)見(jian)圖(tu) 16-5 及表 16-7。


