標準型管件包括熱壓彎頭、熱壓T形三通、異(yi)徑(jing)管、封頭4種。
a. 熱壓彎頭結構型式見圖13-1,尺寸見表13-6。
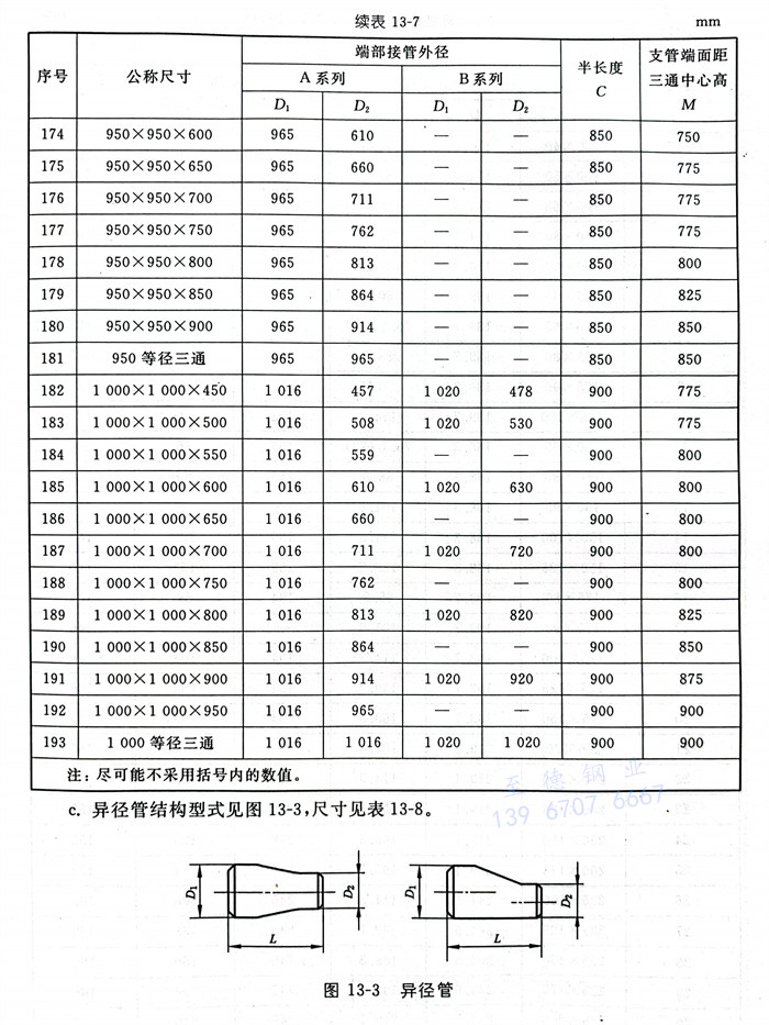
b. 熱壓T型(xing)(xing)三(san)通結構型(xing)(xing)式(shi)見圖13-2,尺寸見表13-7。
c. 異徑(jing)管結構型式(shi)見圖(tu)13-3,尺寸見表13-8。
d. 封頭結構型式見(jian)圖13-4,尺寸見(jian)表(biao)13-9。














注:1. 盡可能不(bu)采用括號內(nei)的(de)數(shu)值(zhi)。
2. 封頭的頭部(bu)形狀為橢圓(yuan)形,半橢圓(yuan)部(bu)分(fen)的高度應不小于封頭內徑的1/4。
3. 當封頭的壁厚小于和等(deng)于限制厚度時,采用L值,當大于限制厚度時,采用L1值。
4. 對于(yu)公稱(cheng)尺寸DN 650及以上的封頭,長度(du)L1應由(you)供(gong)需(xu)雙方協商。

