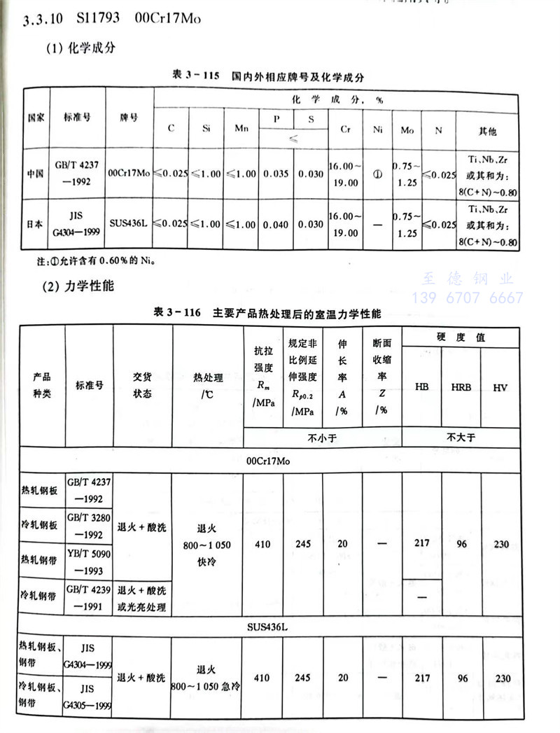
S11793 00Cr17Mo 不(bu)銹鋼主要(yao)特性和(he)用途
此鋼(gang)降(jiang)低了1Cr17Mo不(bu)銹鋼(gang)中的(de)碳和氮,再單獨或復合加入鈦、鈮或鋯,從(cong)而改(gai)善鋼(gang)的(de)加工性(xing)(xing)、焊接性(xing)(xing)和耐蝕性(xing)(xing)。
用于制造(zao)車(che)輛(liang)部件、廚房用具(ju)、餐具(ju)及用做建筑內外裝飾(shi)材料。


發布日期:2024-02-08 11:58:21 人氣:440
S11793 00Cr17Mo 不(bu)銹鋼主要(yao)特性和(he)用途
此鋼(gang)降(jiang)低了1Cr17Mo不(bu)銹鋼(gang)中的(de)碳和氮,再單獨或復合加入鈦、鈮或鋯,從(cong)而改(gai)善鋼(gang)的(de)加工性(xing)(xing)、焊接性(xing)(xing)和耐蝕性(xing)(xing)。
用于制造(zao)車(che)輛(liang)部件、廚房用具(ju)、餐具(ju)及用做建筑內外裝飾(shi)材料。

