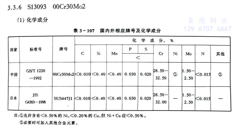
S13093 00Cr30Mo2 不銹(xiu)鋼主(zhu)要(yao)特性和(he)用(yong)途
高(gao)(gao)純鐵素體型不銹鋼,由于鉻和(he)鉬含量(liang)高(gao)(gao),而(er)碳和(he)氮(dan)的(de)含量(liang)又降至極(ji)低,從而(er)提(ti)高(gao)(gao)鋼的(de)耐蝕(shi)能力(li)(li),特別(bie)是耐應(ying)力(li)(li)腐蝕(shi)和(he)耐點腐蝕(shi)能力(li)(li),并具有(you)軟磁性。同時,鋼的(de)脆性轉變溫度降低,韌性提(ti)高(gao)(gao)。
用于制造與(yu)醋(cu)酸(suan)、乳酸(suan)等有(you)機(ji)(ji)酸(suan)有(you)關的設備(bei),生產苛(ke)性堿設備(bei),以及在要求耐(nai)鹵素離子應力腐蝕(shi)和耐(nai)點腐蝕(shi)條件下工作的設備(bei)和構件,還可制造防止公害的機(ji)(ji)器(qi)。



