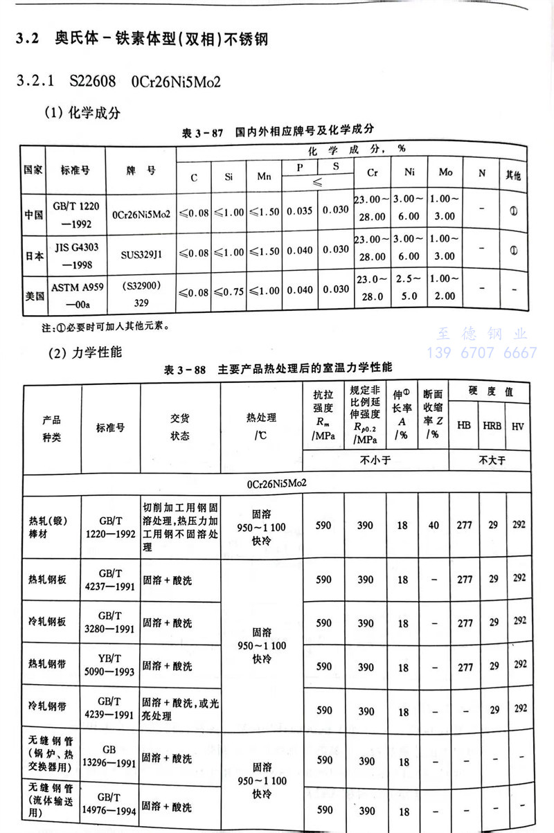
S22608 0Cr26Ni5Mo2 不銹鋼主要特性和用途
此(ci)鋼屈(qu)服強度高,幾乎是奧氏(shi)體(ti)型不銹鋼的(de)2倍。在海水中(zhong)具有(you)較(jiao)好的(de)耐點蝕和(he)縫(feng)隙腐(fu)蝕能(neng)力,抗氧化(hua)性能(neng)也較(jiao)好。在含氯化(hua)物的(de)水介質中(zhong)有(you)較(jiao)好的(de)耐應力腐(fu)蝕性能(neng)。
用于制造耐海水腐蝕的設備,用工業水作為冷卻介(jie)質(zhi)的熱交換器(qi)設備等(deng)。



