管(guan)(guan)件(按計算其壓力額定(ding)值的基準管(guan)(guan)子)分為Sch80和(he)Sch160兩(liang)個(ge)(ge)等級。根據配接管(guan)(guan)子外徑的不同選(xuan)擇,管(guan)(guan)件承(cheng)口內徑尺寸(d1)和(he)流通孔直(zhi)徑尺寸(d2)分別(bie)規定(ding)了A、B兩(liang)個(ge)(ge)系列,推薦(jian)優先選(xuan)用A系列。
同(tong)(tong)一(yi)管件的(de)各承口(kou)處尺寸應同(tong)(tong)為A系(xi)列(lie)或B系(xi)列(lie)。但在供需雙方協商(shang)同(tong)(tong)意的(de)條件下,允(yun)許(xu)一(yi)個管件同(tong)(tong)時含有兩個系(xi)列(lie)的(de)承口(kou)尺寸,并應做(zuo)專門的(de)標(biao)記。
在(zai)不違背GB/T 14383-1993《鍛鋼制承插焊管(guan)件》標準的有(you)關(guan)尺(chi)寸規(gui)定時,經供需雙方協商(shang)同意(yi),B系(xi)列管(guan)件的外(wai)形尺(chi)寸允許采(cai)用(yong)相同通(tong)徑和等(deng)級的A系(xi)列管(guan)件的外(wai)形尺(chi)寸。
管件承口處的結構見(jian)圖10-1,尺寸見(jian)表10-2。


45°彎頭(tou)和90噸彎頭(tou)、三通(tong)和四通(tong)型式見圖 10-2 ,尺寸見表(biao) 10-3。

45°斜(xie)三通、雙(shuang)承口(kou)管(guan)箍、單(dan)承口(kou)管(guan)箍和管(guan)帽(mao)型(xing)式見圖 10-3 ,尺寸見表 10-4。

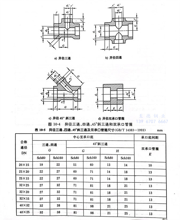
異徑三(san)(san)通、四通、45°斜三(san)(san)通和雙承口管箍型式見圖(tu) 10-4,尺寸見表 10-5 。


管件尺寸公差的極限偏差見表 10-6。


