可鍛鑄(zhu)鐵(tie)是將(jiang)白(bai)口鑄(zhu)鐵(tie)坯件通過(guo)石(shi)墨(mo)化或氧(yang)化脫碳熱處(chu)理(li),改變其(qi)(qi)金(jin)相組織或成分(fen),而獲得(de)具有較(jiao)高韌性(xing)的(de)一種(zhong)鑄(zhu)鐵(tie)件。與灰(hui)鑄(zhu)鐵(tie)管件相比,可鍛鑄(zhu)鐵(tie)管件的(de)優(you)點是具有韌性(xing),其(qi)(qi)屈服強度(du)與鋼近似。
可鍛(duan)鑄鐵管(guan)件與管(guan)子的連接(jie)為螺紋(wen)連接(jie),通(tong)常適(shi)用(yong)于公稱通(tong)徑(jing)為6~150 mm(即DN6~DN150),輸送水、油、空(kong)氣(qi)、煤氣(qi)、蒸(zheng)汽用(yong)的一般管(guan)路連接(jie)上。
1. 彎頭、三(san)通和(he)四(si)通
彎頭、三通(tong)和四(si)通(tong)型式(shi)見(jian)圖 7-1 ,尺寸(cun)見(jian)表 7-2 。


2. 異(yi)徑彎頭
異徑(jing)彎頭(tou)型式見圖 7-2,尺寸見表(biao) 7-3。

3. 45°彎頭
45°彎頭型(xing)式見(jian)圖 7-3 ,尺寸見(jian)表 7-4 。

4. 中(zhong)大、中(zhong)小異徑三通
中大(da)、中小異徑三通(tong)型式見圖 7-4 ,尺寸見表 7-5 。



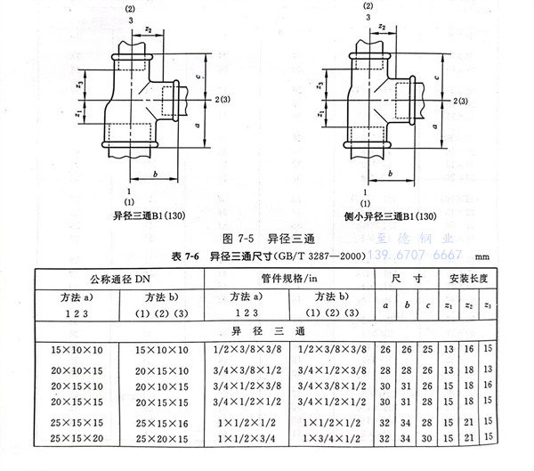
5. 異徑(jing)三通
異徑三(san)通(tong)型式(shi)見圖 7-5 ,尺寸見表 7-6 。

6. 異徑四通
異徑(jing)四通(tong)型式見(jian)圖 7-6 ,尺寸(cun)見(jian)表 7-7 。

7. 短月(yue)彎(wan)(wan)、單彎(wan)(wan)三通和雙彎(wan)(wan)彎(wan)(wan)頭
短月彎(wan)、單彎(wan)三通(tong)和(he)雙彎(wan)彎(wan)頭型式(shi)見(jian)圖 7-7 ,尺寸見(jian)表 7-8 。

8. 異徑單彎三通(tong)
異徑單彎三(san)通型式(shi)見(jian)圖 7-8 ,尺(chi)寸見(jian)表 7-9 。

9. 異徑雙彎彎頭(tou)
異(yi)徑雙(shuang)彎(wan)彎(wan)頭型式見圖(tu) 7-9 ,尺寸見表 7-10 。

10. 長月彎
長月(yue)彎型式見(jian)圖 7-10 ,尺寸(cun)見(jian)表(biao) 7-11 。

11. 45°月彎
45°月彎(wan)型式見圖 7-11 ,尺(chi)寸(cun)見表 7-12 。

12. 外接頭
外(wai)接頭型式(shi)見(jian)圖(tu) 7-12 ,尺寸見(jian)表 7-13 。


13. 內外絲接頭
內外(wai)絲接頭型式見圖 7-13 ,尺寸見表 7-14 。

14. 內(nei)外螺絲
內(nei)外螺絲型(xing)式(shi)見圖 7-14 ,尺寸見表(biao) 7-15 。


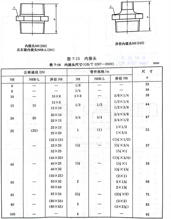
15. 內接頭
內接(jie)頭見圖 7-15 ,尺寸(cun)見表(biao) 7-16 。

16. 鎖緊螺母
鎖緊螺(luo)母型(xing)式見圖(tu)7-16,尺(chi)寸(cun)(cun)見表(biao)7-17。鎖緊螺(luo)母可以是平(ping)的(de)或凹(ao)入式的(de),允許加工一個表(biao)面。s尺(chi)寸(cun)(cun)(扳(ban)手對(dui)邊寬度)由制(zhi)造商自行決定。螺(luo)紋(wen)應符合GB/T 7307《非螺(luo)紋(wen)密封管螺(luo)紋(wen)》的(de)規定。

17. 管(guan)帽(mao)和管(guan)堵
管帽和(he)管堵型(xing)式(shi)見圖(tu)7-17,尺(chi)寸(cun)見表7-18。管帽可(ke)以是六邊形(xing)、圓形(xing)或其(qi)他形(xing)狀,由制造方決定。

18. 活接頭
活接頭型式見圖7-18,尺寸見表7-19。其他類型座的設計和材料應符合表中所給出的尺寸a、b。 墊圈見7.2.20條。 活接頭U1和U2可否同套管一起供應由(you)制(zhi)造方決(jue)定。

注:活(huo)接(jie)頭(無論是(shi)否有適合(he)于(yu)閥座設計的(de)墊圈)應作為一(yi)個完整組件來使用,因為活(huo)接(jie)頭的(de)部(bu)件可(ke)以由不同的(de)制造商(shang)來加工(gong),也可(ke)以不同類(lei)型活(huo)接(jie)頭的(de)部(bu)件由同一(yi)個制造商(shang)來做,這些(xie)部(bu)件沒有必要(要求)具有互換性(xing)。
19. 活接彎頭
活(huo)接(jie)彎頭型(xing)式見圖(tu)7-19,尺寸(cun)(cun)見表7-20。其他(ta)類型(xing)座的設計和材料應(ying)符(fu)合(he)表中給(gei)出的尺寸(cun)(cun)a、b和c。


注:活接(jie)(jie)頭(tou)(無(wu)論是否有適(shi)合于閥座設計的墊圈(quan))應作為(wei)一個(ge)完整(zheng)組件(jian)(jian)來(lai)使用,因為(wei)活接(jie)(jie)頭(tou)的部件(jian)(jian)可以由不同的制(zhi)造商(shang)來(lai)加(jia)工,也可以不同類(lei)型(xing)活接(jie)(jie)頭(tou)的部件(jian)(jian)由同一個(ge)制(zhi)造商(shang)來(lai)做,這些部件(jian)(jian)沒有必要(yao)(要(yao)求)具有互換性。
20. 墊圈
墊圈的型式見圖 7-20 ,尺寸見表 7-21 。

墊圈材料和厚度根(gen)據(ju)用途,訂貨時由供(gong)需雙(shuang)方協定。

