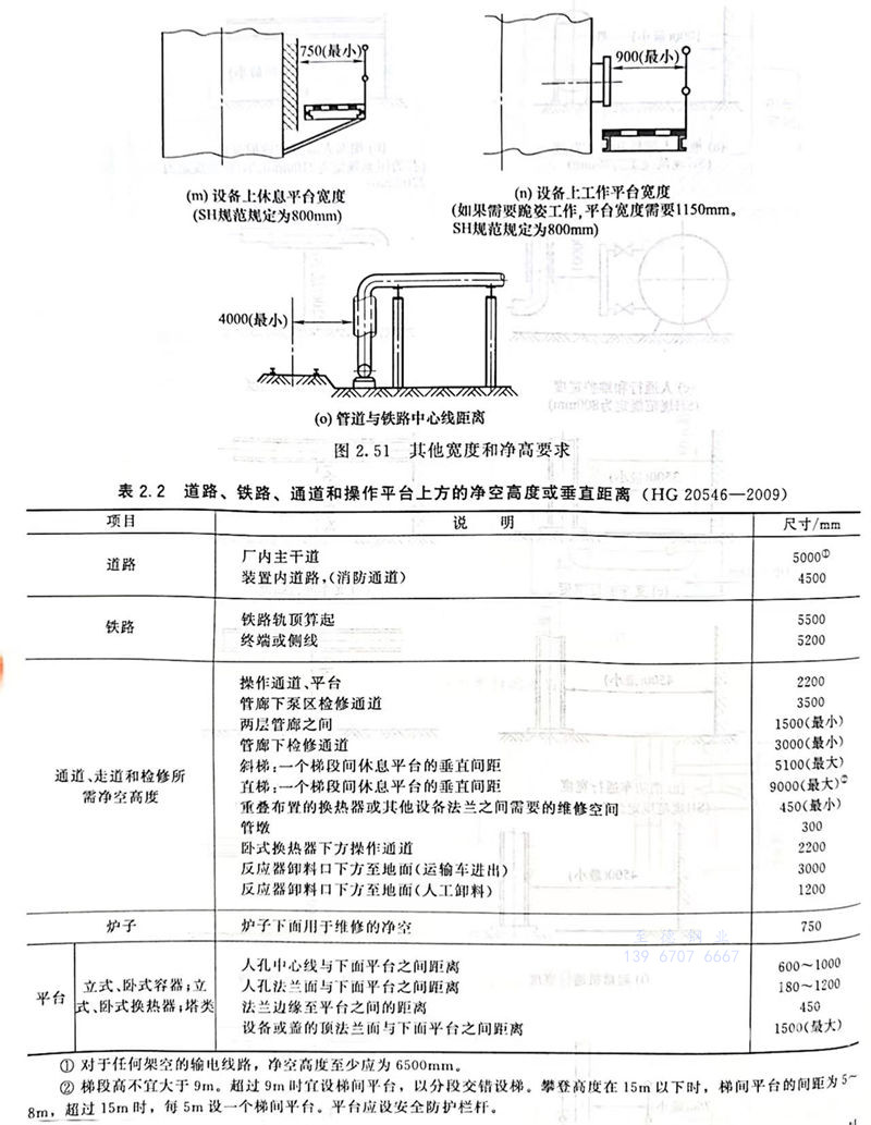
道(dao)路、鐵(tie)路、通道(dao)和(he)操作(zuo)平臺上方的凈空(kong)高(gao)度或垂直距離(li)見表(biao)2.2。

工(gong)程應用(yong):跨越道路管廊(lang)下(xia)最小(xiao)凈空(kong)高度
跨(kua)(kua)越(yue)道路(lu)管廊(lang)下(xia)最小凈(jing)空(kong)高(gao)度(du)(du)如(ru)圖2.52所示。對于跨(kua)(kua)越(yue)道路(lu)管廊(lang)下(xia)最小凈(jing)空(kong)高(gao)度(du)(du)A的要求如(ru)下(xia)。
SH 3012規(gui)定,管(guan)道跨(kua)(kua)越廠區(qu)、裝置(zhi)區(qu)的鐵路(lu)和(he)道路(lu)時應符合下述要求。管(guan)道跨(kua)(kua)越鐵路(lu)時,軌面以(yi)上(shang)的凈(jing)空高度不(bu)(bu)低于5.5m;管(guan)道跨(kua)(kua)越廠內道路(lu)時,路(lu)面以(yi)上(shang)的凈(jing)空高度不(bu)(bu)低于5m;管(guan)道跨(kua)(kua)越裝置(zhi)內的檢(jian)修道路(lu)和(he)消防(fang)道路(lu)時,路(lu)面以(yi)上(shang)的凈(jing)空高度應不(bu)(bu)低于4.5m。
對(dui)于(yu)(yu)全廠性管(guan)道,管(guan)墩距(ju)頂面(mian)不(bu)低(di)(di)于(yu)(yu)0.4m,管(guan)廊(lang)下(xia)方(fang)(fang)通行時,凈(jing)高不(bu)低(di)(di)于(yu)(yu)2.1m,多層管(guan)廊(lang)(架)層間(jian)距(ju)不(bu)低(di)(di)于(yu)(yu)1.2m。對(dui)于(yu)(yu)裝置內管(guan)廊(lang),下(xia)方(fang)(fang)作(zuo)為消防通道時,凈(jing)高不(bu)低(di)(di)于(yu)(yu)4.5m,多層管(guan)廊(lang)層間(jian)距(ju)宜為1.2~2.0m。
SH 3011規(gui)定,裝(zhuang)置內(nei),主要車(che)行通(tong)道、消防通(tong)道、檢修通(tong)道的最(zui)小凈(jing)寬(kuan)和最(zui)小凈(jing)高(gao)分(fen)別為4.0m和4.5m,操作(zuo)通(tong)道的最(zui)小凈(jing)寬(kuan)為0.8m,最(zui)小凈(jing)高(gao)為2.2m。

工程應用:平臺、過道(dao)和(he)工作區域的(de)最小凈空(kong)
平臺、過道和工作區(qu)域的(de)最(zui)小凈(jing)(jing)空如(ru)(ru)圖2.53所示。這個高度(du)要(yao)求是(shi)(shi)按國(guo)內有關(guan)規(gui)范,如(ru)(ru)果是(shi)(shi)國(guo)外項目,此(ci)高度(du)可能不(bu)同(tong)。例如(ru)(ru),筆者(zhe)在參(can)與設(she)計規(gui)范較嚴(yan)格的(de)沙特阿美公司配管設(she)計時,他們的(de)規(gui)范要(yao)求最(zui)小凈(jing)(jing)空高度(du)為(wei)2030mm。
工程應用(yong):不(bu)同高(gao)度結構平臺對直爬梯(ti)和斜爬梯(ti)的一般要求
不同高度結構平臺對直爬梯(ti)和斜爬梯(ti)的一般(ban)要求如圖2.54所示。斜爬梯(ti)主要用(yong)(yong)于經(jing)常使用(yong)(yong)的位置(zhi),直爬梯(ti)用(yong)(yong)于不經(jing)常使用(yong)(yong)的位置(zhi)。

工程(cheng)應用:直爬梯段高和(he)休息平(ping)臺設置的(de)一般(ban)要求
直爬梯(ti)(ti)(ti)段(duan)高和休息平(ping)(ping)臺(tai)(tai)設(she)置的(de)一般(ban)要(yao)求(qiu)如圖2.55所示。中石化標(biao)準(zhun)規(gui)(gui)定:斜(xie)(xie)梯(ti)(ti)(ti)宜傾斜(xie)(xie)45°。梯(ti)(ti)(ti)高不(bu)宜大于(yu)5m,如大于(yu)5m,應設(she)梯(ti)(ti)(ti)間(jian)平(ping)(ping)臺(tai)(tai)。設(she)備上(shang)的(de)直梯(ti)(ti)(ti)宜從(cong)側面(mian)通向(xiang)平(ping)(ping)臺(tai)(tai)。攀登高度(du)在15m以(yi)內時(shi),梯(ti)(ti)(ti)間(jian)平(ping)(ping)臺(tai)(tai)的(de)間(jian)距應為5~8m;超過15m時(shi),每(mei)5m應設(she)梯(ti)(ti)(ti)間(jian)平(ping)(ping)臺(tai)(tai)。設(she)備上(shang)的(de)直梯(ti)(ti)(ti)宜從(cong)側面(mian)通向(xiang)平(ping)(ping)臺(tai)(tai),單(dan)段(duan)梯(ti)(ti)(ti)子的(de)高度(du)不(bu)宜大于(yu)10m,高度(du)大于(yu)10m時(shi),應采用多段(duan)梯(ti)(ti)(ti),梯(ti)(ti)(ti)段(duan)水(shui)平(ping)(ping)交錯(cuo)布置。國內各行業(ye)(ye)的(de)標(biao)準(zhun)規(gui)(gui)范規(gui)(gui)定的(de)數值,可能有些差異,實際工程中需要(yao)以(yi)所依據行業(ye)(ye)標(biao)準(zhun)規(gui)(gui)范的(de)數據為準(zhun)。
工程應用:不同高度直爬梯護圈的設(she)計
高度超過(guo)3m的直梯應設置安全(quan)護(hu)(hu)籠,護(hu)(hu)籠下端(duan)距(ju)地面或平(ping)臺面不應小于2.1m,護(hu)(hu)籠上端(duan)高出平(ping)臺面,應與欄(lan)桿高度一致。不同高度直爬梯護(hu)(hu)圈(quan)的設計如圖2.56所示。

工程應用:錯誤的直爬(pa)梯設計(圖2.57)
2015年筆者去剛建好的儲罐(guan)區(qu)參觀,發現一球(qiu)罐(guan)的直爬梯(ti)(ti)單段(duan)梯(ti)(ti)子約20m高,從地面直通球(qiu)罐(guan)頂平臺(tai),中間沒(mei)有(you)休息平臺(tai)和爬梯(ti)(ti)交(jiao)錯布置,廠(chang)內人員說爬這(zhe)個梯(ti)(ti)子時比較累。后來,我(wo)們建議(yi)這(zhe)個直爬梯(ti)(ti)按照國家(jia)規范修改(gai)設計。

