焊(han)條電弧焊(han)過去稱為手工電弧焊,它是焊接奧氏體不銹(xiu)鋼常用的一種焊接方法。
一(yi)、坡口的準備
應(ying)根據不(bu)同板厚選用不(bu)同形式的(de)焊接(jie)坡口。選用坡口形式的(de)原則如下:
1. 確保焊(han)接接頭質量
為(wei)保證焊(han)(han)透并盡量避免產生焊(han)(han)接缺陷,應(ying)多采用對接焊(han)(han)縫。實踐(jian)證明,V形坡口(kou)的角(jiao)變(bian)形大(da)于X形坡口(kou)。這一(yi)點在奧氏體(ti)型不銹(xiu)鋼(gang)焊(han)(han)接接頭表現尤為(wei)突出(chu),見(jian)本章(zhang)第一(yi)節的介(jie)紹。
2. 減少焊接材料的消(xiao)耗量
對于(yu)同樣厚度的焊接接頭,采用X形(xing)坡(po)口比V形(xing)坡(po)口能節(jie)省較多的焊接材(cai)料、電(dian)能和工時,焊接構件越厚越顯著。
3. 可(ke)達性強
要(yao)根據焊(han)接(jie)結(jie)構件能否轉(zhuan)動,翻(fan)轉(zhuan)難易程度或焊(han)接(jie)接(jie)頭內(nei)外(wai)兩側(ce)的(de)焊(han)接(jie)條件而定。對不(bu)能轉(zhuan)動和內(nei)徑較(jiao)小(xiao)容器的(de)對接(jie)焊(han)縫,為了避(bi)免大量(liang)的(de)仰焊(han)或不(bu)便(bian)從內(nei)側(ce)施焊(han),宜采用V形坡口或U形坡口,坡口的(de)鈍邊要(yao)小(xiao),保證打底焊(han)能實現單面焊(han)雙(shuang)面成形。
4. 改(gai)善勞動條件
對(dui)于大直(zhi)徑容器(qi)的(de)(de)內側(ce)焊縫(feng),應選用小的(de)(de)坡(po)口形(xing)式,以減少容器(qi)內部(bu)的(de)(de)焊接工(gong)作量,還可以使焊接接頭(tou)的(de)(de)熱影響(xiang)區(qu)減小,有(you)利于降低晶(jing)間腐蝕的(de)(de)傾向。
5. 保證(zheng)實現(xian)安全操作(zuo)
對于不銹鋼來說,坡口形式的選用除了上述原則外,還要考慮如何縮小焊接接頭的熱影響區范圍,使用小的熱輸入完成焊接,以達到提高焊接接頭耐蝕性和減少焊接變形量的目的。
下料和加(jia)工坡口的(de)方(fang)法,有機(ji)械(xie)加(jia)工和等離子(zi)弧(hu)切割方(fang)法,可根據構件的(de)厚度和形狀(zhuang)確定(ding)。
坡口(kou)加工(gong)完畢后要進(jin)(jin)行檢(jian)查,對影響焊(han)接質(zhi)量(liang)的局部凹凸不平(ping)處應進(jin)(jin)行修理磨平(ping);有裂(lie)紋、分(fen)層、夾渣等缺陷應清理干凈,經著色滲(shen)透檢(jian)查確認無(wu)缺陷后,方能準(zhun)備施(shi)焊(han)。
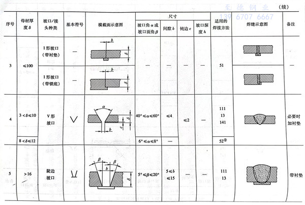
根據不銹鋼鋼板厚度,常用(yong)的電弧(hu)焊(han)單面(mian)焊(han)對接坡(po)口(kou)見表3-7(GB/T 985.1-2008)和雙面(mian)對接焊(han)坡(po)口(kou)見表3-8(GB/T985.1-2008)。這(zhe)兩種坡(po)口(kou)形式也是全國壓(ya)力(li)容器標準化技術委(wei)員會推薦在壓(ya)力(li)容器及壓(ya)力(li)元(yuan)件(jian)中使用(yong)的。










二、焊前準備
1. 焊件表面清理
焊件待焊處(chu)兩側(ce)各20mm(包括坡口面)表面應徹底清理干凈,不(bu)應有任何油(you)脂、污漬(zi)、油(you)漆(qi)標記、氧化(hua)皮和(he)其他雜(za)質(zhi)。通常采用丙酮(tong)或酒精進(jin)行(xing)擦洗(xi),必(bi)要時還需(xu)先(xian)進(jin)行(xing)打磨。若清理不(bu)干凈,這些有機物(wu)質(zhi)會在電弧高(gao)溫作用下分解燃燒(shao)成氣體,引(yin)起焊縫金屬產生氣孔和(he)增碳(tan),進(jin)而使(shi)焊接接頭耐蝕性(xing)降低。
2. 焊條的(de)選(xuan)擇與烘干
所(suo)選用焊條應能獲得(de)化(hua)學(xue)成(cheng)分與(yu)母(mu)(mu)材(cai)金(jin)屬(shu)(shu)相近的(de)熔敷金(jin)屬(shu)(shu)。為(wei)了確保焊縫金(jin)屬(shu)(shu)的(de)耐(nai)蝕性不低于母(mu)(mu)材(cai)金(jin)屬(shu)(shu),其鉻、鎳含量略高(gao)于母(mu)(mu)材(cai)金(jin)屬(shu)(shu),而(er)碳含量又要低于母(mu)(mu)材(cai)金(jin)屬(shu)(shu)。各(ge)種鋼(gang)材(cai)的(de)匹配焊條可按表2-4和表2-6進行選取。











根據藥皮的(de)(de)類型(xing)不同,焊(han)條(tiao)(tiao)(tiao)有(you)(you)堿性(xing)型(xing)和鈦鈣型(xing)兩種,它們均具有(you)(you)良(liang)好的(de)(de)抗裂性(xing)能(neng)。堿性(xing)型(xing)焊(han)條(tiao)(tiao)(tiao):焊(han)條(tiao)(tiao)(tiao)牌(pai)號Axxx的(de)(de)最(zui)(zui)后(hou)(hou)一個“x'為(wei)“7';焊(han)條(tiao)(tiao)(tiao)型(xing)號Exxx-xx的(de)(de)為(wei)“-15”“-25”,要選(xuan)用(yong)直(zhi)流(liu)電(dian)(dian)源(yuan)反(fan)極性(xing)施焊(han)。鈦型(xing)或(huo)鈦鈣型(xing)焊(han)條(tiao)(tiao)(tiao):焊(han)條(tiao)(tiao)(tiao)牌(pai)號Axxx的(de)(de)最(zui)(zui)后(hou)(hou)一個“x”為(wei)“2”;焊(han)條(tiao)(tiao)(tiao)型(xing)號Exxx-xx的(de)(de)“xx”為(wei)“-16”、“-17”和“-26”,通(tong)常選(xuan)用(yong)直(zhi)流(liu)電(dian)(dian)源(yuan)反(fan)極性(xing)也可(ke)以選(xuan)用(yong)交(jiao)流(liu)電(dian)(dian)源(yuan)進行(xing)焊(han)接(jie)。采用(yong)直(zhi)流(liu)反(fan)極性(xing)電(dian)(dian)源(yuan)施焊(han),有(you)(you)電(dian)(dian)弧穩定、焊(han)接(jie)速度快(kuai)且飛濺小(xiao)等優點,能(neng)保(bao)證可(ke)靠的(de)(de)焊(han)接(jie)質量。
施焊(han)(han)(han)(han)(han)以(yi)前對焊(han)(han)(han)(han)(han)條(tiao)要(yao)(yao)按工藝要(yao)(yao)求進(jin)行烘(hong)(hong)干,減少帶(dai)入電弧區的水分(fen)。堿性型焊(han)(han)(han)(han)(han)條(tiao)要(yao)(yao)在(zai)350~400℃烘(hong)(hong)箱中(zhong)烘(hong)(hong)焙(bei)1~2h,然(ran)后放(fang)在(zai)溫(wen)度(du)為200℃烘(hong)(hong)箱內存放(fang)備用,以(yi)免受潮(chao)。鈦(tai)型或(huo)鈦(tai)鈣型焊(han)(han)(han)(han)(han)條(tiao),通常在(zai)使用前將(jiang)其(qi)放(fang)在(zai)150~200℃烘(hong)(hong)箱中(zhong)烘(hong)(hong)焙(bei)1~2h即可。焊(han)(han)(han)(han)(han)條(tiao)烘(hong)(hong)干溫(wen)度(du)不(bu)(bu)宜過高,烘(hong)(hong)焙(bei)時間也不(bu)(bu)宜太長。最好不(bu)(bu)要(yao)(yao)重(zhong)復烘(hong)(hong)干,用多少烘(hong)(hong)多少,以(yi)防止(zhi)藥(yao)(yao)皮脫落。焊(han)(han)(han)(han)(han)條(tiao)烘(hong)(hong)焙(bei)時,不(bu)(bu)能(neng)將(jiang)焊(han)(han)(han)(han)(han)條(tiao)突(tu)然(ran)放(fang)入高溫(wen)爐加熱或(huo)從高溫(wen)爐中(zhong)突(tu)然(ran)取出冷(leng)卻。正確(que)的方(fang)法(fa)是(shi)將(jiang)焊(han)(han)(han)(han)(han)條(tiao)先放(fang)入溫(wen)度(du)100℃以(yi)下爐中(zhong),然(ran)后緩慢升(sheng)溫(wen),保溫(wen)后隨爐緩冷(leng),這樣才能(neng)防止(zhi)焊(han)(han)(han)(han)(han)條(tiao)藥(yao)(yao)皮開裂和(he)脫剝。
烘(hong)焙焊(han)條應使(shi)用(yong)正規的干(gan)(gan)燥箱而不能(neng)用(yong)封閉式的加熱爐,因為烘(hong)干(gan)(gan)箱能(neng)將烘(hong)出(chu)(chu)來的水汽排(pai)出(chu)(chu),而封閉式加熱逸(yi)出(chu)(chu)的水分仍停(ting)留在加熱室內,降溫之(zhi)后(hou),水分又被(bei)藥皮吸收(shou),達不到干(gan)(gan)燥的效果。
焊條直徑按不同母材金屬(shu)厚度來選擇,見(jian)表3-9。焊接電流選用的經驗系數見(jian)表3-10。


幾種(zhong)對(dui)接接頭每(mei)米焊(han)縫所消(xiao)耗焊(han)條(tiao)的質(zhi)量見表(biao)3-11。表(biao)3-12為等邊直角焊(han)縫每(mei)米所消(xiao)耗焊(han)條(tiao)的質(zhi)量。


3. 焊接環境
焊(han)(han)(han)條(tiao)電(dian)弧焊(han)(han)(han)時(shi)焊(han)(han)(han)接(jie)場地風(feng)速不(bu)(bu)大于10m/s,相對(dui)濕(shi)度不(bu)(bu)大于90%,要避免風(feng)、雨、雪的(de)直接(jie)影響(xiang)。環境溫度低時(shi)應(ying)在始焊(han)(han)(han)處100mm范(fan)圍(wei)內預(yu)熱到15℃左右。焊(han)(han)(han)接(jie)廠(chang)房應(ying)安裝通風(feng)設備,減少有害氣(qi)體和煙塵對(dui)環境的(de)污染。焊(han)(han)(han)接(jie)用電(dian)源(yuan)網路電(dian)壓的(de)波(bo)動范(fan)圍(wei)不(bu)(bu)應(ying)超過額(e)定(ding)值的(de)±10%。
4. 裝配定位焊(han)
為了保證(zheng)所焊構(gou)件(jian)的(de)最終形(xing)狀和尺寸,組裝焊件(jian)時(shi)既要(yao)按工藝需要(yao)留(liu)出焊接根(gen)部間隙,還必須考慮留(liu)出焊縫縱(zong)橫(heng)兩向收縮(suo)量和角變形(xing)的(de)反變形(xing)量。
定位(wei)焊(han)縫(feng)是短小而(er)斷續的(de)(de)焊(han)縫(feng),其參考尺寸見(jian)表3-13。定位(wei)焊(han)縫(feng)雖說短小而(er)窄,在(zai)正式焊(han)接過程中(zhong)并不會全部熔掉(diao),仍(reng)有部分焊(han)縫(feng)留(liu)在(zai)正式焊(han)縫(feng)中(zhong)。故應要求焊(han)縫(feng)的(de)(de)質量和正常焊(han)縫(feng)一樣,不能隨便施焊(han)。

定位(wei)焊時,要注(zhu)意(yi)下列事項:
a. 定位焊縫(feng)所有焊條(tiao)型號(hao)(或牌號(hao))應與正式焊接(jie)時相同(tong),但(dan)焊條(tiao)直徑(jing)可(ke)選(xuan)細一些(xie)。
b. 定位焊(han)(han)縫的焊(han)(han)接(jie)電(dian)流要選擇得比正式焊(han)(han)接(jie)時(shi)大一些,通常大10%~15%,以保證焊(han)(han)透。
c. 定(ding)位焊縫的起弧和收尾處應(ying)圓(yuan)滑過渡,以避免正式(shi)焊接(jie)時引起未熔合的缺陷。
d. 發現(xian)定位(wei)(wei)焊縫(feng)有(you)缺陷,應(ying)將其清除干凈后(hou)再(zai)重(zhong)新進行定位(wei)(wei)焊,以(yi)保證定位(wei)(wei)焊的焊縫(feng)質量。
e. 在焊(han)縫交叉處和焊(han)縫方向急劇變(bian)化處不應進(jin)行定位(wei)焊(han),應離(li)開上(shang)述位(wei)置50mm以上(shang)進(jin)行定位(wei)焊(han)。
f. 對于(yu)需要焊(han)前預(yu)熱(re)的焊(han)件,定位焊(han)前也(ye)要預(yu)熱(re),其預(yu)熱(re)溫度(du)與(yu)正式焊(han)接時(shi)相同。
為了防止焊接裂紋和減少內應力(li),裝(zhuang)配時(shi)要盡(jin)量避(bi)免強行組(zu)裝(zhuang)。一旦(dan)發現定位(wei)焊縫產生裂紋,應立既鏟除,再重新(xin)定位(wei)焊,切不可將隱患殘留在定位(wei)焊縫中(zhong)。
不等厚(hou)(hou)度奧氏(shi)體型不銹(xiu)鋼對接接頭,要求(qiu)將厚(hou)(hou)板(ban)(ban)一側待焊處削(xue)薄至與(yu)薄板(ban)(ban)一側厚(hou)(hou)度相同。這(zhe)樣便于(yu)焊接,同時也可減(jian)少焊接應力集中。當板(ban)(ban)厚(hou)(hou)≤10mm,兩板(ban)(ban)厚(hou)(hou)度差超過3mm或板(ban)(ban)厚(hou)(hou)>10mm,兩板(ban)(ban)厚(hou)(hou)度差超過板(ban)(ban)厚(hou)(hou)的(de)30%或超過5mm時,應按圖3-13要求(qiu)削(xue)薄厚(hou)(hou)板(ban)(ban)邊緣。厚(hou)(hou)板(ban)(ban)削(xue)薄長度的(de)推薦(jian)公式為:

5. 焊接工(gong)藝
化工容器中焊(han)接(jie)(jie)(jie)拼接(jie)(jie)(jie)方(fang)式上多種多樣(yang)的(de)(de)(de),但接(jie)(jie)(jie)觸(chu)介質的(de)(de)(de)焊(han)接(jie)(jie)(jie)接(jie)(jie)(jie)頭(tou)(tou)(tou)都應該是對接(jie)(jie)(jie)的(de)(de)(de)(包括(kuo)單縫(feng)(feng)(feng)(feng)(feng)拼接(jie)(jie)(jie)的(de)(de)(de)對接(jie)(jie)(jie)焊(han)縫(feng)(feng)(feng)(feng)(feng)、T形(xing)拼接(jie)(jie)(jie)的(de)(de)(de)對接(jie)(jie)(jie)焊(han)縫(feng)(feng)(feng)(feng)(feng)和十(shi)字拼接(jie)(jie)(jie)的(de)(de)(de)對接(jie)(jie)(jie)焊(han)縫(feng)(feng)(feng)(feng)(feng)),不(bu)允許存在角(jiao)(jiao)(jiao)焊(han)縫(feng)(feng)(feng)(feng)(feng)(包括(kuo)T形(xing)接(jie)(jie)(jie)頭(tou)(tou)(tou)角(jiao)(jiao)(jiao)焊(han)縫(feng)(feng)(feng)(feng)(feng)、搭接(jie)(jie)(jie)接(jie)(jie)(jie)頭(tou)(tou)(tou)焊(han)縫(feng)(feng)(feng)(feng)(feng)、套管接(jie)(jie)(jie)頭(tou)(tou)(tou)角(jiao)(jiao)(jiao)焊(han)縫(feng)(feng)(feng)(feng)(feng)和角(jiao)(jiao)(jiao)接(jie)(jie)(jie)接(jie)(jie)(jie)頭(tou)(tou)(tou)角(jiao)(jiao)(jiao)焊(han)縫(feng)(feng)(feng)(feng)(feng))。只有極少數必須的(de)(de)(de)情況下(如修補(bu)內襯(chen)層)才(cai)采用(yong)搭接(jie)(jie)(jie)接(jie)(jie)(jie)頭(tou)(tou)(tou)角(jiao)(jiao)(jiao)焊(han)縫(feng)(feng)(feng)(feng)(feng)。采用(yong)對接(jie)(jie)(jie)焊(han)縫(feng)(feng)(feng)(feng)(feng)十(shi)字拼接(jie)(jie)(jie)時(shi),相鄰筒節的(de)(de)(de)縱焊(han)縫(feng)(feng)(feng)(feng)(feng)應對準(zhun);采用(yong)對接(jie)(jie)(jie)焊(han)縫(feng)(feng)(feng)(feng)(feng)T形(xing)拼接(jie)(jie)(jie)時(shi),相鄰筒節縱焊(han)縫(feng)(feng)(feng)(feng)(feng)距離(li)或封頭(tou)(tou)(tou)焊(han)縫(feng)(feng)(feng)(feng)(feng)的(de)(de)(de)端(duan)點與相鄰筒節縱焊(han)縫(feng)(feng)(feng)(feng)(feng)的(de)(de)(de)距離(li)應大于筒體(ti)壁(bi)厚的(de)(de)(de)3倍(bei),且(qie)不(bu)小于100mm。
裝配(pei)于筒體內部的構(gou)件與筒體焊(han)(han)(han)接時,其焊(han)(han)(han)縫(feng)(feng)應(ying)盡量避開筒體環(huan)焊(han)(han)(han)縫(feng)(feng)和筒體與封(feng)頭相接的環(huan)焊(han)(han)(han)縫(feng)(feng)。
筒體縱(zong)焊縫的對(dui)口錯(cuo)邊(bian)量(liang),在板(ban)(ban)厚(hou)≤50mm時(shi)(shi),應(ying)(ying)≤板(ban)(ban)厚(hou)的1/4,且不超過3mm;板(ban)(ban)厚(hou)>50mm時(shi)(shi),應(ying)(ying)≤1/16板(ban)(ban)厚(hou),且≤10mm。筒體環(huan)焊縫的對(dui)口錯(cuo)邊(bian)量(liang),板(ban)(ban)厚(hou)≤40mm時(shi)(shi),應(ying)(ying)≤1/4板(ban)(ban)厚(hou),且≤5mm;板(ban)(ban)厚(hou)>40mm時(shi)(shi),應(ying)(ying)≤1/8板(ban)(ban)厚(hou),且≤20mm。
復(fu)合鋼板的(de)對口錯邊量(liang)以(yi)復(fu)層表面為基(ji)準,不(bu)論縱(zong)縫(feng)還是環縫(feng),均不(bu)得大(da)于復(fu)層厚度(du)的(de)5%,且(qie)不(bu)大(da)于2mm。
化(hua)工(gong)容(rong)器封頭(tou)如(ru)果是拼(pin)接(jie)(jie)后成(cheng)形,其拼(pin)接(jie)(jie)焊(han)縫在成(cheng)型前應(ying)打磨至與(yu)母材齊平。如(ru)果封頭(tou)由成(cheng)型瓣片和圓板對(dui)接(jie)(jie)拼(pin)制成(cheng)時,焊(han)縫方向(xiang)只允許是徑向(xiang)和環向(xiang)的。各不(bu)(bu)相交焊(han)縫之間的最小(xiao)距離應(ying)大于壁厚(hou)的3倍(bei),且不(bu)(bu)小(xiao)于100mm。
盡(jin)量避免在容器焊(han)縫(feng)及其(qi)邊(bian)緣附近(jin)開(kai)孔。若必須開(kai)孔,則以開(kai)孔中心為圓(yuan)心,1.5倍開(kai)孔直徑(jing)為半徑(jing)的圓(yuan),所包(bao)容的焊(han)接接頭(tou)都(dou)需經(jing)射線或超(chao)聲(sheng)檢測(ce)檢查(cha)判定為合格。
焊(han)(han)接(jie)(jie)奧氏體型(xing)不(bu)銹鋼時(shi)(shi),不(bu)允許焊(han)(han)條(tiao)在(zai)非焊(han)(han)接(jie)(jie)部位(wei)引(yin)弧,以避免由于引(yin)弧跡點產生局(ju)部腐蝕。在(zai)可能的情況下選用與產品相同(tong)的材料作(zuo)(zuo)為引(yin)弧板引(yin)弧,也可以直接(jie)(jie)在(zai)焊(han)(han)接(jie)(jie)部位(wei)進(jin)行(xing)(xing)定位(wei)焊(han)(han)或正(zheng)式(shi)施焊(han)(han)。若不(bu)慎在(zai)非焊(han)(han)接(jie)(jie)部位(wei)引(yin)弧,必須(xu)將弧坑(keng)按施焊(han)(han)工藝條(tiao)件(jian)進(jin)行(xing)(xing)補焊(han)(han)并要打(da)磨(mo)至與基本金(jin)屬面齊平。當產品在(zai)焊(han)(han)接(jie)(jie)夾(jia)具(ju)工作(zuo)(zuo)臺上進(jin)行(xing)(xing)旋轉焊(han)(han)接(jie)(jie)時(shi)(shi),定要使焊(han)(han)件(jian)與夾(jia)具(ju)的接(jie)(jie)觸面有(you)良(liang)好的接(jie)(jie)觸,接(jie)(jie)觸不(bu)良(liang)會產生電弧閃點,而引(yin)起燒傷處局(ju)部腐蝕。
從奧氏(shi)體型不銹鋼性能上分析,它的電(dian)阻大且導熱性又差,與焊(han)(han)(han)接同等(deng)厚度碳素(su)鋼相比(bi),可以選擇小的焊(han)(han)(han)接電(dian)流;在保證焊(han)(han)(han)透的情況下可適當地提(ti)(ti)高(gao)焊(han)(han)(han)接速度。這(zhe)樣,焊(han)(han)(han)接熔池所受(shou)到(dao)的熱量(liang)(liang)(liang)會(hui)相對小些(xie),有利于提(ti)(ti)高(gao)焊(han)(han)(han)縫金屬的耐蝕性,又能減(jian)少焊(han)(han)(han)后(hou)變形量(liang)(liang)(liang)。在施焊(han)(han)(han)過程(cheng)中,焊(han)(han)(han)縫背面(mian)加(jia)純(chun)(紫)銅墊板或者(zhe)通水冷(leng)卻等(deng)方法,都能使(shi)焊(han)(han)(han)接熔池熱量(liang)(liang)(liang)減(jian)少,是提(ti)(ti)高(gao)焊(han)(han)(han)接接頭耐蝕性的有效措施。
化(hua)工容器(qi)和設備的(de)焊(han)接(jie)順序是,先焊(han)接(jie)縱縫,后焊(han)接(jie)環縫,以(yi)減少焊(han)接(jie)應(ying)力。在(zai)焊(han)接(jie)操作時(shi),應(ying)盡量(liang)采(cai)用對(dui)稱焊(han)、分(fen)段(duan)焊(han)、跳焊(han)和逆向分(fen)段(duan)焊(han)等(deng)操作方法(見圖3-14),以(yi)減少焊(han)接(jie)應(ying)力,又(you)減少焊(han)后變(bian)形(xing)量(liang)。發生焊(han)后變(bian)形(xing)要(yao)進行(xing)校(xiao)(xiao)形(xing),校(xiao)(xiao)形(xing)時(shi)嚴禁用鋼質(zhi)錘子(zi)矯形(xing),以(yi)防局部(bu)過量(liang)變(bian)形(xing)或鐵渣(zha)粘在(zai)不銹(xiu)鋼板上(shang)而產生腐(fu)蝕,應(ying)選用木質(zhi)錘。

對(dui)耐蝕性(xing)要求高的(de)奧氏體(ti)型(xing)不銹鋼(gang)容(rong)器及介質接觸的(de)焊(han)縫,應該最后施(shi)焊(han),才(cai)能提(ti)高焊(han)縫金屬耐蝕性(xing)。焊(han)接時,盡量避免損傷奧氏體(ti)型(xing)不銹鋼(gang)容(rong)器內表面,若有(you)局部(bu)傷痕、刻(ke)槽等影(ying)響(xiang)耐蝕性(xing)的(de)缺陷,必須修正打磨(mo)(mo)(mo),打磨(mo)(mo)(mo)處與基本母材(cai)(cai)金屬呈不小于1:3斜坡過渡。打磨(mo)(mo)(mo)深度(du)不應超過該部(bu)位金屬材(cai)(cai)料厚度(du)的(de)5%,且不超過2mm。否則,要進行重新補焊(han)、磨(mo)(mo)(mo)平(ping)。
在焊(han)(han)(han)接(jie)承(cheng)受(shou)壓力的(de)(de)化(hua)工容(rong)器(qi)(qi)、鍋爐和管(guan)(guan)路時,要(yao)求焊(han)(han)(han)縫完(wan)全焊(han)(han)(han)透,以保證受(shou)壓元件的(de)(de)質(zhi)量(liang)和對(dui)性(xing)能(neng)的(de)(de)要(yao)求。對(dui)接(jie)焊(han)(han)(han)縫通(tong)常采取雙(shuang)面(mian)(mian)焊(han)(han)(han)或(huo)單(dan)面(mian)(mian)焊(han)(han)(han)雙(shuang)面(mian)(mian)成(cheng)(cheng)形的(de)(de)方法(fa)來保證焊(han)(han)(han)縫反面(mian)(mian)焊(han)(han)(han)透。雙(shuang)面(mian)(mian)焊(han)(han)(han)使用比較廣(guang)泛,對(dui)焊(han)(han)(han)工操作(zuo)技能(neng)雖(sui)有(you)一定要(yao)求,但并非很嚴格。但由于(yu)受(shou)構(gou)件尺寸和形狀限制(zhi),如(ru)小(xiao)直徑(jing)容(rong)器(qi)(qi)、管(guan)(guan)道在里(li)面(mian)(mian)無法(fa)進行施(shi)焊(han)(han)(han),只能(neng)在容(rong)器(qi)(qi)外側(ce)焊(han)(han)(han)接(jie)。通(tong)常單(dan)側(ce)焊(han)(han)(han)時易造(zao)成(cheng)(cheng)內表面(mian)(mian)未焊(han)(han)(han)透或(huo)出現焊(han)(han)(han)瘤和咬邊(bian)等焊(han)(han)(han)接(jie)缺陷,無法(fa)滿足(zu)焊(han)(han)(han)接(jie)質(zhi)量(liang)的(de)(de)要(yao)求。為此,提出了單(dan)面(mian)(mian)焊(han)(han)(han)雙(shuang)面(mian)(mian)成(cheng)(cheng)形的(de)(de)焊(han)(han)(han)接(jie)操作(zuo)方法(fa)。
單(dan)面(mian)(mian)(mian)焊(han)(han)(han)(han)(han)(han)(han)(han)(han)雙(shuang)面(mian)(mian)(mian)成(cheng)形(xing)(xing)(xing)(xing)操(cao)作(zuo)方(fang)(fang)法(fa)(fa)(fa)是(shi)一(yi)種高技(ji)巧的(de)(de)操(cao)作(zuo)技(ji)術,要(yao)(yao)求在(zai)焊(han)(han)(han)(han)(han)(han)(han)(han)(han)件坡(po)(po)(po)口背面(mian)(mian)(mian)沒有(you)任何(he)輔助(zhu)措施的(de)(de)條(tiao)件下,在(zai)坡(po)(po)(po)口正面(mian)(mian)(mian)進(jin)行施焊(han)(han)(han)(han)(han)(han)(han)(han)(han),且焊(han)(han)(han)(han)(han)(han)(han)(han)(han)后保證坡(po)(po)(po)口正、反(fan)兩(liang)面(mian)(mian)(mian)都有(you)一(yi)定(ding)的(de)(de)焊(han)(han)(han)(han)(han)(han)(han)(han)(han)縫(feng)余高,還要(yao)(yao)得到均勻整(zheng)齊、成(cheng)形(xing)(xing)(xing)(xing)良好的(de)(de)焊(han)(han)(han)(han)(han)(han)(han)(han)(han)接(jie)(jie)(jie)接(jie)(jie)(jie)頭(tou)。它(ta)是(shi)焊(han)(han)(han)(han)(han)(han)(han)(han)(han)條(tiao)電(dian)(dian)(dian)(dian)弧(hu)(hu)(hu)(hu)(hu)焊(han)(han)(han)(han)(han)(han)(han)(han)(han)中難度較大的(de)(de)一(yi)種操(cao)作(zuo)方(fang)(fang)法(fa)(fa)(fa),主要(yao)(yao)適用(yong)于(yu)無(wu)法(fa)(fa)(fa)從背面(mian)(mian)(mian)清除焊(han)(han)(han)(han)(han)(han)(han)(han)(han)根和無(wu)法(fa)(fa)(fa)從里面(mian)(mian)(mian)進(jin)行焊(han)(han)(han)(han)(han)(han)(han)(han)(han)接(jie)(jie)(jie)的(de)(de)重要(yao)(yao)構(gou)件。適用(yong)于(yu)焊(han)(han)(han)(han)(han)(han)(han)(han)(han)條(tiao)電(dian)(dian)(dian)(dian)弧(hu)(hu)(hu)(hu)(hu)焊(han)(han)(han)(han)(han)(han)(han)(han)(han)單(dan)面(mian)(mian)(mian)焊(han)(han)(han)(han)(han)(han)(han)(han)(han)雙(shuang)面(mian)(mian)(mian)成(cheng)形(xing)(xing)(xing)(xing)的(de)(de)接(jie)(jie)(jie)頭(tou)形(xing)(xing)(xing)(xing)式,主要(yao)(yao)有(you)板對(dui)接(jie)(jie)(jie)接(jie)(jie)(jie)頭(tou)、管對(dui)接(jie)(jie)(jie)接(jie)(jie)(jie)頭(tou)和騎坐式管板接(jie)(jie)(jie)頭(tou)的(de)(de)對(dui)接(jie)(jie)(jie)焊(han)(han)(han)(han)(han)(han)(han)(han)(han)縫(feng)。按焊(han)(han)(han)(han)(han)(han)(han)(han)(han)接(jie)(jie)(jie)接(jie)(jie)(jie)頭(tou)所處位置,可(ke)選擇(ze)平焊(han)(han)(han)(han)(han)(han)(han)(han)(han)、立(li)焊(han)(han)(han)(han)(han)(han)(han)(han)(han)、橫焊(han)(han)(han)(han)(han)(han)(han)(han)(han)和仰焊(han)(han)(han)(han)(han)(han)(han)(han)(han)等位置進(jin)行施焊(han)(han)(han)(han)(han)(han)(han)(han)(han)。這種單(dan)面(mian)(mian)(mian)焊(han)(han)(han)(han)(han)(han)(han)(han)(han)雙(shuang)面(mian)(mian)(mian)成(cheng)形(xing)(xing)(xing)(xing)的(de)(de)焊(han)(han)(han)(han)(han)(han)(han)(han)(han)接(jie)(jie)(jie)操(cao)作(zuo)方(fang)(fang)法(fa)(fa)(fa)一(yi)般適用(yong)于(yu)V形(xing)(xing)(xing)(xing)坡(po)(po)(po)口且鈍邊較小的(de)(de)對(dui)接(jie)(jie)(jie)焊(han)(han)(han)(han)(han)(han)(han)(han)(han)縫(feng)。用(yong)焊(han)(han)(han)(han)(han)(han)(han)(han)(han)條(tiao)電(dian)(dian)(dian)(dian)弧(hu)(hu)(hu)(hu)(hu)焊(han)(han)(han)(han)(han)(han)(han)(han)(han)達到單(dan)面(mian)(mian)(mian)焊(han)(han)(han)(han)(han)(han)(han)(han)(han)雙(shuang)面(mian)(mian)(mian)成(cheng)形(xing)(xing)(xing)(xing)的(de)(de)焊(han)(han)(han)(han)(han)(han)(han)(han)(han)縫(feng),可(ke)通(tong)過間斷(duan)滅弧(hu)(hu)(hu)(hu)(hu)焊(han)(han)(han)(han)(han)(han)(han)(han)(han)方(fang)(fang)式(又稱斷(duan)弧(hu)(hu)(hu)(hu)(hu)焊(han)(han)(han)(han)(han)(han)(han)(han)(han)法(fa)(fa)(fa))或連(lian)弧(hu)(hu)(hu)(hu)(hu)焊(han)(han)(han)(han)(han)(han)(han)(han)(han)方(fang)(fang)式來(lai)實(shi)現。間斷(duan)滅弧(hu)(hu)(hu)(hu)(hu)焊(han)(han)(han)(han)(han)(han)(han)(han)(han)方(fang)(fang)式是(shi)在(zai)焊(han)(han)(han)(han)(han)(han)(han)(han)(han)接(jie)(jie)(jie)過程中,利用(yong)電(dian)(dian)(dian)(dian)弧(hu)(hu)(hu)(hu)(hu)的(de)(de)短時(shi)反(fan)復點(dian)燃(ran)和熄滅來(lai)控(kong)制焊(han)(han)(han)(han)(han)(han)(han)(han)(han)縫(feng)成(cheng)形(xing)(xing)(xing)(xing),即電(dian)(dian)(dian)(dian)弧(hu)(hu)(hu)(hu)(hu)燃(ran)燒(shao)時(shi)加(jia)熱熔(rong)(rong)(rong)(rong)透(tou)坡(po)(po)(po)口根部(bu),形(xing)(xing)(xing)(xing)成(cheng)熔(rong)(rong)(rong)(rong)合(he)良好的(de)(de)熔(rong)(rong)(rong)(rong)池;電(dian)(dian)(dian)(dian)弧(hu)(hu)(hu)(hu)(hu)熄滅時(shi),將(jiang)熔(rong)(rong)(rong)(rong)池結晶形(xing)(xing)(xing)(xing)成(cheng)雙(shuang)面(mian)(mian)(mian)焊(han)(han)(han)(han)(han)(han)(han)(han)(han)縫(feng)。連(lian)弧(hu)(hu)(hu)(hu)(hu)焊(han)(han)(han)(han)(han)(han)(han)(han)(han)方(fang)(fang)式是(shi)電(dian)(dian)(dian)(dian)弧(hu)(hu)(hu)(hu)(hu)要(yao)(yao)在(zai)整(zheng)個(ge)焊(han)(han)(han)(han)(han)(han)(han)(han)(han)接(jie)(jie)(jie)過程中連(lian)續燃(ran)燒(shao),不熄弧(hu)(hu)(hu)(hu)(hu),其(qi)運條(tiao)操(cao)作(zuo)方(fang)(fang)法(fa)(fa)(fa)又有(you)挑弧(hu)(hu)(hu)(hu)(hu)法(fa)(fa)(fa)和穩定(ding)電(dian)(dian)(dian)(dian)弧(hu)(hu)(hu)(hu)(hu)焊(han)(han)(han)(han)(han)(han)(han)(han)(han)法(fa)(fa)(fa)之分。穩弧(hu)(hu)(hu)(hu)(hu)法(fa)(fa)(fa)也可(ke)借助(zhu)電(dian)(dian)(dian)(dian)流(liu)調(diao)節器,引(yin)弧(hu)(hu)(hu)(hu)(hu)時(shi)把(ba)電(dian)(dian)(dian)(dian)流(liu)調(diao)得稍(shao)大些(xie)(xie),便于(yu)引(yin)弧(hu)(hu)(hu)(hu)(hu)段焊(han)(han)(han)(han)(han)(han)(han)(han)(han)透(tou),電(dian)(dian)(dian)(dian)弧(hu)(hu)(hu)(hu)(hu)引(yin)燃(ran)后再(zai)調(diao)至正常(chang)電(dian)(dian)(dian)(dian)流(liu),轉為正常(chang)焊(han)(han)(han)(han)(han)(han)(han)(han)(han)接(jie)(jie)(jie),收尾時(shi)再(zai)將(jiang)焊(han)(han)(han)(han)(han)(han)(han)(han)(han)接(jie)(jie)(jie)電(dian)(dian)(dian)(dian)流(liu)調(diao)小些(xie)(xie),有(you)些(xie)(xie)弧(hu)(hu)(hu)(hu)(hu)焊(han)(han)(han)(han)(han)(han)(han)(han)(han)整(zheng)流(liu)器已(yi)增添了此功(gong)能。挑弧(hu)(hu)(hu)(hu)(hu)法(fa)(fa)(fa)是(shi)指焊(han)(han)(han)(han)(han)(han)(han)(han)(han)條(tiao)在(zai)坡(po)(po)(po)口兩(liang)側(ce)擺動,當(dang)形(xing)(xing)(xing)(xing)成(cheng)熔(rong)(rong)(rong)(rong)池時(shi),電(dian)(dian)(dian)(dian)弧(hu)(hu)(hu)(hu)(hu)離開(kai)熔(rong)(rong)(rong)(rong)池到坡(po)(po)(po)口邊緣,待熔(rong)(rong)(rong)(rong)池凝(ning)固的(de)(de)瞬間,停在(zai)坡(po)(po)(po)口邊緣的(de)(de)電(dian)(dian)(dian)(dian)弧(hu)(hu)(hu)(hu)(hu)迅速移(yi)至熔(rong)(rong)(rong)(rong)池處,重新進(jin)行焊(han)(han)(han)(han)(han)(han)(han)(han)(han)接(jie)(jie)(jie),這種操(cao)作(zuo)方(fang)(fang)法(fa)(fa)(fa)要(yao)(yao)求焊(han)(han)(han)(han)(han)(han)(han)(han)(han)工有(you)較高的(de)(de)操(cao)作(zuo)技(ji)能。
按照不同的板厚和不同的坡(po)口(kou)形(xing)式(shi)(見表3-7),為填滿(man)坡(po)口(kou)并保證焊(han)(han)(han)接接頭(tou)質(zhi)量可(ke)(ke)采用(yong)多(duo)(duo)(duo)(duo)層(ceng)(ceng)焊(han)(han)(han)或(huo)多(duo)(duo)(duo)(duo)道焊(han)(han)(han),如(ru)圖3-15。對(dui)(dui)于薄板和中厚板可(ke)(ke)采用(yong)單層(ceng)(ceng)或(huo)多(duo)(duo)(duo)(duo)層(ceng)(ceng)焊(han)(han)(han);在橫(heng)焊(han)(han)(han)位置(zhi)進行厚板或(huo)坡(po)口(kou)較寬時(shi)焊(han)(han)(han)接,應(ying)(ying)用(yong)多(duo)(duo)(duo)(duo)層(ceng)(ceng)多(duo)(duo)(duo)(duo)道焊(han)(han)(han)。多(duo)(duo)(duo)(duo)層(ceng)(ceng)焊(han)(han)(han)時(shi)應(ying)(ying)防止焊(han)(han)(han)層(ceng)(ceng)厚度過厚,以減少熱輸入并有利氣(qi)體析出,同時(shi)還有利于提高(gao)焊(han)(han)(han)縫(feng)金(jin)屬抗腐(fu)蝕(shi)能力(li)。多(duo)(duo)(duo)(duo)層(ceng)(ceng)多(duo)(duo)(duo)(duo)道焊(han)(han)(han)除了自身的優點(dian)外,對(dui)(dui)提高(gao)焊(han)(han)(han)接接頭(tou)耐晶(jing)間腐(fu)蝕(shi)能力(li)也有利。在施焊(han)(han)(han)時(shi)應(ying)(ying)防止焊(han)(han)(han)道間形(xing)成(cheng)溝槽,層(ceng)(ceng)間焊(han)(han)(han)渣應(ying)(ying)及時(shi)清理(li)干(gan)凈(jing)。多(duo)(duo)(duo)(duo)層(ceng)(ceng)焊(han)(han)(han)時(shi),每層(ceng)(ceng)焊(han)(han)(han)縫(feng)應(ying)(ying)連續焊(han)(han)(han)完,層(ceng)(ceng)間溫度不宜(yi)過高(gao),焊(han)(han)(han)接層(ceng)(ceng)數(shu)也不宜(yi)過多(duo)(duo)(duo)(duo),各層(ceng)(ceng)焊(han)(han)(han)縫(feng)接頭(tou)應(ying)(ying)相互錯開。除蓋面焊(han)(han)(han)時(shi)焊(han)(han)(han)條可(ke)(ke)輕微作橫(heng)擺(bai)(bai)動外,一般不宜(yi)作橫(heng)向(xiang)擺(bai)(bai)動。當(dang)然,蓋面層(ceng)(ceng)也可(ke)(ke)以用(yong)多(duo)(duo)(duo)(duo)層(ceng)(ceng)多(duo)(duo)(duo)(duo)道焊(han)(han)(han)來完成(cheng)。

焊(han)(han)(han)(han)(han)(han)(han)(han)(han)(han)條(tiao)電弧(hu)焊(han)(han)(han)(han)(han)(han)(han)(han)(han)(han)的(de)(de)焊(han)(han)(han)(han)(han)(han)(han)(han)(han)(han)接(jie)(jie)(jie)位置有(you)(you)(you)平焊(han)(han)(han)(han)(han)(han)(han)(han)(han)(han)、立焊(han)(han)(han)(han)(han)(han)(han)(han)(han)(han)、橫焊(han)(han)(han)(han)(han)(han)(han)(han)(han)(han)和仰焊(han)(han)(han)(han)(han)(han)(han)(han)(han)(han),它與焊(han)(han)(han)(han)(han)(han)(han)(han)(han)(han)接(jie)(jie)(jie)碳鋼(gang)時(shi)操(cao)作方法略(lve)有(you)(you)(you)不(bu)(bu)同。不(bu)(bu)銹(xiu)鋼(gang)平焊(han)(han)(han)(han)(han)(han)(han)(han)(han)(han)時(shi),為(wei)了避免母(mu)材(cai)過熱(re)和最可(ke)(ke)靠(kao)地保(bao)護焊(han)(han)(han)(han)(han)(han)(han)(han)(han)(han)接(jie)(jie)(jie)熔(rong)池,要(yao)(yao)進(jin)行短(duan)弧(hu)快速焊(han)(han)(han)(han)(han)(han)(han)(han)(han)(han),弧(hu)長一(yi)般為(wei)2~3mm。焊(han)(han)(han)(han)(han)(han)(han)(han)(han)(han)接(jie)(jie)(jie)時(shi)不(bu)(bu)允許焊(han)(han)(han)(han)(han)(han)(han)(han)(han)(han)條(tiao)橫向擺動(dong)(dong),為(wei)的(de)(de)是減少對(dui)焊(han)(han)(han)(han)(han)(han)(han)(han)(han)(han)接(jie)(jie)(jie)熔(rong)池的(de)(de)熱(re)輸(shu)入(ru),有(you)(you)(you)利于提高焊(han)(han)(han)(han)(han)(han)(han)(han)(han)(han)縫(feng)(feng)(feng)金(jin)(jin)屬(shu)耐蝕性。單面(mian)(mian)對(dui)接(jie)(jie)(jie)焊(han)(han)(han)(han)(han)(han)(han)(han)(han)(han)時(shi),應將根(gen)部焊(han)(han)(han)(han)(han)(han)(han)(han)(han)(han)透(tou),焊(han)(han)(han)(han)(han)(han)(han)(han)(han)(han)道寬度最好不(bu)(bu)要(yao)(yao)超過焊(han)(han)(han)(han)(han)(han)(han)(han)(han)(han)條(tiao)直徑的(de)(de)兩倍。對(dui)于18-8型不(bu)(bu)銹(xiu)鋼(gang)進(jin)行雙(shuang)面(mian)(mian)或(huo)多層(ceng)焊(han)(han)(han)(han)(han)(han)(han)(han)(han)(han)時(shi),第一(yi)道焊(han)(han)(han)(han)(han)(han)(han)(han)(han)(han)縫(feng)(feng)(feng)由于基本金(jin)(jin)屬(shu)熔(rong)化較(jiao)多,可(ke)(ke)能得不(bu)(bu)到雙(shuang)相組織,故(gu)而(er)要(yao)(yao)求第一(yi)面(mian)(mian)焊(han)(han)(han)(han)(han)(han)(han)(han)(han)(han)道窄(zhai)一(yi)些(xie),焊(han)(han)(han)(han)(han)(han)(han)(han)(han)(han)條(tiao)不(bu)(bu)作橫向擺動(dong)(dong),等(deng)焊(han)(han)(han)(han)(han)(han)(han)(han)(han)(han)縫(feng)(feng)(feng)冷(leng)卻(que)(que)(que)后再(zai)清(qing)理(li)焊(han)(han)(han)(han)(han)(han)(han)(han)(han)(han)渣(zha),飛濺等(deng)。在(zai)焊(han)(han)(han)(han)(han)(han)(han)(han)(han)(han)反面(mian)(mian)焊(han)(han)(han)(han)(han)(han)(han)(han)(han)(han)縫(feng)(feng)(feng)以(yi)前一(yi)定要(yao)(yao)將正(zheng)面(mian)(mian)焊(han)(han)(han)(han)(han)(han)(han)(han)(han)(han)縫(feng)(feng)(feng)根(gen)部的(de)(de)焊(han)(han)(han)(han)(han)(han)(han)(han)(han)(han)瘤、焊(han)(han)(han)(han)(han)(han)(han)(han)(han)(han)渣(zha)和未焊(han)(han)(han)(han)(han)(han)(han)(han)(han)(han)透(tou)等(deng)缺陷徹底鏟凈,才能施焊(han)(han)(han)(han)(han)(han)(han)(han)(han)(han)。為(wei)了加快焊(han)(han)(han)(han)(han)(han)(han)(han)(han)(han)縫(feng)(feng)(feng)冷(leng)卻(que)(que)(que)速度,每焊(han)(han)(han)(han)(han)(han)(han)(han)(han)(han)完一(yi)層(ceng)焊(han)(han)(han)(han)(han)(han)(han)(han)(han)(han)縫(feng)(feng)(feng)后可(ke)(ke)以(yi)澆(jiao)水,加快冷(leng)卻(que)(que)(que)不(bu)(bu)會產(chan)生裂紋。如果條(tiao)件允許,可(ke)(ke)以(yi)在(zai)焊(han)(han)(han)(han)(han)(han)(han)(han)(han)(han)縫(feng)(feng)(feng)背面(mian)(mian)澆(jiao)水;也可(ke)(ke)以(yi)邊(bian)焊(han)(han)(han)(han)(han)(han)(han)(han)(han)(han)邊(bian)澆(jiao)水,焊(han)(han)(han)(han)(han)(han)(han)(han)(han)(han)一(yi)段澆(jiao)一(yi)段水,但必須注意到焊(han)(han)(han)(han)(han)(han)(han)(han)(han)(han)接(jie)(jie)(jie)熔(rong)池及其附(fu)近區域不(bu)(bu)允許有(you)(you)(you)水。實踐證明,用上述方法來加快焊(han)(han)(han)(han)(han)(han)(han)(han)(han)(han)縫(feng)(feng)(feng)冷(leng)卻(que)(que)(que)是行之有(you)(you)(you)效的(de)(de)。
立(li)(li)焊(han)(han)(han)(han)(han)位置施焊(han)(han)(han)(han)(han)時(shi)(shi),焊(han)(han)(han)(han)(han)縫(feng)處于垂直位置,由下向(xiang)上進(jin)行(xing)施焊(han)(han)(han)(han)(han)。焊(han)(han)(han)(han)(han)條與待焊(han)(han)(han)(han)(han)處要呈(cheng)70°~80°的(de)(de)下斜坡,焊(han)(han)(han)(han)(han)條的(de)(de)端(duan)部要向(xiang)上挑動(dong),才能保證立(li)(li)焊(han)(han)(han)(han)(han)焊(han)(han)(han)(han)(han)縫(feng)的(de)(de)質量,不然焊(han)(han)(han)(han)(han)縫(feng)背面(mian)(mian)易(yi)形(xing)成焊(han)(han)(han)(han)(han)瘤或者焊(han)(han)(han)(han)(han)穿。立(li)(li)焊(han)(han)(han)(han)(han)時(shi)(shi)的(de)(de)焊(han)(han)(han)(han)(han)接電(dian)流要比平焊(han)(han)(han)(han)(han)時(shi)(shi)小(xiao)20%~30%。奧氏體型不銹鋼在立(li)(li)焊(han)(han)(han)(han)(han)時(shi)(shi)橫向(xiang)收(shou)縮比平焊(han)(han)(han)(han)(han)大,故焊(han)(han)(han)(han)(han)縫(feng)間隙要稍許(xu)留大些。開坡口的(de)(de)立(li)(li)焊(han)(han)(han)(han)(han)對接焊(han)(han)(han)(han)(han)縫(feng),一(yi)(yi)定(ding)要做到單面(mian)(mian)焊(han)(han)(han)(han)(han)雙面(mian)(mian)成形(xing),在第一(yi)(yi)層立(li)(li)焊(han)(han)(han)(han)(han)時(shi)(shi),一(yi)(yi)定(ding)要焊(han)(han)(han)(han)(han)透,利用(yong)電(dian)弧的(de)(de)吹力,使焊(han)(han)(han)(han)(han)根熔透,但要防(fang)止焊(han)(han)(han)(han)(han)縫(feng)背面(mian)(mian)余(yu)高過高和焊(han)(han)(han)(han)(han)瘤現象(xiang)。
橫焊(han)(han)(han)(han)(han)(han)(han)位(wei)(wei)置焊(han)(han)(han)(han)(han)(han)(han)接(jie)(jie)(jie)時,液態金屬(shu)受(shou)重(zhong)力的下(xia)墜(zhui)傾向,焊(han)(han)(han)(han)(han)(han)(han)縫(feng)往往上(shang)薄下(xia)厚(hou)。操作不當時,容(rong)易(yi)在(zai)上(shang)坡口形成咬邊(bian)和下(xia)坡口形成未熔合的缺陷。若橫焊(han)(han)(han)(han)(han)(han)(han)焊(han)(han)(han)(han)(han)(han)(han)縫(feng)一次焊(han)(han)(han)(han)(han)(han)(han)成會使焊(han)(han)(han)(han)(han)(han)(han)縫(feng)溫度(du)(du)過高,焊(han)(han)(han)(han)(han)(han)(han)縫(feng)外形欠佳,對耐蝕性也沒(mei)有(you)好處。奧氏體型不銹鋼的橫焊(han)(han)(han)(han)(han)(han)(han)應采(cai)(cai)用條狀(zhuang)多(duo)道焊(han)(han)(han)(han)(han)(han)(han),可以(yi)克(ke)服這一缺點。對于橫焊(han)(han)(han)(han)(han)(han)(han)的定(ding)位(wei)(wei)焊(han)(han)(han)(han)(han)(han)(han)縫(feng)除了裝(zhuang)配固定(ding)外,還(huan)有(you)一定(ding)強度(du)(du)要求,因為在(zai)正式焊(han)(han)(han)(han)(han)(han)(han)接(jie)(jie)(jie)時,由于上(shang)板的重(zhong)力和焊(han)(han)(han)(han)(han)(han)(han)接(jie)(jie)(jie)時的焊(han)(han)(han)(han)(han)(han)(han)縫(feng)收縮變形大會造成較大的焊(han)(han)(han)(han)(han)(han)(han)接(jie)(jie)(jie)應力,易(yi)使定(ding)位(wei)(wei)焊(han)(han)(han)(han)(han)(han)(han)縫(feng)產生裂紋。這種裂紋在(zai)施焊(han)(han)(han)(han)(han)(han)(han)過程中易(yi)殘留在(zai)焊(han)(han)(han)(han)(han)(han)(han)縫(feng)根部(bu),構件受(shou)力后,可使裂紋擴展(zhan),導致整條焊(han)(han)(han)(han)(han)(han)(han)縫(feng)的破裂。一般要求定(ding)位(wei)(wei)焊(han)(han)(han)(han)(han)(han)(han)縫(feng)的長度(du)(du)約為30mm,焊(han)(han)(han)(han)(han)(han)(han)縫(feng)要稍許比平焊(han)(han)(han)(han)(han)(han)(han)的定(ding)位(wei)(wei)焊(han)(han)(han)(han)(han)(han)(han)時高些。橫焊(han)(han)(han)(han)(han)(han)(han)無論(lun)是單層(ceng)焊(han)(han)(han)(han)(han)(han)(han),還(huan)是多(duo)層(ceng)焊(han)(han)(han)(han)(han)(han)(han),均可采(cai)(cai)用連弧焊(han)(han)(han)(han)(han)(han)(han)方式和斷弧焊(han)(han)(han)(han)(han)(han)(han)方式進行施焊(han)(han)(han)(han)(han)(han)(han)。
仰焊(han)(han)(han)(han)(han)(han)(han)(han)(han)位(wei)置焊(han)(han)(han)(han)(han)(han)(han)(han)(han)接(jie)是(shi)(shi)焊(han)(han)(han)(han)(han)(han)(han)(han)(han)條電弧(hu)(hu)焊(han)(han)(han)(han)(han)(han)(han)(han)(han)最難(nan)掌握(wo)的(de)一種操(cao)作方法,對奧(ao)(ao)氏體(ti)型不(bu)銹鋼的(de)仰焊(han)(han)(han)(han)(han)(han)(han)(han)(han)尤為(wei)困難(nan)。在(zai)(zai)奧(ao)(ao)氏體(ti)型不(bu)銹鋼仰焊(han)(han)(han)(han)(han)(han)(han)(han)(han)時(shi)(shi)(shi),除了重力作用(yong)(yong)使(shi)液態金(jin)屬(shu)(shu)有向下(xia)(xia)(xia)滴(di)落的(de)傾向外(wai),還發(fa)現不(bu)銹鋼焊(han)(han)(han)(han)(han)(han)(han)(han)(han)條所(suo)熔(rong)化的(de)液態金(jin)屬(shu)(shu),不(bu)易與焊(han)(han)(han)(han)(han)(han)(han)(han)(han)接(jie)熔(rong)池(chi)(chi)形成一個飽滿的(de)焊(han)(han)(han)(han)(han)(han)(han)(han)(han)縫。這(zhe)是(shi)(shi)由于(yu)奧(ao)(ao)氏體(ti)型不(bu)銹鋼的(de)熱(re)(re)導(dao)率(lv)小(xiao),不(bu)容易散熱(re)(re),熔(rong)滴(di)在(zai)(zai)高溫時(shi)(shi)(shi)停(ting)留時(shi)(shi)(shi)間長(chang),又在(zai)(zai)重力作用(yong)(yong)下(xia)(xia)(xia),為(wei)熔(rong)滴(di)下(xia)(xia)(xia)落創造了條件。操(cao)作者(zhe)沒有掌握(wo)這(zhe)一特性時(shi)(shi)(shi),總感到奧(ao)(ao)氏體(ti)不(bu)銹鋼仰焊(han)(han)(han)(han)(han)(han)(han)(han)(han)位(wei)置不(bu)好焊(han)(han)(han)(han)(han)(han)(han)(han)(han)。仰焊(han)(han)(han)(han)(han)(han)(han)(han)(han)時(shi)(shi)(shi)選用(yong)(yong)焊(han)(han)(han)(han)(han)(han)(han)(han)(han)條直徑要小(xiao)一些(xie)(xie),施焊(han)(han)(han)(han)(han)(han)(han)(han)(han)時(shi)(shi)(shi)焊(han)(han)(han)(han)(han)(han)(han)(han)(han)條不(bu)要橫向擺動,以(yi)窄焊(han)(han)(han)(han)(han)(han)(han)(han)(han)縫為(wei)宜。施焊(han)(han)(han)(han)(han)(han)(han)(han)(han)時(shi)(shi)(shi)電弧(hu)(hu)弧(hu)(hu)長(chang)要短,引(yin)燃(ran)電弧(hu)(hu)后(hou)應迅(xun)速(su)將電弧(hu)(hu)引(yin)至坡口,稍停(ting),根部被熔(rong)透后(hou)再向前移動進行連續焊(han)(han)(han)(han)(han)(han)(han)(han)(han)接(jie)。當焊(han)(han)(han)(han)(han)(han)(han)(han)(han)縫的(de)根部被焊(han)(han)(han)(han)(han)(han)(han)(han)(han)透而(er)出現小(xiao)圓孔時(shi)(shi)(shi),應迅(xun)速(su)將焊(han)(han)(han)(han)(han)(han)(han)(han)(han)條帶至熔(rong)池(chi)(chi)后(hou)面而(er)熄弧(hu)(hu),并(bing)在(zai)(zai)熔(rong)池(chi)(chi)仍處(chu)在(zai)(zai)紅熱(re)(re)狀(zhuang)態時(shi)(shi)(shi)再引(yin)弧(hu)(hu),在(zai)(zai)原熔(rong)池(chi)(chi)的(de)接(jie)頭處(chu)繼續焊(han)(han)(han)(han)(han)(han)(han)(han)(han)接(jie)。整(zheng)個焊(han)(han)(han)(han)(han)(han)(han)(han)(han)接(jie)過程中始終(zhong)保持電弧(hu)(hu)在(zai)(zai)半(ban)(ban)打穿鈍邊狀(zhuang)態下(xia)(xia)(xia)運(yun)行焊(han)(han)(han)(han)(han)(han)(han)(han)(han)條,即電弧(hu)(hu)一半(ban)(ban)在(zai)(zai)熔(rong)池(chi)(chi)中,另一半(ban)(ban)在(zai)(zai)尚未熔(rong)化的(de)坡口上,焊(han)(han)(han)(han)(han)(han)(han)(han)(han)條向前移動的(de)速(su)度(du)要略(lve)快些(xie)(xie),這(zhe)樣便可得到較薄的(de)焊(han)(han)(han)(han)(han)(han)(han)(han)(han)縫,并(bing)能克服焊(han)(han)(han)(han)(han)(han)(han)(han)(han)縫凹凸不(bu)平的(de)缺陷(xian)。
對(dui)于受壓(ya)元(yuan)件的焊(han)(han)(han)(han)縫,通常選(xuan)用平(ping)焊(han)(han)(han)(han)位置的操(cao)作(zuo)方法(fa)(fa)。除非操(cao)作(zuo)空間無法(fa)(fa)滿(man)足平(ping)焊(han)(han)(han)(han)時,才允許(xu)立焊(han)(han)(han)(han)和橫(heng)焊(han)(han)(han)(han),但焊(han)(han)(han)(han)后要(yao)按受壓(ya)元(yuan)件質(zhi)量要(yao)求進行檢查。仰焊(han)(han)(han)(han)不推薦在受壓(ya)元(yuan)件中(zhong)采用。

